船舶发动机轻烃柴油混合燃料供给系统的设计与研究毕业论文
2020-02-19 09:05:13
摘 要
当前社会的发展面临着能源短缺和环境污染的两大问题,为了在不打破工业高速发展的同时解决能源短缺和环境污染的问题,人们将目光放在了代用燃料的上面。轻烃作为当前一种新型的绿色代用燃料,逐渐引起了人们的关注。本文以轻烃为研究对象,针对Z6170船用柴油机进行燃料供给系统的设计、计算与选型,之后针对所设计燃料供给系统进行一系列的实验,验证系统的可行性。
首先进行燃料状态的选择,通过在2135船用柴油机上的实验,得到了最佳的轻烃燃料应用方式为轻烃柴油混合燃料的掺烧方式,并分析得出最优掺烧比例为轻烃质量占比85%,柴油质量占比15%。之后,针对Z6170燃油供给系统进行了一系列关键设备的设计、计算和选型,并绘制出系统原理图和设备布置图。最后针对所设计系统在Z6170柴油机上进行验证实验,对比85%质量占比轻烃燃料和纯柴油相比的优点与所设计系统的可行性。实验结果显示,所设计的燃料供给系统在满足Z6170运行的同时,降低了燃料成本,减少了污染物的排放,具有一定的经济效益和社会效益。
关键词:轻烃燃料;燃料供给系统;船用柴油机
Abstract
At present, the development of society is faced with two major problems: energy shortage and environmental pollution. In order not to break the rapid development of industry, people pay attention to the alternative fuel. As a new type of green alternative fuel, light hydrocarbon has attracted more and more attention. In this paper, taking light hydrocarbon as the research object, a series of design and selection of fuel supply system for Z6170 marine diesel engine , and then a series of experiments are carried out to verify the feasibility of the system.
First of all, through the selection of fuel, through experiment and analysis, it is obtained that the best combustion mode of light hydrocarbon fuel is the mixed combustion mode of light hydrocarbon diesel mixed fuel, and the optimal combustion proportion is 85% of light hydrocarbon and 15% of diesel.After obtaining the proportion, a series of key equipment are calculated and selected for the Z6170 fuel supply system, and the equipment layout diagram is drawn. Finally, the verification test of the designed system is carried out on Z6170 diesel engine, which mainly compares the advantages of 85% light hydrocarbon fuel and pure diesel fuel and the feasibility of the designed system according to the characteristics of economy, emission and power.The experimental results show that the designed fuel supply system not only meets the operation of Z6170, but also reduces the fuel cost and the emission of pollutants, and has certain economic and social benefits.
Key words: Light hydrocarbon fuel;fuel Supply system;marine diesel
目录
1.前言 1
1.1代用燃料发展现状 1
1.1.1天然气 1
1.1.2液化石油气 1
1.1.3乙醇汽油 2
1.1.4 二甲醚 2
1.2轻烃燃料发展现状 2
1.3轻烃燃料应用现状 3
1.4 本文研究内容以及路线图 3
2.轻烃燃料的应用方式 5
2.1液态纯轻烃燃料在发动机上的燃烧 5
2.2不同配比的轻烃柴油混合燃料在发动机上的掺烧 5
2.3气态轻烃燃料在发动机上的燃烧 5
2.4 燃烧方式的选择 5
2.4.1 2135非增压式柴油机液态纯轻烃燃料可行性实验 6
2.4.2 2135非增压式柴油机液态轻烃柴油混合燃料可行性实验 6
2.4.3 2135非增压式柴油机气态轻烃燃料燃烧实验 7
2.5本章小结 8
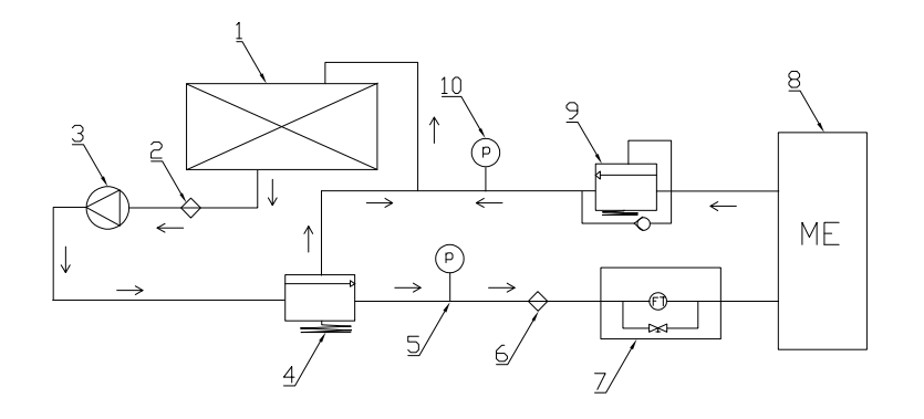
3燃料供给系统的选型与计算 9
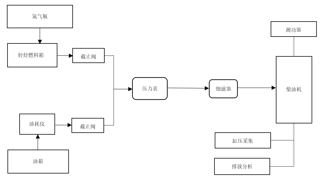
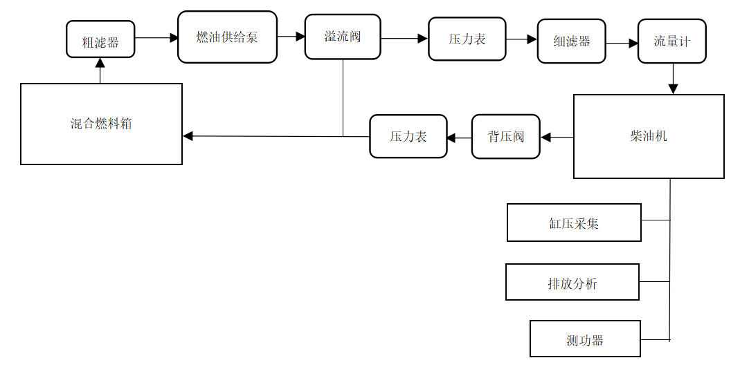
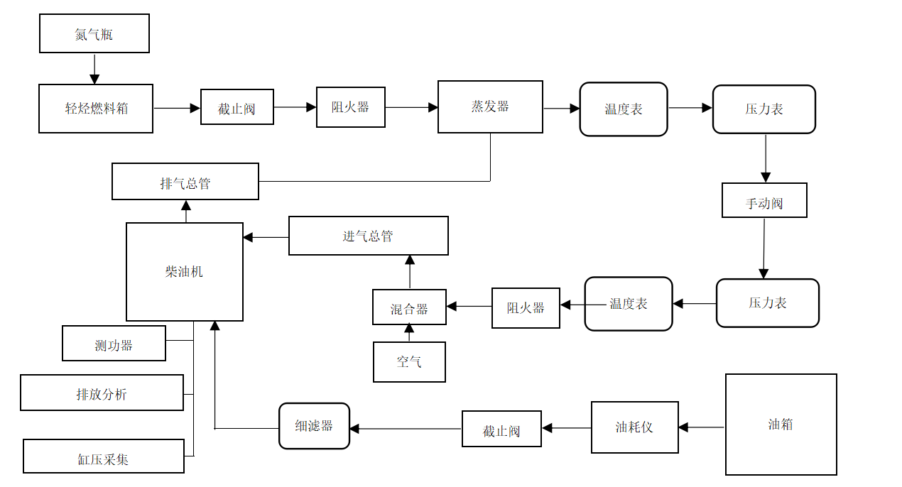
3.1燃料供给系统原理 9
3.2燃料供给系统的组成 9
3.3燃料供给系统中设备的选型与计算 10
3.3.1主机燃料消耗率的计算 10
3.3.2主机日用油柜选型 12
3.3.3泵的选型 13
3.3.4管系选型 14
3.3.5 阀件选型 16
3.3.6滤器选型 19
3.4.7流量计选型 19
3.5本章小结 20
4.混合燃料供给系统实验 21
4.1 Z6170试验台架 21
4.2实验内容 21
4.2.1实验目的 21
4.2.2实验布置图及实验过程 21
4.2.3实验数据分析 22
4.3实验总结 26
5.全文总结及未来工作展望 27
5.1全文总结 27
5.2未来的工作展望 27
6.参考文献 28
致谢 29
1.前言
二十一世纪的今天,环境污染和能源短缺问题越来越受到各个国家的重视。石油资源作为一种不可再生资源,一直作为战略资源而存在的,可以说,石油是一个国家工业发展的血液,并且近几十年来,由于石油问题产生了不止一次的军事冲突,这更能说明石油在当前世界工业经济发展中的重要地位。
石油资源尽管带给我们的是工业的迅速发展和巨大的经济效益,但是它依旧存在很大的弊端。首先,石油资源是一种不可再生资源,它是经过几十甚至上百万年的积累和沉淀形成的。在漫长的地质年代里,海洋里繁殖了大量的海洋生物,它们死亡后的遗体随着泥沙一起沉到海底,长年累月地一层层堆积起来,跟外界空气隔绝着,经过细菌的分解,以及地层内的高温、高压作用,生物遗体逐渐分解、转化成石油和天然气[1]。随着当前世界上人类的开采,石油、天然气资源越来越少,并且这种资源短缺的情况在我国尤为严重,我国当前已经开始逐渐依赖进口石油来维持我国工业的高速发展,其次,石油产品的燃烧会产生大量的污染物,不可避免的对大气产生严重的污染,从而导致环境问题日益加重,当前环境的严重污染已经影响到了我们的身体健康以及正常生活。所以,要想在不打破工业高速发展的形势的同时解决能源短缺和环境污染的问题,推进可持续发展的道路,就必须开发节约型资源和寻求代用燃料。因此,轻烃燃料由于产量大和污染小特点,就进入了研究人员的视线内[2]。
1.1代用燃料发展现状
当前应用较多的代用燃料有两种:一是天然气,二是液化石油气,除此之外还有乙醇汽油、二甲醚、甲醇等也可用作代用燃料。
1.1.1天然气
首先,天然气的应用是最为广泛的,当前天然气在发动机上的应用也越来越纯熟,并且也逐渐开发出适用于天然气的技术,例如美国BKM公司提出的微喷技术,即采用电控RAM调制柴油喷射的气体燃料发动机预喷射系统,其方式就是用于少量柴油引燃天然气。
天然气作为燃料使用时,由于天然气本身作为气体,所以天然气不需要精密的喷油以及雾化装置,这样可以使燃料供给装置更加简易,再者就是各缸的分配比较均匀,这样会使工作十分平稳[3]。众所周知,天然气是当前应用最多的清洁燃料,环保清洁,安全无毒,燃烧后无污染物的排放,泄露后也不会聚集,并且它的氢密度比较大,热值比较高[4]。不仅如此,天然气内含碳量少,能够有效避免内部产生积碳,使用天然气燃料可以有效减少内部的磨损。但是天然气也并非是没有一丝缺点的,当前由于技术的原因,如果汽车船舶大量使用天然气,会造成气缸内新鲜空气含量较低,与此同时,天然气中含有的一些有害物质会对气缸产生腐蚀减少气缸的使用寿命。不仅如此,船舶使用天然气作为燃料的一大弊端就是天然气的续驶里程比较短,这一缺点就限制了天然气作为燃料在船舶方面的使用[5]。
1.1.2液化石油气
液化石油气是化石能源加工来的,目的是方便运输和提高利用效率、降低对环境的影响,也方便民用,它们能用多久同样依赖化石能源的勘探开发。当前液化石油气的应用主要是用于汽车能源方面,包括我们日常生活中常见的出租车有很多都是配备了液化石油气的储罐。当前的许多汽车上有一套成熟的机械控制的LPG汽化系统,该系统就是在现有汽油机的基础上,增加了一套LPG供给系统改装而成的,通过转换开关来选用汽油还是选用LPG。
LPG当做燃料来使用时,发热量高,压力稳定易于运输,但是当燃油车改装成LPG车时,双燃料汽车的排放标准达不到环保的要求,原因在于,燃油和燃气对于发动机的要求不同,将燃油改为燃气时,无法保证各方面的参数与发动机的工作性能相匹配。不仅如此,LPG汽车加气也是一个问题,当前全国的加气站太少,没有形成规模,这对加气造成了很大的不便。
1.1.3乙醇汽油
现在的乙醇汽油主要用于汽车能源方面,它是按一定的比例将乙醇和汽油这两种燃料混合调配而成,作为一种新型燃料,车用乙醇汽油仍有许多需要克服的问题,例如由于乙醇的热值低而导致油耗的增加,还有就是使用了乙醇汽油的汽车启动不是特别容易,会对汽车的驱动性能有所下降 ,不仅如此,由于乙醇易吸水,这样会使得生产和运输的过程十分困难。
1.1.4 二甲醚
二甲醚燃料是近年来国际上新出现的超低排污代用燃料。它的十六烷值高,容易着火,非常适合作柴油机的代用燃料,能够实现柴油机高效、超低排放、柔和无烟燃烧,可以满足欧III排放标准和美国加州超低排放车辆(ULEV)标准,同时燃烧噪声比原柴油机低。
20世纪90年代以来,各大内燃机公司和研究所开始研究二甲醚以及与其他燃料的混合燃料在柴油机上燃烧的实验研究,取得令人满意的结果。1990年起,丹麦的Haldor Topsoe A/S公司和丹麦科技大学合作,在1台自然吸气式小型柴油机上第1次将二甲醚作为燃料进行了试验。实验结果表明二甲醚发动机与柴油机具有近似相同的热效率,其CO和HC的排放与柴油机相近,NOx排放有较大幅度的下降,而碳烟的排放接近于零,同时发动机噪音也有明显降低。除此之外,日本NKK公司在1台柴油机稍加改装后的发动机上燃用二甲醚,实验表明碳烟排量几乎为零,与柴油机相比,NOx排放量约下降了25%。但是,二甲醚虽然相对于柴油来说有很多优点,但是当前它的应用仍然存在许多没有解决的问题。
1.2轻烃燃料发展现状
轻烃作为油气田开采过程中的伴生副产品,C4-C7的液态烃类混合物。从石油碳原子数排列来看,第一段是天然气,碳原子数为1被用于化工燃料和优质气体燃料;第二段是液化石油气,碳原子数为3或4,也是重要的化工原料和优质燃料;第四段是全球的重要燃料—汽油,它的碳原子数为7-12。轻烃是第三段,它是介于液化石油气与汽油之间的烃类,对其叫法各地也不尽相同,有称轻质油、轻油、也有称轻石脑油、轻汽油。它与液化石油气,液化天然气同属烷烃类石油产品,常温常压下轻烃是淡黄色或者无色液体,具有刺鼻性气味,它的沸点比较低,在温度稍高的场合很容易汽化,它的成分和天然气、液化石油气,汽油、柴油相近,所以很适合用于燃料使用。并且由于轻烃的平均分子量大于液化石油气的平均分子量,爆炸极限范围低于液化石油气,使用安全,无毒,无污染,是一种新型的绿色环保燃料产品,所以,轻烃燃气已经被当前我国建设部认定为第四代城市燃气。从这些可以看到,轻烃燃料在人们眼中的地位越来越高,人们对轻烃燃料的开发和使用也逐步走向正轨[6]。
1.3轻烃燃料应用现状
轻烃燃料,作为一种新型燃料,广泛应用于各个领域。
首先,在生活方面,轻烃作为崛起的第四代燃气,已经受到我国政府的广泛关注,中国城市燃气协会已经编制轻烃混空气燃气的行业标准,使混空轻烃燃气的生产、运储和使用“有法可依”,进一步加强技术安全,促进混空轻烃燃气的良好发展。山西亿德燃气公司把 C5、C6 这类液态轻烃通过气化器气化,并按照工艺要求与一定比例的空气混合,通过输配管网送至用户,就是轻烃混空燃气,也就是轻烃燃气。据权威部门检测认定,轻烃燃气可根据不同终端用户的热值要求调整燃气数值范围,热能利用效率在95% 以上,高于柴油 20%。2015年,广东省巨烃新能源有限公司开发的轻烃液体加热气化装置切割机,是轻烃燃料在切割机上的应用先例。
不仅在生活方面用作生活能源,轻烃燃料越来越多地应用在发动机上。2002年,上海浦南大众公交公司吴增强等设计出了掺烧轻烃燃料的轻烃燃料汽车。与此同时,上海,浙江等地也出现了将轻烃燃料作为汽车燃料的公交车。2004年,浙江金华市建明能源设备厂在保留原汽油供给系统的情况下,加装一套独立的轻烃燃料供给系统,以此为原理推出了一种轻烃/柴油双燃料汽车。专家认为,将轻烃燃料作为能源应用于汽车上是独一无二的创举。虽然在汽车发动机领域,轻烃燃料的应用日益广泛,但是轻烃燃料作为一种刚走进人们视野中的新型燃料,在船舶发动机上的应用还是很少[7]。
1.4 本文研究内容以及路线图
研究内容:
(1)查阅相关资料,了解目前国内外轻烃燃料在发动机上应用的技术手段,并分析其特点。
(2)通过2135柴油机上的实验分析并选择轻烃最优应用方式。
(3)绘制燃料供给系统原理图以及管路设备布置图。
(4)根据规范要求,针对Z6170-19发动机进行燃料供给系统关键设备(燃料供给泵、溢流阀、背压阀、滤器、流量计等)的计算与选型。
(5)通过实验验证所设计系统的可行性。
(6)针对所设计系统的不足,提出合理的改进意见。
研究路线:

图1.1 研究路线图
2.轻烃燃料的应用方式
当前,如果在柴油机上应用轻烃燃料,那就必须要考虑轻烃燃料在柴油机内部的三种应用方式:
(1)液态纯轻烃燃料在发动机上的燃烧
(2)不同配比的轻烃柴油混合燃料在发动机上的掺烧
(3)气态轻烃燃料在发动机上的燃烧
2.1液态纯轻烃燃料在发动机上的燃烧
液态纯轻烃在柴油机上当做燃料使用,则直接在原有的柴油供给系统上增设一个轻烃燃料供给系统即可,与柴油相比,液态纯轻烃粘度低,更容易汽化,能够大幅减少排烟。并且纯轻烃燃料拥有较高热值,因此,用纯轻烃作为发动机燃料不失为一种良好的选择。但是,轻烃燃料作为一种新型燃料,刚刚进入人们的视线中,它的一些性质对于发动机有无影响仍不确定,它在物化特性上与柴油的一系列差异决定了推广和发展纯轻烃燃料在发动机上的应用仍然有许多问题亟待解决。因此接下来会通过实验验证的方式来验证纯轻烃燃料是否适用于发动机。
2.2不同配比的轻烃柴油混合燃料在发动机上的掺烧
由于柴油和轻烃具有良好的互溶性,为发动机燃用混合燃料提供了良好的条件。轻烃含量越高,混合燃料的粘度越低,对泵的抽吸能力要求越高,并且容易使柴油机供油系统三大精密偶件磨损泄漏。柴油粘度较高,采用与轻烃混合掺烧的方式,可以利用柴油粘度高的问题解决对泵的抽吸能力要求过高的问题,同时,按照一定比例掺烧,轻烃可以优化柴油雾化性能,使燃烧更充分,提高经济性能。
当前对于混合掺烧包括两种方式。一种是预先混合,即将两种燃料按照最优配比85%配置好后,直接供给混合燃料,即,针对混合燃料设计一套燃油供给系统。第二种是在高压油管前装一个燃料混合器,通过分别控制柴油和轻烃的流量来完成混合的目的。由于条件原因,接下来针对预先混合的方式进行一系列的实验。
2.3气态轻烃燃料在发动机上的燃烧
轻烃燃气当前主要在生活中应用较为广泛。轻烃燃料的气化燃烧主要是采用加热的方式进行气化,目的为了更加充分燃烧,强制加热气化的单位容积的气化强度高,但是系统较为复杂。为了安全起见,可以考虑水加热的方式进行加热,不仅如此,还要考虑气体的各种性质,因此对供给系统的改进较大,针对轻烃燃气在发动机上的研究仍然处于不成熟的阶段。并且轻烃燃气的制取,对原料的要求较高,并非所有的C5都可以作为制气原料,这也间接提高了成本。接下来通过实验的方式来检验气态轻烃燃料是否适用于柴油机。
2.4 燃烧方式的选择
针对以上提到的三种在柴油机上的应用方式,在2135非增压式柴油机上进行实验。
2.4.1 2135非增压式柴油机液态纯轻烃燃料可行性实验
纯烧是指用轻烃燃料完全替代柴油,就是在柴油供给系统的基础上新增一套轻烃燃料供给装置。

图2.1 纯轻烃燃烧原理图
实验总结:
在2135非增压柴油机上燃用纯轻烃燃料。使用纯轻烃燃料时,轻烃燃料最大可以达到柴油机推进特性75%负荷的工况点,当负荷继续上升时,柴油机缸内压力峰值后移量较大,并且在运行了一段时间自动停机。并且当柴油机使用纯轻烃燃料时,燃料消耗明显大于纯柴油,没有达到节能的目的,并且,相对于纯柴油来看,燃用纯轻烃燃料虽然会使NOx排放降低很大,但是HC和CO排放成倍增大。
2.4.2 2135非增压式柴油机液态轻烃柴油混合燃料可行性实验
掺烧是指将轻烃和柴油按照不同质量比例混合作为混合燃料使用。
以上是毕业论文大纲或资料介绍,该课题完整毕业论文、开题报告、任务书、程序设计、图纸设计等资料请添加微信获取,微信号:bysjorg。
相关图片展示:









