可控相复励恒压装置的研究与应用毕业论文
2020-02-19 09:04:05
摘 要
本文针对船舶电网中的电压发生波动从而可能影响正常功能的情况,提出合适的可控相复励恒压装置用来自动调节电压的稳定。
论文第一章主要分析了船舶电力系统存在的问题,引出设立船舶可控相复励恒压装置的重要性,通过介绍国内外的现状来分析选择合适的控制器。第二章主要通过查阅相关文献资料,了解同步电机电压波动的相关知识和自动恒压装置的原理。并论述了不可控相复励恒压装置和可控相复励恒压装置各自的特点和优劣。第三章主要讲述了晶闸管自励恒压装置的运行特点。第四章通过分析PID控制原理来说明其主要优点。
本文的特色是既有基于理论方面的分析研究,又通过各种不同方式的控制理论之间的比较来突出显示出各自的优势及特点。
关键词:自动电压调压器;PID控制;晶闸管自励恒压装置
Abstract
In view of the situation that the voltage fluctuation in the marine power grid may affect the normal function, a suitable controllable phase compound excitation constant voltage device is proposed to automatically regulate the voltage stability.
In the first chapter, the problems of ship power system are analyzed, and the importance of setting up ship controllable phase compound excitation constant voltage device is pointed out. By introducing the current situation at home and abroad, the appropriate controller is analyzed and selected. In the second chapter, through consulting the relevant literature, we can understand the relevant knowledge of voltage fluctuation of synchronous motor and the principle of automatic constant voltage device. The characteristics, advantages and disadvantages of the uncontrollable phase compound excitation constant voltage device and the controllable phase compound excitation constant voltage device are also discussed. The third chapter mainly describes the operation characteristics of thyristor self-excitation constant voltage device. Chapter 4 illustrates its main advantages by analyzing the principle of PID control.
The characteristics of this paper are not only based on theoretical analysis, but also through the comparison of different control theories to highlight their respective advantages and characteristics.
Key Words:Automatic Voltage Regulator;PID control;SCR Self-Excited Constant Voltage Device
目录
第1章 绪论 1
1.1 课题研究的背景及意义 1
1.2 国内外的相关研究现状 2
1.3 本论文的研究内容及研究方法 2
第2章 可控相复励恒压装置的研究过程 …4
2.1 自动电压调整 4
2.1.1 同步发电机电压波动的原因 4
2.1.2 同步发电机发生电压波动的危害 5
2.1.3 发电机电压调整的基本措施 6
2.2 相复励自动恒压装置 6
2.2.1 自励恒压装置的基本要求 6
2.2.2 相复励原理 8
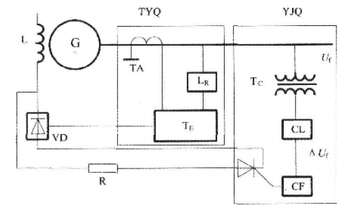
2.2.3 可控相复励自励恒压励磁系统 12
第3章 晶闸管(可控硅)自动励磁装置 16
3.1 晶闸管原理 16
3.2 晶闸管自励恒压装置 18
3.2.1 测量比较电路 18
3.2.2 移相触发电路 19
3.2.3 可控整流主电路 20
3.2.4 保护和起励电路 20
第4章 PID控制及其应用 21
4.1 认识PID控制 21
4.2 PID控制原理 22
4.2.1 微分调节的特点 23
4.2.2 比例微分调节规律 24
4.2.3 比例微分调节的特点 25
4.2.4 比例积分微分调节规律 27
第5章 总结 29
参考文献 30
第1章 绪论
1.1 课题研究的背景及意义
船舶上与岸上的电力系统在功能方面上有类似的地方,它在船舶系统中的地位中非常重,而与岸上电力系统的电网相比其又具有特殊性。第一点,由于暗点电网的容量一般都很大,则就可以大致的看成是容量无限大的系统而船舶电网的容量与之相比小很多。第二点,又因为岸电系统的电网负载都具有多种多样特性的特点,几乎可以看成阻抗性能是平衡的。船舶电网的负载又可按负载的特性不同划分为两种不相同的类型,一种叫做动力负载,另一种叫做照明负载,绝大多数电动机都属于动力负载, 而照明负载的总功率一般来说比较小,因此总的来说,船舶电力系统中的电网一般是电感性的。而且在船舶电网负载中,有部分动力负载的功率很大,有时甚至能与发电机容量相比较。例如某些含有压载泵的电动机以及位于船首的侧推电动机。正是具有的特殊性能,导致船舶电网的电压相对来说能很简单的受到负载的变化的影响,所以装置能维持电压稳定的励磁调节器对于船舶同步发电机来说更加关键。
与岸电电网大不相同,船舶电网的容量大多数情况下较小,不可以将其视为无穷大电网,而且在船用负载的范围中,电动机经常启动停止,而且多为类电感性负载,甚至有些电动机的功率可以和发电机的容量相当。这些个特殊的情形都使得船舶电网的电压很容易发生波动而且其波动大。因此,为了能让船上使用的电器装置可以在额定电压下正常工作,必须使用船舶同步发电机的励磁调节器来控制电网电压的稳定。
带有自动电压偏差调整器的励磁装置称为可控相复励恒压装置,而不带自动电压偏差调整器的励磁装置一般称作不可控相复励恒压装置。相复励自立恒压装置也称为不可控相复励装置具有较好的动态性能,并且又因为它的部件简单使得它能在任何不适宜的环境中稳定的工作,因此其在船舶电站中处于较为重要的位置上。既可以表示电流的相位,又可以表示电流大小的值的线路叫做相复励线路。结构相对来说比较简洁、维护又方便、成本较为低廉、动态特性较好并且又可以在不适宜的环境中稳定工作都是不可抗相复励自励恒压装置的优点,但其也有如下缺点,调压精度低,调压特性的线性度又比较差,所以加上一个按△U进行微调的电压调整器AVR,这个系统就是可控相复励自励恒压的励磁系统。
1.2 国内外的相关研究现状
上世纪八十年代在福建池潭发电厂,我国的第一台数字式励磁控制器首次进行适用起动,这是由国电自动化研究院(原名为南京自动化研究所)独自研发制造而成的一种励磁控制器,该励磁装置采用8085单板机作为其核心,以PID调节的方式,在多年的研究与应用中开发取得了成功的成果。中国电力科学研究院与南京自动化设备厂合作,共同研发设计制造引入了PSS附加控制并且以PID控制为主的励磁控制器装置。清华大学分别与北京重型电机厂与哈尔滨电机厂研发设计制造了一种全数字型的励磁控制装置。此外, 在微机励磁器的研究方面武汉洪山电工技术研究所、长江水利委员会自动化设备研究所、河北工业大学和广州电器科学研究所、以及福州大学等科技研发和生产单位也都获取了较多的成果。
但是国外的一部分数字励磁控制器也是在在十九世纪八十年代首先放进工业领域应用,至今一些品牌英国GEC和ROLLS一ROYES、瑞士的ABB、奥地利的ELIN、英国GEC和ROLLS一ROYES公司的研发成果在我国的李家峡电厂、隔河沿水电站、广东大亚湾核电厂、石洞口电厂皆存在使用。这些公司的励磁控制器基本上都使用高速微处理器和高速可编程控制器为核心、整体控制板自行开发设计,因而它的结构性强、又很紧凑、可靠性相对较高等优点。通过比较来看,总体来说中国的数字化励磁调节器不光有功能强大的优点,而且它的控制算法相对也比较先进,但是元器件的稳定性方面以及制造的工艺性能上与外国的技术相比仍有一定的距离需要追赶。
1.3 本论文的研究内容及研究方法
通过近些年的发展来看,发电机励磁系统的进步速度特别快。励磁方式的发展是由最开始的直流励磁机方式逐步发展进化为应用交流励磁机加旋转的自励式半导体励磁方式和半导体整流器的励磁方式。励磁控制器也由最为传统的模拟式调节单元一步步的进步到了以微机为核心的数字式单元。最近一段时间,随着微机控制技术和大功率电力电子技术水平的进步发展,逐渐产生了交流变频励磁系统。励磁理论也由刚开始以PID控制和比例调节为主要表现的古典励磁控制方式,通过具备更好动态性能的线性最优励磁控制器和电力系统稳定器辅助励磁控制的策略的作用,逐步发展变化到了如今的以非线性控制和自适应以及智能控制等理论为主要表率的现代控制理论。根据AVR自动电压调节器的工作原理,和PID控制的基本思路,着重研究电压调节器的整合优点,分析其较为适用的场合。查阅相关文献信息期刊杂志,并搜索相关论文文献,在当代船舶吨位逐渐增大的趋势下,更科学有效的控制船舶发电机电压。通过对国内外一些现代控制方法的学习,做到基本掌握现代PID模糊控制以非线性控制、自适应以及智能控制等理论为代表的现代控制理论。
综上所述,查阅资料了解目前我国船舶自动励磁装置的结构组成,与当前国际先进的船舶进行比较。了解船舶自动励磁装置的发展趋势,在满足技术要求和成本等前提下,对我国船舶自动励磁装置的改进提出自己的看法。
第2章 可控相复励恒压装置的研究过程
维护同步发电机电压和频率恒定是保证电力系统供电品质的重要标准之一,但事实中电压一直处在不停变动之中,特别是在电站容量比较小的情况下,电压变动尤为严重。因此维持电压的恒定,是使电力系统稳定正常运行的重要环节。本章节讲解了船舶同步发电机的自动调节电压、调节频率、以及有功功率和无功功率调节的相关措施。
2.1 自动电压调整
由同步发电机的电枢反应以及运行特性的讨论中可得知,同步发电机的电压从空载时一直变到满载的稳态电压其变化率可达到百分之20至百分之40,特别是较大容量的电感性负载的投入(例如大电动机的起动)和切除所引起的电压波动的幅度会更大,这都会导致用电设备的无法正常运行,甚至不能正常工作,因此作为船舶交流主发电机就必须设有维持电压恒定的自动调节装置。
2.1.1 同步发电机电压波动的原因
由于船舶上的用电设备大概论可能是感性负载(如变压器、电动机等),负载电流会对交流同步发电机引起去磁的作用,功率因数的值以及电流大小的任何变动几乎都可能会导致发电机端电压发生上下波动。因此在船舶中,交流同步发电机一般都需要设有自励恒压装置(能自励起压,并且在负载变化时自动维持电压恒定的装置)或自动电压调整的装置用来调节发电机的端电压。不然电压可能产生较大变化,这现象将会导致用电设备不能进行有效的工作。
同步发电机电势的简化向量如图2-1所示,电压平衡方程式为:
=-j (2-1)
式(2-1)子里,:发电机端电压;:发电机定子电流;:发电机空载电势;:发电机同步电抗。

图2-1 同步发电机电势简化向量图
由图2-1和式子(2-1)可得知,当不变的情况下,发电机负载电流的性质或者大小发生变化时,则肯定会引起发生变化,当存在感性负载时,负载电流起去磁效应,相应的发电机输出电压就会降低。
2.1.2 同步发电机发生电压波动的危害
船舶电站实际电压与电压额定值发生变化从而引起差量的时候,设备的效率大小就会减小,当差值过大时,运转状态就会进一步变差,而且可能会引起设备发生破损。假设电动机是满载起动,加速转矩从1.5倍额定转矩下降至0.8倍的额定转矩,肯定会使起动时间变多,导致电机严重发热,尤其如果是电机长时间不能起动时,会使电流变很大。假如保护装置不能快速的运转,因电流的平方与发热量成正比,电机极有可能被烧坏。如果电机的端电压与其额定电压相比稍微大一些时,负荷电流和温升也会随之变大,此时不仅对电动机有所损坏,绝缘还将会受损坏,同时可能会减少它的使用寿命。
电压发生波动时给电网造成的负面作用显示为将会给全船用电带来的危害,这种破损是极为严重的。当船舶电网电压的深度开始变低,可能引起保护设备起动,造成电网崩溃、发电机解列从而引发全船失电的隐患。因此,必须保持船舶交流电网电压的稳定,并且其偏离量不应超出一定规定。
电压偏离量让白炽灯产生的变化也很明显。电灯的端电压受到影响下降10%的时候,虽然它的寿命可能会提升2-3倍,但是灯泡发光率会降低30%左右,灯光变暗,工作效率将变得更低,也会对人的视力健康造成危害,严重时还有可能诱发事故。它的端电压增大10%左右,发亮率会变得更高,灯光变亮,可能会减少灯泡的使用时长至先前的1 /3。
2.1.3 发电机电压调整的基本措施
式(2-1)在同步发电机中,当不变时,即不变,由于电枢反应作用,U必然随之变化,由此公式可得出其外特性曲线,由U=f(I)表示,如图2-2所示。通过励磁电流的调节从而对发电机进行调节,也就是调节它的无功功率,以使其保持稳定状态。自动调压即为自动调整方式,其最基础的一点就是利用自身的原理自动调整励磁电流。因此不管什么类型的自动调压装置,其作用都是自发调节改变励磁电流的大小,所以,同步发电机的自动电压调整器AVR(Automatic Voltage Regulator),也叫做自动励磁调节装置。
图2-2 同步发电机外特性曲线
2.2 相复励自动恒压装置
2.2.1 自励恒压装置的基本要求
一般用动态静态电压的调压率来描述自动电压调整器的动态以及静态特性,二者都可以用来评定调压器的可靠技术标准。
当负载大小有波动或由于其他原因导致电机端电压不稳定从而发生波动时,为保证发电机电压在允许的范围之内变动,调压装置应该可以及时并且适当的改变励磁电流的大小值。所以此静态指标,可以用静态电压调整率表示,即:
(2-2)
式中:——发电机的额定电压(V);
——为所约束的负荷波动上下限值内发电机端电压的稳定量最小值min或者最大值max,取与差值的绝对值最大的值(V)。
根据目前我国的文献标准《钢质海船建造及入级规范》所给出的标准:发电机由空载时到满载时,功率因数始终都该维持在一定范围,应急发电机静态电压变化率应稳定在3.5%以内,而主发电机的静态电压变化率也应当稳定在2.5%以内。
当大负荷突变时,电网瞬时的电压变化很大,自动电压调压器应保证发电机瞬时电压以及恢复至稳定值的时间都在允许范围内波动,其动态图为2-3,用动态电压变化率%来表示瞬时电压波动率:
(2-3)
式中:——发电机突降低负载或者增多负载时最低值或者最高的电压值。
目前
我国的文献标准《钢质海船入级规范》还有如下规定:当发电机突然下降或者突然增多50%功率因数而且额定I不高于0.4(滞后)的负载时,电压恢复时间应该不多于1.5s,并且它的电压变化率也应该保持15%以内。
图2-3 突减或突加负载时发电机电压变化的曲线图
船用自动调压装置有多种多样的类型,其划分的范围和方法也各不相同。通常,按自动调压的作用基本准则、装置的来源原件或者直流励磁电流的得到方式等各种方式来区别分类。按直流励磁电流的获得不同区分,船用自动调压装置可分为他励方式、静止自励方式、交流励磁机他励方式,而按照自动调压的作用原理区分,又可分为发电机电压偏离量变化装置(例如晶闸管自励恒压装置)、负载电流I和功率因数cosφ调节的设备(例如不可控恒压装置)以及按I和cosφ及的复合调节方式(例如可控恒压装置),这类复合调节的装置是按负载和电压偏差调节一起作用调节的,它是在以负载调节的基础,选择自动电压调节器(AVR),是一类较为完美的励磁调节装置,其静态以及动态的性能都比较好。
2.2.2 相复励原理
2.2.2.1 同步发电机自励起压原理
按照励磁方式进行分类,同步发电机主要可划分为自励和他励两大类。
他励同步发电机通过发电机本身之外的特殊装置提供其励磁电流,一般是用一个容量较小的同轴励磁机提供电源,维护管理很麻烦,而且在可靠性和使用上存在一定的缺陷,因此现在已经很少采用。
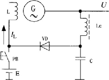
现如今船舶行业使用的最多的交流电机一般自励同步发电机。这种同步电机的励磁电来源于其自身的一些输出功率的,又经过整流变化后提供的。相复励自励恒压同步发电机是根据相位值及负载电流的值的多少来一起作用从而调节发电机励磁量的同步发电机装置。图2-4是自励同步发电机自励回路的单线原理。通过使用静止的整流元件来取代旋转的直流励磁机,是的维修控制更加方便,稳定性更强,因此该方式在船舶上得到了广泛的应用。
以上是毕业论文大纲或资料介绍,该课题完整毕业论文、开题报告、任务书、程序设计、图纸设计等资料请添加微信获取,微信号:bysjorg。
相关图片展示:









