基于卷积神经网络的船舶电力设备故障诊断毕业论文
2020-02-19 09:03:22
摘 要
PWM整流器具有电网电压电流同相位、谐波含量低、单位功率因数运行、能量能够双向流动等优点,在变频器、新能源发电、电动汽车、新型电源等领域应用广泛。然而,在实际应用中PWM整流器往往故障频发。这是因为电力电子器件自身脆弱且系统控制策略复杂,导致故障的发生难以避免。一般来讲,PWM整流器主要有两种故障形式,即:短路故障,开路故障。目前,针对短路故障的保护环节比较完善,而且短路故障在一定情况下也会转化为开路故障,因此有必要对PWM整流器开路故障诊断技术进行研究。
本文选取常用的三相两电平电压型PWM整流器为研究对象,通过理论分析建立其理论模型。然后利用
软件搭建了整流器仿真模型,分别对PWM整流器单管开路故障和双管开路故障进行模拟,得到了故障状况下相关量的时域波形图。通过观察时域波形图发现,PWM整流器输出直流母线电压信号中包含故障信息,故选择整流器直流母线电压信号为特征向量进行开路故障诊断。
最后,本文提出了基于卷积神经网络的PWM整流器故障诊断方法,直接以整流器输出直流母线电压信号为诊断变量,不需要布置额外的传感器,结构简单。Keras深度学习框架具有简单易用的特点,所以基于其完成卷积神经网络的构建。通过几种优化算法对比分析,选取Adam算法完成卷积神经网络的训练。实验结果表明基于卷积神经网络的方法可以直接利用原始信号完成特征提取和分类,且较传统机器学习算法优势明显,可实现对故障IGBT功率管的准确识别和定位。
关键词:PWM整流器;故障诊断;建模仿真;卷积神经网络
Abstract
PWM rectifier has the advantages of power grid’s voltage and current in the same phase, low harmonic content, unity power factor operation and achieving energy flowing in both directions, etc. Thus, it has been widely used in the fields of inverters, new energy power generation, electric vehicles, and new power sources, etc. However, PWM rectifier faults often occur frequently in practical applications. This is because the power electronic device itself is fragile and the system control strategy is complex, which makes the occurrence of faults difficult to avoid. Generally speaking, PWM rectifiers have two main fault forms, namely: short circuit fault, open circuit fault. At present, people have proposed relatively perfect actions to protect PWM rectifiers from short circuit fault. In general, short-circuit fault will convert to open-circuit with the help of system’s protection mechanism. Therefore, it is necessary to study the open circuit fault diagnosis technology of PWM rectifiers.
In this paper, we choose the three-phase two-level voltage-type PWM rectifiers as research objects. By analyzes the working principles of PWM rectifier, we have established the theoretical model of PWM rectifier. Then,
software was used to build the rectifier simulation model. We respectively simulated the single-tube open-circuit fault and double-tube open-circuit fault of PWM rectifier, and obtained the time-domain waveforms of relevant variables under faults. Through the observation of the time-domain waveforms, it is found that the PWM rectifier output DC bus voltage signals contain fault information. Therefore, the rectifier’s DC bus voltage signal are selected as the feature vectors for open circuit fault diagnosis.
At last, a fault diagnosis method of PWM rectifier based on convolutional neural network is proposed. The method has a simple structure and uses DC bus voltage signal as its input variable to complete the diagnostic process without additional sensors. Keras deep learning framework is simple and easy to use, so utilizing it to construct convolutional neural network. Through the comparison and analysis of several optimization algorithms, the Adam algorithm is selected to complete the training of convolutional neural networks. The experimental results show that the method based on convolutional neural network can directly use the raw signal to complete feature extraction and classification, and has obvious advantages over traditional machine learning algorithms, which can accurately identify and locate faulty IGBT power tubes
Key Words: PWM Rectifier;Fault Diagnosis;Modeling and Simulation; Convolutional Neural Network
目录
第一章 绪论 1
1.1研究背景及意义 1
1.2故障诊断技术介绍 2
1.3 PWM整流器故障诊断国内外研究现状 3
1.4本文的研究内容及安排 5
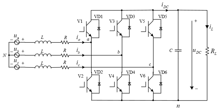
第二章 PWM整流器原理 6
2.1 PWM整流器工作原理介绍 6
2.1.1整流器拓扑结构 7
2.1.2整流器数学模型 8
2.2空间矢量脉宽调制(SVPWM)技术 10
2.2.1 SVPWM控制原理 10
2.2.2 SVPWM控制算法实现 11
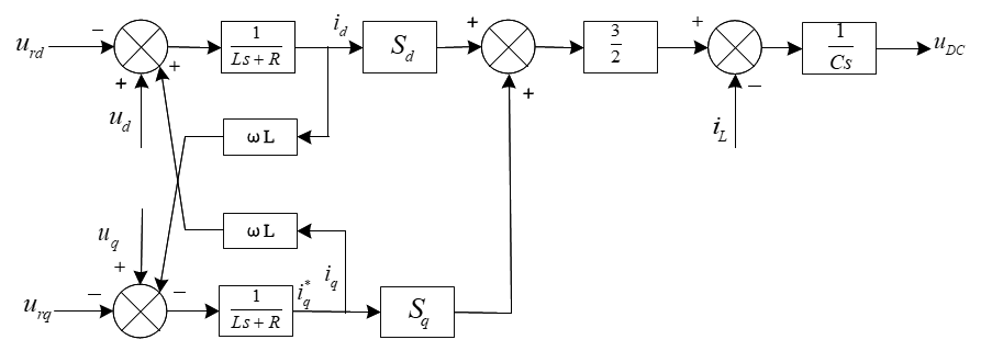
2.3三相电压型PWM整流器双闭环控制 14
2.4本章小结 15
第三章 三相两电平电压型PWM整流器故障仿真 16
3.1PWM整流器建模过程 16
3.1.1PWM整流器主回路建模 16
3.1.2PWM整流器双闭环控制仿真 17
3.1.3空间矢量脉宽调制(SVPWM)控制算法仿真 18
3.2PWM整流器开路故障仿真 21
3.2.1单管开路故障 23
3.2.2双管同相开路故障 26
3.2.3双管同组开路故障 28
3.2.4双管交叉开路故障 29
3.3直流母线电压信号采集 31
3.4本章小结 32
第四章 基于卷积神经网络的整流器故障诊断 33
4.1 Keras深度学习框架 33
4.2 数据预处理 33
4.3 基于卷积神经网络的故障诊断模型 34
4.3.1 卷积神经网络结构 35
4.3.2 PWM整流器故障诊断模型 37
4.4 卷积神经神经网络优化方法选择 38
4.4.1 卷积神经网络的训练 38
4.4.2 几种常用的优化算法 40
4.4.3 不同优化算法的对比 41
4.5 不同神经网络的对比分析 43
4.5.1 评估指标 44
4.5.2 结果分析 45
4.6 模型的保存及调用 46
4.7本章小结 47
第五章 结论与展望 48
5.1全文总结 48
5.2研究展望 49
致谢 50
参考文献 51
附录 53
第一章 绪论
1.1研究背景及意义
船舶电力推进的概念从形成发展至今已有170余年的历史,世界上第一次船舶电力推进的实验是俄国科学家在1840年左右进行的[1]。尽管人们很早就进行了船舶电力推进技术的研究,但一直得不到快速的发展,只在少数船舶上得到应用。究其原因,是因为受到理论知识,硬件技术等诸多因素限制。
直到20世纪70年代,电力电子技术的迅速发展了极大地促进了变频调速技术的进步,使得基于船舶电站的电力推进系统变为现实[2]。上世纪80年代至本世纪初期,船舶电力推进技术在民用运输船舶以及特种工程船舶等领域得到了广泛的应用,而且市场份额在不断增长。
变频调速装置是船舶电力推进系统的核心,变频调速依靠变频器实现,目前采用的交流变频器主要分为两大类,即:直接变频技术(AC—AC),间接变频技术(AC—DC—AC)。其中,AC—DC—AC变频调速方式是目前的主流选择,采用此种调速方式的一般方案是:先将来自船舶电站的交流电通过整流器变换为直流电,中间滤波装置对直流电进行滤波,滤波后的直流电再由逆变器变换为交流电供给到推进电机,其中通过调整逆变部分输出的电压和频率实现对电机转速的控制。采用交—直—交变频调速方式的船舶电力推进系统结构如图1.1所示。

图1.1 交—直—交船舶电力推进系统
交—直—交变频调速装置需要整流器将交流电整成直流电,传统的整流器多为不可控二极管整流或相控晶闸管整流,结果导致在变流过程中产生大量谐波,严重的谐波污染不利于船舶电网的安全运行。得益于电力电子技术的不断进步和控制理论的日益成熟,PWM整流器出现在世人面前。与传统的整流方式不同,PWM整流器整流桥路采用全控型IGBT功率管实现电流变换。IGBT通过控制驱动信号可以实现自由关断,并且具有开关迅速、导通电阻小、驱动功率小、能量消耗低,良好的热稳定性等优点[3]。上述特点使得PWM整流器具有以下优点:
(1)变频器输入电压电流均保持正弦,畸变少,谐波含量低,对电网污染少;
(2)输入电压和电流同相位,功率因数为1;
(3)输出直流电压可控可调;
(4)能量可以交直流两侧双向流动,既可作整流器,又可作逆变器;
(5)使电动机能够在四象限运行。
PWM整流器的上述优点很好地弥补了传统整流装置的不足,使得PWM整流器不仅广泛用于变频器中,而且在新能源汽车,新能源电力技术,有源电力滤波,新型UPS电源等领域具有广阔的应用前景。
但是由于IGBT功率管自身的脆弱性以及整流系统复杂的控制策略,IGBT功率管难免会发生故障,导致整流装置成为变频器中的故障多发环节。一旦变频器发生故障,在一般的应用场合可能会干扰生产活动的正常进行;但在其它一些重要应用领域,比如航空航天、化工、采矿及交通运输等,将会导致生命财产损失的重大安全事故[4]。
对常用的变频器来讲,其主要包括以下三个部分:整流器,逆变器及中间滤波装置。有资料统计表明,变频器中主电路的电子元件失效所引起的故障约占变频器故障的80%[5]。而对于采用双闭环控制的整流装置,引起其故障的主要原因是电力电子装置失效和控制器参数异常。目前,大多数研究集中在PWM整流器的控制策略。随着研究的不断深入,控制策略越来越成熟。但是针对PWM整流器电力电子器件的故障诊断研究并不太多[6]、[7]、[8],而且传统的故障诊断方法存在这样或那样的弊端,所以有必要进行PWM整流器故障诊断新方法的研究。
1.2故障诊断技术介绍
所谓故障诊断,指的是设备或系统发生故障后,利用一定的技术手段确定故障的种类、严重程度以及故障发生的时间与具体部位,可概括为定性,定时,定位。故障诊断自上世纪60年代开始作为一门学科发展起来,其实故障诊断技术伴随工业生产而出现,很早之前已经出现。美国是世界上最早进行故障诊断技术研究的国家,自上个世纪60年代开始,美国在故障诊断领域开展了全面而深入的研究,一系列研究成果应用于各行业生产之中,取得了显著的经济效益和成就。与此同时,欧洲国家和日本也积极开展故障诊断技术的研究,虽不及美国那样全面,但各有自己的特色。我国起步相对较晚,自上个世纪80年代才开始故障诊断技术的研究,但也取得了一定的成绩[9]。
故障诊断是一门综合性交叉技术,融合了人工智能技术、计算机科学与技术、概率与数理统计、电子技术、控制理论、模式分析识别以及信号处理等多个学科领域。故障诊断技术的分类方法多种多样,不同的方法又各有自己的特点。通常,根据所用理论与技术的不同,将故障诊断技术分为两大类:传统故障诊断方法和现代智能故障诊断方法,具体的分类如图1.2所示:

图1.2 故障诊断方法分类
1.3 PWM整流器故障诊断国内外研究现状
据文献资料[8]、[10]统计表明,34%的PWM整流器电力电子器件故障由功率半导体器件及焊点失效故障引起,通常可分为开路故障(OC)和短路故障(SC)两大类。同时,文献[11]研究表明PWM整流器故障有38%由功率电子器件引起,53%由控制回路故障引起,其中控制回路故障导致IGBT功率管工况参数发生变化,亦可等同于IGBT功率管开路故障。发生短路故障时,电力系统一般会出现过电压或过电流,引起保护系统动作而减少短路故障带来的危害。然而,当整流器发生IGBT开路故障时,整个装置还能够继续工作,故障表现不明显而无法触发保护系统动作。但整流器长期开路工作,必然会造成负载等设备的损坏。由于短路故障现象明显,针对PWM整流器短路故障已发展出完善的解决方案[8]。然而发生开路故障时并无明显的现象出现,但整流器继续工作又会对电路中其他设备造成损害,因此必要的IGBT开路故障诊断对减轻故障的危害十分有益。
针对PWM整流器IGBT开路故障诊断方法,国内外许多专家学者进行了相关研究,根据文献[4]、[12]介绍,总结常用的IGBT开路故障诊断方法如下:
(1)Park矢量法
这是目前IGBT开路故障诊断的常用方法之一,利用Park变换将整流器输入三相电流由三相
坐标系变换到两相静止
坐标系下,计算出电流Park矢量的模和相角,然后绘制出Park矢量图,观察矢量图中半圆弧的位置分布即可实现对IGBT故障管的初步定位。然而在实际电力系统中,所绘制出的矢量图往往会发生畸变,模和相角不明显,不利于故障管的准确定位。
(2)常规直流电流法及修正直流电流法
常规直流电流法通过离散傅里叶变换(DFT)计算三相电流的一次谐波系数,然后用基波分量除以一次谐波系数的绝对值而得到诊断变量,将其与设定好的阈值进行比较实现对故障管的定位。
修正直流电流法与常规直流电流法无明显区别,只是对故障管进行识别和定位的判别条件变得宽松。
(3)直接直流电流法
该方法在PWM整流器中布置大量传感器,直接检测输入各相电流的变化值,通过与设定好的阈值进行比较,即可对故障管进行识别和定位。该方法具有直接快速的优点,但缺点也十分明显,需要在系统中布置大量的传感器,成本高昂且增加了系统的复杂性。
除了上述常用的整流器IGBT开路故障诊断方法,研究人员在研究中提出了一些新的方法。文献[4]提出了用Hilbert矢量法进行PWM整流器开路故障研究,首先观察电流波形图对故障进行初步定位,用Hilbert变换代替Park变换绘制出的对应相Hilbert矢量图,根据不同故障时矢量图的不同准确定位故障管。
文献[6]中,Tiancheng Shi等人提出了一种新的故障诊断方法,该方法通过测量交流侧输入三相电流信号,利用IGBT发生开路故障后对应相交流电流畸变波形出现产生过零区域的特征,设置计数器计算过零区域的个数与设定好的阈值相比较实现对故障管的定位。
文献[8]中,顾马荣等人根据整流器IGBT或续流二极管发生开路故障时,输入电流波形发生缺失而导致正负半周功率减小,基于此特点对输入三相电流正负半周功率进行归一化处理,得到
来初步指示是三相中哪一相发生了故障。然后计算出故障相电流
周期功率差
,进一步判断IGBT功率管和续流二极管的开路故障。
以上是毕业论文大纲或资料介绍,该课题完整毕业论文、开题报告、任务书、程序设计、图纸设计等资料请添加微信获取,微信号:bysjorg。
相关图片展示:









