磁谐振无线充电系统设计毕业论文
2020-02-18 11:07:47
摘 要
随着环境恶化,全球变暖的的问题日趋严峻,节能减排的观念越来越被更多人接受,越来越多的行业都在努力实现功能多样化的同时朝着绿色无污染的方向发展。在这种背景下,汽车行业发展的重点目前就在于减少交通运输领域的能源消耗与尾气排放。其中,电动汽车以能耗低,低污染等优点得到了广泛关注,但是能否能够做到快速安全的对其充电成为了电动汽车是能够发展的关键技术。相比于传统有线充电,无线充电方便可靠,供电灵活,无电气连接,有效避免了有线充电易磨损、易产生电火花的安全隐患,使其成为未来电动汽车充电的发展方向。本文提出了一种基于磁耦合谐振原理的电动汽车无线充电系统,主要研究内容如下:
介绍电动汽车无线充电系统结构,分析其工作原理。对采用的发射与接收线圈进行选型与设计,包括线圈线材、线圈形状、线圈磁芯等,并进行了ANSYS Maxwell仿真,确定了所设计线圈的自感互感。分析基于双LCC谐振的发射端补偿电路工作原理,设计LCC参数来实现逆变器的MOSFET实现软开关从而提高系统的可靠性与功率传输效率。对于系统所需的发射端逆变电路、接收端整流电路、用于调节功率的DC/DC电路进行工作原理分析与参数设计,确保达到系统的设计要求。最后在PLECS上进行系统仿真,验证设计结果。测试结果表明,所设计的系统逆变器MOSFET实现了软开关,并且在线圈耦合系数K=0.3的条件下到达了14KW的输出功率,证明了系统结构的合理性和有效性。
关键词:磁谐振耦合,无线充电,LCC补偿电路,软开关,输出功率
Abstract
As the environment deteriorates, the problem of global warming is becoming more and more serious. The concept of energy saving and emission reduction is more and more accepted by more people. More and more industries are working hard toward green pollution. In this context, reducing energy consumption and emissions in the transportation sector has become the focus of the automotive industry. Among them, electric vehicles have received extensive attention due to their low energy consumption and low pollution. However, how to charge them quickly and safely has become one of the important reasons that affect their rapid development. Compared with the traditional wired charging, it is easy to wear, not safe, easy to generate safety hazards such as electric spark, wireless charging is convenient and reliable, power supply is flexible, and the advantage of no electrical connection makes it the development direction of electric vehicle charging in the future. In this paper, an electric vehicle wireless charging system based on the principle of magnetic coupling resonance is proposed, which can realize high-power transmission of electric energy at medium distance. The main research contents are as follows:
Introduce the structure of electric vehicle wireless charging system and analyze its working principle. The selection and design of the transmitting and receiving coils were adopted, including coil wire, coil shape, coil core, etc., and ANSYS Maxwell simulation was carried out to determine the self-inductance mutual inductance of the designed coil. The working principle of the transmitter compensation circuit based on double LCC resonance is analyzed. The LCC parameters are designed to realize the soft switching of the MOSFET of the inverter to improve the reliability and power transmission efficiency of the system. The working principle analysis and parameter design of the transmitting end inverter circuit, the receiving end rectifying circuit and the DC/DC circuit for regulating power required by the system ensure the system design requirements are met. Finally, the system simulation was performed on the PLECS to verify the design results. The test results show that the designed system inverter MOSFET realizes soft switching and reaches the output power of 14KW under the condition of coil coupling coefficient K=0.3, which proves the rationality and effectiveness of the system structure.
Keywords: magnetic resonance coupling,;wireless charging;LCC compensation circuit;soft switching; output power
目录
第1章 绪论 1
1.1 研究背景及意义 1
1.2 无线传输技术概述 2
1.2.1 无线传输技术的发展与分类 2
1.3 电动汽车无线充电技术研究现状 3
1.3.1 国外研究与发展现状 4
1.3.2 国内研究与发展现状 4
1.4 本文研究内容 5
第2章 磁耦合谐振无线电能传输机理及分析 6
2.1 电动汽车无线充电系统 6
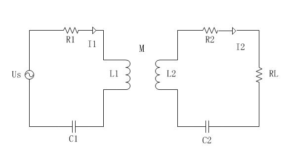
2.2 磁谐振耦合原理分析与典型拓扑 7
2.2.1 电路理论 7
2.2.2 谐振式WPT的几种拓扑类型分析 8
2.3 本章小结 10
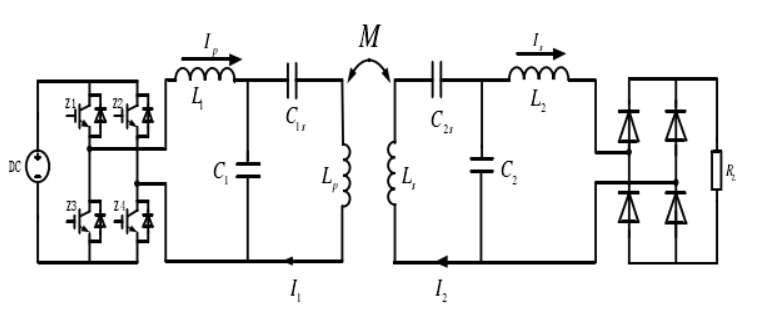
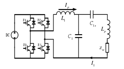
第3章 双LCC谐振补偿电路 11
3.1 双LCC磁耦合谐振电路特性分析 11
3.1.1 发射端输入阻抗特性 11
3.1.2 基于LCC拓扑的发射端线圈输出特性 14
3.1.3 电感之比
对系统的影响及选择 14
3.1.4 基于LCC拓扑的接收端线圈特性分析 16
3.2本章小结 17
第4章 磁耦合谐振式电动汽车无线充电系统设计 18
4.1 高频功率源设计 18
4.1.1 全桥逆变电路分析 18
4.1.2 E类逆变电路分析 19
4.2 接受侧电路设计 21
4.2.1 整流电路原理及设计 21
4.2.2 接收端变换电路分析与设计 21
4.3 传输线圈设计 22
4.3.1综述 22
4.3.2 线圈设计 23
4.3.3 磁芯选型 24
第5章 系统仿真与结果研究 27
5.1 系统仿真分析 27
5.2 仿真电路部分结构 28
5.2.1 发射端电路结构 28
5.2.2 双向LCC谐振补偿电路 28
5.2.3 接收端Buck变换电路 29
5.3 实验结果分析 29
5.4 本章小结 32
总结与展望 33
总结 33
展望 33
参考文献 35
致谢 37
第1章 绪论
1.1 研究背景及意义
总所周知在当今社会在飞速发展,城市化水平在不断提高,人民的可支配收入在不断提升,因此私家车的数量也越来越多。除了城市拥堵问题愈加严重,汽车尾气的排放造成的大气污染愈发严重,给城市带来了严重的雾霾。市民很少能够看到蔚蓝的天空,呼吸到清新的空气,生活质量受到了严重影响。另一方面,传统化石能源存量日趋减少,中国原油年消费持续快速增长,产量远远不及消费量,大量缺口靠进口弥补,且原油进口依赖度日趋严重,如图1.1所示。数据统计,到2018年底我国的私家车拥有量为2.4亿辆,而2011年这个数量仅有8482万,数值上翻了几倍。机动车燃油目前占全国石油总需求的50%以上[1],因此找到可以替代石油的能源势在必行。燃油电池作为历史的产物也应该逐步被淘汰,而电动汽车就是了取代燃油汽车的最好替代物。
图1.1 中国原油进口依赖度曲线
事实上,电动汽车从无到有已经发展了较长的时间,目前已有成熟的电池充电方式,其主要为接触式充电方式。接触式充电方式又分为两种:交流充电方式和直流充电方式。交流充电方式需要车内配备车载充电机,可以直接连接220V的市电充电。这种充电方式方便简单,经济实惠,但是充电功率较小,充电时间一般需要6个小时以上,一般用于晚间低谷充电[2],而直流充电方式是一种快速充电方式,该充电方式能够以较大的电流对动力电池组进行充电,充电功率非常高,最低都可以在20KW以上。但是这种充电方式会改变电池的化学成分,对电池寿命会有一定的影响。并且电流大时会产生非常大的热量,有安全隐患。
由于以上传统充电方式存在诸多限制,人们渐渐将目光投向了无线充电,无线充电技术避免了有线充电电气插拔的直接接触,不需要设置独立的充电桩,可以预先将线路埋于地下,省去了占用地上空间。只要在一段道路下预埋充电装置,就可以实现对电动汽车电池的持续供电。电动汽车动力电池组通过无线能量传输技术接收电网能量,不仅能够促进电动汽车行业的发展,甚至可以将电动汽车视为一种分布式储能单元接入电网,当达到一定数量之后,可以将能量反馈给电网,发挥削峰填谷的作用。无线充电技术有着广阔的技术前景,寻求无限能量传输领域的技术突破已经是全球的热门话题。
1.2 无线传输技术概述
1.2.1 无线传输技术的发展与分类
实际上,无线传输技术并不算新概念。早在300多年前的17世纪,物理学家Nicola Tesla就提出了在全球范围内实现无线充电的构想,并建造了当时令世人震惊的Wardenclyffe Tower,如图1.2所示。尽管他的努力最终未能实现,但是作为最早对无线能量传输探索的人类,他已被历史铭记。
图1.2 建造中的试验塔
Nicola Tesla提出无线能量传输的构想之后,大半个世纪内该领域的进展一直趋于停滞状态。1968年,美国工程师Peter Glaser提出一种设想,可以利用在外太空飞行的卫星收集太阳能并利用电磁波传输到地球上。这种无线无线能量传输技术被称为辐射式无线能量传输技术(Radiative wireless power transfer,RWPT)。该无线传输技术的优点是传输功率很大、传输距离远,但缺点是传输效率很低(lt;1%),装置复杂,且对生物危害较大。
另一种无线传输技术的实现方式为通过电磁耦合(inductive coupling)进行电能传输,包括电场耦合和磁场耦合两种。其中电场耦合式利用电源端与负载端的极板之间形成的电场进行能量传输。该类无线能量传输技术传输效率很高,但是缺点是易受环境影响且产生的电场对生物危害性极大,所以鲜有人研究。在磁耦合谐振式无线能量传输技术中,电源侧的能量经由电源侧线圈—气隙—接收侧线圈传给负载。与电场耦合式相比,磁耦合式无线传输对于空间环境的要求并不高,并可以保持较高的传输效率。然而,电磁耦合式无线传输技术只能作用在近场区域,一般只适用于短距离(厘米级)的场合。
图1.3 电磁感应式无线电能传输系统框图、

图1.4 电厂耦合式无线电能传输系统框图
2007年,美国麻省理工学院的Marin Soljacic教授及其研究团队开创性的的提出了磁谐振耦合式无线电能传输(Wireless Power Transfer via Magnctic Resonance Coupling, WPT/MRC)技术,并依据此原理在实验论证中实现了点亮1.9m外的60W的灯泡。该技术利用WPT/MRC技术,成功将电能从电源传输到用电设备 [4-5]。如图1.5所示,发射线圈与接收线圈具有相同的谐振频率,在中等距离(厘米级到米级)传输时,仍能得到较高的效率与较大的功率,并且对小范围位置变化不敏感,对人体基本没有危害,因此成为了全世界科学家主攻的新方向。

图1.5 WPT/MRC技术电能传输框图
1.3 电动汽车无线充电技术研究现状
当前电动汽车领域的无线充电大多集中于WPT/MRC技术,国内外的相关研究在磁耦合结构、补偿电路拓扑、PWM控制策略和传输线圈参数优化都进行了相当深入的研究,对于提高系统传输效率和输出功率、增大系统稳定性等方面都获得了一定的研究成果。国外的研究机构较多,技术相对成熟,已经有相对产品成功问世,;国内对于此项技术的研究还比较初级,目前主要集中在部分高校和研究所,只有少量的成品。
1.3.1 国外研究与发展现状
奥克兰大学的John T Boys的科研团队很早开始就对无线电能传输技术进行探究。该科研团队从无线能量传输耦合线圈的结构入手,做了大量相关的研究。该团队设计出一种双极性的导轨型线圈结构[6],该种结构的线圈可极大减小相邻两线圈之间的相互影响,通过调整线圈的重叠面积可以使相邻线圈互感接近为零,同时该科研团队提出正交双D型(DDQ)的耦合结构[7],如图1.6所示,该种结构使得电动汽车对错位有高耐受性,有效的提高了线圈的应用价值。

图1.6 正交双D型(DDQ)线圈结构
Zaragoza大学的Jesus Sallan教授对适用于较小功率电动汽车的无线充电系统进行了研究[10]。着重分析研究了电磁耦合机构的四种谐振补偿结构特点。该科研团队研制以串联-串联(PSSS)谐振补偿结构为基础的2kW样机,效率最高可达82%,传输距离15cm。
2016年,美国汽车工程师学会(Society of Automotive Engineers,SAE)颁布了电动汽车无线充电标准,其中,SAE J9254规定通用频段为85kHz(81.39-90kHz),SAE J284标准规定了电动汽车与充电设施之间的通信要求,SAE J2953规定了电动汽车与充电设施之间的互通性要求,SAE J2895规定了充电设备电能质量/测试办法等等。其目标是2020年实现无线充电的大规模商业应用。
1.3.2 国内研究与发展现状
国内对于电动汽车无线充电技术研究相对来说起步较晚,主要集中于高校与研究所中,在商业化研究方面比较落后。
哈尔滨工业大学朱春波教授课题组是国内较早在理论方面和实用技术方面对磁耦合谐振式无线电能传输技术进行探究的科研人员,理论方面主要对WPT技术工作原理、功率特性、线圈拓扑、传输距离等方面进行研究[12-13],实用技术方面则对电动汽车电池的储能系统、电池的管理、电池的梯次利用以及电池的温度管理方面进行了研究[14-15]。
东南大学黄学良教授课题组主要针对适用于电动汽车的无线充电技术进行研究。该课题组深入研究了能量传输效率与收发线圈尺寸的影响,提出了一种基于频率控制的方法。提出了一种通过调节可变电容使系统输出功率基本不受影响的办法[16],有效避免了金属障碍物的影响。尝试将汽车无线充电技术与电网交互技术结合,将汽车动力电池组视为一种分布式储能结构,探究其能发挥对电网“削峰填谷”作用的可能性。
除此之外,清华大学、浙江大学、香港城市大学、中国科学院、武汉理工大学等高校也对电动汽车无线充电和磁耦合谐振无线电能传输技术开展了相关领域的研究,在国内多次举办了相关研讨会议,有力的推动了汽车行业与无线电能传输领域的发展。另外,国内很多企业也在积极进行该领域的研究,例如中兴通讯有限公司与汽车生产厂家合作推出的无线充电线路,充电功率最高已经可以达到60kW。
1.4 本文研究内容
本文基于磁耦合谐振无线电能传输技术(WPT/MRC),以实现电动汽车无线充电为目标,设计了一套基于磁耦合谐振原理的无线电能传输系统。设计内容主要包括磁谐振耦合无线电能传输技术理论推导、无线充电系统结构设计以及仿真验证,包括以下几部分内容:
(1)介绍选题背景以及课题研究的意义,简要介绍国内外研究现状与典型成果。
以上是毕业论文大纲或资料介绍,该课题完整毕业论文、开题报告、任务书、程序设计、图纸设计等资料请添加微信获取,微信号:bysjorg。
相关图片展示:







您可能感兴趣的文章
- 一种确定磁探针集总电路参数的标定方法外文翻译资料
- 一种人体可接触的大气压低温等离子体射流装置研究(适合电气B方向)毕业论文
- 氩氧中大气压DBD放电特性研究(适合电气B方向)毕业论文
- 大气压氩等离子体射流放电影响因素的仿真研究(适合浦电气B方向)毕业论文
- 含氧高活性均匀DBD改性聚合物薄膜研究(适合浦电气B方向)毕业论文
- 反应器结构对气液两相DBD放电特性的比较(适合浦电气B方向)毕业论文
- 南京某公司研发楼电气设计毕业论文
- 金帆北苑地块经济适用住房——02栋商住楼电气设计(适用于浦电气1004~06A方向学生)毕业论文
- 扬州人武部大楼电气设计毕业论文
- 金帆北苑地块经济适用住房——04栋商住楼电气设计(适用于浦电气1004~06A方向学生)毕业论文


