单周期控制的单相逆变器设计毕业论文
2020-02-18 11:07:51
摘 要
作为一种重要的电源变换技术,逆变技术在电力电子技术中具有非常重要的地位,它能够实现从直流电到交流电的变换,在目前具有广阔的应用前景,已广泛应用于能源、交通、工业、航空等各个领域。随着逆变技术的不断进步,其控制方法也在不断地更新换代,单周期控制技术也就应运而生。与现有的其它PWM控制技术相比,单周期控制技术具有结构简单、响应速度快、稳定性好的优点,同时,它还能适应高精度、高速度、高抗干扰的控制要求,具有重要的研究意义。
本文主要研究了单周期控制技术的控制原理,了解了其模拟控制和数字控制的方法,并将单周期控制技术与逆变电路相结合,完成了300W12V/220V单相逆变器的设计,同时利用Matlab软件完成了模型搭建和仿真分析,验证了所设计的逆变器及其控制技术的合理性。
关键词:单周期控制、单相逆变器、Matlab仿真
ABSTRACT
As an important power conversion technology, inverter technology has a prominent position in power electronics technology. It can realize the conversion from direct current to alternating current, and has broad application prospects at present, and has been widely used in various fields such as energy, transportation, industry, aerospace and so on. With the continuous advancement of inverter technology, its control methods are constantly being updated, and single-cycle control technology has emerged. Compared with other existing PWM control technologies, single-cycle control technology has the advantages of simple structure, fast response, good stability, and can also meet the control requirements of high precision, high speed and high anti-interference. It has great research significance.
This paper mainly studies the control principle of single-cycle control technology, understands its analog control and digital control methods, and combines single-cycle control technology with inverter circuit to complete the design of 300W12V/220V single-phase inverter. At the same time, Matlab software was used to complete the model construction and simulation analysis, which verified the rationality of the designed inverter and its control technology.
Keywords: One-Cycle Control, Single-Phase Inverter, Matlab Simulation
目录
摘要 I
ABSTRACT II
第1章 绪论 1
1.1 课题研究背景 1
1.1.1 逆变电路研究现状 1
1.1.2 单周期控制技术研究现状 2
1.2 本文的主要研究内容 2
第2章 系统方案设计 4
2.1 系统设计方案的选取 4
2.1.1 设计要求 4
2.1.2 逆变系统总体结构设计 4
2.2 DC-DC升压电路设计及其控制策略 5
2.2.1 Boost升压电路 5
2.2.2 Boost电路控制策略 6
2.3 单相全桥逆变电路 7
2.4 单周期控制技术 7
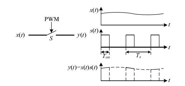
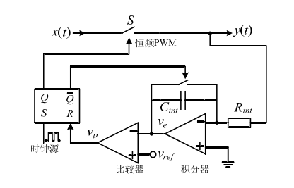
2.4.1 单周期控制技术的基本原理 7
2.4.2 逆变电路单周期控制的模拟控制方式 10
2.4.2.1 双极性控制方式 10
2.4.2.2 单极性控制方式 11
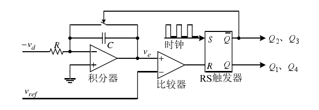
2.4.3 逆变电路单周期控制的数字控制方式 12
2.4.3.1 双极性控制方式 12
2.4.3.2 单极性控制方式 12
2.5 系统总体设计方案 13
第3章 系统硬件设计 14
3.1 DC-DC升压电路的设计 14
3.1.1 DC-DC升压电路主电路设计 14
3.1.2 DC-DC升压电路控制电路设计 15
3.2 DC-AC逆变电路的设计 16
3.2.1 DC-DC逆变主电路设计 16
3.3.2 逆变电路控制电路设计 17
3.3 保护电路设计 19
第4章 单周期控制单相逆变器的系统仿真 20
4.1 仿真软件介绍 20
4.2 前级DC/DC模块系统仿真 20
4.3 后级DC/AC模块系统仿真 22
4.4 逆变器总体系统仿真 24
第5章 总结 26
参考文献 27
附录 28
致谢 30
第1章 绪论
1.1 课题研究背景
当今社会的发展可以说是日新月异,各个行业也都在不断进步。在生产生活中,各行各业的生产技术不断趋向于自动化和智能化,这就要求许多电气设备的控制技术需要进一步发展,设备的运行性能也要更加优秀和可靠。在这样的发展趋势下,许多电气设备不会直接使用交流电网输出的交流电作为电源,而是首先需要对这些原始电能进行一些变换和处理,使其满足使用的要求。这些电能处理的方法包括整流技术、功率因数校正技术、逆变技术等,其中逆变技术在其中占有很重要的一席之地。随着电力电子技术的飞速发展,逆变技术被广泛应用于工业、交通、能源、航空等领域,成为人们日常生话中不可或缺的一部分。
此外,由于各种化石能源的供应越来越紧张,如煤、石油、天然气等,越来越多的人们开始关注和重视新能源的开发和利用。但是由于这些太阳能、风能等新能源转换为电能时基本上都为直流电,不能直接并到交流电网中,在这种时候就需要逆变技术将新能源产生的直流电能变换为交流电,再与交流电网并网发电。因此,逆变技术已经成为新能源开发和使用过程中的关键技术,在新能源的利用领域也起着至关重要的地位。
现如今,逆变器在生活的各个角落都被广泛使用,具有广阔的应用前景。日常生话中,当需要各种常见的直流电源向交流负载供电时,如蓄电池、干电池和太阳能电池等,就需要逆变电路的存在。有人甚至说,电力电子技术早期曾处在整流器时代,后来则进入逆变器时代[1]。
在逆变器的各种控制技术中,目前,逆变器的PWM控制技术应用最为广泛,它常用的调制方法有SPWM技术和SVPWM技术。与此同时,电气技术在不停发展,逆变器的控制技术和控制方法也在不断完善和发展。在20世纪90年代初,美国加州理工大学的K.M.Smedley 博士提出了一种新型的控制方法——单周期控制理论(One Cycle Control)。单周期控制是一种大信号非线性控制理论,它是基于PWM控制的基础上发展起来的。与其它现有的PWM控制方法相比,单周期控制结构简单、响应速度快、稳定性好,可以满足高精度、高速度和高抗干扰的控制要求。由此可见,单周期控制方法具有很大的研究意义。
1.1.1 逆变电路研究现状
逆变技术的发展是和电力电子技术的不断进步紧密联系在一起的,尤其与电力电子器件的发展紧密相关。DC/AC逆变技术主要是通过改变功率开关器件的导通和关断,来改变电路中输出电压和电流的方向,使直流电变换为交流电。因此在开关器件的开关频率很高时,逆变器输出的波形通常就会包含更多的谐波分量。由于在大多数应用场合下,逆变器需要输出理想的正弦波,因此控制功率开关器件的导通和关断,优化逆变器的输出,使其输出标准正弦波成为逆变技术发展中的一个重要方向[2]。
早期的逆变技术主要限制于功率开关器件的发展,直到各种高频开关器件,如电力晶体管(GTR)、可关断晶闸管(GTO)、绝缘栅型场效应晶体管(MOSFET)和绝缘栅双极晶体管(IGBT)等相继产生,才给逆变技术带来了新的生机。自此开始,高频开关器件不断进步,适用于高频开关器件的高频逆变技术也飞速发展,各种新型控制技术不断产生,SPWM技术、SVPWM技术和模糊控制、神经网络控制等控制技术逐渐成为逆变电路的主要控制方式,逆变技术实现了质的飞跃。目前,逆变技术已经逐渐发展成熟,拥有了先进的电子器件和控制技术。在现在的电力电子装置中,逆变电路经常成为整个装置系统的核心部分。
现如今,逆变技术还在不断朝着高频化、数字化、模块化和绿色化的方向进步,在今后还将继续在人们的生产生活和科学研究中起到重要的作用。
1.1.2 单周期控制技术研究现状
单周期控制技术(OCC)可以在一个周期内跟踪参考信号的电压值,使电路的输出保持在一个稳定值,不再受到输入电压变化的干扰。使用单周期控制技术可以克服逆变技术的传统电压反馈控制中的缺陷,也不需要再考虑电流控制模式中的人为补偿[3]。
单周期控制技术的优点是,无论在稳态情况还是在暂态情况下,单周期控制技术都能保证被控量的平均值与控制参考信号恰好相等或成正比。也就是说,在一个周期内,使用单周期控制技术可以有效抵抗电源侧的干扰。单周期控制技术的动态响应快,对输入干扰的抑制能力强。
目前,国内外研究主要集中在单周期控制变换器的可行性,单周期控制变换器的建模以及单周期控制变换器的稳态和动态性能等方面。现在,单周期控制技术的应用大多数采用模拟控制方法。单周期控制技术作为一种新型的控制技术,具有响应速度快、适应性强等特点,已经广泛应用在了有源滤波电路、功率因数校正电路、Boost/Buck电路等各种电路中。本次设计就是将单周期控制技术应用于逆变电路中。
1.2 本文的主要研究内容
本文通过研究相关工作原理及阅读参考文献,设计出一台300W12V/220V的小型逆变电源,并通过Matlab建模和仿真验证了本次所设计的逆变器的可行性和合理性。论文各部分内容概述如下:
第一章介绍了该课题的主要研究背景,介绍了逆变技术和单周期控制技术的研究现状,并表明了单周期控制技术用于逆变电路的合理性。
第二章对该逆变电源模型的主体电路结构进行了具体设计,并对每一部分工作电路的原理和控制策略进行了具体阐述。
第三章主要进行本次逆变电源的硬件电路设计,计算出电路的相关参数,并对主电路和控制电路用到的器件进行选型。
第四章采用Matlab软件对所设计的电路进行了系统建模与仿真,并绘制出该逆变电源最终的输出波形,验证了所设计逆变电源的合理性。
第五章对全文的工作进行了总结,并提出了本次设计中所存在的不足之处,表明了后续的改进方向。
第2章 系统方案设计
2.1 系统设计方案的选取
2.1.1 设计要求
本次设计要求设计一台300W12V/220V逆变器,要求能输出稳定的工频。其具体要求如下:
- 输入电压:12V DC;
- 输出电压:220V AC,要求输出波形为正弦波,频率为50Hz;
- 额定输出功率:300W
- 具有保护功能,如欠压保护、过压保护、过流保护等。
2.1.2 逆变系统总体结构设计
根据设计要求分析,本次设计的逆变电源由前级DC-DC升压部分和后级DC-AC逆变部分组成,其基本结构框图如图2.1所示。整个电路系统包含以下几个部分:直流电源、升压部分、逆变部分、滤波部分、控制电路、驱动电路及采样反馈部分等。

图2.1 逆变器基本结构框图
DC-DC升压电路主要由升压主电路和升压控制电路组成。DC-DC升压电路负责将输入的12V直流电进行升压,输出400V左右的直流电。PWM控制电路对升压部分输出的直流电压和电流进行采样,并根据采样反馈结果控制开关管的导通占空比,从而稳定升压部分的输出。
DC-AC逆变电路的主电路设计为全桥逆变电路,经过滤波后最终输出220V/50Hz的交流电。逆变部分的控制电路设计为单周期控制电路,使电路能够输出稳定的正弦波。
另外,该逆变电源还设计有保护电路,负责保护整个电路的正常运行。
2.2 DC-DC升压电路设计及其控制策略
2.2.1 Boost升压电路
在本次设计中,前级升压电路采用的电路拓扑结构是Boost升压电路结构,其原理图及工作波形如图2.2所示。

(a)

(b) (c)
图2.2 Boost电路原理图及其工作波形
(a)电路图 (b)电流连续时的波形
(c)电流断续时的波形
开关管V的栅极电压vG如图2.2(b)所示。在t=0时刻触发脉冲驱动开关管V导通,此时二极管D截止,电源E向电感L充电,同时电容C向负载R供电。当选用的C值足够大时,可以使输出的电压uo基本保持不变。在t=t1时刻,触发脉冲控制开关管V关断,此时二极管D导通,电源E和电感L共同向电容C充电,向负载R供电。到一个周期结束后,再驱动开关管V导通,重复上一个周期的过程。
在电流连续的条件下,Boost电路的升压比M可由式(2.1)计算得出:
在实际工作中,为了防止输出电压过高的问题,Boost升压电路通常不在在占空比D接近于1的情况下工作。在电流连续的条件下,Boost升压电路的变压比M仅与它的触发脉冲占空比有关,而与负载电流无关[4]。
2.2.2 Boost电路控制策略
在本次设计中,对Boost电路的控制技术采用的PWM控制方法,它的控制原理是将输出电压(也可以包括电感电流)反馈至放大器,通过放大器的输出来调节开关管PWM触发脉冲的占空比,从而达到控制输出电压的目的。PWM控制主要有电压型控制和电流型控制两种控制方法[7],相比起来,PWM电压型控制方法只有一个电压反馈的回路,设计调试相对比较简单,但是对电路中的电流突变以及电流干扰的处理能力不是很好;电流型PWM控制方法的模型是电压-电流双闭环控制模型,在系统动态响应快速性和调节性能等方面具有更大的优势,系统的稳定性也得以提高。

图2.3 Boost电路电压电流双闭环控制模型系统框图
本次设计中,Boost电路的控制方法采用的是电流型PWM控制方法,其系统控制框图如图2.3所示。系统采用电压-电流双闭环控制,控制系统釆样Boost电路的输出电压Vout后,与输出电压给定参考值Vref作差进行PI调节。该PI调节器的输出值就成为内环电流环的电流给定参考值,与采样的电路电感电流值IL比较并进行PI控制。此PI调节器的输出值将作为调制波,与载波共同作用,调节PWM波输出脉冲的占空比,进而控制开关管的通断以控制Boost升压电路的输出电压。
2.3 单相全桥逆变电路
全桥逆变电路是单相逆变电路中应用范围最广的,其原理图如图2.4所示。电压型全桥逆变电路共有4个全控型开关器件,其中V1和V4组成一组同时通断,V2和V3组成一组同时通断,且这两组开关管的驱动信号互补,即V1和V4有驱动信号时,V2和V3没有,反之亦然。

图2.4 单相全桥逆变电路原理图
下面对电压型单相全桥逆变电路的电压波形作定量分析。把幅值为Ud的矩形波uo展开成傅里叶级数得
其中,基波的幅值uo1m和基波有效值uo1分别为
以上是毕业论文大纲或资料介绍,该课题完整毕业论文、开题报告、任务书、程序设计、图纸设计等资料请添加微信获取,微信号:bysjorg。
相关图片展示:







您可能感兴趣的文章
- 一种确定磁探针集总电路参数的标定方法外文翻译资料
- 一种人体可接触的大气压低温等离子体射流装置研究(适合电气B方向)毕业论文
- 氩氧中大气压DBD放电特性研究(适合电气B方向)毕业论文
- 大气压氩等离子体射流放电影响因素的仿真研究(适合浦电气B方向)毕业论文
- 含氧高活性均匀DBD改性聚合物薄膜研究(适合浦电气B方向)毕业论文
- 反应器结构对气液两相DBD放电特性的比较(适合浦电气B方向)毕业论文
- 南京某公司研发楼电气设计毕业论文
- 金帆北苑地块经济适用住房——02栋商住楼电气设计(适用于浦电气1004~06A方向学生)毕业论文
- 扬州人武部大楼电气设计毕业论文
- 金帆北苑地块经济适用住房——04栋商住楼电气设计(适用于浦电气1004~06A方向学生)毕业论文


