交错并联BuckBoost变换器中磁集成电感仿真与设计毕业论文
2020-02-18 11:07:36
摘 要
本文针对采用分立式电感的交错并联升降压变换器存在的电流纹波过大,暂态响应速度慢,电感体积过大的缺点,提出了一种新型耦合电感的结构,并依据四相对称耦合电感的结构特点,在采用四相对称耦合电感的交错并联双向升降压变换器在Buck模式工作下,对交错并联双向变换器的不同模态下的等效电感进行求解,先后求解了其稳态等效电感与暂态等效电感,并在此基础上进行进一步研究,确定了变换器性能的决定因素,得出稳态性能和暂态性能与耦合度之间的关系,而Boost电路研究方法与此一致。这为耦合电感的研究与设计提供了理论基础,得到了耦合电感的设计依据是同时提高变换器的稳态性能与暂态性能。
接着,就本文提出的耦合电感结构,提出了其等效磁路模型,并在此模型基础上对此耦合电感的交流磁通与直流磁通进行了模型分析,进而提出了四相耦合电感的对称化方案,为模型的具体数据奠定了理论基础。
最后,在Maxwell仿真软件上对本文提出的耦合电感结构进行仿真,验证了本文提出的耦合电感的正确性与优越性,然后利用Saber软件分别对采用了磁集成技术的变换器与未采用磁集成的变换器的进行仿真对比,突出了本文所提出的耦合电感模型对于稳态性能与暂态性能的提升,验证了本文提出的耦合电感模型的优越性。
关键词:交错并联;磁集成电感;Maxwell
Abstract
In this paper, the structure of a novel coupled inductor is proposed for the staggered parallel buck-boost converter with discrete inductors, which has excessive current ripple, slow transient response and excessive inductor volume. The structural characteristics of the symmetrical coupled inductor. When the converter operates in Buck mode, the equivalent inductance of the staggered parallel buck-boost converter is further studied, and its steady-state equivalent inductance and transient equivalent inductance are solved successively. The steady-state current ripple and transient current response speed of the converter are studied. Finally, the relationship between the coupling degree and the steady-state performance and transient performance is obtained. The Boost circuit research method is consistent with this. This provides a theoretical basis for the research and design of coupled inductors. The design basis of the coupled inductor is to improve the steady-state performance and transient performance of the converter.
Then, based on the coupled inductor structure proposed in this paper, the equivalent magnetic circuit model is proposed. Based on this model, the AC flux and DC flux of the coupled inductor are analyzed. Then the four-phase coupled inductor is proposed. The symmetry scheme lays a theoretical foundation for the specific data of the model.
Finally, the coupled inductor structure proposed in this paper is simulated on Maxwell simulation software to verify the correctness and superiority of the proposed coupled inductor. Then the Saber software is used to separately integrate the magnetic integrated technology with the magnetic integration. The simulation comparison of the converters highlights the improvement of steady-state performance and transient performance of the coupled inductor model proposed in this paper, and verifies the superiority of the coupled inductor model proposed in this paper.
Key words: Interleaved parallel; Magnetic integrated inductor; Maxwell
目 录
摘要 I
Abstract II
第1章 绪论 1
1.1 国内外研究现状 1
1.2 本文主要研究内容 3
1.4 本章小结 3
第2章 四相对称耦合电感的性能分析 5
2.1 Buck模式下四相对称耦合电感的分析 5
2.1.1 稳态等效电感的分析 5
2.1.2 暂态等效电感的分析 9
2.1.3 稳态电流的分析 11
2.1.4 暂态电流响应速度分析 12
2.2 Boost模式下四相对称耦合电感的分析 13
2.2.1 稳态等效电感的分析 13
2.2.2 暂态等效电感的分析 15
2.2.3 稳态电流的分析 15
2.2.4 暂态电流响应速度分析 16
2.3 本章小结 17
第3章 四相对称耦合电感的分析设计 19
3.1 耦合电感的设计准则 19
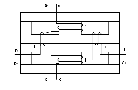
3.2 四相对称耦合电感磁件结构 20
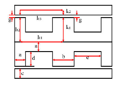
3.3 四相对称耦合电感磁路分析 21
3.3.1 等效磁路分析 21
3.3.2 四相对称耦合电感对称化方案 25
3.3.3 四相对称耦合电感磁通分析 26
3.3.4 等效电路分析 30
3.4 本章小结 31
第4章 四相耦合电感的仿真及对比 32
4.1 四相耦合电感的磁场仿真分析 32
4.2 电路仿真验证 34
4.2.1 稳态性能仿真 34
4.2.2 暂态性能仿真 36
4.3 本章小结 37
第5章 总结与展望 39
5.1 本文总结 39
5.2 未来的展望 39
参考文献 41
致谢 42
第1章 绪论
当前,对于交错并联磁集成升降压变换器的研究日益深入,尤其对于多相之间电感的耦合研究日益重视,但目前国内外研究重点依然在对称耦合电感的研究上,对于不对称的情况研究甚少,本章详细介绍了国内外的发展现状。
- 研究背景及意义
随着现代能源的不断发展,如:电动车、不间断电源、混合动力汽车、航空动力设备等,由于这些设备负载往往比较不同,而且常常要求功率能够双向流动,因此常常需要十分高效可靠的能源供给,因此,当前对于交错并联双向升降压变换器的研究十分重视。
在交错并联双向升降压变换器中,储存功率较大的电感对于变换器自身的性能和设备的保护具有不可小觑的影响作用,因此对于变换器中电感原件的研究刻不容缓 [1-3],在文献[4]中,作者提出采用多通道的交错并联双向升降压电路结构来减少电路各分立电感的数值以及各相纹波电流的大小 [4],这在很大程度上降低了电感的设计难度,并且能够减少电路的电流纹波,对于电路稳态性能的提升具有无可比拟的影响,这样一来,变换器的器件和电感的容量就可以大大减少开,但是这种设计并没有对电感进行深入的研究,更没有想到用磁集成的方法对电感进行耦合 [6-12]。而文献[13]虽然考虑到了用交错控制的方法对变换器进行控制,并用磁集成技术对耦合电感进行了耦合 [13],但是对于电感的耦合研究的十分浅显,仅仅只是将四相电感进行两两之间的耦合,而没有考虑的将其进行全耦合,这对于变换器的稳态性能和暂态性能的提升十分不利。
因此,对于交错并联双向升降压变换器中电感的集成研究是十分必要且有意义的。
1.2 国内外研究现状
现在,关于磁集成技术的研究国内外情况大致如下:
Pit-Leong Wong等人利用E形铁芯作为磁芯柱进行两相电感的集成耦合,保持三根磁芯柱对应的气隙相同且线圈对称分布,如图1.1所示,并且在本文中第一次提出了等效稳态电感和等效暂态电感的概念,并提出了一种反向耦合的方法,通过这种方法可以解决变换器的稳态性能与暂态性能不可兼得的情况。这种结构可以通过一定的拓扑应用在多相电路中,但是当相数多于两相时,此种结构会出现不对称问题[12]。
图1.1 两相式结构电感耦合
图1.2提出了
和πI这种两相耦合电感的结构[13,14],这种结构的优点在于可以通过增加中间磁芯柱的数量来满足对相数的要求,可以实现电杆之间的紧密耦合,进而减小漏感,从而提升变换器的暂态性能,但缺点是随着相数的增加,在其超出两相后,这种结构将存在相互耦合系数不对称的问题,进而影响变换器的稳态性能[19]。
图1.2
和πI耦合电感结构
2005年,杨玉岗教授提出了一种新型的两相电感耦合的结构,如图1.3所示,这种结构能够大幅度削减磁芯的直流偏磁,减少其损耗 [16]。
图1.3 耦合电感结构
文献[17]提出了一种四相耦合电感结构,如图1.4所示,虽然该结构通过反向耦合提高了变换器的稳态性能与暂态性能,但是此结构为非对称结构,因而其磁路不对称,导致漏感大大增加,并且还存在着直流偏磁的问题,这将在一定程度上影响磁集成变换器的稳态输出性能 [17]。
图1.4 四相耦合电感结构方案
为了解决这种不对称的问题,J.Zhou等人提出了如图1.5所示的新型耦合电感结构,这种结构虽然解决了不对称的问题,但是其体积巨大,制作成本较高 [18];
图1.5 J.Zhou等提出的新型耦合电感结构
将耦合电感技术与交错并联技术相结合应用在变换器中,这样每两相之间彼此相互耦合,从而解决了磁路不对称的问题,消除了磁芯的直流偏磁问题,使电路损耗大大减少。
可知当前国内对于耦合电感的研究主要局限在对称耦合电感的研究上,而对于不对称的情况研究较少,在大多数情况下,往往将不对称的情况视为对称的情况进行研究,这对于提升变换器的稳态性能与暂态性能来说是十分不利的,因此,未来的研究方向应该是对于磁集成电感的不对称研究,并建立对称化的理论,从来减少电路损耗,提高变换器的稳态性能与暂态性能,促进电路的平面化[19]-[20]。
- 本文主要研究内容
本文主要基于四相耦合电感的对称性出发,研究了不同模式下的等效电感,并在此基础上研究了变换器的稳态性能与暂态性能,其主要内容如下:
- 本文分析了采用四相耦合电感的变换器的性能,并建立了耦合度与变换器性能之间的关系,进而建立了相应的模型,使其同时满足变换器的稳态性能和暂态性能。
- 通过maxwell对该结构进行了电磁仿真,进而验证了此种结构的合理性。
- 在saber软件上,对采用耦合电感与非耦合电感的变换器进行仿真对比,进而突出了此种变换器的优越性。
1.4 本章小结
本章在分析了磁集成电感国内外研究现状的前提下,指出了磁集成电感未来的发展方向以及本文的研究意义,并在此基础上对本文内容进行了一定的概括,使读者对本文有了一定的了解。
第2章 四相对称耦合电感的性能分析
对于第一章已经明确了本文的内容,本章重点讲述对称耦合电感相关分析,包括等效电感的分析以及稳态电流纹波和暂态电流响应速度的分析,这一章将为下面的研究奠定下理论基础。
2.1 Buck模式下四相对称耦合电感的分析
2.1.1 稳态等效电感的分析
图2.1所示的是四相交错并联磁集成双向直流变换器电路结构,图2.2所示的Buck模式下开关管的控制驱动信号,从图中可以看出占空比满足
区间内,图2.1
是交错并联磁集成双向直流变换器高压侧的电压,
是交错并联磁集成双向直流变换器低压侧的电压,
(
)代表各相绕组的自感值,耦合电感的互感值分别为
(
);
(
)是指加在各电感上的电压;
(
)是指各通道流经的电流。Buck模式下各开关管依次滞后90°导通,而副开关管的导通是为了起续流作用,由于本文所设计的耦合电感是四相对称的,因此有
,
。
图2.1 降压模式下的电路拓扑
由于本文所设计的耦合电感结构是对称的,并且采用了反向耦合的方式,从而我们可得到如下的方程:
(2.1)
公式中
,
,
,
为各相绕组上的电压。
图2.2 Buck模式下变换器的工作模态
,
,从而根据图2.2对变换器的八个工作模态分别进行分析,可得:
(1)模态Ⅰ:电感两端电压满足
、
,将这两个等式代入公式(2.1)可得:
(2.2)
可知该模态下等效电感为:
(2.3)
其中
表示的是耦合度,且
,
是变换器运行时的占空比,且
,
。
(2)模态Ⅱ:同理可知该模态下等效电感为:
以上是毕业论文大纲或资料介绍,该课题完整毕业论文、开题报告、任务书、程序设计、图纸设计等资料请添加微信获取,微信号:bysjorg。
相关图片展示:







您可能感兴趣的文章
- 一种确定磁探针集总电路参数的标定方法外文翻译资料
- 一种人体可接触的大气压低温等离子体射流装置研究(适合电气B方向)毕业论文
- 氩氧中大气压DBD放电特性研究(适合电气B方向)毕业论文
- 大气压氩等离子体射流放电影响因素的仿真研究(适合浦电气B方向)毕业论文
- 含氧高活性均匀DBD改性聚合物薄膜研究(适合浦电气B方向)毕业论文
- 反应器结构对气液两相DBD放电特性的比较(适合浦电气B方向)毕业论文
- 南京某公司研发楼电气设计毕业论文
- 金帆北苑地块经济适用住房——02栋商住楼电气设计(适用于浦电气1004~06A方向学生)毕业论文
- 扬州人武部大楼电气设计毕业论文
- 金帆北苑地块经济适用住房——04栋商住楼电气设计(适用于浦电气1004~06A方向学生)毕业论文


