电动汽车辅助电源DCDC装置的研究与设计毕业论文
2020-02-18 11:06:46
摘 要
众所周知,现在人类主要的出行工具之一汽车大多为燃油汽车,随着人类三大化石燃料之一石油资源的消耗,大气中二氧化碳和氮硫污染物越来越多,导致空气污染越来越严重,给人们的生活、工作和学习都带来了不利的影响。近几年来,一些发达国家相继出台一些政策来发展新能源汽车,尤其是纯电动汽车,我国也紧跟其后,出台各种政策来大力发展纯电动汽车。
作为纯电动汽车三大核心部件之一的电池显得格外重要,也是制约续航能力的一大因素,电池包括动力电池和低压蓄电池,动力电池为电机提供能量,保证汽车前行,低压蓄电池用于汽车的启动、雨刮器、导航、照明等作用。车载DC/DC变换器是将几百伏的电源电压转换成低压电压,本次设计要求为输出直流12V。本文首先分析本次设计的意义,然后通过查找资料总结出国内外研究现状,根据电动汽车的整体架构,通过方案论证和系统选择,最终选择移相全桥零电压开关PWM电路作为本次变换器设计的整体拓扑结构,即隔离型的DC/DC变换器,第三章进行硬件电路的设计,详细描述该电路结构的工作原理,对电路中所用到的重要元器件进行选型和参数计算,为了降低电路中的损耗,本次电路设计通过加入谐振电感引入了软开关技术;第四章为该电路的控制策略研究,用PWM波控制开关管的通断,通过调整PWM 波的占空比来改变输出电压,使输出电压为直流12V。
通过MATLAB中的Simulink进行搭建模型仿真分析来验证系统设计的正确性,通过仿真图可以看出输出电压为直流12V,输出电流为直流133.5A,计算得出额定功率是1602W,满足设计要求。
关键词:DC/DC变换器;移相全桥零电压开关;PWM;MATLAB仿真
Abstract
As we all know, one of the major means of travel for human beings is mostly fuel cars. With the consumption of one of the three fossil fuels, petroleum resources, carbon dioxide and nitrogen and sulfur pollutants in the atmosphere are increasing, leading to more and more serious air pollution, which has brought adverse effects on people's life, work and study. In recent years, some developed countries have introduced some policies to develop new energy vehicles, especially pure electric vehicles. China has followed suit, introducing various policies to vigorously develop pure electric vehicles.
As one of the three core components of pure electric vehicles, the battery is particularly important and also a major factor restricting the endurance. The battery includes power battery and low-voltage battery, which provide energy for the motor and ensure the car to move forward. The low-voltage battery is used for starting, wiper, navigation, lighting and other functions of the car. The on-board DC/DC converter converts the power supply voltage of several hundred volts into low voltage, and the design requirement is to output DC 12V. This paper analyses the significance of this design, and then summarizes the research status at home and abroad, by looking up data according to the overall architecture of electric cars, through scheme comparison and selection system, finally choose phase-shift full bridge zero voltage switching PWM circuit design as the converter topology whole, namely the isolation of DC/DC converter, the third chapter for the design of hardware circuit, describe in detail the working principle of the structure of the circuit, the circuit used in important components selection and parameter calculation, in order to reduce the loss in the circuit, the circuit design are introduced by adding the resonant inductance soft switch technology; In chapter 4, the control strategy of the circuit is studied. PWM wave is used to control the on-off of the switch tube, and the output voltage is changed by adjusting the duty cycle of PWM wave to make the output voltage 12V.
The correctness of the system design was verified by building A model simulation analysis through Simulink in MATLAB. According to the simulation diagram, it can be seen that the output voltage is dc 12V and the output current is dc 133.5a. The rated power calculated is 1602W, which meets the design requirements.
Keywords: DC/DC converter; Phase shift full bridge ZVS; PWM. The MATLAB simulation
目 录
第1章 绪论 1
1.1 研究目的和意义 1
1.2 电动汽车的发展现状和趋势 1
1.3 DC/DC辅助电源发展状况 3
1.4 电动汽车的系统架构 4
1.5 设计任务和要求 5
第2章 方案论证 6
2.1 DC/DC 6
2.2 软开关技术 7
2.2.1 传统硬开关 7
2.2.2 软开关 8
2.3 变换器原边拓扑选择 8
2.4 变换器副边拓扑选择 11
第3章 移相全桥型零电压开关PWM电路设计 13
3.1 移相全桥型零电压开关PWM变换器工作原理 13
3.2 主变压器设计 18
3.3 输出滤波电感的设计 20
3.4 输出滤波电容的设计 21
3.5 开关管的选择 21
3.6 同步整流管的选择 21
第4章 移相全桥型零电压开关PWM电路控制策略研究 23
4.1 PWM介绍 23
4.2 PID控制 24
4.3 整体控制策略 25
第5章 仿真结果分析 26
第6章 结论与总结 29
参考文献 30
致谢 31
第1章 绪论
1.1 研究目的和意义
在我国,随着改革开放的不断推进,人民生活水平日益提高,作为衣食住行之一的出行,人民对汽车的购买力不断增加,汽车的市场占有量这几年不断提高,而我国目前汽车主要为燃油汽车,汽油和柴油又是由石油提炼而成,这必然导致石油的消耗不断增加,石油作为不可再生资源,对我们的生产和生活,工业发展十分重要,我国虽然石油总储量很多,但由于我国是世界上人口最多的国家,人均石油量是很低的,我国每年都要从国外进口大量的石油以满足我们的生产需求。并且燃油汽车的尾气排放对环境的污染很大,尤其是人口密集的城市,容易产生热岛效应,造成温度升高,对人们的工作、学习和生活都产生不良影响。一些欧美国家近几年不断出台各种政策来大力发展纯电动汽车,尤其是美国的特斯拉更是纯电动汽车里的翘楚,我国在燃油汽车上落后西方国家几十年,但在纯电动汽车的研制上,大家的差距不是多大[1]。综合以上各种原因,我国近几年也不断加大对纯电动汽车的支持力度,出台各种政策来优先发展纯电动汽车,比如购置税优惠,各种补贴等等。
纯电动汽车有三大核心部件,分别是电池、电机和电控,电池有动力电池和低压负载电源,动力电池一般为二百多伏到三百多伏,一部分用来驱动电机,保证汽车的正常行驶,另一部分通过DC/DC变换器降到12V,给低压蓄电池充电,用来保证电动汽车的正常启动、熄火、雨刮器、照明等。电动汽车充好电启动后,动力电池中的直流电一部分经过逆变器变为交流电,为电机提供能量,来驱动电机,另一部分通过变换器变为12V的直流电,控制各种系统的正常工作,保证汽车安全稳定的运行。电动汽车DC/DC变换器的使用,提高了电动汽车的运行效率,增加了电动汽车的空间利用率,减轻电动汽车的自身重量,有很大的经济性,能够为低压控制系统源源不断的提供能量,保证电动汽车的安全与稳定。综上所述,研究电动汽车DC/DC变换器对纯电动汽车的发展来说具有实际意义。
1.2 电动汽车的发展现状和趋势
电动汽车是一种无污染、噪声低、绿色环保的汽车,最大的优势是节能环保,发展纯电动汽车具有很大的优势,比如纯电动汽车的能量为电能,电能是一种高效、绿色、能实时传输的能量,尤其是近年来随着可再生资源发电的发展,用风能、太阳能等可再生资源发电可以为电动汽车源源不断的提供能量[2];在经济全球化的大背景下,各国之间的经济、科技等联系越来越紧密,近年来一些欧美国家大力发展纯电动汽车,不断地克服一个又一个的技术难点,这对我们国家来说既是机遇又是挑战,我们国家可以通过不断加强与别的国家的竞争与合作,来发展自己的纯电动汽车,努力实现弯道超车;我国出台各种支持发展纯电动汽车的政策,尤其是近几年来,涌现了一批优秀的纯电动汽车和电池厂家,比如比亚迪纯电动汽车、东风旗下的纯电动汽车、上汽荣威纯电动汽车等,还有生产纯电动汽车电池的宁德时代也是名声大起,发展的越来越好。
但是纯电动汽车目前也存在着一些劣势,最大的瓶颈是续航能力普遍不高,一般多为二百到四百公里,并且充电时间较慢,充电桩布置还不合理,这对一些在高速上行驶的汽车来说几乎是致命的;其次,纯电动汽车的保养费用较高,这对于一些收入不高的人群来说是不利的;同时,纯电动汽车的电池寿命一般在三四年左右,更换一次电池的费用更是让很多人都难以接受;还有一些如上坡时可能动力不足,政府补贴减少,对恶劣的环境的适应性不强等缺点,还有一些技术难点尚未被攻破等等。但随着人们环保意识的不断提高,国家政策的支持,研究者技术的进步,这些缺点将越来越多的被克服,纯电动汽车的发展将会越来越好。
根据EV Sales统计,2018年前十个月,中国电动车品牌销量再次占据领先地位,占全球电动车总销量的48%,美国电动车销量占16%,而德国电动车品牌逐渐失去动力,占全球电动车销量的份额下降1%至15%[3]。
电动汽车包括纯电动汽车和插电式混合动力汽车,目前纯电动汽车是新能源汽车的主力军,大约占据了百分之八十的市场份额,随着政策的支持和纯电动汽车的不断发展,人们对纯电动汽车的购买也越来越多。再加上一些城市的公交也越来越多的使用纯电动汽车来替代之前的燃油汽车,纯电动汽车的市场份额将进一步提高。
近年来,已经有一些国家制定了禁售传统燃油汽车时间表,随着纯电动汽车技术的不断发展,新能源汽车的趋势已经不可逆转,纯电动汽车的发展前景也将更加广阔。主要有以下原因:一,我国煤炭储量丰富,但是石油和天然气却不多,目前我国的石油有很大一部分依靠进口,而石油又属于不可再生资源,所以发展纯电动汽车也是必走之路,随着我国可再生资源发电的不断发展,纯电动汽车将有源源不断的能量;二,我国电能白天消耗多,晚上消耗少,发展纯电动汽车并尽量夜间充电能起到削峰填谷的作用,优化我国电能的使用情况;三,传统燃油汽车的内燃机的转化效率仅有百分之二十到百分之四十,再加上石油开采、提炼等过程中的损耗,利用率将会进一步降低,而纯电动汽车的能量利用要比燃油汽车节约百分之七十左右;四,纯电动汽车的一些核心零部件的材料,如金属锂和稀土永磁材料在我国储量丰富,所有我国发展纯电动汽车也具有先天优势。表1.1为一些发达国家2020-2030年电动车发展目标。
表1.1 一些发达国家2020-2030年电动车发展目标

1.3 DC/DC辅助电源发展状况
纯电动汽车的DC/DC辅助电源是将几百伏的直流电压转换为供控制系统使用的直流低压,根据纯电动汽车的不同型号的区别,有输出12V直流电压的,也有输出14V直流电压的,额定功率主要有1kW、1.5kW、2kW、2.2kW、3.3kW等等级,当纯电动汽车DC/DC辅助电源的输出是12V直流电压时,额定负载电流主要在84A到275A之间,当纯电动汽车DC/DC辅助电源的输出是14V直流电压时,额定负载电流主要在71A到236A之间,输出电压较低,输出电流较高,使用软开关时效率可达百分之九十五以上,具有很高的能量密度。其中,Infineon公司研制的的DC/DC变换器的输入直流电压为200到400V之间,输出直流电压是14V,额定功率为2.1kW,功率密度是 0.4kW/L,效率最高时可达93.5%。Shinry公司生产的DC/DC变换器的输入直流电压的范围是100V到300V,输出直流电压在12V到16V之间,额定功率是1.6kW,功率密度为0.3kW/L,效率最高可达95%[4]。
从国外研究发展现状来看,日本在纯电动汽车的DC/DC辅助电源的研究方面占据着领先的地位,一方面是因为DC/DC变换器使用的是永磁材料,日本虽然资源不多,但是在永磁材料的技术应用方面却发展迅猛;二是因为日本新能源汽车起步较早,汽车运营经验丰富。一些传统的汽车零部件供应商,如博世、德尔福和大陆,在汽车电气零部件领域研究较早,技术积累较多,并凭借着这几年电动汽车的市场火热,发展迅速,目前为全球主流电动车企配套。这类型企业产品多与其他零部件打包供应,很少单独供应DC-DC转换器。
我国企业在这一领域主要是由之前的一些民用电气领域和工业电气逐步发展起来。目前,国内企业也越来越重视技术研发,不断投入资金,引入先进的技术、管理经验以及市场运作经验,大力发展电源电气技术,不断优化本企业的产品,以适应纯电动汽车的DC/DC辅助电源的发展需求。
DC-DC转换器价格大致如下:(1)2KW,人民币1800-2000元/套;(2)1.8KW,人民币1500-1700元/套;(3)1kw,人民币1000元左右/套[5]。
1.4 电动汽车的系统架构

图1.1 现代电动汽车电驱动系统架构组成
现代电动汽车的电力驱动系统架构的组成如上图1.1所示,该电力驱动系统由三个主要的子系统构成:
电动汽车的驱动系统主要是由电机本体和电机控制器构成。电动汽车的电机,目前主要是异步电机和永磁同步电机,它们都是靠动力电池先经逆变器变为交流电之后再进行控制驱动电机,电机控制器用来接收电动汽车整车控制器发出的指令,把电动汽车的动力电池逆变成电机需要的形式,来对电机进行控制,电机控制器主体是一个逆变器,即把直流形式的动力电池逆变成电机可以利用的电能。电机按照电机控制器的具体控制,输出整车控制器发出指令的具体要求给汽车的传动系统,把转速施加在车轮上,使车辆能够按照驾驶员发出的指令来行驶。然后,整车控制器采集车轮的转速,检测是否满足发出的指令,如果不满足,则进行调整以满足要求。电动汽车的驱动是一个闭环控制系统。
能源系统:很多人称之为电池,实际上,电动汽车的电池并不是一个简单的电池,而是由很多个一节一节的单体电池联合而成的,重量能够达到几百公斤。能源系统包括电动机、发电机、蓄电池、动力传动装置和能源转换装置,主要用来对电动汽车的能量的分配、利用和传递等进行检测和控制,以促进电动汽车能量的高效利用,提高其经济性。能量的传递路线主要有电网到动力电池,动力电池到电机,动力电池到DC/DC变换器,车轮到能量的回馈储能。能源系统能够实时监测电动汽车的各项指标,如温度、电量、运行速度等。电池管理系统是能源系统的一个子系统,作用是非常宝贵的,主要对电动汽车的电池进行监测、管理等,以促进电池的高效利用,增加续航里程[6]。
辅助系统:电动汽车的辅助系统有辅助动力源、动力转向系统、制动系统、空调等组成,辅助系统的设计可以更合理的规划电动汽车的结构,提高电动汽车的性能,节约电动汽车的能量。辅助动力源主要由蓄电池和DC/DC变换器组成,为辅助设备提供能量,辅助设备主要有空调、收音机、喇叭、仪表盘、车灯、除霜器、雨刮器等。动力转向系统由转向助力油泵和变频驱动器组成,帮助驾驶人转动车辆方向盘以减轻驾驶车辆的出力。制动系统由电动空压机和变频驱动器构成,主要给制动系统与悬挂系统提供压缩空气,实现电动汽车的制动功能。电空调和PTC,为了调节车辆的内部空间温度,电动汽车上设置冷暖空调或者空调配PTC加热。空调和加热器是电动汽车上的用电大户。
1.5 设计任务和要求
以上是毕业论文大纲或资料介绍,该课题完整毕业论文、开题报告、任务书、程序设计、图纸设计等资料请添加微信获取,微信号:bysjorg。
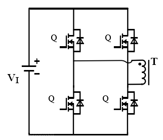
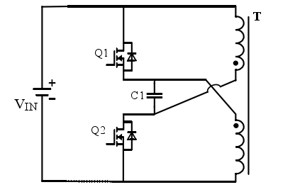
相关图片展示:







您可能感兴趣的文章
- 一种确定磁探针集总电路参数的标定方法外文翻译资料
- 一种人体可接触的大气压低温等离子体射流装置研究(适合电气B方向)毕业论文
- 氩氧中大气压DBD放电特性研究(适合电气B方向)毕业论文
- 大气压氩等离子体射流放电影响因素的仿真研究(适合浦电气B方向)毕业论文
- 含氧高活性均匀DBD改性聚合物薄膜研究(适合浦电气B方向)毕业论文
- 反应器结构对气液两相DBD放电特性的比较(适合浦电气B方向)毕业论文
- 南京某公司研发楼电气设计毕业论文
- 金帆北苑地块经济适用住房——02栋商住楼电气设计(适用于浦电气1004~06A方向学生)毕业论文
- 扬州人武部大楼电气设计毕业论文
- 金帆北苑地块经济适用住房——04栋商住楼电气设计(适用于浦电气1004~06A方向学生)毕业论文


