直流充电桩电源模块设计及仿真毕业论文
2020-02-18 11:06:44
摘 要
为了应对化石燃料大量利用后接踵而至的严重能源短缺和环境破坏问题,电动汽车产业越来越引起世界各国人民的关注。充电桩是电动汽车产业重要的配套设施,目前十分具有发展前景。在此背景下,本文设计了一款额定功率为20kW的直流充电桩电源模块,能够实现380V三相交流输入,恒定直流电流输出。
本论文首先介绍了充电桩的类型和特点,以及其主体部件电源模块的原理和结构,确定采用AC-DC整流电路和DC-DC变换电路前后相连的电路结构。介绍了常见的充电电源种类并分析其优劣,决定采用开关电源的设计思路。对AC-DC变换器的研究现状作了介绍,采用三相维也纳整流器作为前级AC-DC整流器的拓扑结构。
其次,分析并讲解了三相维也纳整流器的工作原理,确定维也纳整流器的控制思想是单周期控制思想,并经过数学演算得到了在单周期控制下维也纳整流器的数学模型及其表达式,根据得到的数学模型及其表达式设计了单周期控制电路。经过对整流器元件的参数计算和选型后,在Matlab/Simulink中组建电路模型并进行仿真,通过输出波形分析整流器的工作情况。
之后又设计了采用BUCK拓扑的后端DC-DC变换器,组建电路模型并实施仿真工作。最后将前后两级拓扑联合进行仿真,仿真结果验证了此设计产品的可靠性。
关键词:充电桩电源模块;维也纳整流器;单周期控制;BUCK变换器
Abstract
In order to cope with the energy shortage and environmental pollution caused by the excessive use of fossil fuels, the electric vehicle industry has got lots of attention from people. As an important infrastructure, charging piles are also booming. In this context, a power module for dc charging pile with a rated power of 20kW is designed in this paper, which can realize 380V three-phase ac input and constant dc current output.
Firstly, the types and characteristics of charging piles are introduced, as well as the principle and structure of the power module, which is the core component of the charging pile. This paper introduces the common types of power supply and the design idea of switching power supply is accepted. The research actuality of AC-DC converter is introduced. The three-phase Vienna rectifier is used as the topology of AC-DC converter.
Secondly, this paper talks about the operating principle of three-phase Vienna rectifier, and the one cycle control technology is determined as the control strategy of the rectifier, and the control equation of the rectifier under the one cycle control is calculated. On this basis, the one cycle control circuit is designed. After the parameter calculation and selection of the circuit components, the rectifier circuit model is made in Matlab/Simulink for simulation and analysis.
After that, the DC-DC circuit with BUCK topology is designed in the paper, and it is simulated and analyzed in Matlab/Simulink. Finally, the front and rear topologies are simulated together, and the results of the simulation prove the reliability of the designed product.
Key Words: power module for DC charging pile;Vienna rectifier;one cycle control;buck chopper
目 录
第1章 绪论 1
1.1 研究背景 1
1.2 充电桩的类型和特点 1
1.3 直流充电桩电源模块的原理和结构 2
1.4 直流电源技术概况 2
1.5 AC-DC变换器拓扑的研究现状 3
1.6 本文内容安排与章节概述 6
第2章 三相维也纳整流器 8
2.1 工作原理 8
2.1.1 单相维也纳整流器的工作原理 8
2.1.2 三相维也纳整流器的工作原理 10
2.2 维也纳整流器的控制策略 15
2.2.1 单周期控制技术的原理 15
2.2.2 单周期控制下的维也纳整流器数学模型及其表达式 16
2.2.3 维也纳整流器的单周期控制电路 18
2.3 输出端中点电压平衡问题的研究 19
2.4 维也纳整流器的器件参数设计 20
2.4.1 输入电感的参数设计 20
2.4.2 输出电容的参数设计 21
2.4.3 二极管的参数设计 21
2.4.4 开关管的选型及参数设计 21
2.5 三相维也纳整流器的仿真与分析 22
第3章 BUCK型DC-DC变换器与电源模块 24
3.1 工作原理 24
3.2 BUCK变换器的控制电路 24
3.3 BUCK变换器的器件参数设计 25
3.3.1 电感的参数设计 25
3.3.2 电容的参数设计 25
3.3.3 续流二极管的参数设计 25
3.3.4 开关管MOSFET的参数设计 25
3.4 BUCK变换器的仿真与分析 26
3.5 直流充电桩电源模块的仿真与分析 27
第4章 总结与展望 29
4.1 总结 29
4.2 展望 29
第1章 绪论
1.1 研究背景
随着地球上各大国家的经济发展,汽车,作为目前人们生产和生活最仰仗的交通工具之一,其生产量和保有量均处于蓬勃上升之中,不可再生能源石油的消耗量也随之攀升。化石燃料的过度利用使得严重的能源短缺和环境破坏问题接踵而至,这对于经济的可持续发展是异常致命的。因此,世界上各大国家越来越注重对以电能为代表的新能源的利用和开发,利用电能驱动的汽车开始登上了历史的舞台。电动汽车凭借其节能、环保、噪声低、能源利用效率高等优势,有希望在未来取代传统化石能源汽车成为汽车行业发展的主流。我国是一个汽车大国,汽车保有量在世界上居于前列,大力推广电动汽车对于我国的环保事业以及能源转型升级战略有着相当重要的意义。
近几年以来,我国陆续出台了一系列大力支持电动汽车产业发展的相关政策。由此可以看出,鼎力扶持电动汽车相关产业,推动汽车能源行业转型升级是我国的一项重大战略目标。我国的电动汽车产业在国家优惠政策的帮扶下蓬勃发展,产量和销量都在逐年上涨。2017年,我国共售出了将近78万辆电动汽车,数量为整个世界的第一。预计截至2020年, 这个数字将会突破200万辆。由此可见,国内市场对于电动汽车的认可度和信赖程度在持续上升,电动汽车行业是非常具有潜力的行业。
在电动汽车产业飞速迅猛发展的过程中,首先要解决的关键问题就是电动汽车的电能及时补充问题。大力支持和推进电动汽车配套基础设施——小型交流及直流充电桩和大型充电站的建设,是目前持续提高电动汽车市场占有率的重要任务,是促进我国人民能源消费观念转型升级的关键措施。截至2015年,我国已计划建设大型充电站1500多处,小型充电桩20余万根。小型充电桩一般放置在购物广场、办公楼、公共场所停车场或住宅区停车场内,能够给不同型号的电动汽车提供电能补充服务。充电桩的输入端经过交流输入接口连接交流电网,输出端通过充电接口连接到汽车,为电动汽车提供电能。由于充电桩具有体积小、投资少、便民、市场覆盖率大的优点,因此成为了电动汽车是否能够走进千家万户的重要因素。
1.2 充电桩的类型和特点
电动汽车充电桩依据充电电流种类的不同能够被分成交流充电桩和直流充电桩两大类。交流充电桩的输入为单相的220V交流电,同时输出的电能也是单相的220V交流电,输出功率5kW左右。输出的交流电需要通过电动汽车内部的整流变压电路(车载充电器)变换为符合要求的直流电后才能输入电池。交流充电桩因为输出功率比较低,充电速度比较慢,充电时间通常需要消耗5-8小时。
直流充电桩的输入为三相四线制或三相三线制的380V交流电,频率50Hz,输出符合汽车电池要求的稳定直流电,无需使用车载充电器,直接通过充电接口输入电动汽车蓄电池中,输出功率一般在20-50kW。直流充电桩因为输出功率比较高,充电速度相比于交流充电桩较快,在快速充电模式下能够实现待充电车辆在1到2小时之内,补充50%以上的电能。
因为交流充电桩的充电速度相对比较慢,直流充电桩晋升为市场上推广和扩张的主流产品。直流充电桩电源模块的主要功能是脱离车载充电器而直接为电动汽车的充电电池补充电能,电源模块的质量直接决定了电动汽车充电的效率和可靠性。电源模块作为直流充电桩的主体部件,对其的研究和设计是一个非常关键的课题。
1.3 直流充电桩电源模块的原理和结构
直流充电桩为蓄电池充电时,充电桩电源的输出端正极连接蓄电池的正极,输出端的负极连接蓄电池的负极,当充电电源输出电动势大于蓄电池的电动势时,蓄电池吸收外部输入的电能,并在蓄电池内部通过化学反应将电能转化为化学能存储。这就是直流充电桩电源模块充电的原理。
依据直流充电桩的充电特点和充电原理,此次设计的直流充电桩电源模块采用AC-DC整流电路和DC-DC变换电路前后相连的电路结构。图1.1是直流充电桩电源模块的整体设计结构图。前级AC-DC变换器的作用在于把通过充电桩输入接口输入的380V三相交流电变换成输出端的稳定电压的直流电,DC-DC变换器的作用在于将前级AC-DC变换器输出的直流电变换为满足电池充电规格的稳定直流电并通过充电接口输出给电动汽车电池。直流充电桩电源模块还包括控制单元,对AC-DC变换电路和DC-DC变换电路的输出进行采样和调制,并反馈给相应的功率开关管,通过调节开关管的开通和关断来获得所需的恒定输出。

图1.1 直流充电桩电源模块整体设计结构图
1.4 直流电源技术概况
市场上常见的充电电源分为三大类:相控电源、线性电源和开关电源。
- 相控电源
相控电源是一种具有较长使用历史的传统电源,主要利用晶闸管、电感、工频变压器等器件。原理是输入的交流电通过变压器降低电压,然后利用晶闸管把交流电变换成直流电,最终利用调节晶闸管开关相位角的方式来保持输出电压的稳定。因为相控电源的降压过程需要通过工频变压器来实现,而工频变压器的体积通常来说比较大,所以导致相控电源大而笨重,成本较高。此外,相控电源还有功率因数低、产生大量谐波、智能化程度低、动态稳定性差等缺点,因此,相控电源在当下已经被市场渐渐淘汰。
- 线性电源
线性电源主要利用整流滤波器、调整管、工频变压器等器件。原理是输入的交流电首先通过整流变压器降低电压,再使用整流滤波器对得到的交流电进行整流和滤波,最终输出恒定的直流电。由于该种电源模块的功率元件始终处于线性放大状态,因此被称为线性电源。与相控电源相比较,线性电源的体积得到了优化,同时在成本控制、输出动态稳定性等方面都有进步。但因为功率元件始终处于线性状态,调整管长时间导通,以致电源功耗巨大,发热情况十分严重,这引起的损耗影响了电源的效率。
- 开关电源
开关电源是目前正在蓬勃发展的新兴电源类型,其依托于电力电子理论,利用改变开关管的占空比来维持输出电压处于稳定状态。开关电源由电力电子变换拓扑、滤波电路以及PWM控制电路组成。原理是使输入的交流电通过整流电路和滤波环节得到直流电,再经PWM调制形成高频脉冲以调节开关管的占空比,以此来控制输出电压的稳定。由于该种电源的功率元件始终处于开关状态,因此被称为开关电源。区别于线性电源,开关电源由于始终在全开状态和全闭状态之间来回调整,并且这两种状态对于能量的消耗较小,所以电能的损耗非常小。开关电源具有发热量小、体积小、低重量、模块化、功率因数高、动态稳定性优秀等优点,但是开关电源电路结构比较复杂,仍然需要学界投入更多的关注和研究。
综合以上三类充电电源技术的优劣和特点,本次电源模块的设计采用开关电源的设计思路。
1.5 AC-DC变换器拓扑的研究现状
由于现代电力电子理论研究的持续深入,AC-DC整流电路的拓扑不断得到革新,越发向着高效率、高功率因数、智能化等方向发展。同时,功率因数校正技术的发展使得整流电路的谐波污染问题和低功率因数问题得到很好的解决。
三相不控整流器是最传统和最基础的三相整流器拓扑,无需控制电路,简单而可靠。然而其交流侧谐波污染严重,功率因数十分低。

图1.2 三相不控整流器结构图
三相两电平六开关PWM整流电路相比较于三相不控整流电路,大幅度改善了谐波污染和低功率因数的问题,输出的电能质量大幅度提升。但是其存在的问题在于,开关管在关断时两端电压极高,因此不适用于高电压高功率的情况下。

图1.3 三相两电平六开关PWM整流电路结构图
两电平整流电路存在的问题可以通过增加输出电平数来降低开关上承受的电压从而得到解决。以下是两种三相三电平整流拓扑——二极管箝位型三电平整流电路和电容型三电平整流电路。这两种拓扑存在的问题是开关管与二极管数量过多,对其进行控制十分复杂困难,成本也非常高。

图1.4 二极管箝位型三电平整流电路结构图

图1.5 电容型三电平整流电路结构图
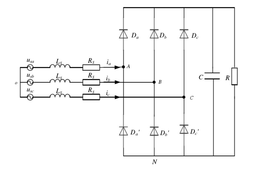
维也纳大学的J.W.Kolar先生在上世纪90年代构思了一种全新的三相三电平三开关整流电路拓扑,将其命名为维也纳整流器。三相维也纳整流器的每一相都拥有一个由全控型开关管和二极管桥式电路构建的双向开关,结构与其他三电平整流拓扑相比非常简单,而且该拓扑无需考虑桥臂直流电压直通的问题,而且无需额外设置死区时间。维也纳整流器的开关元件数量与其他三电平整流拓扑相比节约了1/2,每个开关管上的电压应力仅仅是直流输出端电压的1/2。同时维也纳整流器还具有开关损耗低、体积小、成本低、高功率、高功率因数、控制较简单、输入输出谐波性能优秀等优点,能够适应更高的开关频率与电压等级。目前市场上的直流充电桩电源模块大量采用维也纳整流电路作为前级AC-DC电路的拓扑方案。

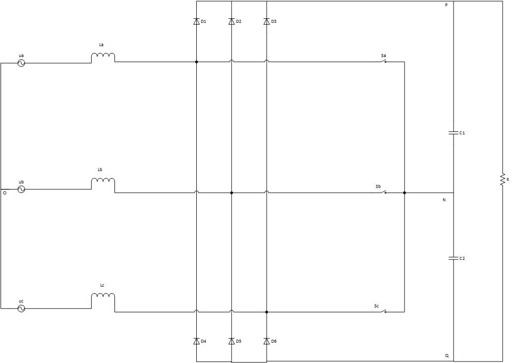
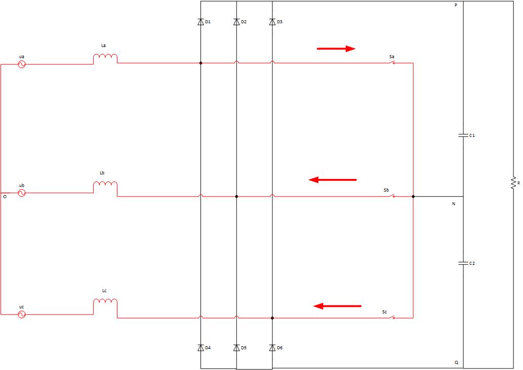
图1.6 三相维也纳整流器结构图
综合以上各类AC-DC拓扑的优劣和特点,本次设计的前级AC-DC整流电路方案采用三相维也纳整流器。
1.6 本文内容安排与章节概述
本文主要内容安排如下:
第一章绪论部分:叙述了本次设计的研究背景和目的意义,介绍了直流充电桩的类型、特点及其核心部分电源模块的原理和结构。同时还分析了直流充电桩主流电源模块的研究现状,介绍了各类AC-DC整流电路及其各自的优缺点,最终根据设计要求,确定将三相维也纳整流器作为前端AC-DC整流拓扑。
第二章:给出了三相维也纳整流器的等效电路图,分别在单相和三相两个情况下对维也纳整流器的结构和工作原理进行了研究,介绍了维也纳整流器的控制策略——单周期控制技术的原理,结合维也纳整流器的数学模型推导出了单周期控制核心方程,并构建了单周期控制电路的模型。此外还研究了单周期控制下维也纳整流器直流输出端中点的电压平衡问题。结合设计要求对维也纳整流器的器件选型进行了分析,对器件参数进行了计算。最终在Matlab/Simulink中构建了三相维也纳整流器的结构模型及其反馈控制环节,对其进行仿真和分析。
第三章:选择BUCK变换电路作为后级DC-DC变换电路的电路拓扑,对BUCK变换器的结构和工作原理进行了分析,构建了BUCK变换器电流环控制电路以实现恒流输出。在Matlab/Simulink中构建了BUCK变换器的结构模型及其反馈控制环节,对其进行仿真和分析。
第四章:在Matlab/Simulink中将前级AC-DC变换电路模型和后级DC-DC变换电路模型连接起来,组成直流充电桩电源模块的模型,对其进行仿真和分析,以检验设计的电路模型是否能够满足要求。
第五章:对整个毕业设计的设计过程和研究结果进行总结和反思,对未来的研究和设计的改进进行展望。
第2章 三相维也纳整流器
2.1 工作原理
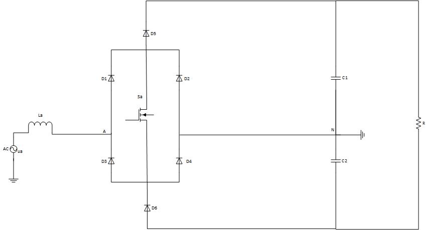
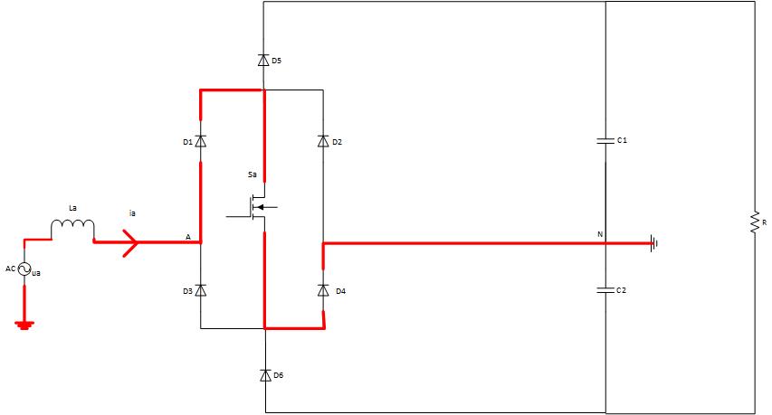
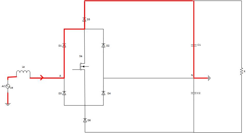
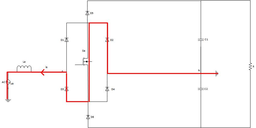
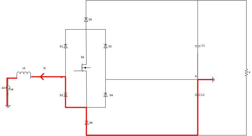
图2.1是三相维也纳整流器等效电路图。为三相交流输入电压,为三相交流输入电流,为电感值相同的三相滤波输入电感,为电容值相同的输出电容,为6个快速恢复整流二极管,为双向开关,可以保证电流双向流动。

以上是毕业论文大纲或资料介绍,该课题完整毕业论文、开题报告、任务书、程序设计、图纸设计等资料请添加微信获取,微信号:bysjorg。
相关图片展示:







您可能感兴趣的文章
- 一种确定磁探针集总电路参数的标定方法外文翻译资料
- 一种人体可接触的大气压低温等离子体射流装置研究(适合电气B方向)毕业论文
- 氩氧中大气压DBD放电特性研究(适合电气B方向)毕业论文
- 大气压氩等离子体射流放电影响因素的仿真研究(适合浦电气B方向)毕业论文
- 含氧高活性均匀DBD改性聚合物薄膜研究(适合浦电气B方向)毕业论文
- 反应器结构对气液两相DBD放电特性的比较(适合浦电气B方向)毕业论文
- 南京某公司研发楼电气设计毕业论文
- 金帆北苑地块经济适用住房——02栋商住楼电气设计(适用于浦电气1004~06A方向学生)毕业论文
- 扬州人武部大楼电气设计毕业论文
- 金帆北苑地块经济适用住房——04栋商住楼电气设计(适用于浦电气1004~06A方向学生)毕业论文


