DCDC高频功率变换器的研究与设计毕业论文
2020-02-18 11:01:43
摘 要
现代电力电子设备变得越来越追求小体积和高效率。因此,各种变换技术被提出以改善变换器性能。这不可避免地要求开关频率越来越高,但是伴随着开关频率的提高,电路的噪声污染和开关损耗问题也逐步增大,并且将会产生严重的电磁干扰。软开关技术的提出就是为了降低开关噪声和损耗,减少电磁干扰。具有软开关方法的DC / DC高频功率变换器的研究伴随着现代电力电子及技术的发展将得到进一步发展,具有广阔的应用前景。
随着技术手段的不断进步,智能化,科技化的时代逐渐到来,DC/DC变换器也会随着科技水平的发展而发展。DC/DC变换器在当代社会的各个方面都有着很深程度的应用,从出行方面的航天航空交通领域到信息传输方面的远程通讯领域及其他各种工程应用上,都离不开DC/DC变换器,它与人们的生活息息相关。更小、更轻、更耐用、更高效,更完善的直流-直流变换器必将是一种未来的发展趋势。
本文主要介绍了DC / DC高频功率变换器从上个世纪到当下的发展历程,并通过研究移相控制全桥为主电路的变换器来研究其软开关的实现。主要分析了移相全桥PWM DC / DC高频功率变换器的基本工作原理,探讨了该变换器三种常用的控制方法。针对基本移相控制ZVS PWM DC / DC全桥变换器基本原理,工作方式和零电压开关条件进行了详细地分析与探究,并探讨如何进行仿真设计。
关键词:DC/DC;移相全桥电路;软开关;零电压;仿真
Abstract
Modern power electronic devices are increasingly becoming smaller and lighter. The development direction of DC/DC converters is no exception, and it tends to be high efficiency, high performance, small size and low cost. Various transformation techniques have also been proposed around improving converter performance. This inevitably requires the switching frequency to be higher and higher, but when the switching frequency is high, serious noise pollution and switching loss occur in the circuit, and there is severe electromagnetic interference. In order to reduce switching noise and loss, and reduce electromagnetic interference, soft switching technology came into being. The research on DC/DC high-frequency power converter with soft switching method will be further developed and has broad application prospects.
With the continuous advancement of technical means, the era of intelligence and technology has gradually come, DC/DC converters will also develop with the development of technology. DC/DC converters have a deep application in all aspects of contemporary society. From the aerospace transportation field in the field of travel to the field of telematics in information transmission and other various engineering applications, DC/DC is inseparable. Converter, it is closely related to people's lives. Smaller, lighter, more durable, more efficient, and more complete DC-DC converters are bound to be a future trend.
This paper mainly introduces the development history of DC/DC high-frequency power converters, and studies the soft-switch implementation by moving the phase-controlled full-bridge circuit. The basic working principle of phase-shifted full-bridge PWM DC/DC high-frequency power converter is analyzed, and three control methods are explored. The basic phase shift control ZVS PWM DC/DC full-bridge converter operation mode and zero-voltage switching conditions are analyzed in detail, and the simulation research design is carried out.
Key Words: DC/DC;phase-shifted full-bridge circuit;soft-switching;zero-voltage;simulation
目录
第1章 绪论 1
1.1课题研究背景、目的及意义 1
1.2 DC/DC高频功率变换器的国内外研究现状 1
1.3 课题研究内容 2
第2章 DC/DC高频功率变换器基础 3
2.1 硬开关技术 3
2.2 软开关技术研究 3
2.3 基本桥式DC/DC变换器的拓扑结构及原理 4
2.4 全桥DC/DC变换器的PWM控制策略 6
第3章 移相全桥DC/DC变换器 10
3.1移相全桥ZVS PWM 变换器基本工作原理 10
3.2移相全桥ZVS PWM变换器运行状态分析 12
3.3变换器工作中两个关键问题的分析 14
3.3.1零电压开关(ZVS)条件 14
3.3.2占空比损失问题 15
3.4移相控制全桥电路优缺点分析 16
第4章 移相全桥ZVS PWM DC/DC变换器主电路参数设计及仿真 17
4.1移相控制全桥功率开关管和高频变压器的选择 17
4.1.1移相全桥电路主功率开关管的选择 17
4.1.2高频变压器的设计和选择 17
4.2关键参数设计 18
4.2.1死区时间设计 18
4.2.2谐振参数设计 18
4.2.3 输出滤波电路L、C参数设计 18
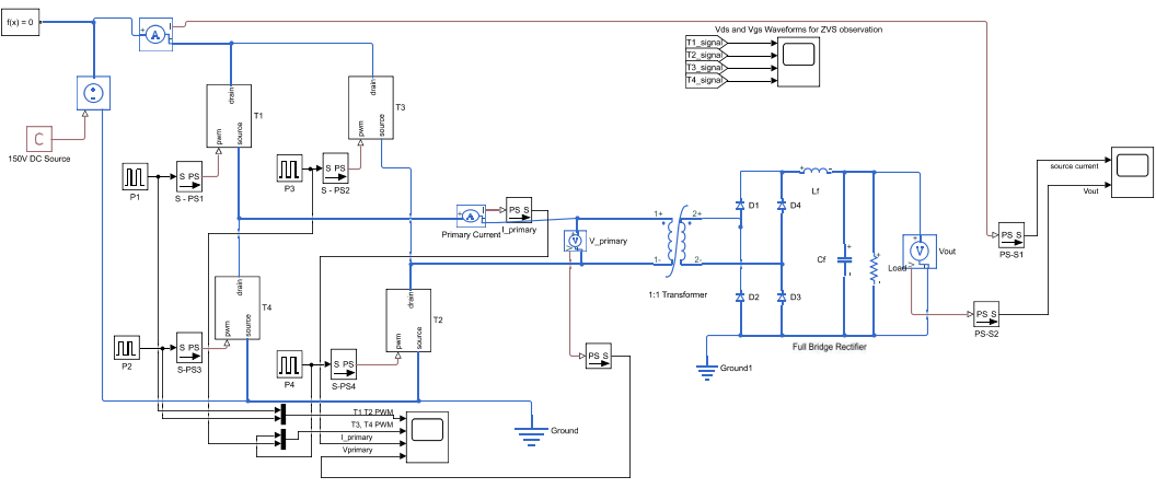
4.3仿真主电路设计 19
4.4仿真结果及分析 22
结论 25
参考文献 26
致谢 27
第1章 绪论
1.1课题研究背景、目的及意义
DC / DC高频功率变换器是将不可调节的DC电压转换为可调节或固定的DC电压。它采用开关调节模式来控制各种开关电源,直流调速和燃料电池的电能转换。该技术广泛用于太阳能和分布式电力系统。随着科技水平的进步及现代电力电子技术的发展,功率管的开关器件在技术上越来越趋向于成熟,电源转换技术也飞速发展。在DC / DC变换器的逐步发展过程中、各种变换技术以及各种新技术的产生和发展对于变换器拓扑的发展是必不可少的。更小、更轻,更高效、更低成本的变换器是当代电力电子所追求的技术发展方向,DC/DC变换器的发展方向也不例外。为了改善变换器的性能,各种变换技术也相继被提出。这不可避免地要求所使用的开关器件的开关频率越来越高,但是当开关频率逐渐变高时,开关切换过程中所产生的噪声污染也相应变高,开关过程损耗的能量也变多,并且存在严重的电磁干扰情况。
为了降低开关噪声和损耗,减少电磁干扰,软开关技术应运而生[1]。 所谓的软开关技术意味着开关管在辅助谐振电路作用下,使得在开关器件导通之前,其电压已降低到零,或者在关断之前先将电流减小到零,以便在零电压的环境下导通电流或在零电流条件下关闭电流。因此,在这种环境下,开关功率损耗被大大降低,同时也减小了产生的噪声污染和电磁干扰。相较于传统的硬开关方式,以软开关方式来导通或关断的功率器件在零电压,零电流环境下工作,并且功率器件的开关功率损耗大大降低,且这种方式能提高变换器的可靠性,可用于在更高的工作频率下工作,从而减小变换器的尺寸和重量,同时提高变换器的变换效率[2]。DC/DC变换器在当代社会的各个方面都有着很深程度的应用,从出行方面的航天航空交通领域到信息传输方面的远程通讯领域及其他各种工程应用上,都离不开DC/DC变换器,它与人们的生活息息相关。
1.2 DC/DC高频功率变换器的国内外研究现状
从20世纪60年代开始的DC / DC PWM电源变换技术已经取得了很大的发展。然而,由于它通常采用调频和电压控制方法,软开关的范围有限,设计复杂,在输出滤波器实现优化设计方面有较大的困难程度。因此,在20世纪80年代早期,文献提出了将移相控制和谐振变换器组合在一起的想法,其具有固定的开关频率。只要通过调节开关器件之间的相角,就能实现电压调节,很好地解决了单纯谐振变换器的调频控制方面的缺点。自20世纪80年代末以来,工程师们开始向着增加功率密度,减小DC / DC变换器的尺寸的方向努力。但是这种努力的结果是虽然减小了尺寸,但效率也同时降低了。并且还伴随着小体积难以解决散热的问题,工作时变换器温度显著增加。出现这种现象的原因是:在当时的技术条件下,MOSFET的开关速度还不够快,频率大大增加就会使MOSFET的开关切换的损耗和驱动损耗大大增加。这促使了工程师们开始研究各种软开关技术,以期减少开关损耗,提升性能。虽然技术模式正在蓬勃发展,但只有两个工程实践观点已经成功开发并持续到现在:一个是VICOR的有源钳位ZVS软开关技术;另一种是全桥移相ZVS软开关技术,诞生于20世纪90年代初。
从20 世纪末开始,在低功率范围内,DC/DC变换器的增长率大大增加。由于微处理器的高速度,DC / DC转换器从低功率发展到中功率和高功率是不可避免的趋势。因此251 W-750 W DC / DC转换器的增长速度也随之加速,通常用于服务于医疗和实验设备,工业控制设备,电信设备,多通道通信和传输设备。DC / DC高频功率变换器在远距离通信和数字通信领域具有广阔的发展应用前景。
1.3 课题研究内容
针对 DC/ DC高频功率变换器的电路结构,研究了开关电源中带软开关和驱动控制的 DC/ DC变换器,以移相控制全桥电路为对象,介绍了如何进行软开关的实现方法,讨论了PWM软开关变换器的结构和工作原理,软开关实现,并进行仿真参数设计和结果研究。
研究分为两个部分:
(1)介绍直流-直流(DC/DC)高频功率变换器典型拓扑结构的各种关键技术,研究PWM控制策略;
(2)讨论PWM软开关变换器的结构和工作原理。 针对 ZVS PWM 变换器、实现仿真,比较优点和缺点;
第一部分主要介绍了DC / DC高频功率变换器的两种典型电路拓扑结构。传统的硬开关切换控制方法,PWM方式开关切换控制方法以及使用移相PWM控制的方法。第二部分讨论了PWM软开关变换器的基础结构构成和工作原理,对运行过程进行了分析并比较了ZVS PWM变换器的优缺点和研究如何进行仿真。
第2章 DC/DC高频功率变换器基础
2.1 硬开关技术
开关器件基本都是在高电压和高电流下导通和截止,在开关导通和关断期间电压和电流会产生相对剧烈的变化。在硬开关切换过程中,电压和电流之间存在非零的重叠。 故产生很大的开关损耗;与此同时,电压和电流变化十分快,并且波形具有显著的过冲,导致开关噪声的产生。这就导致了伴随着开关频率的增高,功耗就会越大。这种在其端电压不为零时接通开关的方法称为硬开关,而当其电流不为零时关闭则称为硬关断。硬开通和硬关断统称为硬开关。
2.2 软开关技术研究
工程师们开发研究软开关技术来让DC / DC高频功率变换器的尺寸变得更小,功率密度得到提高并改善其性能。这种技术在二十世纪八十年代末率先提出,随即得到了大范围的应用和研究并一直沿用至今,其实质是利用电感器和电容器的特性使开关器件的电压或电流谐振为零,这可以减少甚至消除开关损耗并减少噪声污染和电磁损耗。与硬开关切换技术相比,软开关技术原理如图2.1所示:

图2.1 软开关技术原理
下面介绍几种比较典型的软开关DC / DC变换器:
(1)全谐振型变换器
全谐振变换器的出现相对来说比较早。通常,根据电路连接方式的差异,人们将其分为串联谐振变换器和并联谐振变换器。其特点是在变换器的工作运行过程中,谐振元件全程工作,其输出电流波形近似为正弦波,受到的电磁干扰较少。然而,由于这种类型的变换采取频率控制的方法,因此不能在全频带中实现。因此,全谐振型变换器不适用于负载变化较大,频率变换大且频繁投切的系统。
(2)准谐振型变换器
准谐振变换器基于全谐振变换器的发展而产生,核心部分是由谐振电感器Lr和谐振电容器Cr组成的谐振开关。根据开关装置和谐振电容器的不同组合和不同位置,可以有两种类型:零电流谐振开关元件和零电压谐振开关元件。所谓的准谐振,它是一种特殊的谐振形式:它在达到谐振的基本条件下而不完全符合谐振条件。谐振分量仅参与能量转换的某个阶段,并不参与整个过程。
(3)多谐振变换器
多谐振变换器的出现和发展是在前述两种类型的基础上完成的,它解决了准谐振变换器开关器件和二极管不能同时工作的问题。它的工作原理类似于准谐振转换器,但结构相对复杂。这就导致其在工程应用上的困难,当系统参数变化时,多谐振变换器的元件构成往往也要发生变化。
(4)零开关PWM变换器
尽管准谐振变换器和多谐振变换器的出现都实现了开关器件的软开关,但其缺点也是显而易见的。这两种类型的转换器是使用频率调制方法,所以当开关频率不断变化的情况下,滤波器设计就会非常地复杂。因此,对于工程应用和滤波器的优化设计来说,采取准谐振变换器和恒定频率脉冲宽度调制(PWM调制)的组合的技术是一个相对较好的方法。辅助开关晶体管被添加到准谐振变换器,使得系统在大部分开关周期内处于PWM调制状态。在导通和关断期间,谐振元件通过辅助开关晶体管被引入,这样就做到了称为零开关PWM转换器的软开关实现。
(5)零转换PWM变换器
零转换PWM变换器的主要特点是使用辅助开关元件来控制谐振的开始时刻,但谐振电路以并联的方式来实现与主功率器件的连接。工作时,主开关上的电压和电流应力不会增加,因此这种变换器适用于大功率应用。 它的缺点是辅助开关管很硬,控制很复杂[3]。
2.3 基本桥式DC/DC变换器的拓扑结构及原理
图2.2显示了一种电压型全桥PWM DC / DC变换器,主要用于大功率应用的场合。其基本工作原理可以做如下阐述:四个开关T1-T4构成一个全桥电路,在PWM控制模式之下,直流电压源产生直流输入电压被加在四个开关管构成的两个桥臂上。通过控制四个开关T1-T4的开关顺序和开关时间,变压器TR的一次侧就会获得正负半周对称的交流方波电压,按照占空比D变化。如果变压器变比设为n,则全桥输出的交流方波电压被高频变压器隔离并进行电压转换(升压或降压)。在变压器的二次侧将获得相应的AC方波电压,并且AC方波电压通过整流桥转换为DC脉动方波电压。最后,DC方波电压的高频分量由滤波器Lo和输出滤波电容器Co组成的低通滤波器滤波。在输出端Co处获得相对稳定可调的直流电压,电压值为:
(2.1)
其中占空比D为:
(2.2)
通过调节占空比可以轻松调节输出电压的大小。

图2.2 基本全桥变换器
图2.3显示了半桥DC / DC变换器的基本电路,其输入输出关系可由以下公式表达:
(2.3)
其中占空比:
(2.4)

图2.3 基本半桥变换器
比较具有相同输入和输出电压和相同功率的全桥DC / DC变换器和半桥DC / DC变换器,匝数比关系为:
(2.5)
假设输出滤波电感的电流脉动可忽略不计,并且不考虑变压器工作过程中产生的磁化现象,则通过功率管的电流可由下式给出:
以上是毕业论文大纲或资料介绍,该课题完整毕业论文、开题报告、任务书、程序设计、图纸设计等资料请添加微信获取,微信号:bysjorg。
相关图片展示:







您可能感兴趣的文章
- 一种确定磁探针集总电路参数的标定方法外文翻译资料
- 一种人体可接触的大气压低温等离子体射流装置研究(适合电气B方向)毕业论文
- 氩氧中大气压DBD放电特性研究(适合电气B方向)毕业论文
- 大气压氩等离子体射流放电影响因素的仿真研究(适合浦电气B方向)毕业论文
- 含氧高活性均匀DBD改性聚合物薄膜研究(适合浦电气B方向)毕业论文
- 反应器结构对气液两相DBD放电特性的比较(适合浦电气B方向)毕业论文
- 南京某公司研发楼电气设计毕业论文
- 金帆北苑地块经济适用住房——02栋商住楼电气设计(适用于浦电气1004~06A方向学生)毕业论文
- 扬州人武部大楼电气设计毕业论文
- 金帆北苑地块经济适用住房——04栋商住楼电气设计(适用于浦电气1004~06A方向学生)毕业论文


