三相六开关PFC电路及控制技术研究毕业论文
2020-02-18 11:01:39
摘 要
现如今大量三相交流电被应用于生活与工业生产之中,每天我们都在使用大量的电能。然而,由于生活用电和工业用电中的电路负载有许多电阻和电感负载,导致电网中的电压和电流相位偏差,极大地降低了电网中的功率因数,从而降低了电能的使用效率,浪费了大量的能源。同时大功率电子器件的应用会产生大量的谐波,这些谐波直接进入电网中,会对电网产生很大的危害,影响电网的稳定运行。而三相PFC电路的应用能很好的改善这一问题。
本文通过PFC电路的基本原理和知识设计出了三相六开关PFC电路来解决以上的问题。首先介绍三相六开关PFC电路的研究背景、目的及意义和国内外研究现状。再介绍功率因数校正技术的基本原理,指出三相六开关PFC电路应用的优势和研究的困难之处,同时建立数学模型分析电路中各参数之间的联系以及电路的运行方式,为接下来的电路设计和控制方式分析做好理论基础。然后设计出三相六开关PFC电路的总体电路图和主电路图,通过公式计算出交流侧电感、直流侧电容和功率器件的大小。接下来从控制策略的角度分析电路的控制方式,采用双闭环控制的控制策略,即电流内环的前解耦控制和电压外环的系统控制,得出系统的开环传递函数和闭环传递函数。随后使用MATLAB软件进行仿真,得出在不同负载下的电压电流波形以及功率因数仿真图,以此确定此电路是否符合本毕设的要求。最后总结全文内容,写出对三相六开关PFC电路未来发展的展望。
关键词:三相六开关PFC;双闭环控制;MATLAB仿真
Abstract
Nowadays, a large number of three-phase alternating current are used in daily life and industrial production, and we use a lot of electric energy every day. However, due to many resistance and inductance loads in the circuit loads of domestic and industrial use, the phase deviation of voltage and current in the power grid is caused, which greatly reduces the power factor in the power grid, thus reducing the efficiency of power consumption and wasting a lot of energy. At the same time, the application of high-power electronic devices will produce a large number of harmonics, which directly enter the power grid, will cause great harm to the power grid and affect the stable operation of the power grid. The application of three-phase PFC circuit can improve this problem very well.
In this paper, three-phase six-switch PFC circuit is designed to solve the above problems through the basic principles and knowledge of PFC circuit. Firstly, the research background, purpose and significance of three-phase six-switch PFC circuit and its research status at home and abroad are introduced. Then the basic principle of PFC technology is introduced, and the advantages and difficulties of three-phase six-switch PFC circuit are pointed out. At the same time, the mathematical model is established to analyze the relationship between the parameters of the circuit and the operation mode of the circuit, which provides a theoretical basis for the following circuit design and control mode analysis. Then the overall circuit diagram and main circuit diagram of three-phase six-switch PFC circuit are designed. The inductance, capacitance and power devices of AC side are calculated by formula. Next, the control mode of the circuit is analyzed from the point of view of the control strategy. The control strategy of double closed-loop control is adopted, that is, the front decoupling control of the current inner loop and the system control of the voltage outer loop. The open-loop transfer function and the closed-loop transfer function of the system are obtained. Subsequently, the voltage and current waveform and power factor simulation diagrams under different loads are obtained by using MATLAB software to determine whether the circuit meets the requirements of this design. Finally, the full text is summarized, and the future development of three-phase six-switch PFC circuit is prospected.
Keywords:Three-phase six-switch PFC; Double closed-loop control; MATLAB simulation
目录
第1章 绪论 1
1.1研究背景 1
1.2目的及意义 1
1.3国内外研究现状 1
1.4研究内容 2
第2章 三相PFC电路的原理 3
2.1PFC电路的分类 3
2.2三相PFC电路的电路结构 3
2.3三相六开关PFC电路的数学模型 4
2.3.1三相静止坐标系下的数学模型 5
2.3.2两相静止坐标系下的数学模型 6
2.3.3两相旋转坐标系下的数学模型 8
第3章 三相六开关PFC电路的设计 11
3.1三相六开关PFC电路总体电路结构 11
3.2三相六开关PFC电路设计 11
3.2.1交流侧电感的选取 12
3.2.2直流侧电容的选取 15
3.2.3功率器件的选取 15
第4章 三相六开关PFC电路的控制原理 17
4.1电流内环的前解耦控制 17
3.2电压外环的系统控制 19
第5章 三相六开关PFC电路的仿真 22
5.1建立仿真模型 22
5.2电路仿真 22
5.3仿真结果分析 23
第6章 结论和展望 25
6.1总结 25
6.2展望 25
致谢 27
参考文献 28
第1章 绪论
1.1研究背景
随着科技的不断发展,我们的世界发生了巨大的变化,我们的生活水平也已经今非昔比。在我们的生活中电力已经成为不可缺少的一部分,电力是我国经济的基础,可以说电力掌握着工业生产和居民生活的命脉[1]。近年来,由于对电力的需求不断增长,我国发电量也在逐年上升。2012年我国发电量约为4.8万亿千瓦时到了2018年已经超过了6.8亿千瓦时,具体用电量如下图1.1所示:
图1.1近年来我国发电量统计
从上面的表格中我们可以看出近年来我国发电量正在不断地增长,可以预见未来对电力的需求还会越来越高。然而电力的应用还存在很大的问题,一方面电力的生产主要依赖于火力发电,火力发电占电力生产的70%以上,然而近几十年来化石能源即将枯竭,虽然不断对新能源进行研究,但想要实现对新能源的完全应用在很短的时间内是做不到的。另外一方面电力的使用效率不高,由于工业生产中存在大量阻感负载,导致电网中电压与电流相位偏差,降低了电力的功率因数,浪费了大量的电能。现如今,三相PFC电路的研究已经越来越被重视。
1.2目的及意义
本文的目的是通过对PFC电路的研究来改善电路中功率因数过低的问题,通过电力电子装置来对电路进行调控。近十年来,电力电子技术的发展越来越快,它被应用于各个行业,同时也被应用于工业生产和居民生活中[2]。随着经济的发展,各行各业对电力的需求越来越高,大量的电力设备在使用电网中的电力的同时,也会产生大量的谐波,这些谐波进入电网之中,对电网系统造成很大的损害。
通过PFC电路的调控,可以在有不同的阻感负载的情况下,仍然能使电路稳定运行,使功率因数稳定在0.9左右,尽可能趋向于1。功率因数校正装置能真正实现从源头上改善功率因数,减少电网中的谐波。如果将其应用与电力设备上,便能降低不必要的电能损耗,减少谐波对电网的损害。如果能够全面应用功率因数校正装置的话,对电网乃至整个社会都有很大的益处。
1.3国内外研究现状
如今国内外对于三相PFC电路的研究已经取得巨大突破。一方面,社会对于电能质量的要求不断增长;另一方面,无数的学者不断对其进行研究。早在上个世纪,国内外学者们便开始进行研究,虽然局限于当时的科技水平,可对于PFC电路的研究还是取得很大的进步。最开始是采用无源PFC电路,不过此电路缺点多且使用范围有限。70年代后期,功率半导体器件取得了一定程度的发展,电力电子技术取得了重大的突破。到了80年代,诞生了有源PFC电路[3]。相对于无源功率因数校正技术,此技术拥有许多优点,最主要的是功率因数进一步提高。1989年国外学者A.R.Prasad创造性的提出了三相单开关APFC 技术,三相APFC技术取得了重大的突破[4]。到了21世纪,也就是近十年以来,功率因数校正技术更是发展迅速,大量的研究报告以及相关产品问世,在社会的各个领域取得了广泛的应用。可以说功率因数校正技术的发展是源自于世界科技的发展和无数学者的不懈努力,正因如此我们现在才能站在一个很高的科技基础上对其进行研究。
1.4研究内容
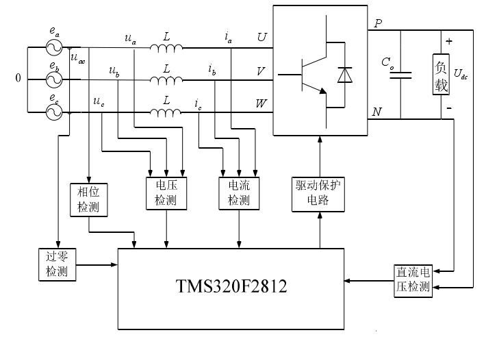
本文主要是研究三相六开关PFC电路及其控制技术,分析三相PFC电路的基本概念,设计出主电路和控制电路,研究其控制方式。主要工作的内容如下:
- 介绍PFC电路的基本概念,设计出三相六开关PFC电路,理论阐述其原理
- 通过自动控制原理研究其控制技术,分析其中元件数据
- 对整个电路进行建模和仿真,使用MATLAB软件仿真出功率因数波形
(4)具体设计指标如下:
输入电压:AC 220V
频率:50Hz
输出电压:700V±5%
最大输出功率:10k W
开关频率:10k Hz
功率因数:不小于 0.95
第2章 三相PFC电路的原理
2.1PFC电路的分类
(1)无源PFC电路
PFC电路主要可以划分为无源PFC电路和有源PFC电路这两大类[5],早期的时候便是研究无源PFC电路,此电路相对于有源PFC电路而言线路简单,容易理解。不过相对的有着大量的缺点,功率因数低,应有范围小,同时对电网的稳定运行有影响。
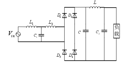
无源PFC电路的工作原理是在整流桥后接上一个无源滤波网络,通过粗糙的方法改善电路中的功率因数,其电路图如下图2.1所示:

图2.1无源功率校正技术电路图
图中电路在整流桥之后接上了由电容和电感组成的滤波网络,通过事先计算出所需要的滤波网络参数,并选定电感和电容便可组成电路。因此电力系统中电压发生变化便不能适应运行环境,适用范围小。虽然在一定程度上降低了电能的损耗,但会对电路和设备,乃至整个电网带来不利的影响。
- 有源PFC电路
有源PFC电路与前者有很大的差别,也被称为主动式PFC电路,简单来说便是使用电子元件和控制电路来控制PFC电力。它主要的优势是能适应不同的电压并且功率因数高,适用范围很广。目前对于有源PFC电路的研究依旧在持续进行,拥有很大的发展前景。
2.2三相PFC电路的电路结构
在三相PFC电路中,根据电路结构中所包含的开关的个数情况,可以将三相PFC电路分为7中电路[6],其他几种电路开关少,成本低,控制系统简单,但是缺点是功率因数相对较低,适用范围小。三相六开关PFC电路更适用于大功率交流电路系统,能大幅度提升功率因数。
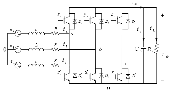
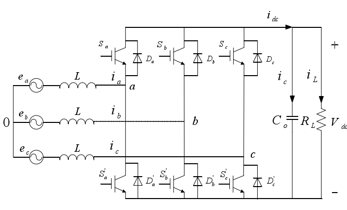
本文便是研究三相六开关PFC电路,其电路如下图2.2所示:

图2.2三相六开关PFC电路
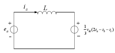
如图所示,三相六开关PFC电路是由六个IGBT管和二极管并联组成六个桥臂,三相电经过电感L滤波后流入桥臂中,通过数字电路控制IGBT管的开通和关断,最终让流入负载的电压与电流保持同一相位,让功率因数达到1[7]。从图中我们不难看出在六个IGBT管组成的不同工作状态下,功率因数的校正也更加的精确。
2.3三相六开关PFC电路的数学模型
设计出电路图后便需要建立对应的数学模型,首先根据电路图标出数学分析所需要的参数:
、
、
——三相交流输入相电压
、
、
——三相交流输入电流
L——输入侧滤波电感
R——输入侧等效电阻
、
(k=a、b、c)——功率开关器件
、
(k=a、b、c)——续流二极管
——直流侧输出电容
——系统的等效负载
——系统的负载电流
——直流侧输出电压
根据电路原理,在理想的情况下,三相电路的电压电流满足:
=0 (2.1)
=0 (2.2)
设定任何一个时刻,一个桥臂上的两个开关只能有一个导通,即两个开关不能同时导通也不能同时关断,所以开关函数的关系如下:
(2.3)
通过对于功率因数校正技术原理的了解我们可以知道,在对于其电路的理论分析时,一般可以从两个角度考虑:基于占空比描述的数学建模思路和基于开关原理函数的建模思路。本文选用后者的建模思路进行来对电路进行研究。
设定上桥臂关断的状态为0,即开关函数
=0;上桥臂开通的状态为1,即开关函数
=1。如下:
(2.4)
以上是毕业论文大纲或资料介绍,该课题完整毕业论文、开题报告、任务书、程序设计、图纸设计等资料请添加微信获取,微信号:bysjorg。
相关图片展示:







您可能感兴趣的文章
- 一种确定磁探针集总电路参数的标定方法外文翻译资料
- 一种人体可接触的大气压低温等离子体射流装置研究(适合电气B方向)毕业论文
- 氩氧中大气压DBD放电特性研究(适合电气B方向)毕业论文
- 大气压氩等离子体射流放电影响因素的仿真研究(适合浦电气B方向)毕业论文
- 含氧高活性均匀DBD改性聚合物薄膜研究(适合浦电气B方向)毕业论文
- 反应器结构对气液两相DBD放电特性的比较(适合浦电气B方向)毕业论文
- 南京某公司研发楼电气设计毕业论文
- 金帆北苑地块经济适用住房——02栋商住楼电气设计(适用于浦电气1004~06A方向学生)毕业论文
- 扬州人武部大楼电气设计毕业论文
- 金帆北苑地块经济适用住房——04栋商住楼电气设计(适用于浦电气1004~06A方向学生)毕业论文


