CCM模式下BOOST功率因数校正变换器的研究与设计毕业论文
2020-02-18 11:01:37
摘 要
功率因数校正作为提高功率因数、抑制谐波最为高效实用的方法,其重要性在电力电子领域日益凸显,具有广阔的应用前景。本文论述了功率因数校正技术的基本原理,介绍了功率因数校正的四种主电路拓扑结构,分析了这四种拓扑结构的异同后比较了其优缺点。此外还研究了控制电路在连续导电和不连续导电状态下的不同控制方法。由于Boost型功率因数校正器工作在电流连续模式,采用平均电流控制时,输入电流纹波小,输入电压及线路频率发生大范围变化时,输入功率因数也能保持在较高的范围,因此这种控制模式下的单相Boost功率因数校正器在本文中作为主要研究对象。
在理论分析Boost主电路不同工作状态的基础上,对平均电流控制模式下的控制电路进行分析建模,得出主电路的状态方程和控制电路的传递函数。根据设计要求和设计步骤,本文进行了电路参数设计,并通过对仿真软件MATLAB中的Simulink工具的使用,建立了Boost型功率因数校正电路的Simulink仿真模型,得出其仿真结果。
采集的实验波形表明仿真结果达到预期,电路在实现整流、稳压、升压、低纹波的同时还保持了高输入功率因数,验证了电路设计的正确性。
关键词:功率因数校正;Boost变换器;平均电流控制
Abstract
As the most efficient and practical method to improve power factor and suppress harmonics, power factor correction is becoming more and more important in the field of power electronics, and has broad application prospects. This paper discusses the basic principle of power factor correction technology, introduces the four main circuit topologies of power factor correction, and analyzes the similarities and differences of these four topologies circuit, and compares their merits and demerits. In addition, different control methods for the control circuit in continuous conduction and discontinuous conduction are also studied. Since the Boost type power factor corrector operates in the current continuous mode, when the average current control is used, the input current ripple is small, and the input power factor and the line frequency vary widely, the input power factor can also be maintained in a high range, so this The single-phase Boost power factor corrector in the control mode is the main research object in this paper.
Based on the theoretical analysis of the different working states of the Boost main circuit, the control circuit in the average current control mode is analyzed and modeled, and the state equation of the main circuit and the transfer function of the control circuit are obtained. According to the design requirements and design steps, the circuit parameters are designed in this paper. Through the use of Simulink tool in the simulation software MATLAB, the Simulink simulation model of Boost power factor correction circuit is established, and the simulation results are obtained.
The experimental waveform collected shows that the simulation results meet the expectations, and the circuit not only realizes rectification, voltage stabilization, voltage boost and low ripples, but also maintains a high input power factor, which verifies the correctness of the circuit design.
Key Words:Power factor correction;Boost converter;Average current control
目录
第1章 绪论 1
1.1 课题研究意义 1
1.2 功率因数校正技术的发展概述 1
1.3 本文所做的主要工作 2
第2章 有源功率因数校正技术 4
2.1 功率因数及总谐波畸变的概念 4
2.2 有源功率因数校正的基本原理 5
2.3 有源功率因数校正的主电路拓扑 6
2.4 有源功率因数校正的工作模式 7
2.4.1 不连续导电控制模式DCM 8
2.4.2连续导电控制模式CCM 9
2.5 有源功率因数校正的控制策略 10
2.5.1 峰值电流控制 10
2.5.2 滞环电流控制 11
2.5.3 平均电流控制 13
第3章 boost型APFC电路的分析设计 15
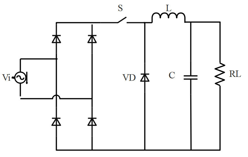
3.1 电路拓扑的选择 15
3.2 主电路的分析设计 15
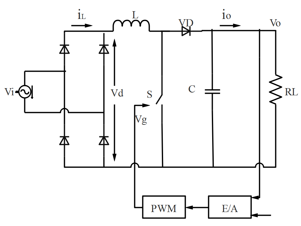
3.3 控制电路的分析设计 19
3.3.1 电流环的模型建立与参数设计 20
3.3.2 电压环的模型建立与参数设计 22
第4章 升压型APFC电路的仿真 25
4.1 boost型APFC电路的仿真 25
4.2 本章小结 31
第5章 总结与展望 32
5.1 总结 32
5.2 展望 32
参考文献 33
致谢 34
第1章 绪论
1.1 课题研究意义
电力电子技术自从二十世纪八十年代以来就得到了不断的发展和多方面的应用,越来越多种类的电力电子设备也随着各个领域的需要而被研发应用,每个电子设备的使用都离不开电源。电源的应用广泛,最突出的特点就是可以变换电能,其中开关电源的输入为电能,输出也为电能[1]。在所有开关电源电路中,最为基本常见的电能变换方案有AC/AC、AC/DC、DC/DC和DC/AC。人民在日常生产生活中使用的一般电源需要经过转换才能达到符合使用的标准,最为常用的电流转换方案是先从公用电网中获取得到交流电,经过整流装置后得到直流电,这样各种用电设备才能在使用时获得电能。但由于整流电路中多使用了非线性元件,使得电路不可控。交流电输入电路后,需要经过电感、电容等非线性元件以及整流装置中的储能元件,电流波形发生严重畸变。与正弦输入电压产生较大的相角差,输入功率因数降低。电流畸变在电网阻抗的影响下反作用于电网输入电压,这就是谐波污染产生的原因。谐波污染会带来一系列的危害:用电设备损耗增加,设备使用效率降低,使用寿命减少;继电保护装置发生误动作,使得电器仪表测量时存在误差,测量结果不准确;会降低电网的功率因数。总之,虽然电力电子设备对开关电源的应用日益增加,这虽促进了国民经济和科技发展,但也产生了电力系统波形畸变的问题,使得谐波污染日益严重,带来的一系列危害不可忽视。
电力电子装置作为最主要的谐波污染源,在解决电网中谐波污染问题上起到的影响举足轻重。为解决此问题,可以从两个层次进行考虑:从外部层次看,可以增设谐波补偿装置;从内部层次看,可以改造电力电子装置,应用功率因数校正技术(PFC)可以很大地提高输入功率因数。衡量电源对电网的供电质量,功率因数是一个重要的指标,现阶段多采用的是在电力电子设备中加入功率因数校正器。有源功率因数校正(APFC)技术的基本原理就是把DC/DC变换器加入到整流装置和负载之间,采用电流反馈技术,使输入电流自动或被动地跟踪交流输入电压,让输入电流波形发生的畸变得到缓解,使之接近正弦波,这也就降低了输入端谐波畸变率(THD),提高了功率因数。
电力电子技术发展到二十一世纪,APFC技术方兴未艾,提高功率因数的重要性日益突出,APFC技术也成为了电力电子领域的重要研究课题之一。我国对APFC技术的研究相对国外来说起步较晚,对电网中谐波的要求以及出台的标准规范还不够健全。APFC技术在开关电源中的应用,能够增加功率因数,降低高频谐波对电网的污染,提高电能的使用效率和用电质量,确保电力系统的稳定安全运行。
1.2 功率因数校正技术的发展概述
最早的研究从最基本的电容电感出发,电容电感可以构成无源网络,最早的功率因数校也正是通过这种无源网络进行校正的,但电容电感构成的无源网络电路体积十分庞大,谐波抑制效果也并不理想。在电力电子技术的不断进步发展中,晶闸管电路也随之出现。早期的有源功率因数校正电路中晶闸管电路开始的得到应用。在1955年的美国,第一台自激振荡直流变换器出现了,这是科学家罗耶在前人基础上研发改进的结果。半导体器件晶体管在这台变换器得到了应用,这部分的研究结果为世界上第一台开关电源的研制提供了理论基础。功率半导体器件70年代以后迅猛发展,相继出现的大功率开关器件如GTO、MOSFET、IBGT等,都在开关电源技术领域得到了大量应用,开关变换技术也随之发展。
随着功率开关器件发展到80年代,有源功率因数校正(APFC)技术应运诞生。APFC技术的应用使得电子器件的体积更小、重量更轻、效率更高,在降低电流谐波含量的同时也让功率因数达到了0.99以上。这段时期是APFC技术发展的初期,DC/DC升压变换器由于其电路结构的优点,得到了广泛的研究和重视。其控制模式相继出现了连续导电模式(CCM)和不连续导电模式(DCM),这一时期提出的基础理论技术为以后的深入研究奠定了基础。
APFC技术在90年代得到了迅猛发展,新的控制方法和拓扑结构相继出现,软开关技术和电压跟随技术也开始涌现。新的研究和新的技术赋予了APFC技术高性能和低成本的特点。国际厂商Unitrode、Motorola、Silicon、Simens也研发生产了各种性能的APFC控制芯片以简化电路,这在一定程度上推动了APFC技术的运用。而我国标准的《电能质量公用电网谐波》在1993年才由国家技术监督局颁布,在1994年才出现了与APFC技术相关的专题研究。我国APFC技术的研究相对其他国家来说起步较晚,但在这一领域的研究也从未懈怠,正在追赶国际先进步伐。
近年来关于APFC技术的研究热度只增不减,主要的研究着重在以下方面[2]:
(1)把APFC技术应用在单片机和DSP控制上。
(2)新的控制方法的研究。如预测电流控制、单周期控制、滑膜控制等。
(3)研究新的拓扑结构应用于单相APFC电路和三相APFC电路。新拓扑结构的研究重点在于简化电路,实现三相APFC变换器各个相位之间的解耦控制。
(4)软开关技术的应用。把DC/DC变换器的软开关技术应用到APFC变换器设计中,以用来提高开关频率、减小设备体积、降低损耗。
(5)APFC电路中电磁干扰(EMI)的研究。
总之,APFC技术研究的目的就是要寻求电路结构简单、成本低、易于实现,并且效率更高、输入功率因数更接近于1、EMI更低的APFC变换器。
1.3 本文所做的主要工作
本文的目的是研究连续导电控制模式下的有源功率因数校正技术,在分析研究其基本的拓扑结构和数学关系的基础上,对电路拓扑结构和控制方法进行分析比较,采用理论分析、仿真研究的方法找到一种实用简单的APFC控制策略,最后通过参数计算和模型搭建,设计Boost型有源功率因数校正器的仿真电路。本文从以下五个方面展开了具体研究:
(1)简要介绍本课题的研究目的及意义,以及功率因数校正技术的发展现状,
(2)分析有源功率因数因数校正技术的基本原理,主电路的拓扑结构和控制电路的控制方法。对APFC主电路的不同拓扑结构进行异同比较,分析总结各自不同的优缺点,结合DC/DC变换器拓扑结构,确定Boost变换器作为本次设计的主电路。详细阐述了APFC电路的不同控制策略,通过比较研究不同策略的优缺点,确定了本文采用的控制方法为平均电流控制。最终确定平均电流控制模式的Boost型APFC电路为本文的研究对象。
(3)分析研究了作为功率因数校正器主电路的Boost变换器的状态方程。
(4)由预先设定的技术指标计算主电路和控制电路的各项参数,计算了主电路电感电容值,以及电流误差放大器和电压误差放大器的电容电阻值、传递函数。
(5)根据预先设定的指标计算所得的电路相关参数值,建立电流环和电压环的模型。主电路和控制电路的仿真模型皆用MATLAB软件中的Simulink模块组建。并对实验所需各参数进行调试,得到较为理想的实验波形。比较校正前后的各项波形,验证设计方案的正确性。
第2章 有源功率因数校正技术
2.1 功率因数及总谐波畸变的概念
电源的优劣可以用其对电网的供电质量来衡量,AC/DC整流电路中的功率因数PF(Power Factor)是评判优劣的指标之一。PF定义为有功功率和视在功率之间的比值[3],用式(2.1)表示:
  | (2.1)  | 
式(2.1)中各符号的定义如下:
:输入交流电压有效值;
:输入基波电流有效值;
:电网电流有效值,表示为
。其中
、…、
为输入电流的各次谐波分量有效值;
:基波电流和正弦输入电压的相移系数;
:基波电流和正弦输入电压的相移角;
:输入电流的波形畸变系数。
电流的总谐波畸变因数THD(Total Harmonic Distortion)是由系统的不完全线性引起的,是一个表示高次谐波对总输入电流影响的变量,表示为:
  | (2.2)  | 
将式(2.1)与式(2.2)比较后可得:
  | (2.3)  | 
可见电流的总谐波畸变因数THD与输入电流的波形畸变系数
成反比,电流的总谐波畸变因数THD越小,
越大;反之,
越小。
功率因数的另一表达式由式(2.3)代入式(2.1)后得到:
  | (2.4)  | 
由式(2.4)可以看出,如果输入电流被强制校正,达到与输入电压同相位,即
时,功率因数PF就只由THD决定。在这种情况下,如果要提高功率因数PF,那么可以考虑降低THD。所以,在考虑减小电网因受到电器设备影响而导致的谐波污染,提高电路功率因数时,可以通过控制交流输入的电流谐波畸变率来实现[4]。
目前, 改善开关整流电路的功率因数通常采用功率因数校正技术(PFC),有以下两个途径:
(1)使输入电流经过校正控制后,和输入电压同频同相,此时相移因数
,
。
(2)使输入电流正弦化,即让谐波为零,输入电流的波形畸变系数
为1,此时
。
以上是毕业论文大纲或资料介绍,该课题完整毕业论文、开题报告、任务书、程序设计、图纸设计等资料请添加微信获取,微信号:bysjorg。
相关图片展示:







您可能感兴趣的文章
- 一种确定磁探针集总电路参数的标定方法外文翻译资料
 - 一种人体可接触的大气压低温等离子体射流装置研究(适合电气B方向)毕业论文
 - 氩氧中大气压DBD放电特性研究(适合电气B方向)毕业论文
 - 大气压氩等离子体射流放电影响因素的仿真研究(适合浦电气B方向)毕业论文
 - 含氧高活性均匀DBD改性聚合物薄膜研究(适合浦电气B方向)毕业论文
 - 反应器结构对气液两相DBD放电特性的比较(适合浦电气B方向)毕业论文
 - 南京某公司研发楼电气设计毕业论文
 - 金帆北苑地块经济适用住房——02栋商住楼电气设计(适用于浦电气1004~06A方向学生)毕业论文
 - 扬州人武部大楼电气设计毕业论文
 - 金帆北苑地块经济适用住房——04栋商住楼电气设计(适用于浦电气1004~06A方向学生)毕业论文
 





        
            
