单相逆变器设计与实验平台的搭建毕业论文
2020-02-18 10:57:50
摘 要
在单相逆变器中,如果不采取措施方法,会在交流侧产生二倍工频脉动功率,进而导致直流DC端出现二倍工频纹波电流,这会影响系统的可靠运行。针对上述问题,为了提高DC-link的可靠性,由于电解电容功率密度高和成本低的优点,传统的解耦方法是在DC-link处并联一大容量电解电容,起能量缓冲作用,可以保护直流源免于低频纹波电流的影响,但是又引来了电解电容本身可靠性的问题。因此通过添加额外的功率器件和薄膜电容代替电解电容的有源解耦方法得到了广泛研究,本文针对此,对两种解耦方式的单项逆变器的系统解耦效果进行对比评估。
本文首先通过数学建模和电路分析,研究单相逆变器中功率解耦的原理和低频纹波电流产生机理。针对两种解耦方式,对关键器件进行应力分析和参数设计。基于解耦电路端口电压,提出一种闭环控制策略,并应用于Buck型解耦模块,与传统的无源解耦进行对比分析。在MATLAB中搭建仿真电路,从解耦效果、电容容值、纹波电压等,对两种解耦方式进行对比分析。
本文针对单相逆变器进行仿真,并且对元器件进行选型,最后搭建出实验平台以供研究。
关键词:单相逆变器,实验平台搭建,功率解耦,DC-link电容
Abstract
In a single-phase inverter, if no measures are taken, it will generate twice the power frequency ripple power on the AC side, which will cause twice the power frequency ripple current at the DC DC terminal, which will affect the reliable operation of the system. In order to improve the reliability of the DC-link, the traditional decoupling method is to connect a large amount of capacitance to the DC-link in the DC-link, and to buffer the energy. The function can protect the DC source from the influence of the low-frequency ripple current, but it also leads to the reliability of the electrolytic tantalum capacitor itself. Therefore, the active decoupling method of adding electrolytic capacitors and thin film capacitors instead of electrolytic capacitors has been widely studied. In this paper, the decoupling effects of two decoupled single inverters are compared and evaluated.
In this paper, we first study the original cleavage of power factor decoupling and the mechanism of low frequency ripple current generation in single phase inverter through mathematical modeling and circuit analysis. For the two decoupling methods, the key components are analyzed and parameterized. Based on the decoupling circuit port voltage, a closed-loop control scheme is proposed and applied to the Buck-type decoupling module, which is compared with the traditional -free decoupling. In MATLAB, the simulation circuit is built and compared, from the decoupling effect, capacitance value and ripple voltage, the two decoupling methods are compared and analyzed.
In this paper, the single-phase inverter is simulated, and the components are selected. Finally, an experimental platform is built for research.
Key words:Single-phase inverter, experimental platform construction, power decoupling, DC-link capacitor
目录
摘 要 I
Abstract II
第1章 绪论 1
1.1研究背景与意义 1
1.2单相逆变器DC-Link可靠性问题 2
1.2.1单相逆变器产生二次纹波的原因 2
1.3单相逆变器功率解耦研究现状 3
1.3.1无源功率解耦 3
1.3.2有源功率解耦 5
1.4本文主要研究内容 6
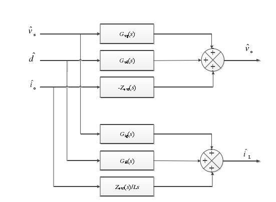
第2章 小信号模型分析 8
2.1状态空间平均法建模 8
2.1.1CCM Buck变换器状态空间平均法建模 8
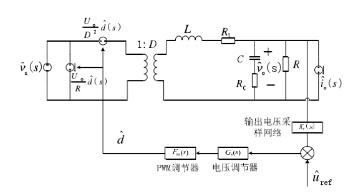
2.2 Buck变换器闭环小信号建模分析 12
2.3 本章小结 16
第3章 含功率解耦模块的单相逆变器设计 17
3.1单相逆变器功率解耦原理 17
3.2单相全桥逆变器设计 19
3.2.1 开关管占空比分析 20
3.2.2 关键器件参数设计 22
3.3功率解耦模块设计 28
3.3.1Buck型功率解耦模块 29
3.4不同解耦方式仿真验证 33
3.5本章小结 37
第4章 实验平台的搭建 38
4.1电路图的制作 38
4.2PCB板的绘画 42
4.3 实物器件连接图 43
4.4本章小结 44
第5章 总结与展望 45
5.1本文总结 45
5.2展望 45
参考文献 46
致 谢 50
第1章 绪论
1.1研究背景与意义
电力电子技术在这个时代正在不断地进步,所以经过电力电子技术变换处理后再提供给用户使用的电能在全国总发电量所占的百分比的高低,已经成为权衡一个国家技术进步的主要依据之一,所以电力电子技术的发展很重要,它的发展好坏直接影响一个国家对能源的掌握能力,它也已成为21世纪推动人类社会发展的关键技术之一。随着电力电子设备广泛应用于国民经济各领域中,用户对其可靠性的要求与其本身不稳定特性之间的矛盾不断加深:一项针对电气设备制造、电机拖动、公用设施和航空航天等领域的调查结果显示:50%以上的用户对现有电力电子设备的可靠性不满意。在一些新能源发电领域如风能、太阳能等,大部分运行问题的出现都是因为实现电能变换及并网外送的关键设备—电力电子设备可靠性不高。据文献统计结果显示:五年内,一个3.5MW的光伏发电系统中,逆变器的失效故障导致了37 %的额外系统维护和59 %的附加投资。电力电子设备可靠性低的问题已经给新技术的应用推广和国民经济的发展带来了巨大的负面影响。[1]
LED目前已经成为室内外照明及背光灯等场合中极具发展潜力的新一代照明光源。在给LED交流供电的驱动器中,母线电解电容的寿命只有几千小时,其主要用来平衡输入输出的交流功率和直流功率,但是LED灯的寿命很长,所以这导致严重的资源浪费。因此研究如何减小中间母线电容的容值,使得能够在接近的体积和成本的条件下,使用更长寿命的薄膜电容,已经成为提高LED照明光源整体寿命的研究方向之一。
作为一种利用新能源的载体,燃料电池拥有高能量转化效率、能量密度大、对环境的污染少等优点,被广泛应用于便携式设备(如笔记本电脑)、电动汽车以及分布式发电系统中。当燃料电池应用于交流供电系统时,在燃料电池的输出直流端50Hz的交流电会产生100 Hz 的纹波[3],该纹波的出现会使燃料电池输出特性有迟滞现象,这将会威胁燃料电池的安全运行[4]。与此同时,100 Hz的低频电流纹波还会导致燃料利用率低,燃料电池供电效率低[5][6]。100 Hz 的低频电流纹波也会导致燃料电池内的质子交换膜碳化降解[7]。当低频电流纹波幅度超过平均电流的4%时,燃料电池还会受 到耐用性降低和使用寿命缩短的危[8][9][10]。因此,抑制低频电流纹波是燃料电池交流供电系统的一个重要研究方向。抑制低频电流纹波有助于改善燃料电池的工况,提高燃料利用率以及燃料电池的使用寿命,有利于促进燃料电池的推广应用,具有可观的经济效益和社会效益。
综上所述,DC-link电容不仅限制了电力电子装置向高功率密度的发展,也极大的影响设备的可靠性运行,故本文针对电力电子装置,特别是DC-link电容的可靠性问题展开了研究。
1.2单相逆变器DC-Link可靠性问题
单相变换器在新能源、电动汽车、航天航空和通用设施等领域中得到广泛应用。由于单相整流器或者逆变器中,存在直流侧和交流侧瞬时脉动功率不平衡问题,使得交流侧二倍频脉动功率传播到直流侧产生二倍工频纹波电流,影响单相电力变换系统的工作性能,甚至对系统安全、稳定运行造成威胁,在不同的领域中表现形式各有不同:1.在光伏发电系统,光伏阵列输出能量会因直流源端电流含低频纹波而波动,降低MPPT(最大功率点跟踪)的效率,使输出功率随二倍频纹波电压幅值增大而降低,降低了光伏系统能量转换效率[11];2.在燃料电池发电系统中,会引起燃料电池内部迟滞现象,导致过热和寿命衰减[12];3.在LED应用系统中,低频纹波电流会使LED灯在使用过程中发生频闪现象,降低LED灯使用寿命同时还会使得用户眼睛不适[13];4.在WEM(Wireless Electro-magnetic Method)发射系统中,直流侧极低频次纹波或者谐波会使得电网产生非特征次谐波,影响电网正常运行,干扰附近通讯网络[14];5.在电动汽车系统中,该低频纹波将对系统中蓄电池组造成不良影响[15]。
针对上述问题,我们为了提高DC-link的可靠性,由于电解电容功率密度高和成本低的优点,传统的解耦方法是在DC-link处并联一大容量电解电容,起能量缓冲作用,可以保护直流源免于低频纹波电流的影响,但是又引来了电解电容本身可靠性的问题。因此通过添加额外的功率器件和薄膜电容代替电解电容的有源解耦方法得到了广泛研究,但额外器件(解耦模块)对系统可靠性的影响是又一新问题,因此本文将基于任务剖面,考虑器件参数波动,对含有源功率解耦模块的单相逆变器的系统可靠性进行评估。
1.2.1单相逆变器产生二次纹波的原因
用于单相PWM整流器的功率解耦方法的存储部件可以是电感器或电容。虽然电感器在坚固性和可靠性方面优于电容,但它们在功率损耗和功率密度方面较电容差。存储元件的波形可以是DC波或AC波。所提出的电路使用电容作为存储部件,其在DC模式下工作。电容性DC模式功率解耦方法的分析如下所示。
假设交流电源电压和电流是正弦曲线,如下式所示:
(1.1)
(1.2)
其中,V和I为峰值输入电压和电流值;是电源电压和电流之间的角度;是供给角频率。瞬时输入功率可表示如下:
== (1.3)
从等式(1.3)可以看出,瞬时功率由两部分组成:分别在等式(1.4)和(1.5)中定义的恒定功率和纹波功率.
(1.4)
= (1.5)
恒定功率馈送直流负载,而纹波功率是二阶谐波功率。流入DC侧的纹波功率使得DC电压波动为AC线路频率的两倍频率,这影响DC侧电气设备。[16]
1.3单相逆变器功率解耦研究现状
解耦方法分为无源和有源两种,其主要是根据是否添加了功率半导体器件。无源功率解耦主要分为:传统型,谐振型,有源控制型;有源解耦的研究主要集中拓扑和控制策略。
1.3.1无源功率解耦
传统无源功率解耦的优点很明显是电解电容的高能量密度和低成本,但缺点也十分明显:由于ESR大,通常为薄膜电容的数百倍,当低频纹波电流流经电解电容时,会产生大量损耗,不利于变换器效率提高,同时热量会使得电解电容内部核温上升,导致电解液的挥发,降低了电容容值,增大ESR。当容值、ESR发生变化时,对系统的效率、热设计、性能和可靠性都造成了不利影响,不利于电力电子装置向高功率密度、高效率、高可靠性方向发展[17]。
文献[18]采用了谐振式功率解耦的方法,可以并联在DC-link处,也可以串联在直流源和DC-link之间,针对低频纹波的频率,设计LC无源器件参数,当LC在指定频率处发生谐振时,使低频纹波电流流入DC-link处,实现解耦。为了抑制100Hz或120Hz甚至更低频率的二倍工频纹波电流,LC谐振器件体积大,成本高,而且解耦效果受LC器件参数和PCB中分布杂散参数影响,在实际使用时,难解决无源器件受温度以及老化影响使参数发生波动的问题[20]。
文献[21]通过优化级联变换器前端DC/DC电路的控制方法,添加额外的控制环路,改变前端变换器输出阻抗,使二倍工频阻抗远大于DC-link电容支路,实现不添加其他器件完成功率解耦。但DC-link处依然用的是电解电容,无法从根本上解决传统功率解耦方法中电解电容器件固有的可靠性问题。
文献[22]综合考虑薄膜电容的能量密度、成本等问题,在PV系统中,将2350μF电解电容直接替换为125μF薄膜电容,研究使用薄膜电容对系统性能的影响,实验显示DC-link纹波电压、电流分别从9.75V,1.5A增大到44V,2.87A,MPPT效率由99.85%降低到97.06%。
由此可见无源功率解耦方式无法解决电力电子装置的性能、功率密度、成本以及可靠性之间的矛盾,因此有源功率解耦受到了广泛的研究[23]。
1.3.2有源功率解耦
如图1.1,有源功率解耦是通过在单相变换器添加额外的电路,由功率半导体器件、滤波电感和储能元件组成,改变脉动功率的流通路径,将脉动能量转移至附加电路的储能元件(一般为电容)中,实现功率解耦。
图1.1 有源功率解耦脉动功率流经路径示意图
有源功率解耦可以增大电容电压波动,当系统需要处理的脉动功率一定时,所需电容容值可以降低,在文献[27]中,理想情况下电容容值可降低12.5倍,因此可以使用可靠性更高容值更小的薄膜电容取代电解电容,优化电容的体积、成本和可靠性。
有源功率解耦方法研究和应用可以大致分为两个趋势,一类是集成在原电路中,解耦电路与原电路在拓扑和控制上进行综合设计,集成度高,功率密度、效率等性能发挥空间更大,但代价是设计复杂,解耦电路没有通用性;另一种是将有源功率解耦电路模块化,即PDM(Power Decoupling Module),也可以称为有源DC-link(Active Capacitor),可以实现在原电路上热插拔。但需实现解耦模块和主电路在硬件和软件上的独立性,不能在原电路上添加额外的传感器,有限的端口信号增加了解耦模块的闭环控制难度。本文针对的是第二类。
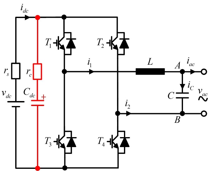
有源功率解耦在不同的领域中使用,从控制和拓扑上都会有一定的差异,其原主电路拓扑结构主要分为整流器、逆变器、双向变换器,隔离型和非隔离型[25],本文针对非隔离型单相全桥逆变器,对解耦电路的拓扑和控制方法进行概述。
解耦电路的拓扑根据是否与原电路有公用器件,被分为独立型和非独立型,非独立型可以降低解耦电路开关管和主电路开关管的冗余,使用更少的器件实现功率解耦,但需要改变原电路控制方法,控制更复杂,而且受原电路拓扑结构的限制,缺乏一般性。独立型功率解耦模块的拓扑广泛受到研究和使用的有Buck型、Boost型,半桥型和全桥型。当功率解耦模块被安装在单相全桥逆变器的交流侧时,会改变原电路全桥开关管的电流应力,影响电路的效率,热设计等,当串联使用时,系统的视在功率都会流经解耦电路,损耗更大,而且安装不易,为了使解耦电路在硬件和控制上与原电路相互独立,能实现即插即用,本文将解耦模块并联在原主电路的直流侧。
解耦模块的控制方法根据控制的对象可以分为三种:DC-link电压,直流源端电流,解耦模块储能电容。前两种控制方法,当负载功率发生变化,即脉动功率改变时,解耦模块处理的能量能跟随这一改变,实现闭环控制,但需要添加额外的电压或电流传感器;通过理论计算解耦时电容电压波形,使解耦电容电压跟随该波形的方法叫波形控制函数,波形函数与储能电容的容值和系统输出参数有关,较复杂,解耦效果受系统负荷变化和元件老化影响,难实现闭环控制。
1.4本文主要研究内容
本文主要针对单相逆变器二次纹波问题讨论传统的无源功率解耦方法和有源解耦方式展开分析。针对无源解耦,Buck型解耦模块进行参数设计和理论分析,并且通过PLECS对其进行仿真,对结果进行对比分析。
本文共分为五个章节,具体内容如下所示:
第一章:介绍了电力电子装置研究背景及意义,单相逆变器DC-Link可靠性所带来的一些问题,单相逆变器二次纹波产生的原因,由此引出功率解耦方法。
第二章:本章主要讨论工作在CMM模式下的电压控制Buck变换器的小信号建模,推导出变换器的输入输出阻抗传递函数,为后面的仿真Buck解耦模块的控制电路小信号模型参数设定做铺垫。
以上是毕业论文大纲或资料介绍,该课题完整毕业论文、开题报告、任务书、程序设计、图纸设计等资料请添加微信获取,微信号:bysjorg。
相关图片展示:







您可能感兴趣的文章
- 一种确定磁探针集总电路参数的标定方法外文翻译资料
- 一种人体可接触的大气压低温等离子体射流装置研究(适合电气B方向)毕业论文
- 氩氧中大气压DBD放电特性研究(适合电气B方向)毕业论文
- 大气压氩等离子体射流放电影响因素的仿真研究(适合浦电气B方向)毕业论文
- 含氧高活性均匀DBD改性聚合物薄膜研究(适合浦电气B方向)毕业论文
- 反应器结构对气液两相DBD放电特性的比较(适合浦电气B方向)毕业论文
- 南京某公司研发楼电气设计毕业论文
- 金帆北苑地块经济适用住房——02栋商住楼电气设计(适用于浦电气1004~06A方向学生)毕业论文
- 扬州人武部大楼电气设计毕业论文
- 金帆北苑地块经济适用住房——04栋商住楼电气设计(适用于浦电气1004~06A方向学生)毕业论文


