电压暂降对变频调速永磁同步电机的影响分析毕业论文
2020-02-18 10:57:42
摘 要
近年来,永磁同步电动机(PMSM)已广泛应用于中国的直驱风电行业,以及各类数控机床,直驱机械设备等。与普通电机相比,永磁同步电机(PMSM)作为可调速电机之一,对电压暂降非常敏感。目前,国内外的研究主要集中在电机电压暂降的敏感特性上。同时,变频调速作为永磁同步电动机最重要的调速方式,拥有优良的制动能力与调速性能,在节能的同时还能以高效率与高功率因数让电机运行,广泛适用于各种工业场合。因其具有调速时无附加能量损失等优点,也被国内外认为是最具有发展前途的高效调速方式。
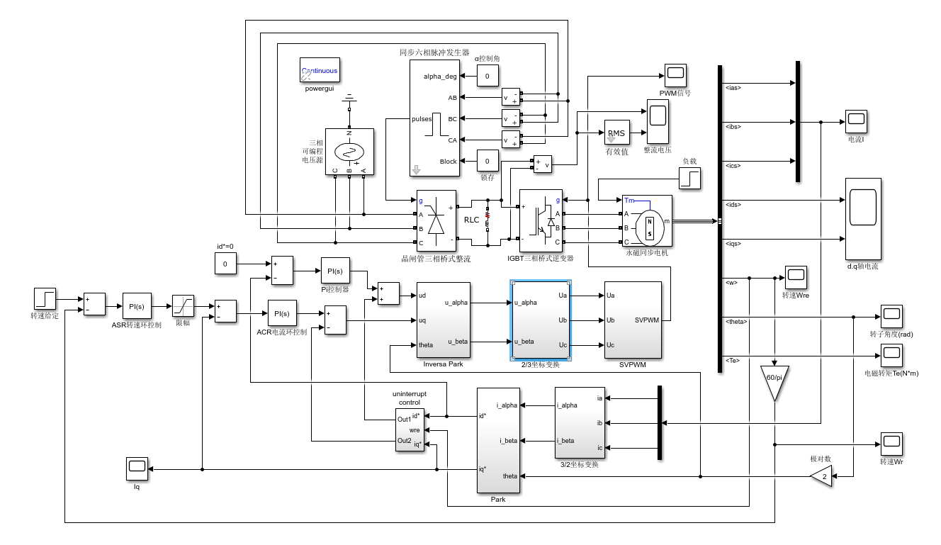
本文在MATLAB/Simulink中建立变频调速永磁同步电动机的仿真实验,搭建三相交直交变频调速系统,整个系统采用双闭环控制,计算电流环及转速环的比例系数,再通过PI矢量控制对永磁同步电动机的转速进行控制,最后用三相可编程电源进行不同电压幅值暂降情况下的仿真。整个仿真都处于控制变量情况下进行,研究分析电压暂降对变频调速永磁同步电动机运行性能的影响,包括电机转速、转矩以及定子电流等。该模型的建立不仅适用于研究变频调速永磁同步电动机电压暂降的影响,同时也适用于负载改变等其他设计或调试。
关键词:永磁同步电动机;电压暂降;变频调速;仿真实验;电运行性能
Abstract
In recent years, permanent magnet synchronous motors (PMSM) have been widely used in China's direct drive wind power industry, as well as various types of CNC machine tools, direct drive machinery and equipment. Compared with ordinary motors, permanent magnet synchronous motors (PMSM) are one of the adjustable speed motors and are very sensitive to voltage sag. At present, research at home and abroad mainly focuses on the sensitive characteristics of motor voltage sag. At the same time, frequency conversion speed regulation is the most important speed regulation method of permanent magnet synchronous motor. It has excellent braking capacity and speed regulation performance. It can also operate the motor with high efficiency and high power factor while saving energy. It is widely used in various Industrial occasions. Because it has the advantages of no additional energy loss when speed regulation, it is also considered as the most promising high-efficiency speed regulation method at home and abroad.
In this paper, the simulation experiment of variable frequency speed regulation permanent magnet synchronous motor is established in MATLAB/Simulink, and the three-phase AC-DC variable frequency speed control system is built. The whole system adopts double closed-loop control to calculate the proportional coefficient of current loop and speed loop, and then pass PI vector control. The rotational speed of the permanent magnet synchronous motor is controlled, and finally the simulation is carried out under the condition of different voltage amplitude sag with three-phase programmable power supply. The whole simulation is carried out under the control variable, and the influence of voltage sag on the running performance of the variable frequency variable speed permanent magnet synchronous motor, including motor speed, torque and stator current, is studied. The establishment of this model is not only suitable for studying the influence of voltage sag of variable frequency variable speed permanent magnet synchronous motor, but also for other design or debugging such as load change.
Key words: Permanent magnet synchronous motor; Voltage sag; Variable frequency speed regulation; Simulation experiment; Electric operation performance
目 录
摘要 I
Abstract II
第1章 绪论 1
1.1 永磁同步电动机 1
1.1.1 永磁同步电机的发展 1
1.1.2 永磁同步电机的特点及应用 2
1.2 变频调速系统 3
1.2.1 变频调速的研究意义及目的 3
1.2.2 交直交变频的组成部分 3
1.2.3 交直交变频的优缺点及应用 4
1.3 变频调速永磁同步电机国内外研究现状 5
1.4 电压暂降的实验 6
1.5 论文内容安排 7
第2章 变频调速永磁同步电机模型及控制方法 9
2.1 永磁同步电机控制技术 9
2.2 矢量控制基本思想及控制模型 9
2.3 PID矢量控制 12
2.3.1 比例P控制 13
2.3.2 积分I控制 14
2.3.3 微分D控制 14
2.3.4 PID算法数学模型 14
2.4 本章小结 15
第3章 变频调速永磁同步电机电压暂降仿真 16
3.1 系统仿真技术概述 16
3.2 方案设计 17
3.2.1 电流环设计 17
3.2.2 转速环设计 19
3.3 仿真模型 22
3.4 本章小结 23
第4章 电压暂降仿真结果分析 25
4.1 暂降至80%额定电压情况 25
4.2 暂降至50%额定电压情况 28
4.3 暂降至20%额定电压情况 30
4.4 本章小结 32
第5章 总结及展望 33
5.1 仿真结论 33
5.2 不足与展望 33
参考文献 35
致 谢 36
绪论
永磁同步电动机
同步电动机是交流电动机的一种,其转子以与供给交流电动机的交流电源的频率对应的转速旋转。在交流电机内部会由于通入交流电而使其在定子中会有旋转磁场的产生,并且使得转子也会跟随着该磁场进行旋转。由电源提供转子电源,属于双馈型电机(Doubly-fed electric machine);如果在同步电动机的转子中存在永磁体或电磁体,这种使用磁体的电机称为永磁同步电机(Permanent-Magnet Synchronous Machine)。
同步电动机具有许多优异的特性,其中最明显的特征是它们的速度是固定的,并且不受电压的影响。同时,只要电动机的负载不超过其最大转矩,速度就不受负载的影响。然而,由于这些特性的存在,将同步电动机与异步电动机的各种速度控制方法进行比较后发现,最好的速度控制方法是使用变频器调整同步电机的频率来改变同步速度。俗称变频调速。
永磁同步电机的发展
与异步电动机相比,永磁同步电机发展缓慢,但对于它们的研究从未停止过。从早期关注固定频率永磁同步电动机的运行特性,到今天的变频调速运行特性,已经发生了很多变化。早期研究不仅要在关注其运行特性的同时,还注意到稳态特性与直接起动性能也是具有重要意义。永磁同步电动机在起动期间具有小电流,大扭矩的特点,并且异步扭矩由阻尼绕组提供。电动机速度加速到同步速度,电动机通过磁阻和同步转矩同步转速。
在上个世纪末,由逆变器驱动的永磁同步电动机逐渐进入大众视野,使其得以发展。与直接启动的永磁同步电动机相比,由逆变器供电的永磁同步电动机没有显著变化。在机身结构上基本一致,比较特殊的地方在于很多情境下可以不需要阻尼绕组。在这种情况下,可以非常有效地提升电动机的整体能量功效。第一,由于阻尼绕组的存在,在一定程度上会由于其本身的发热导致永磁材料的温度升高。第二,阻尼绕组的存在会导致电动机扭矩惯量降低,其原因便是阻尼绕组会增大惯性扭矩,这对电动机性能会造成一定影响。第三,由于存在阻尼绕组的齿槽效应,电动机的脉冲功率转矩增加。由逆变器供电的永磁同步电动机的特性与恒频永磁同步电动机的特性有很大不同,特别是稳态和瞬态特性发生了很大变化。在此之后,研究人员发表了大量论文来研究电动机的数学模型及其两个特征。
随着微机技术的发展,PMSM的全数字矢量控制系统得到了很大的改进。在今天的永磁同步电动机的控制方法中,通常采用PI控制运动控制系统中的外部速度的电流。 使用PID控制器具有更好性能,更加简单化的结构,对于转速的控制精度也更加高。
在20世纪前半页中,先是铝镍钴合金制成的人工永磁材料在美国的问世,然后,铁氧体永磁体和高能稀土永磁体的连续输出加速了永磁同步电动机的发展。如80年代的NdFeB(钕铁硼)永磁体便很快用于永磁同步电动机,并命名为钕铁硼无齿电动机。与现有的电动机相比,体积和重量大大减小,外壳可以做得更轻更薄。新型钕铁硼无刷直流电动机的性价比高于普通稀土钐钴电动机。
接着,各国便相继对永磁同步电机投入试验及运行,常用与医院、均是、汽车等各个方面。 而中国是拥有着世界上最丰富稀土资源的国家,于1965年开始,先后研制出各种类型的永磁式电机。
永磁同步电机的特点及应用
永磁同步电机发展至今,已经逐渐成熟,其结构更加简单,电能的损失由于变频调速的存在有所降低。不同于他励异步电动机,在不需要考虑无功励磁电流的前提下,可以实现更加优异的控制性能,提高效率的同时,减小电流及电阻损耗。同时PI矢量控制已应用于当今的永磁同步电动机,这种控制方法可以确保优异的动态性能响应,同时满足高精度和宽范围的转速定位控制要求。然而,永磁同步电动机自然具有一些缺点,例如稀土永磁体的高成本和难以启动。另外,当永磁材料经受振动,高温和过载电流时,其磁导率可能降低,或者可能发生退磁,这可能降低永磁电动机的性能。
今天的永磁同步电动机越来越多地用于工业和农业。在过去的十年中,由于新技术,新工艺和新设备的出现和使用,永磁同步电动机的励磁模式不断发展和完善。在激励装置的自动调节领域中,已经开发和推广了许多新型的调节装置。目前,许多国家正在开发和测试具有相应外部设备的微型计算机,以构成能够自适应调整以提高效率的数字自动激励调整装置。
在大规模生产机械的工业和农业生产中的永磁同步电动机需要在一个方向上以基本恒定的速度连续操作,例如风扇,泵,压缩机和通用机床。电励磁电动机具有比永磁同步电动机更高的相位成本,同时还有结构更复杂,维护麻烦等劣势。因此,大多数新能源汽车制造商更喜欢永磁同步电动机。此外,永磁同步电动机也用于电梯的日常使用。
变频调速系统
变频调速的研究意义及目的
相比较异步电动机,同步电动机在转速n与频率f有着极其严苛的同步关系,并且不受到负载的影响,但在失步时有启动和过载的困难。因此,研究同步电动机变频调速系统在提高经济性方面具有非常可靠和实际意义。
定子励磁的转速公式:

(1‑1)
在上述式中:
n-电机输出的转速
-电机定子供电频率
-电机极对数
从公式可以看出,同步电动机输出转速n的变化主要可以通过以下方式实现:改变电动机的极对数
和改变电源频率
。目前在同步电动机中普遍实现的速度控制方案有以下两种方案:变极调速和变频调速。变极调速简单来讲就是改变电动机的极对数进行调速,而变频调速是改变提供给电动机的三相交流电频率从而实现电机调速。变极调速不可持续调速,因为是通过改变定子绕组的连结,来逐步改变同步转速,其调速范围过小,应用场合较少。相比较变频调速就优异许多,通过变频器改变了定子端的电源频率从而改变其同步转速,不仅效率更高,性能更高,同时其速度还连续可调,应用最广泛。
从公式可以看出,同步电动机输出转速n的变化主要可以通过以下方法实现: 更改电机的极数并更改电源频率。目前,同步电动机中常用的速度控制方案有以下两种解决方案: 变极调速和变频调速。简单来讲,可变极速调节是改变电动机的极对进行速度调节,变频调速是改变提供给电动机的三相交流电频率,实现电动机调速。变极速度调节是不可持续的,因为通过改变定子绕组的连接逐渐改变同步速度,并且调速范围太小,应用较少。变频调速与之相比,性能表现上要优异许多。不仅效率更高,性能更高,同时其速度还连续可调,应用最广泛。
交直交变频的组成部分
交直交变频调速系统组成基本结构如图所示。交流-直流-交流的过程实现变频调速,在这个过程中必不可少的元件包括以下几部分:整流、滤波、逆变、矢量控制、电压跌落等。整个过程是由初始的工频交流电通过整流为直流电,再通过逆变器有规则地导通逆变为所需可变电源频率的交流电供给电动机,整个过程中通过滤波电路滤出不要的电压波形。其工作回路大致可分为三个部分:将初始频率电源变为直流电源的“整流模块”;吸收及过滤由整流模块和逆变模块回路产生的电压脉动的“滤波模块”;将直流逆变为所需频率的交流电源的“逆变模块”。
- 整流模块
包括很多种,IGBT三相整流桥、二极管三相整流桥、晶闸管三相整流桥等,其功能便是将初始电源整流为所需直流电源,而这个过程的电功率传送不可逆。
- 滤波模块
滤波回路存在的作用是尽可能减少整流后包含的脉动电压,去除其交流部分,尽量使其输出的波形更加稳定可靠的同时,纹波系数更低。同时采用直流电抗和电容也能消除这些电压波形。
- 逆变模块
逆变模块和整流模块恰好不同,相比较整流模块的“交-直”过程,整流后的直流功率通过三相桥式逆变器逆变为可调频率的交流功率,主要是通过控制桥内六个功率开关器件的规则性导通及关断,以达到将逆变为所需频率的交流电源。
交直交变频的优缺点及应用
在绪论中有提到,对于永磁同步电动机的调速方式有两种,首先一种是对电动机特有的极对数数目p进行增加或减少,即变极调速。 其次另一种就是本次研究的对象,变频调速。频率控制调速方式是永磁同步电动机最有利和最合适的速度控制方法。在这里,将直流调速与交流变频调速进行比较,并讨论后者的优缺点。
拿直流电动机与交流电动机作比较,不可忽略也是最明显的便是直流电动机多出了电刷和换向器,而这些均是交流电动机一般不具备的。而拥有这些的直流电动机在调速过程中,有必要对其进行检查,并且不能安装于较为恶劣的环境中,如易燃易爆或尘埃过多的情况中。此外,这些直流电动机的特性也决定了其发展的领域不可能涉及到较高的转速与较大的容量。
与直流电机的这些缺点相比,交流电动机就少了许多麻烦。首先,在容量方面,交流电动机的容量可以数倍于直流电动机,其原因便是直流电动机的双枢形式限制了其单机容量在10-20MW。其次,在电枢电压上,交流电机可以做到高电枢电压六至十千伏,而直流电动机由于换向器的存在,其电枢电压一般最高只有一千多伏。再次,交流电动机在转速方面相比较直流电极有着极大的优势,直流电动机由于换向器部分机械强度的限制,其转速每分钟只有几百上千转,而以千转为单位的交流电动机可以获得更高的效率。从次,在其他必要条件相同的条件下(如容积),交流电机可以做的更小,更轻,更便宜,更加经济实惠。最后,从节能方面出发,交流电动机也比直流电动机更占据优势,在交流变频调速系统中,一般在交流电动机容量选取留有预留。当永磁同步电动机在不是最大运行负荷,且轻负载的情况下,变频调速技术的存在使得调节电动机转速就可以轻松做到节约电能的经济目的。这一点在工业上有着极大的经济意义,如风机、水泵、压缩机的大量使用,若是采用变频调速技术,可以在提高效率的同时降低功耗。
而交流变频调速在许多西方国家中已经广泛用于工业领域,并且已经步上正轨。尤其是一些发达国家,例如美国的发电量中有超过半数用于电机使用,并且得益于同步电动机变频技术,单论在工业传动这一方面电量损耗就减少了15%-20%,极大的提高了经济效益。
变频调速具有以下几种优势:
- 变频调速功效高,可靠性强,用于自身损耗较小。
- 在电动机启动过程中,扭矩大,电流小。
- 在调速过程中,在实现自动化控制的同时拥有较高的调速精度。
相反,其缺点也是存在的:
- 变频调速系统的成本比起一般调速系统成本更高。
- 如果并网,其产生的谐波容易污染电网。
- 共模电压在一定程度上可能降低电机轴的使用寿命,提高成本。
变频调速永磁同步电机国内外研究现状
永磁同步电机调速系统能使电机的功率因数更高、转子参数变的可测、效率更高等特点,近年来永磁同步电机调速系统的研究也越来越受到国内外专家学者的重视[1] 如今国际上的电机研究主要以异步交流电动机为主,而电压暂降对永磁同步电动机的研究相比较则少了许多。文献[2]中关于电压暂降的幅值及其持续时间等方面的影响通过数值计算法进行大量的算法研究,得出关于电压暂降的幅值会在一定反相关上影响转矩与电流峰值;在文献[3]中有许多地方与文献[4]中思路有一定的相同点,在研究关于电网电压跌落的课题上,就永磁同步风机会有何种影响上采用了实验与仿真共同进行的方式,在电压跌落30%幅值下持续2s、跌落50%幅值下持续0.5s以及85%幅值下持续0.2s等情况下,发现电流波形在发电机输出普遍表现为正弦波,同时电压跌落这种具有危害性的情况,却能够对电网进行一定程度的无功功率回馈,对电网是有一定益处的;文献[5]中研究的对象为暂态情况下电流峰值及转矩转速特性在三相电压中单相或多相暂降幅值不同情况时的变化;在文献[6]中在仿真中加入短时中断以及电压暂降来研究异步启动永磁同步电动机的运行性能。在一定程度上反映了20%的骤降幅值的情况下,电机会在几个周期内由于电压暂降的影响而逐步失去同步转速,并且很难再恢复至原有的转速,同时定子电流与转矩都会一定程度上提升;在文献[7]中采取了一种全新型的电流取值方式,又名最小电流法。这种方法能够有效地减小电机震荡的同事极大地增强了电机对失去同步的抵抗力,其主要是路便是电机最高运行效率在某种程度上与变频器压频比匹配。该方法也利用谐波抑制技术有效并且快速地实现了将输出电压波形准正弦化的目的,,同时,矢量自动补偿技术也用以解决电网电压波动对系统的影响;在文献[8]中主要介绍了永磁同步电动机调速系统PI控制器参数整定方法,在推导过程中结合了工程实际,在逆变器、反馈滤波器等因素影响下明确界定了电流及速度环的截止频率与相位裕度的同时,还可以解析计算PI控制器参数;文献[9]介绍了在PI矢量控制下永磁同步电动机的系统结构及SVPWM调制的基本原理。应用Simulink中的SimPowerSystem工具箱建立双闭环模型,验证了永磁同步电动机的矢量控制对电动机转速控制具有较好的调节作用,其包含动态响应与速度控制,为永磁同步电动机系统的分析、设计与调试提供了基础。在文献[10]中,模拟了六相永磁同步电动机的电磁转矩是否受谐波电压的影响。在仿真后的结果表现出的是谐波电压在一定程度上可以将电动机的平均转矩增大的同时,它更能够抑制脉动并降低电流峰值。另一方面,它可以提高功率器件的可靠性和利用率。其一般体现在三次或者五次谐波上。文献[11]在研究PI控制时给予我很大的帮助,尤其是在dq及3/2坐标变换方面给了我不少启示。本文分析了永磁同步电动机在三相静止坐标和dq双轴旋转坐标系下的运行和数学模型。在某种程度上,推导出系统中的ACR控制器和ASR控制器参数的设置方法。验证了在
= 0的情况下的PI矢量控制方式可以使永磁同步电动机具有更好的动态相位响应和速度控制性能。
以上是毕业论文大纲或资料介绍,该课题完整毕业论文、开题报告、任务书、程序设计、图纸设计等资料请添加微信获取,微信号:bysjorg。
相关图片展示:

![C:\Users\Fleix\Documents\Tencent Files\236657358\FileRecv\MobileFile\Image\Q0Y{HG(H)`]R_SQ]YQHXZ5F.png](http://www.biyelunwen.org/wp-content/uploads/2020/02/lw4395_2020218105739929.png)





您可能感兴趣的文章
- 一种确定磁探针集总电路参数的标定方法外文翻译资料
- 一种人体可接触的大气压低温等离子体射流装置研究(适合电气B方向)毕业论文
- 氩氧中大气压DBD放电特性研究(适合电气B方向)毕业论文
- 大气压氩等离子体射流放电影响因素的仿真研究(适合浦电气B方向)毕业论文
- 含氧高活性均匀DBD改性聚合物薄膜研究(适合浦电气B方向)毕业论文
- 反应器结构对气液两相DBD放电特性的比较(适合浦电气B方向)毕业论文
- 南京某公司研发楼电气设计毕业论文
- 金帆北苑地块经济适用住房——02栋商住楼电气设计(适用于浦电气1004~06A方向学生)毕业论文
- 扬州人武部大楼电气设计毕业论文
- 金帆北苑地块经济适用住房——04栋商住楼电气设计(适用于浦电气1004~06A方向学生)毕业论文


