基于变频调速系统的DC-Link电容可靠性评估毕业论文
2020-02-18 10:57:34
摘 要
三相变频调速系统相比传统直流电机具有更大的优势,并且在各行业各领域已经逐步替代了直流电机的地位。在如今这个充满竞争的电子市场,对系统的可靠性提出了更高的要求,变频调速系统也不例外,而DC-Link电容作为变频调速系统最脆弱的元件之一,研究DC-Link电容的可靠性对提高电力电子系统可靠性具有重要意义。
本文首先对比基于时域与基于快速傅里叶变换的电容热点温度计算公式,根据电容的等效串联电阻的频率特性,结合电容的电热模型,确定采用基于快速傅里叶变换的热点温度计算公式,因该方法考虑了流过电容的纹波电流的高频成分对等效串联电阻的影响,这对电容的可靠性评估更准确。然后建立三相变频调速系统仿真和完成基于Monte Carlo方法的电容寿命仿真。考虑了电网电压平衡与5%电网电压不平衡、电网感抗为柔性与电网感抗为硬性情况,对各情况下的电容寿命作出评估,得出电网电压不平衡度与电网感抗类型对电容可靠性的影响结果。
关键词:DC-Link电容,可靠性, Monte Carlo,三相变频调速系统
Abstract
The three-phase variable frequency speed control system has greater advantages than the traditional DC motor, and has gradually replaced the status of the DC motor in various fields of various industries. In today's competitive electronic market, product reliability is a must, and variable frequency speed control systems are no exception, and DC-Link capacitors are one of the most vulnerable components of variable frequency speed control systems.So studying the reliability of DC-Link capacitors is of great significance.
In this paper, we first compare the calculation formula of capacitance hot spot temperature based on time domain and fast Fourier transform. According to the frequency characteristic of equivalent series resistance of capacitor, combined with the electric heating model of capacitor, we determine the calculation formula of hot spot temperature based on fast Fourier transform. Because the method considers the influence of the high-frequency component of the ripple current flowing through the capacitor on the equivalent series resistance, the reliability evaluation of the capacitor is more accurate. Then establish a three-phase variable frequency speed control system simulation and complete the capacitor life simulation based on Monte Carlo method. Finally, in the case of grid voltage balance and 5% grid voltage imbalance, grid inductive reactance is flexible and grid inductive reactance is hard, the capacitor life is predicted respectively, and the influence of grid voltage balance and grid inductive reactance on capacitor reliability is obtained.
Keywords: DC-Link capacitor, reliability, Monte Carlo, three-phase variable frequency speed control system
目 录
摘要 I
Abstract II
第1章 绪论 1
1.1课题研究的目的及意义 1
1.2 可靠性介绍 1
1.3国内外研究现状 2
1.4本文的主要工作及内容安排 4
第2章 变频调速系统与LC滤波器设计 5
2.1变频调速系统介绍 5
2.2电网电压不平衡计算方法 6
2.3 LC滤波器参数设计 7
2.6 本章小结 8
第3章 DC-Link电容可靠性研究 9
3.1 电容寿命模型 9
3.2 Monte Carlo法介绍 12
3.3电容可靠性评估流程 14
3.4 本章小结 14
第4章 仿真结果与分析 15
4.1 DC-Link电容电流结果分析 15
4.2 基于Monte Carlo方法的DC-Link电容可靠性分析 20
第5章 总结与展望 23
5.1 总结 23
5.2 展望 23
参考文献 24
致谢 25
第1章 绪论
1.1课题研究的目的及意义
从上个世纪70年代之后,随着现代控制理论的应用,以及计算机控制技术与大规模集成电路的日趋成熟,让交流电力拖动系统逐渐拥有了弹性、稳定的调速范围、稳速准确性好、动态响应快速以及在所有象限都可以进行可逆运行等优良的技术特性,同时毫不逊色于直流电力拖动的调速性能。变频调速在交流调速技术方面拥有很大的优势,同时它还在进一步完善其可靠性和调速性能,价位也在不断地下降,而且变频调速节电成效显著,并且过程自动化容易实现,深受各行业的喜爱。变频调速的卓越特性:(1)调速时效率高,具有弹性。在低速时,稳定性好,特性静关率高。(2)变频器体积较小,方便进行安装、维修与调速。(3)过程自动化容易实现。(4)高精度、连续、宽的调速范围。(5)对电网和系统没有冲击影响,起动电流小,可用于频繁制动与起动场合、节能特性优越。
变频调速相比改变转差率调速、变极调速是最具有优势的。在直流调速系统中,由于需要对直流电动机的电刷与整流子进行检查,这就限制了电机的安装环境,同时也进一步限制了电机的大容量、高转速的发展。相比之下变频调速系统就不具有这些问题,主要表现以下三点:(1)交流电机的单机容量数倍于直流电机的单机容量。(2)由于换向的限制,直流电机的电枢电压受到较大的限制。(3)在同等容量情况下,在价格、体积和重量方面,直流电机都要大于交流电机。
在人们日常生活、工业生产和交通运输等其他领域中,变频调速系统已经逐渐取代传统直流电机的地位。而变频调速系统的DC-Link电容是ASD系统可靠性的瓶颈,系统的寿命由于DC-Link电容的低可靠性大大地缩减,所以对变频调速系统的DC-Link电容的寿命进行研究在评估系统可靠性方面具有很大的意义。
1.2 可靠性介绍
可靠性理论产生于上个世纪二战时期,在50年代对其进行系统性的研究,到60年代已经广泛应用并形成可靠性工程这门学科。可靠性的主要研究工具为数理统计与概率论,其研究的问题与内容涵盖十分大,例如可靠性自身规律,如何提高系统可靠性,影响可靠性的因素等。可靠性主要有4个要素:可能性、运行时间、运行环境和特定的职能[1]。可靠性可靠性的基本概念是指某一个设备或者某一个系统在其使用环境与维护条件下,在该系统或设备施行任务的时间内,达成其规定指标和要求的能力。
可靠性定量定义的话,即为系统在一时间t内不失效的概率P(t)。从其定义可以看出P(t)为一递减函数,随着时间的增长,P(t)越来越小,系统失效的概率逐渐增大,系统也越
来越不稳定,可见,可靠性是一个与时间息息相关的量。
准确及时的可靠性预测是结构良好的可靠性计划的重要组成部分。 如果执行得当,它们可以提供对可靠系统的设计和维护的深入了解。 许多作者强调,可靠性不能成为事后的想法。 它必须是从设计阶段开始的目标,并在整个项目中作为持续活动实施,随着更多设计,测试和评估数据的可用性,预测会定期更新。可靠性预测可视为:1)提供可靠度的定量预测;2)帮助实现可靠的设计和制造过程,满足最终用户的可靠性;3)比较竞争设计;4)找出潜在的可靠性问题,如设计不平衡、不可靠的根源等;5)协助进行可行性评估,以确定设计可靠性目标能否实现;6)预测保修成本和维护支持需求;7)评估潜在的保修风险并为安全分析提供投入。
可靠性浴盆曲线:在20世纪50年代,AGREE发现电子设备的故障率与封闭系统中的个人死亡率相似。图案可以以浴盆曲线的形式显示,这说明了大量统计上相同的系统的预期故障率。浴盆曲线的特征在于三个时间区域,即1)降低失败率的初始区域,2)相对恒定的失效率(使用寿命)的中间区域,以及3)失败率增加的最终区域(磨损)。早期失败是由产品的材料,组件或生产过程中的缺陷或随机出现的缺陷引起的,这些缺陷导致其在其生命周期的早期失效。随着系统的成熟,故障率几乎不变。有用的寿命失误通常是由于产品外部的力,例如误操作,异常的环境压力,冲击或事故。即使是最好的设计制造和筛选技术也不能完全消除这种失效的影响寿命终止行为(磨损失效)的特征在于随着时间的推移产品“磨损”引起的故障率增加。对于许多电子设计而言,在长期合理的使用寿命之后会发生磨损,并且技术进步争论完全替换系统。
图1.1 可靠性浴盆曲线
1.3国内外研究现状
文献[2]概述了用于电力电子领域直流链路的三种电容器的可靠性方面并简要讨论了电容的寿命模型、失败模式与失败机理并给出了直流环节电容的可靠性主导的设计方案和条件监测方法。最后给出关于直流环节电容可靠性所面临的挑战与今后的研究方向。DC-Link纹波电流是影响直流侧电容温度升高的主要因素,文献[3]在基于理论基础的情况下,分析了DC-Link电容的纹波电流形成的机理、自身损耗及计算方法等,得到了便于工作计算的方法,并且进一步证明了计算方法的准确性。文献[4]研究分析了直流环节电容器在并网调速系统中的可靠性,提出了一种考虑非线性累积损伤模型的电容器寿命估算方法并基于所提出的评估寿命方法,在电网平衡与电网不平衡情况下,分别研究了LC滤波器和类似小电容器直流链路滤波器中直流链路电容器的寿命,并得出结论:(1)尤其在电网电压相位和幅度不平衡的情况下,LC滤波器直流环节系统的寿命小于小电容的一半。(2)在正常操作中,现有电网电压不平衡情况下,直流侧电容器寿命缩短约一年。(3)从可靠性的角度来看,电机驱动器的直流环节LC滤波配置中的电容应大于350μF,以便在研究的情况下保持超过10年的寿命。关于直流侧电容运行中所要承受的电、热应力的评估方法,文献[5]分析了原有方法的缺点并提出新思路--基于快速傅里叶变换,同时结合直流环节电容寿命计算方法与电热应力的研究,改进了直流环节电容的热点温度的算法,改进的算法考虑了纹波电流中的高频部分对直流环节电容的等效串联电阻的影响,最终建立一个改善版本的直流环节电容可靠性评估模型。文献[6]运用马尔可夫模型对电容可靠性进行评估,介绍了电容的失效原理及其等效电路模型,建立电解电容的马尔可夫模型,得到电解电容实时的可靠性,并以buck电路为仿真进行验证,得出了电容可靠性随时间的变化趋势,当电容的等效串联电阻为起始值得3倍时,电容可靠性降到0,完全失效,即通过对等效串联电阻变化的监测进而对电容可靠性进行评估。
由于引起电容失效的因素有许多,对于每个因素都有不同的电容可靠性评估模型。电容的失效主要是由其所承受的电应力与热应力引起的。目前国内外在分析直流环节电容的可靠性时也是主要考虑电容承受的电、热应力。例如流过直流环节电容的纹波电流以及热点温度。文献[7]基于铝电解电容的物理结构建立了铝电解电容器的等效电路模型,分析了其主要的退化机理和寿命预测模型,然后,对功率变流器中使用的电容器,提出了一种新的策略来估计其等效串联电阻和电容,提出的方法基于递归最小二乘(RLS)方法,可以在最小额外硬件要求的情况下自动计算ESR和C的值,而且实验结果不受温度或负载变化的影响,但只考虑了直流侧电容的自身参数对其可靠性的影响,没有考虑直流侧电容与变流器其他组件之间的耦合关系。文献[8]研究了三电平NPC和级联H桥逆变器拓扑结构中直流环节电容器的损耗,比较通过谐波分析获得的损耗估计与基于总直流电容器电流有效值表达式的估计,由于使用电容ESR的固定值,后者可能会低估三电平逆变器的电容损耗,而基波和基带谐波可以与总有效值电流表达式相结合,以更准确地估算电容器损耗。文献[9]从性能退化方面研究铝电解电容的可靠性,总结基于性能退化的可靠性基本理论,使用特定的算法进行数据处理,计算电容器的等效串联电阻值以及电容值,建立评估铝电解电容可靠性的数学模型,并同过可靠性预测模型对各种维护策略进行优化。
1.4本文的主要工作及内容安排
在阅读了相关文献的基础上,本文将三相变频调速系统简化成一个三相电源、三相不控整流环节以及将逆变环节和电机环节简化成一个恒5kW功率的部分。在matlab中建立仿真模型,获取直流环节电容的纹波电流,再进行快速傅里叶变换,获取到不同频率下的纹波电流,最后完成基于蒙特卡罗方法的直流环节电容的寿命预测。同时本文比较了5%电网电压不平衡和电网电压平衡情况下,直流环节电容的寿命情况以及电网阻抗为柔性与硬性时电容的寿命情况。通过以上方面的研究对直流环节电容的可靠性进行评估。本文的内容安排情况如下:
(1)分析讲诉了变频调速系统的研究背景及目的意义,同时也罗列了国内外目前对变频调速系统直流环节电容寿命的研究情况。
(2)简要阐述变频调速系统的机理以及电网电压不平衡计算方法,然后详细介绍了LC滤波器,并给出其相关参数的计算方法。
(3)通过电容的电、热模型,比较两种电容热点温度计算方法,选取更加精确的方法,该方法考虑了纹波电流对等效串联电阻的影响,对电容靠性评估更加准确。接着介绍了几种电容寿命计算公式与蒙特卡罗方法的原理。最后概括电容可靠性评估的流程。
(4)仿真获取到电网电压平衡与5%电网电压不平衡且电网阻抗分别为柔性电感与硬性电感时,电容的纹波电流以及基于Monte Carlo模拟电容的寿命分布。进行相关的对比,得出电网电压不平衡对电容可靠性的影响、电网阻抗为柔性与硬性对电容可靠性的影响。
第2章 变频调速系统与LC滤波器设计
2.1变频调速系统介绍
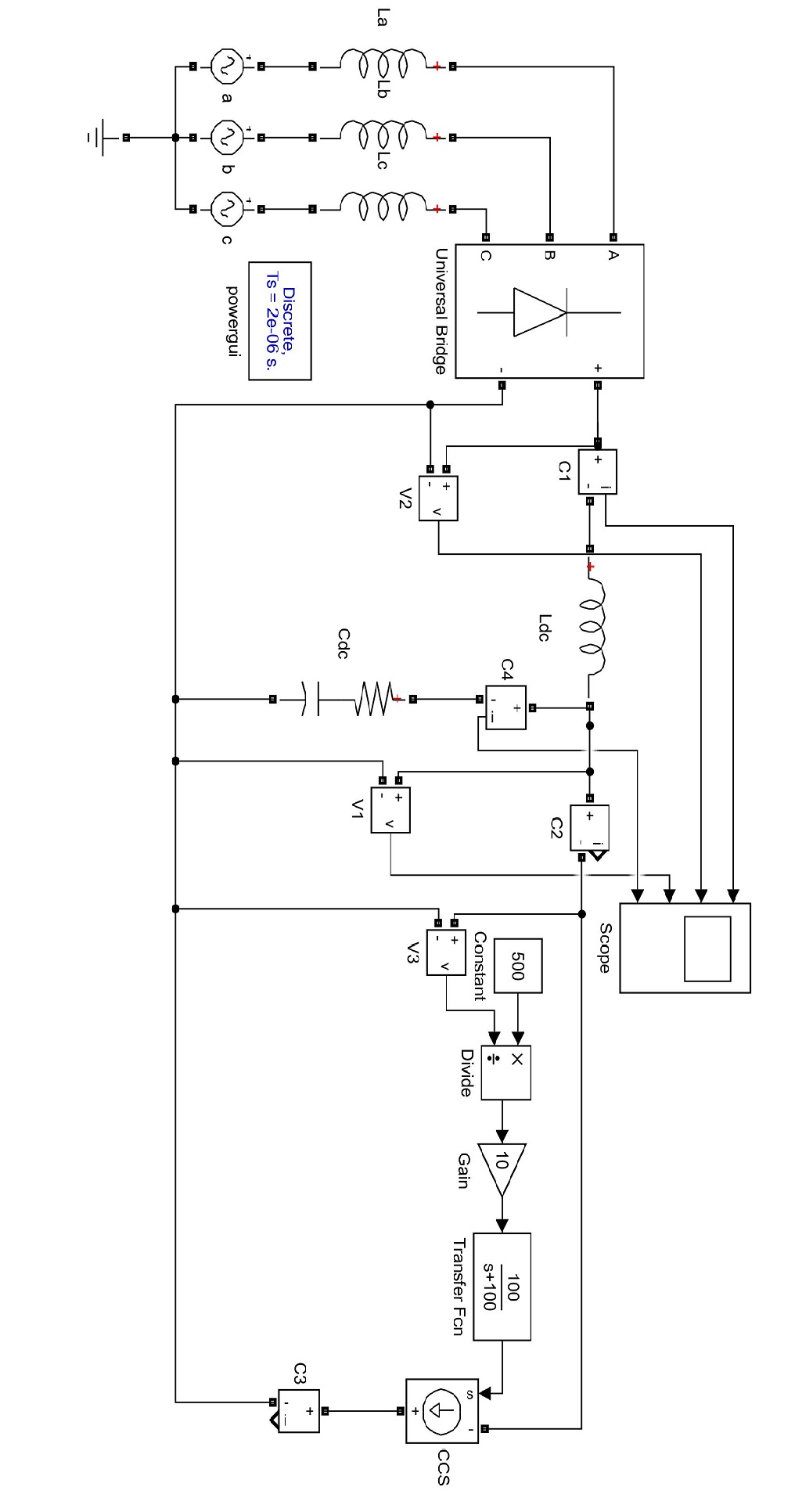
三相变频调速系统以其调速与节能方面的优势广泛用于生产生活各领域中,以下给出三相变频调速系统示意图:

图2.1 单驱动三相变频调速系统
图2.1单驱动三相变频调速系统及其简化的等效阻抗模型。由图可看出三相变频调速系统主要由三相电源、三相整流环节、LC滤波环节、三相逆变环节与所驱动的电机部分构成。其中LC滤波环节的电容即直流环节的电容就是本文要进行寿命评估的对象同时只考虑三相电源驱动一个电机的情况。
三相变频调速系统在正常运行的任何时刻,两个输入电源通过两个二级管连接到直流环节以及负载上,因此整个系统可以简化为一个RLC电路[10]。以下给给出三相变频调速系统的等效阻抗模型:
图2.2 变频调速系统等效阻抗模型
图2.2为三相变频调速体统的等效阻抗模型其中,Lg为电网阻抗,L与C为直流滤波环节的电容与电感,
用来模拟负载的功率。由图2.2可得出三相变频调速系统的谐振频率与阻尼系数为:
(2.1)
2.2电网电压不平衡计算方法
影响直流环节电容寿命的因素有很多,电网电压不平衡就是其中一个重要的因素。电压不平衡度是衡量电网电压不平衡的重要指标。国内外规定了多种计算三相电压不平衡的方法。
(2.2)
式(2.2)为NEMA所定义的利用三相电源线电压来计算三相电压不平衡度。该方法只要测得三相线电压就可以进行三相电压不平衡度的计算。
式中:
为三相电源线电压平均值,
分别为三相线电压的有效值。
(2.3)
式(2.3)为IEEE Std 112-2004提出的用三相电源相电压来计算三相电压不平衡度。同样该方法只要测得三相电源相电压就可以进行三相电压不平衡度的计算。
式中:
为三相电源相电压的平均值,
为三相电源相电压的有效值。
(2.4)
以上是毕业论文大纲或资料介绍,该课题完整毕业论文、开题报告、任务书、程序设计、图纸设计等资料请添加微信获取,微信号:bysjorg。
相关图片展示:







您可能感兴趣的文章
- 一种确定磁探针集总电路参数的标定方法外文翻译资料
- 一种人体可接触的大气压低温等离子体射流装置研究(适合电气B方向)毕业论文
- 氩氧中大气压DBD放电特性研究(适合电气B方向)毕业论文
- 大气压氩等离子体射流放电影响因素的仿真研究(适合浦电气B方向)毕业论文
- 含氧高活性均匀DBD改性聚合物薄膜研究(适合浦电气B方向)毕业论文
- 反应器结构对气液两相DBD放电特性的比较(适合浦电气B方向)毕业论文
- 南京某公司研发楼电气设计毕业论文
- 金帆北苑地块经济适用住房——02栋商住楼电气设计(适用于浦电气1004~06A方向学生)毕业论文
- 扬州人武部大楼电气设计毕业论文
- 金帆北苑地块经济适用住房——04栋商住楼电气设计(适用于浦电气1004~06A方向学生)毕业论文


