三电平有源电力滤波器的设计与仿真毕业论文
2020-02-18 10:49:50
摘 要
随着科学的不断发展,电力电子技术在社会各个领域中的应用愈来愈多。但是有一个问题一直影响着工业生产,对很多方面带来危害,那就是谐波问题。所以,这个问题也逐渐引起了更多人的注意,人们也在解决此问题的道路上付出了很多心血。发展到如今,一个主流的方法就是采用有源电力滤波器来消除谐波所带来的危害。而本文所研究的三电平有源电力滤波器正是对传统的两电平有源电力滤波器在性能上进行改善,得到更好的效果。
首先,本文对NPC型三电平APF的基本工作原理、电路拓扑等进行了分析。分析其具体构成以及工作方式。
其次,根据三电平APF构成的框架,我们分别对谐波检测、电流跟踪控制以及PWM调试方式这三个模块进行了逐个的分析以及设计。
最后,我们通过MATLAB中的Simulink模块对各个模块进行搭建,构成整个三电平APF系统,经过多次调试,最终设计出了模型并得到了理想的结果。
关键词:有源电力滤波器;谐波检测;三电平;PWM
ABSTRACT
With the continuous development of science, power electronics technology is increasingly used in various fields of society. However, there is a problem that has always affected industrial production, which is harmful to many aspects, that is, harmonic problems. Therefore, this problem has gradually attracted more people's attention, and people have put a lot of effort into solving this problem. To this day, a mainstream approach is to use active power filters to eliminate the hazards of harmonics. The three-level active power filter studied in this paper is to improve the performance of the traditional two-level active power filter, and get better results.
Firstly, this paper analyzes the basic working principle and circuit topology of NPC type three-level APF. Analyze its specific composition and working methods.
Secondly, according to the framework of the three-level APF, we analyze and design the three modules of harmonic detection, current tracking control and PWM debugging.
Finally, we built each module through the Simulink module in MATLAB to form the whole three-level APF system. After several times of debugging, the model was finally designed and the ideal result was obtained.
Key words: Active power filter; harmonic; three-level; PWM
目录
第1章 绪论 4
1.1 研究背景及意义 4
1.2 国内外研究现状 4
1.3 有源电力滤波器原理及三电平拓扑 6
1.3.1 APF的基本原理 6
1.3.2 二极管钳位型三电平APF 7
1.4 本文主要研究内容 7
第2章 谐波检测 9
2.1运算方法 9
2.2运算方法 11
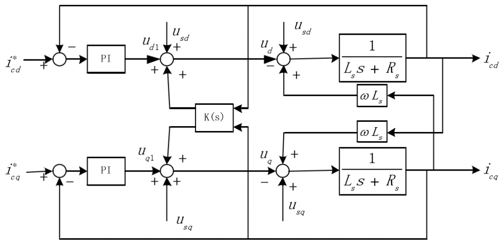
第3章 电流跟踪控制 13
3.1 滞环控制 13
3.2 PI控制 14
第4章 PWM调制策略 17
4.1 三电平APF电路工作原理 17
4.2 PWM调制方式 20
4.2.1 载波调制法 20
4.2.2 空间矢量脉宽调制法 21
第5章 三电平APF的仿真 24
5.1 APF系统仿真设计步骤 24
5.2 APF系统仿真模型的搭建 24
5.2.1 APF系统整体仿真模型以及参数设定 24
5.2.2 APF主电路模块 25
5.2.3 非线性负载模块 26
5.2.4 谐波检测模块 26
5.2.5 电流控制及PWM信号模块 27
5.3 仿真结果 27
第6章 总结与展望 31
参考文献 32
致谢 34
绪论
研究背景及意义
电力系统的谐波问题其实在很早之前就被人们所意识到。二十世纪五六十年代,因为电力的广泛化,此问题也有越来越多人重视。随着电力电子技术的成熟化,谐波的影响也逐步增加。所以这个刻不容缓的问题引起了更多人们的关注,人们也开始致力于这方面的研究。
在电力电子以及电力系统等领域中的谐波抑制和无功功率补偿是突出的问题,由于电子功率器件的使用越来越多,这一类问题影响越来越大。与此同时,由于电子技术的快速发展,在抑制谐波和补偿无功功率方面有了很多重大的进步。
谐波的危害是很多的。谐波会降低电能的生产、传输和使用效率,并导致电气设备过热、振动和噪音,加快绝缘材料的老化,使设备寿命减少,严重时可能使设备故障甚至烧毁。谐波还可能导致继电保护等设备故障[1]。
随着电力技术的发展,电力电子技术是对之后很多领域的科学技术发展起着支撑性的作用。然而,电力电子器件引起的谐波问题已经成为电力电子技术发展过程中的主要障碍, 这让人们不得不对谐波问题提高重视,也迫使人们在解决这方面问题上做出更多的努力。
在控制污染和保护绿色环境方面,谐波研究也有着它的意义。在电力电子领域,对“绿色能源”的需求也是在不断的增加。目前,保护全球环境已成为全球人民的共同认知。能源系统中谐波的处理也成为电力领域所必须要解决的问题[2]。
国内外研究现状
解决电子功率器件和其他波源中的谐波污染问题有两个主要的思路:一是安装谐波补偿装置来补偿谱波,这个方法可以适用于不同来源的谐波;另一个是修改电子装置本身使其不产生谐波,但是,这种方法只可以用作电力电子器件为主要谐波来源的情况。
使用LC滤波器是消除谐波的最常用的方法。通过这种方法我们可以实现补偿谐波和无功功率的功能。它的主体框架比较简单。这种方法的主要缺点是补偿特性取决于电网的阻抗及其工作状态,并且容易和系统产生并联谐振。如果一旦产生谐振,电路中的谐波就会更多,严重时可能会使滤波器过载甚至废弃。不过由于种种限制,LC滤波器在目前还是最普遍的谐波补偿工具。
二十世纪七十年代以来,人们对于有源电力滤波器(Active Power Filter——APF)的研究付出了更多的汗水。在1969年,英国科学家Bird等在经过一系列实验之后提出了一种向交流电源注入三次谐波电流的方法。多次的实验证明,通过这个方法电源电流的波形得到很好的改善,而此方法也正是有源电力滤波器所产生的思想。在1971年,日本的Sasake和Machida通过对之前知识的研究,设计出了有源电力滤波器的雏形。但由于当时的技术水平原因,整个系统的损耗很大,并且所需成本也极高,因此并没有使其在实际中得到应用。
1978年,英国的Gyagyi和Steycula在一系列研究后得出了一种通过PWM变流器构成的有源电力滤波器。有源电力滤波器的概念也因此得到了正式的确立。PWM变流器是一种十分理想的电流发生电路,但由于当时科技水平的局限性,全控器件还没有发展成熟,所以这最终也只能局限于实验室。
直到八十年代以来,随着技术的进步,全控型半导体器件也趋向成熟。这些技术的发展也带动了PWM控制技术的发展,以及对谐波电流检测方法的研究,有源电力滤波器一直在进步。
现在,解决谐波问题的主要方法之一就是使用APF。APF是一种用于动态抑制谐波、补偿无功的新型电力电子装置。其基本原理是检测补偿对象的谐波电流,补偿装置产生与该谐波电流大小相等极性相反的补偿电流,使得电网中的电流仅包含基波分量[3]。并且由于其自身的原理,APF可以监视和补偿可变频率和幅度的谐波,补偿属性与网络阻抗无关。因此,它已经广泛地普及。
而本文研究的三电平有源电力滤波器与传统两电平有源电力滤波器相比有一些优势。1、可以实现动态电流补偿来消除谐波,使波形有更好的跟随性。2、能减少谐波导致的停电故障,使网络更加稳定。3、能够减少谐波在各个传输器件中的发热,减少损耗。4、能够提高电源利用率从而减少运营成本。5、有着更高的功率因数,使系统的效率变高。
有源电力滤波器原理及三电平拓扑
APF的基本原理
图1.1 并联型APF系统构成
根据有源电力滤波器接入电网的方式,可以将其构成分为两大类,并联型和串联型。下面以并联型为例说明。
如上图所示为最基本的并联型有源电力滤波器系统构成的原理图。图中,es为交流电源,is为电网电流,iL为负载电流,ic为补偿电流。负载为谐波源,它产生谐波并消耗无功。APF系统一般是由两个结构所组成的,即指令电流运算电路和补偿电流发生电路。指令电流运算电路的主要功能就是检测出谐波源中的谐波和无功等电流分量。补偿电流发生电路的作用是根据指令电流运算电路得出的补偿电流的指令信号,产生实际的补偿电流[4]。
这里我们简单介绍图中APF的工作原理。首先通过工具测量出补偿对象也就是非线性负载的电流。负载电流经过指令电流运算电路,通过检测以及运算,我们可以得到所需要的信号。将对应的信号输入到跟踪电路以及驱动电路,我们可以得到需要的信号。这个信号将会通过PWM形式控制主电路中各个开关管的开通关断状态。最终主电路可以输出一个补偿电流即为谐波电流,可以与负载的谐波电流相对消。这样就可以得到理想的电源电流。
上述原理可用下面公式描述。
(1.1)
(1.2)
(1.3)
(1.4)
式中 ——负载电流的谐波分量、——负载电流的基波分量
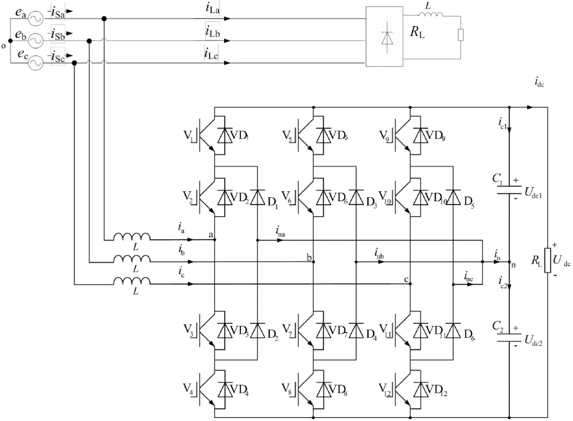
二极管钳位型三电平APF
二极管钳位型三电平APF也叫中点钳位型(NPC型)三电平APF,是最实用的也是应用最多的拓扑,其结构如图1.2所示。APF中的每一相桥臂都是由四个IGBT开关管和两个钳位二极管组成的。我们单独以一相b相为例,通过控制开关管5、6、7、8的通断,能够得到想要的输出电压,对应电平状态位-1,0,1[5]。
这种类型的APF结构较为简单,控制相对来说也不复杂,并且能达到能量的双向流动。但是这个拓扑有一个天然的缺陷,那就是中点电位容易失衡。如果长期存在此问题,会使电容的寿命大大减少,对整个系统也会造成损害。所以,一定要解决此问题。
图1.2 NPC型三电平APF拓扑
本文主要研究内容
针对电力系统中大量使用非线性负载所导致的谐波污染问题,三电平有源电力滤波器作为一种用于动态谐波抑制的滤波设备,具有良好的发展前景和研究价值。本文在对有源电力滤波器的发展历史及现状调研的基础上,设计一个三电平有源电力滤波器,确定其主电路拓扑结构,确定其谐波检测方法和电流跟踪控制策略,完成系统设计。并利用仿真软件建模仿真,验证设计的正确性。
在第1章中,我们介绍了谐波的危害,分析了有源电力滤波器产生的目的以及发展现状。之后简单介绍了其原理并分析了NPC型三电平APF的拓扑结构。
第2章,分析了APF中的谐波检测模块。分析了运算方法以及运算方法的原理并且做出其工作原理图。
第3章中,我们对电流跟踪控制模块进行了研究。对滞环控制以及PI控制进行了原理的分析以及对比。
在第4章,对PWM的调制方式做出选择。在具体分析各个IGBT管的工作情况之后,简单分析了载波调制方式以及空间矢量脉宽调制方式,最终采用SVPWM调制。
第5章,运用MATLAB中的Simulink模块对设计的各个模块进行仿真的搭建,最后将整个系统连接,进行参数的调整,最终得到理想的运行结果。
第6章中,对本文所作的研究进行了总结,并对进一步的研究给出了方向。
谐波检测
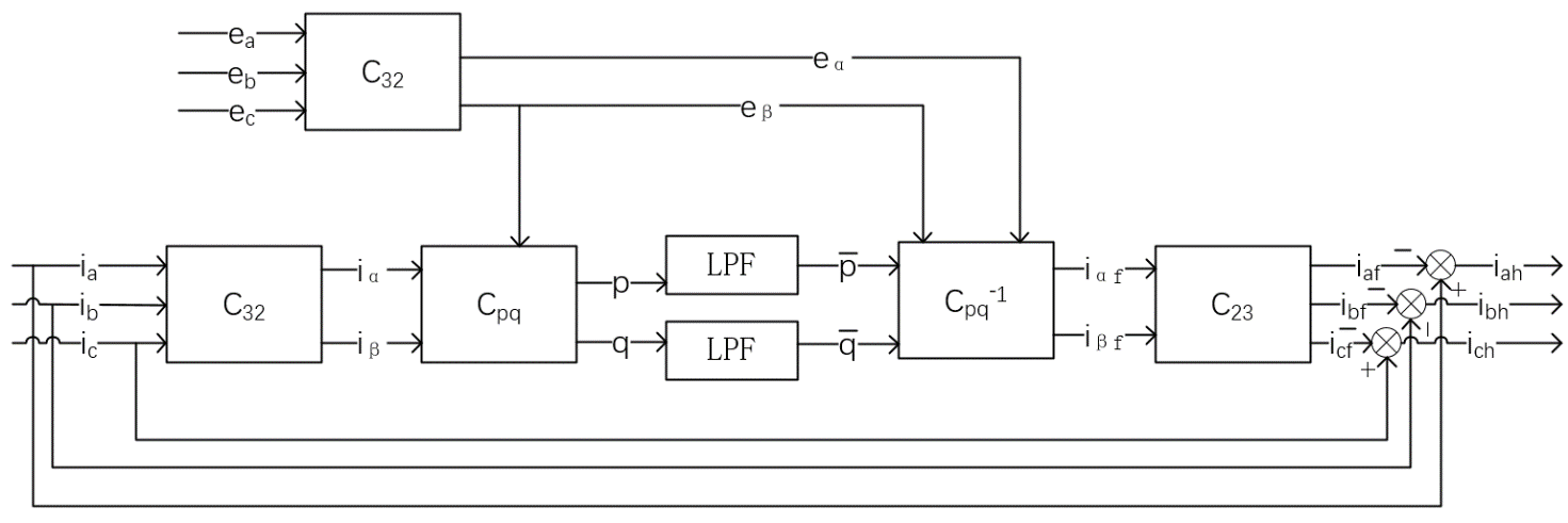
谐波检测是有源电力滤波器中十分重要的一个环节。这个过程主要是通过检测以及计算,得出谐波源电流中的谐波分量。在目前工程中应用最多的一类检测谐波的方法即基于瞬时无功功率理论的瞬时空间矢量法[6]。在对这方面的研究中,逐步产生了三个比较完善的方法,即运算方法、-运算方法以及运算方法。
其中运算方法可以检测电网电压十分理想情况下的谐波电流,这种方法也是我们最常使用的方法。-运算方法可以在电网电压不对称并且有畸变的情况下检测,但准确度却因为自身的原因不能有十分完美的保证。而运算方法因为时通过坐标变换实现,所以可以在电网电压不稳定、有变形的情况下也可以十分准确的检测出谐波电流。
本章我们主要分析运算方法以及运算方法的原理以及工作情况。
运算方法
我们假设电路中各个相的电压和电流的瞬时值分别为、、以及、、。为了让问题可以跟直观、简单的让我们分析,这里我们选择将电压电流的瞬时值转换到坐标系下。这样使三相转化为两相,我们的分析计算可以简化不少。变换后我们得到两相的瞬时电压和电流分别为、以及、。
(2.1)
(2.2)
式中
。根据此做出矢量图如下。
图2.1 坐标系下电压电流矢量图
通过两相的瞬时量我们可以合成旋转的电压和电流矢量、。
(2.3)
(2.4)
其中电流可以通过分解坐标方式分解为瞬时有功、无功电流和。
(2.5)
(2.6)
式中
。
根据上述量,我们可以计算出电路中的瞬时有功、无功功率、。
(2.7)
(2.8)
将式(2.5)、式(2.6)分别带入式(2.7)、式(2.8)得式(2.9)。
(2.9)
式中
。
把式(2.1)、式(2.2)代入上式,可以算出、的表达式。
(2.10)
(2.11)
而后,我们可以通过的逆矩阵,将两相转换回三相,可以使结果返回到网络中进行计算。
图2.2 运算方法原理图
根据前面的推导我们可以通过已知量计算出、。使其经过低通滤波器的作用我们可以得到其的直流分量、[7]。在电网状态理想既电压波形对称且没有畸变的情况下,由于将高次谐波过滤,我们得到的、就是基波电流与电压产生的有功、无功功率。然后再通过之前转换的两个逆矩阵,可以计算出检测电流的基波分量、和。
(2.12)
显然,用负载的检测电流减去电流的基波分量,就可以得到我们想要的电流中的谐波分量、和。这样就完成了谐波检测的任务。
运算方法
由于上文所谈论的运算方法的局限性即电网电压必须是没有发生畸变的情况下才能正常工作,所以现在人们应用的更多的一种方法就是运算方法。此方法是在派克变化的基础上实现。派克变换主要的应用领域就是分析同步电机使用。这种变换是通过将定子的三相电流变换到了与转子同步旋转的坐标中,使三相电流在分析使有着直流状态的性质,让问题分析变的更简单。而在谐波检测的这个环节里,我们也可以通过这样的原理来进行检测分析。因为电流的性质,在进行派克变换之后,电流的基波正序分量在坐标系下是以直流的形式存在。而电流的基波负序分量和谐波分量在坐标系下是以交流的形式存在[8]。显然,我们可以通过低通滤波器来帮助我们得到电流的基波正序分量。
图2.3 运算方法原理图
以上是毕业论文大纲或资料介绍,该课题完整毕业论文、开题报告、任务书、程序设计、图纸设计等资料请添加微信获取,微信号:bysjorg。
相关图片展示:







您可能感兴趣的文章
- 一种确定磁探针集总电路参数的标定方法外文翻译资料
- 一种人体可接触的大气压低温等离子体射流装置研究(适合电气B方向)毕业论文
- 氩氧中大气压DBD放电特性研究(适合电气B方向)毕业论文
- 大气压氩等离子体射流放电影响因素的仿真研究(适合浦电气B方向)毕业论文
- 含氧高活性均匀DBD改性聚合物薄膜研究(适合浦电气B方向)毕业论文
- 反应器结构对气液两相DBD放电特性的比较(适合浦电气B方向)毕业论文
- 南京某公司研发楼电气设计毕业论文
- 金帆北苑地块经济适用住房——02栋商住楼电气设计(适用于浦电气1004~06A方向学生)毕业论文
- 扬州人武部大楼电气设计毕业论文
- 金帆北苑地块经济适用住房——04栋商住楼电气设计(适用于浦电气1004~06A方向学生)毕业论文


