大功率LED照明驱动电源的设计毕业论文
2020-02-18 10:49:47
摘 要
经济发展的步速愈渐加快,随之而来的能源短缺与环境污染问题已逐渐演变成亟待解决的全球焦点问题。照明用电是电能的重要去向之一,对于无污染优质光源的研究成为21世纪照明行业前进的新风向,LED因其绿色环保的特点及出色的工作性能而被寄予厚望,大功率LED也迅速地在照明行业中崭露头角。但因起步较晚且技术攻关难度大,驱动电源的效率和功率因数制约了大功率LED照明的全面推广,因而设计出有高效率与高功率因数的大功率照明驱动电源有其迫切性和必然性。
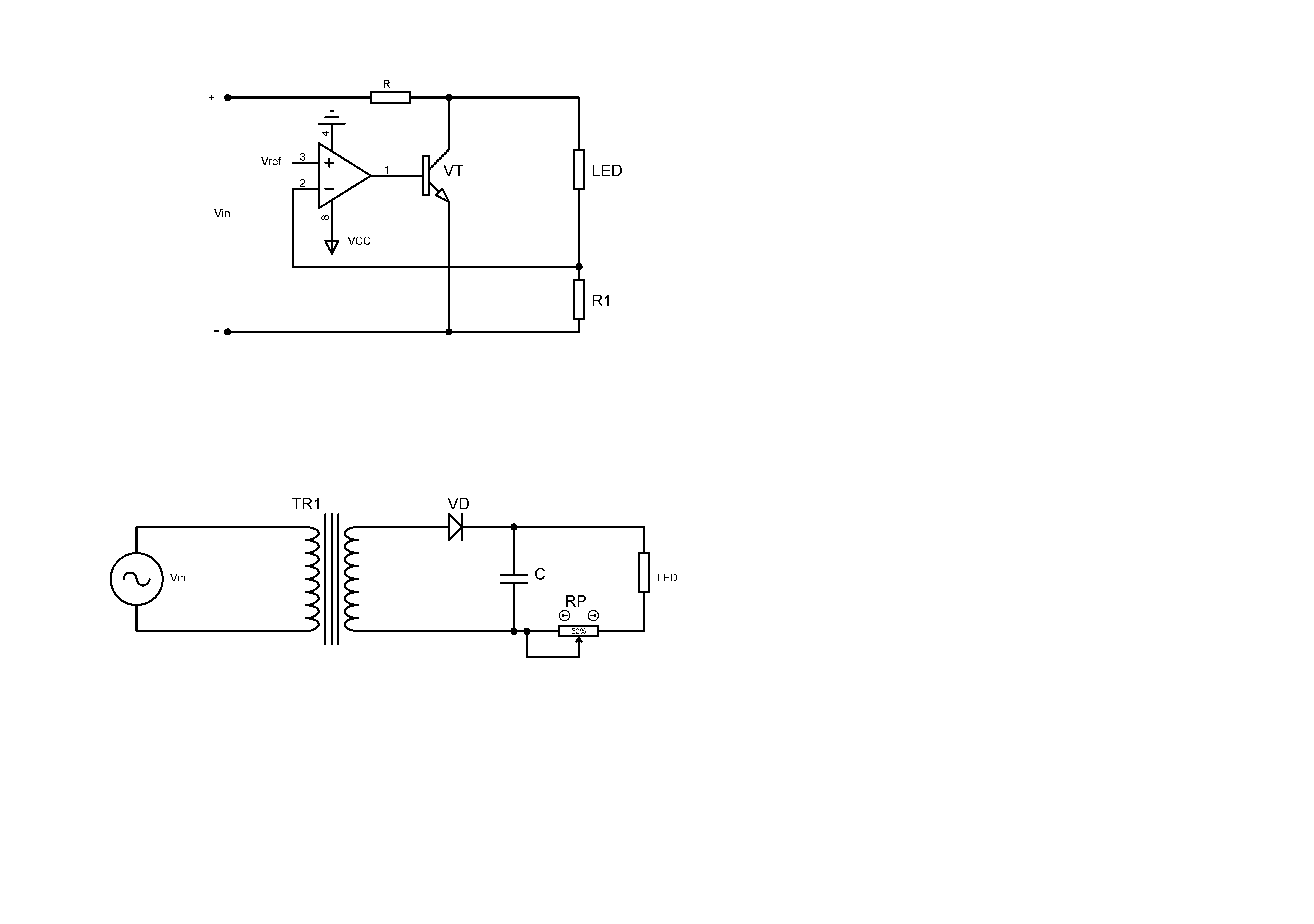
本文从设计角度出发,针对350W大功率照明负载,首先介绍LED驱动电源的相关原理,以此作为基础,结合设计要求与设计原则选定合适的电源整体电路结构;之后分析拓扑和控制方法,通过对比择优,继而确定各个部分具体的主电路和控制电路方案,并进行相关参数的计算。所设计的大功率LED照明驱动电源包括三个部分:功率因数校正电路、DC/DC变换电路和恒流恒压控制电路。功率因数校正电路采用由UC3854芯片平均电流控制的Boost型APFC拓扑,该拓扑能有效提高功率因数,实现较宽范围的负载输入;为在电压变换的过程中减少开关损耗以获得较高的电源效率,DC/DC变换通过LLC半桥式谐振电路实现,其控制芯片为UC3863;第三部分为恒流恒压电路,主要通过AP4310芯片进行电压与电流的双环控制,使负载变化时输出能在恒压与恒流模式之间进行切换。
最后,本文基于Saber软件对所设计的电路进行搭建与仿真,通过波形呈现的仿真结果表明,大功率LED照明驱动电源的性能满足输出参数、效率和功率因数的基本要求,由此证实了设计方案的正确性与可行性。
关键词:大功率LED照明;驱动电源;LLC半桥式谐振;恒流恒压;Saber仿真
Abstract
The pace of economic development is accelerating, and the consequent energy shortage and environmental pollution problems have gradually evolved into a global focus that needs to be resolved. Lighting power is one of the important directions of electric energy. The research on non-polluting high-quality light source has become a new trend in the lighting industry in the 21st century. LED is highly hoped for its green environmental characteristics and excellent working performance, and high-power LED has also emerged in the lighting industry. However, due to the late start and the difficulty of technical research, the efficiency and power factor of the driving power supply restrict the promotion of high-power LED lighting. Therefore, it is urgent and inevitable to design a high-power lighting driver with high efficiency and high power factor.
From the perspective of design, for 350W high-power lighting load, firstly, the related principle of LED driving power supply is introduced. Based on this, combined with design requirements and design principles, the appropriate power supply overall circuit structure is selected, then the topology and control method are analyzed. By comparing and selecting the best, then the specific main circuit and control circuit scheme of each part are determined, and the calculation of related parameters is performed. The designed high-power LED lighting driving power supply includes three parts: power factor correction circuit, DC/DC conversion circuit and CCCV circuit. The power factor correction circuit uses a Boost APFC topology controlled by the average current of the UC3854 chip. This topology can effectively improve the power factor and achieve a wider range of load input. To reduce switching losses during voltage conversion to achieve higher power efficiency. The DC/DC conversion is realized by LLC half-bridge resonant circuit, and its control chip is UC3863. The third part is CCCV circuit, which mainly performs double-loop control of voltage and current through AP4310 chip, so that the output energy can be constant when the load changes. Switch between voltage and constant current mode.
Finally, this paper builds and simulates the designed circuit based on Saber. The simulation results show that the performance of high-power LED lighting driver meets the basic requirements of output parameters, efficiency and power factor, thus confirming the design. The correctness and feasibility.
Key Words:high-power LED lighting;Power supply;LLC half-bridge resonant circuit;CCCV;Saber
目 录
第1章 绪论 1
1.1 研究背景介绍 1
1.2 国内外研究现状分析 1
1.3 设计的基本内容与预期目标 3
第2章 大功率LED照明驱动电源相关原理 4
2.1 LED的基本结构与发光原理 4
2.2 LED的I-V特性 4
2.3 LED负载的驱动方式 5
2.4 大功率LED驱动电路中DC/DC变换器的拓扑结构 6
2.4.1 电阻限流电路 7
2.4.2 线性调节器 7
2.4.3 开关式电源驱动器 8
2.5 功率因数校正 9
第3章 大功率LED照明驱动电源整体及详细方案设计 11
3.1 大功率LED照明驱动电源整体电路结构设计 11
3.1.1 电源设计原则 11
3.1.2 整体设计方案 11
3.2 APFC电路 12
3.2.1 APFC电路的工作模式 12
3.2.2 APFC电路的控制方式及控制芯片选择 14
3.2.3 APFC主电路及控制电路元件参数设计 16
3.3 LLC半桥式谐振电路 18
3.3.1 LLC半桥式谐振电路的基本结构 18
3.3.2 LLC半桥式谐振电路的FHA分析 19
3.3.3 LLC半桥式谐振电路的直流特性分析 21
3.3.4 LLC半桥式谐振电路的工作模态分析 22
3.3.5 LLC半桥式谐振电路控制芯片选择 25
3.3.6 LLC半桥式谐振主电路及控制电路元件参数计算 27
3.4 恒流恒压控制电路 30
第4章 大功率LED照明驱动电源仿真及结论分析 33
4.1 仿真软件介绍 33
4.2 APFC电路搭建与仿真 33
4.3 LLC半桥式谐振电路搭建与仿真 35
4.3.1 LLC半桥式谐振电路开关原理图仿真 35
4.3.2 LLC半桥式谐振电路闭环仿真 38
4.4 恒流恒压控制电路搭建与仿真 39
4.5 系统额定输入时功率因数与效率分析计算 41
第5章 总结与展望 42
参考文献 43
附录1 PFC主电路及控制电路图 44
附录2 LLC半桥式谐振电路及恒流恒压电路图 45
致谢 46
第1章 绪论
1.1 研究背景介绍
随着全球人口的持续增长,能源短缺问题逐渐凸显,各国纷纷积极寻求各种节能办法以应对日益严峻的能源危机。电能的合理利用是节约能源的重要途径,而照明作为电能的重要消耗方式之一,具有不容小觑的、巨大的技术发掘潜力。随着半导体发光技术日新月异的发展,基于LED的固态照明应运而生。相比于传统电气照明,LED照明具有体积小、寿命长、能耗低、光效高、启动快等特点,因而被公认为绿色安全的优质光源,在生产生活中的各个方面得到愈来愈广泛的应用。由此可见,大力推广LED照明是建设低碳城市、倡导绿色生活的必由之路,具有重要的现实意义。LED灯具由LED光源、散热器和驱动电源组成。作为LED灯具的重要组成部分,LED驱动电源的功率因数、控制方式和效率将直接影响整个照明系统的性能。环境温度、芯片结温、散热条件、LED驱动电源寿命、荧光粉性能衰退都可能导致LED灯具的使用寿命大幅度缩减,其中驱动电源的影响作用最为显著[[1]]。同时,驱动电源又是LED照明系统中最为薄弱的一环,当LED灯具出现死灯或闪烁等问题,检修时往往发现LED光源并未损坏,问题多数是由驱动电源发生故障而引起[[2]]。目前LED驱动电源的发展面临着诸多挑战,相比于发展得较为成熟的小功率LED驱动电源,大功率LED驱动电源由于对于照明性能和技术上有更高要求,因而面临更多困难。由于功率因数和效率等无法满足大功率LED的使用要求,小功率LED驱动电源的电路拓扑并不能直接应用于大功率LED驱动电源中,驱动电源技术成为目前限制大功率LED推广应用的瓶颈之一。因此,对大功率LED驱动电源的研究紧迫而意义重大,且具有一定的市场应用价值与行业发展潜力。
1.2 国内外研究现状分析
LED照明技术的起源可追溯到上世纪六十年代。1962年,GE、Monsanto、IBM的联合实验室开发出发红光的磷砷化镓半导体化合物,自此,可见光发光二极管步入商业化发展进程;1993年,当时的日亚化工职员中村修二发明了基于宽禁带半导体材料氮化镓和铟氮化镓的蓝光LED,这类LED在1990年代后期得到广泛应用;2006年,美国Cree公司推出冷白光LED“XP.G”,被称为“业界最亮且具有最高效率的照明级LED”,该公司在2013年推出光效为276 lm/W的白光功率型LED,再度刷新行业最高纪录。我国LED照明产业起步相对较晚,目前技术暂落后于欧日美,但发展势头迅猛:2010年,由清华大学集成光电学国家重点实验室与江苏北极皓天科技公司合作开发的大功率LED生产项目在江苏宜兴开工建设,首次突破国外半导体照明专利垄断;2012年,浙江德胜新能源公司与科研院校合作,成功突破了大功率LED照明的散热技术难题,使LED路灯、隧道灯等大功率照明达到5年光亮度基本不减。
LED驱动电源技术的不断进步与LED照明技术的飞速发展息息相关。由于需要对驱动电源的输出电压进行控制,因此DC/DC变换电路是LED驱动电源中必不可少的环节。传统的LED驱动电源电路为变压器降压电路,交流电经过变压器降压之后,再经整流及滤波后直接为LED供电。对于交流LED负载则可省略整流滤波环节,东营加文光电与浪潮华光于2010年联合研发出新型交流驱动AC LED技术,在LED灯具低成本、小型化、可靠性和延长寿命等领域取得了较大成功,填补了大陆在这一研究领域的空白。但这一技术却不太适合大功率LED驱动电源,由于LED为电流驱动元件,为了控制流过LED的电流大小,必须给LED串联限流电阻,限流电阻发热将产生较大损耗而影响电源效率。随着市场对大功率LED驱动电源效率的要求不断提高,研究人员开始尝试其他的拓扑结构,Boost、Buck和Buck/Boost拓扑开始应用于DC/DC变换器中,美国的PAM公司于2008年推出适用于太阳能供电的高功率LED驱动器PAM2842,可以工作于升压、降压、升降压三种工作方式,最大输出功率为30W。以上三种拓扑都属于非隔离型拓扑结构,使用元器件较少,成本较低,但由于LED灯与交流电源直接相连而无变压器隔离,将大大增加触电几率。为消除这一安全隐患,包括正激式、反激式、推挽式和谐振式在内的隔离型拓扑结构被推广使用,安森美半导体公司在2015年4月推出了一款输出为60W的单端反激式驱动结构的LED驱动电源,可将输出电流纹波控制在2%以内。反激式变换器的技术虽较为成熟,但其输出功率和实现的驱动电源效率均较低,无法满足大功率LED的要求,谐振式变换器则很好地解决了这两个问题,其中,LLC谐振变换器更以其优异的性能逐渐受到大家的青睐。近几年,随着集成电路技术发展愈渐成熟,LLC利用单片机编程实现的控制策略逐渐被日益兴起的控制芯片集成技术取代,研究人员将PWM波集成到芯片中,从而极大地简化了设计过程,例如ST公司推出的L6599芯片,TI公司生产的控制芯片UCC25600,以及Power Integration公司的HiperLCS系列控制芯片[[3]]。目前在大功率LED驱动电源领域,许多国家都取得了较为突出的研究成果,并陆续推出可满足不同用户需求的产品:欧洲Integrated System Technologies公司于2007年推出输出功率为210W的三通道大功率LED驱动器iDrive 1000,其功率密度非常高,并可通过脉冲幅度调制驱动技术和ColourCool散热管理系统来确保最优化LED输出和寿命;同年,日本ROHM株式会社开发出大功率LED驱动器模块,即将驱动电源的控制电路、开关元件、变压器和恒流电路封装成一个完整的模块,并使用电流检测电路以减少损耗。美国在大功率LED驱动电源的产业技术开发上一直处于领先地位,美国国家半导体公司于2007年推出共阳电流模式大功率LED驱动电源芯片LM3433,可通过输出负恒流使LED的阳极直接连接接地参考底盘,以提高散热器的散热能力,其DC/DC变换部分采用较短固定导通时间结构的降压恒流稳压器,因而无需加设输出电容器;2011年,美国TI公司推出双极多串LLC拓扑架构,相比传统的大功率LED驱动架构,省掉了昂贵的多串高压DC/DC降压器,改为多个变压器串联的LLC谐振电路,使元器件数量大幅减少,并将效率提升至92%。在中国,大功率LED驱动电源行业正处于蓬勃发展的状态,2008年,英飞特公司发布应用于LED照明领域的EWV系列AC-DC驱动电源,可提供超过150W的稳定输出功率,电源效率最高达到95%。
1.3 设计的基本内容与预期目标
设计的基本内容主要是在对于大功率LED驱动电源的结构原理研究分析的基础上,结合用户的实际需求设计一款输出功率为350W的LED照明驱动电源,要求如下:输入电压为交流85~264V AC/50Hz,控制模式为恒定电流/恒定电压,具有0.9以上的功率因数及0.9以上的工作效率。针对设计要求确定该电源电路拓扑结构和控制策略,完成系统硬件电路设计及参数选择,并利用仿真软件验证设计的正确性。
本文第2章主要介绍大功率LED驱动电源设计所涉及的相关原理,包括LED的发光原理和特性、LED的驱动方式、大功率LED驱动电路中DC/DC变换器的拓扑,最后探讨电源的功率因数校正问题;第3章从大功率LED驱动电源的设计要求与设计原则出发,确定大功率LED驱动电源系统的整体设计方案,之后细化整体方案,将驱动电源分为PFC电路、DC/DC变换电路、恒流/恒压电路三个部分,对每一部分电路进行拓扑选择,并详细地计算了相关参数;第4章则利用Saber仿真软件搭建电路,对各部分电路分别仿真,并分析仿真结果与波形曲线,最后得出结论;第5章总结了本设计的过程及成果;最后是参考文献、附录和致谢。
第2章 大功率LED照明驱动电源相关原理
2.1 LED的基本结构与发光原理
LED(Light Emitting Diode),即发光二极管,其为一种采用电致发光原理、能够将电信号转化为光信号的半导体器件,被固定在导电、导热的金属支架上,支架上延伸出两根引线,其中有反射杯的为阴极,另一根即为阳极,若两根引线长短不一时,较短的一根即为阴极,为保护芯片,其四周用环氧树脂密封。常见的LED的基本结构十分清晰,主要由PN结芯片、光学系统和电极组成。
当加正向电压时,空穴由P区注入N区,电子由N区注入P区,当非平衡少数载流子与多数载流子复合时,会以辐射光子的形式将多余的能量转化成光能。其发光过程包含三个部分:正向偏压下的载流子注入、复合辐射和光能传输。LED的发光体,同时也是其核心部分——晶片由P型半导体和N型半导体组成,并被封装于洁净的环氧树脂填充物中,当电子经过晶片时,处于高能态的电子移动到带正电的空穴区域与其发生发光复合,二者消失的同时辐射光子[[4]]。电子与空穴能级的高低差影响发光复合后光子的能量,二者之间带隙越大,复合所产生的光子的能量就越大,不同能量的光子对应光谱中的不同波长的光,由于不同材料带隙不同,因而所能发出光的颜色也不尽相同。
2.2 LED的I-V特性
以上是毕业论文大纲或资料介绍,该课题完整毕业论文、开题报告、任务书、程序设计、图纸设计等资料请添加微信获取,微信号:bysjorg。
相关图片展示:







您可能感兴趣的文章
- 一种确定磁探针集总电路参数的标定方法外文翻译资料
- 一种人体可接触的大气压低温等离子体射流装置研究(适合电气B方向)毕业论文
- 氩氧中大气压DBD放电特性研究(适合电气B方向)毕业论文
- 大气压氩等离子体射流放电影响因素的仿真研究(适合浦电气B方向)毕业论文
- 含氧高活性均匀DBD改性聚合物薄膜研究(适合浦电气B方向)毕业论文
- 反应器结构对气液两相DBD放电特性的比较(适合浦电气B方向)毕业论文
- 南京某公司研发楼电气设计毕业论文
- 金帆北苑地块经济适用住房——02栋商住楼电气设计(适用于浦电气1004~06A方向学生)毕业论文
- 扬州人武部大楼电气设计毕业论文
- 金帆北苑地块经济适用住房——04栋商住楼电气设计(适用于浦电气1004~06A方向学生)毕业论文


