地铁再生制动能量回馈变流器的仿真分析毕业论文
2020-02-18 10:49:43
摘 要
自二十一世纪开始,世界上能源危机越来越严重,研究新能源和减少不必要的能源浪费成为世界上能源继续向前发展的必要措施。在大城市中,地铁是其重要的交通工具,同时也是城市中最大的耗电场所之一。因此,如何把地铁再生制动能源回馈给电网是当前研究电力电子技术的热点之一。
本文的主要内容是进行了四种地铁再生制动能量吸收方案的研究,并通过对比分析现有的再生制动能量利用方案,最终确定使用逆变回馈方案。设计主电路,使其满足毕设要求,再计算其参数,包括IGBT、LCL滤波器、升压变压器的参数。然后是PWM控制系统,PWM闭环控制系统采用的是电压电流双闭环控制系统,三相输出的电压电流环都采用PI调节,可以非常有效的提高系统稳定性。
本文主要希望通过Matlab/Simulink仿真平台来实现地铁再生制动能量回馈变流器的仿真,通过调节参数,观察波形变化,得出仿真结果。
关键词:地铁;逆变回馈;LCL滤波;PWM
Abstract
Since the beginning of the 21st century, the world's energy crisis has become more and more serious. Studying new energy sources and reducing unnecessary energy waste have become the necessary measures for the world's energy to continue to develop. In the big cities, the subway is an important means of transportation and one of the largest power-hungry places in the city. Therefore, how to return the regenerative braking energy of the subway to the power grid is one of the hotspots in the research of power electronics technology.
The main content of this paper is to study the four kinds of subway regenerative braking energy absorption schemes, and to compare and analyze the existing regenerative braking energy utilization scheme, and finally determine the use of inverter feedback scheme. Design the main circuit to meet the requirements of the design, and then calculate its parameters, including the parameters of IGBT, LCL filter, step-up transformer. Then there is the PWM control system. The PWM closed-loop control system uses a voltage and current double closed-loop control system. The voltage and current loops of the three-phase output are all adjusted by PI, which can effectively improve the stability of the system.
This paper mainly hopes to realize the simulation of the regenerative braking energy feedback converter of the subway through the Matlab/Simulink simulation platform. By adjusting the parameters and observing the waveform changes, the simulation results are obtained.
Key words: Subway; Inverter Feedback; LCL filtering; PWM
目录
摘要 Ⅰ
Abstract Ⅱ
第1章 绪论 1
1.1 研究的目的及意义 1
1.2含国内外的研究现状分析 1
1.3论文章节安排 3
第2章 地铁再生制动能量吸收方案研究 5
2.1本文研究的基本内容及目标 5
2.2四种地铁再生制动能量吸收方案 5
2.2.1 电阻消耗型 5
2.2.2 电容储能型 6
2.2.3飞轮储能型 6
2.2.4逆变回馈型 7
2.3 方案对比与选择 9
2.4 本章小结 9
第3章 地铁再生制动能量逆变回馈系统参数计算 11
3.1 逆变回馈系统主电路设计 11
3.2 电路元器件参数计算 15
3.2.1 IGBT参数计算及选择 15
3.2.2 LCL滤波器参数计算 15
3.2.3 三相升压变压器的参数计算 17
3.3 PWM的控制策略 17
3.3.1 锁相环(PLL)的原理 17
3.3.2 dq变换的原理 18
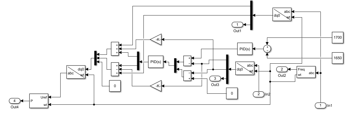
3.3.3 电压、电流环PI调节器参数计算 20
3.4 本章小结 21
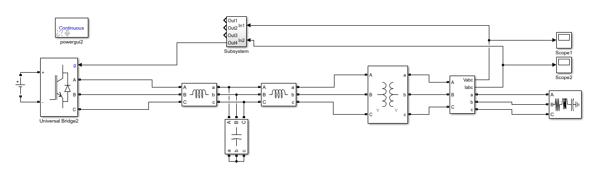
第4章 地铁再生制动能量逆变回馈系统建模与仿真 22
4.1 逆变回馈系统仿真模型 22
4.2 仿真结果及其分析 24
4.3 本章小结 28
第5章 总结与展望 29
5.1总结 29
5.2展望 29
参考文献 31
致谢 33
第1章 绪论
1.1 研究的目的及意义
到目前为止,二十一世纪已经过去二十个年头了。回想起二十世纪九十年代,你会感觉到在这二三十年里,我国发展之快,从一个贫穷落后的国家发展成为一个世界前三的世界级大国经济体。随着我国经济如同火箭般的高速发展,国民的追求由温饱方面向精神方面前进。人民饭饱茶足之下,更多的关注生活环境问题。然而,经济的发展往往伴随着各种各样的问题,尤其是大气污染和交通堵塞问题。北京的雾霾以及百度地图上的那一条深红的线,往往令人感到无奈。城市居民的生活质量都因为严重的环境污染及交通堵塞问题而大大下降。所以,城市轨道交通这种既方便快捷又环保绿色的交通工具是时候建立起来了。城市轨道交通,也就是俗称的地铁,其具有低噪音、舒适快捷、载客量大、节省陆地空间、一天内运行时间长、开车次数多等优点,是大城市缓解城市交通堵塞问题的最佳选择,也是大城市发展公共交通的根本方针[1]。在我国政策的引导及各城市的努力下,我国地铁得到了高速稳定的发展,无论是建设规模还是发展速度都是世界城市轨道交通发展史上不曾有过的[2]。
对于现有的城市轨道交通工程中,列车车辆的制动方式采用的是再生制动和机械制动,因为列车的制动能量很大,机械制动会产生很大的摩擦及摩擦热,所以在制动过程中以再生制动是主要制动方式,再辅以机械制动,可以有效的保护列车。地铁列车在行驶过程中,由于车站与车站之间距离比较短,每一站列车都要制动和启动,使得列车的制动能量相当可观。电阻能耗吸收装置是目前国内列车在行驶过程中对再生能量的主要处理方式,这不仅仅浪费了大量的能量,还使车站内的温度上升。此外电阻能耗吸收装置如果是装在了车上,会使得车身重量大大增加,增加了城市轨道的建设难度和费用以及运行费用。逆变型能量回馈吸收装置有很多优点,其中最重要的是每一个装置的容量可以做的很大,而且相对于其它装置来说占地面积少。所以对于如此之多的再生制动能量,如果可以完全利用起来,不仅仅可以提高能量的利用率,还可以把制动能量回馈到交流电网中以供其他设备使用,可以非常有效的减少能量的浪费。整个逆变型能量回馈吸收装置不需要装设储能元件,也没有电阻耗能而使温度上升,对环境影响小,易于维护。
本文研究的目的是在合理的方案下,实现列车再生制动能量的回馈利用,降低能量浪费,符合节能减排的要求,以建设安全、绿色、节能的新时代地铁。
1.2含国内外的研究现状分析
从1863年伦敦建成世界上第一条地铁开始,到现在已经有150多年的历史了,世界上超过了50个国家的300多个城市建设了地铁,其长度达数万公里[3]。随着地铁的发展,有关于地铁的技术得到了极大的进步与创新。现在地铁的发展已经基本上集中在速度、舒适程度、安全可靠以及节能环保上,其他的就不讨论了,本文主要讨论如何节能。因地铁具有低噪音、快捷舒适、载客量大、节省陆地空间、一天内运行时间长、次数多等优点,符合我国可持续发展要求,对于大城市这种人多地少经济又好的地方来说非常合适建立轨道交通网络[4]。但随着地铁的飞速发展,地铁的耗电量也有很大幅度的提高。截至2017年底,我国运营轨道交通总里程约4000公里,有2700多座车站。据规划,全国地铁总历程未来将达到1.4万公里,涉及80个城市。未来预计年耗电将达400亿度, 约占未来全国总电耗的5‰以上[5],如何降低地铁车站电耗已成当务之急。所以,现在当务之急是如何建设一个节能环保的城市轨道交通体系。而对于地铁交通体系,拥有大量的制动能量,因此,如何高效的把这些能量再利用是目前地铁再生制动能量的研究目的之一,也是节能减排、可持续发展的要求之一。
在“十三五”期间,国家预计会投资1000亿元用于城市轨道交通的节能方面,这从国家层面上体现出地铁再生能量利用的重要性,并且对地铁的发展和应用有着积极向上的作用。地铁再生制动能量利用技术是现代地铁的重要研究方向,也是节能减排的要求目标之一,有利于国家可持续发展战略的推进。
如何能更好的利用地铁再生制动能量是地铁再生制动能量技术在应用和发展中的研究重点。到目前,国内外地铁制动能量回收方案主要分为四种类型:电阻消耗型、电容储能型、飞轮储能型以及逆变回馈型[6]。
电阻消耗型:通过电阻吸收地铁制动时所形成的能量。这种制动能源吸收方式简单方便、技术成熟、便宜等特点。但是这种吸收方式往往会让制动能量浪费在电阻热上,使得大量的制动能量不能得到充分利用,不仅如此,制动能量变成了热量,使隧道的温度大大提高和空气质量下降严重影响到隧道内的列车和乘客,而且需要很多风机来降温,进一步消耗能量[7]。
电容储能型:利用超级电容来吸收地铁制动时所形成的能量。这种制动能源吸收方式有效的储存制动能量,而且对超级电容的维护也极为方便,但超级电容的体积太大了,在隧道这种地府反而不好。国内对超级电容的开发研究还不足应用于地铁上,所以只能从国外进口,主要有德国西门子研发生产超级电容储能装置。此外,有一些制动能量过大的线路,超级电容的效果不是很好。对于电容储能,国内外都有其发展史。2001年,德国科隆首次使用超级电容储能系统;2007年,SIMENS公司的SITRAS SES超级电容储能产品在北京地铁5号线正式投入使用;2016年,在广州地铁部分线路投入使用由国内首套自主知识产权的1500V地铁车用超级电容[8]。
飞轮储能型:通过飞轮的动能来吸收地铁制动时所形成的能量。这种制动能源吸收方式节能效果良好,但飞轮储能并没有在国内有应用的实例,如果要用这个方案,只能进口了。2000年初,德国汉诺威的城市轨道交通系统投入使用了四套飞轮储能装置,其中两套置于牵引变电站中,用于再生制动能量的储存,另外两套摄于轨道线路上,用于稳定电网电压,这套装置是飞轮储能在轨道交通应用的典型代表[9]。英国的UPT电力公司也研发生产了成套的飞轮储能装置。
逆变回馈型:将列车制动能量回馈给电网,可以最大效率的利用回馈能量。在国外早就对逆变回馈装置的应用有了很深的研究,德国西门子和日本已研发出成套装置。例如,东京地铁的部分线路已经采用PWM整流变电站技术,其直流供电网的电压控制和再生制动能量吸收效果良好,同时减小了回流线的迷流,有利于保护地下管道[10]。国内对PWM变流器的逆变技术研究已经很成熟了,但PWM变流器技术在地铁供电系统的应用起步较晚,目前还没有广泛应用。
地铁采用的再生制动能量处理的四种方案,除了电阻消耗型外,其余三种方案都充分利用了再生能量,但也有各自的缺陷。逆变回馈型再生制动能量吸收装置可以将地铁列车的制动能量经过逆变后回馈给中压电网,实现能量的再利用、改善环境的目的,符合国家节约能源的基本国策。如果能在国内地铁广泛采用此项技术,必将产生巨大的经济和社会效益。因此,建立精确的仿真模型,研究基于逆变回馈的再生制动能量吸收装置,是十分必要的。
1.3论文章节安排
本文章节具体安排如下:
第一章绪论。主要介绍了地铁再生制动能量回馈研究的目的和意义,还有到目前为止,国内国外对本课题的研究现状。通过本章内容,我们可以了解到国内外对地铁再生制动能量是如何处理利用的,也让我们明白研究地铁再生制动能量回馈的目的和意义何在。
第二章地铁再生制动能量吸收方案研究。通过对比四种再生制动能量吸收方式来说明研究逆变回馈型再生制动能量吸收方案的原因,即用其他几种方案来衬托逆变回馈型方案的优点,或者说意义。
第三章地铁再生制动能量逆变回馈系统参数计算。一是设计主电路,在研究并理解论文要求之后设计出符合要求的电路。二是参数计算,计算参数是为了仿真,为了模拟。在给定几个参数的情况下,算出其他参数,这些参数是为仿真,也为做实物做准备。
第四章地铁再生制动能量逆变回馈系统建模与仿真。在Matlab/Simulink仿真平台上搭建地铁再生制动能量逆变回馈系统的仿真模型并仿真,验证仿真模型的合理性以及参数计算的正确性。最后,仿真要为做实物而做准备。
第五章总结与展望。全面总结本文,认识自己在这次论文的编写过程中,付出了什么,得到了什么。最后期望在闭环仿真方面上做得更好。
第2章 地铁再生制动能量吸收方案研究
2.1 本文研究的基本内容及目标
通过阅读文献,了解应用于地铁再生制的动能量回馈变流器工作原理及其组成结构,构建其DC_AC仿真模型。该装置的额定功率为500kW,要求直流母线电压等于1500Vdc,输出三相三线制,线电压800Vac,输出电压波动性:≤5%,同时输出电流波动性:≤10%,并网电压为10kV(需要逆变器输出端接三相升压变压器)。本毕设需要建立完整拓扑,对关键性器件进行选型与计算,要分别对开环模型与闭环模型进行仿真分析。
2.2 四种地铁再生制动能量吸收方案
2.2.1 电阻消耗型
电阻消耗型再生制动能量吸收装置在使用过程中可以检测牵引网的电压值,通过这个电压值来决定装置是否启动,只要电压超过设置值,多余的电能就会消耗在制动电阻上,电能转化为热能散发出去[11]。这个装置采用斩波器和吸收电阻配合,非常有效的吸收了制动过程中产生的多余能量,吸收功率的大小及牵引网电压的大小变化决定了斩波器导通比的大小,如不然,导致牵引网电压过高而使整个装置受到损坏[12]。但是电阻消耗型再生制动能量吸收装置只是对再生能量进行消耗,转化为热能散发出去,并没有把再生能量回收利用,浪费了大量的能量。电阻消耗型再生制动能量吸收装置如图2.1所示。

图2.1 电阻消耗型再生制动能量吸收原理图
图2.1中,由中压电网经牵引变电所整流得到750V或1500V的直流电,直流电经牵引网为列车的运行提供动力[13]。列车制动时,制动能量会回馈牵引网,使牵引网电压升高,直到牵引网最高电压。这时需要把多余的能量释放出去,不然会烧坏牵引网。电阻消耗型制动能量吸收装置就是要把这多余的能量吸收掉。多余的能量流经LC组成的直流滤波电抗器及IGBT斩波器到达电阻箱,在电阻箱内消耗变成热能。虽然这种方式可以有效的防止牵引网电压过高,但是列车的制动能量等于全部浪费掉了,不符合节约的基本国情。
2.2.2 电容储能型
储存多余达能量和稳定中压电网电压是电容储能型再生制动能量吸收装置所具有其中两个重要功能[14]。当列车进行减速而再生制动时会导致牵引网上有过多的制动能量,一旦牵引网电压到达一定值,多余的制动能量就会储存到电容中;当列车进行加速而导致直流牵引网电压较低时,电容中存储的能量就会释放回直流牵引电网中以提高牵引网电压[15]。然而,这种制动能量吸收方案就目前而言还存在许多问题,例如,国内无合适电容可用,国外同类产品的价格较高;电容容量小,不足以吸收线路长的地铁制动能量;电容器积庞大,数量多,导致整个装置占地面积太大;电容器随着列车的制动、启动而频繁的充放电,使得电容寿命较短等[16]。电容储能型再生制动能量吸收装置如图2.2所示。

图2.2 电容储能型再生制动能量吸收原理图
在列车制动产生多余能量时,通过IGBT组,多余的能量会储存到超级电容组里面去;列车在牵引或牵引网电压过低时,超级电容组的能量可以用于列车牵引或回馈到牵引网中,保证牵引网电压不至于过低。这种制动能量吸收方式可以非常有效的吸收多余的能量并且在需要时回馈电网,可以最大程度的减少能量浪费,确保资源的合理利用[17]。但是目前国内这方面的技术还不成熟,只能依赖国外进口。还有就是无论国内国外,超级电容的容量都不是很大,对于那些制动能量较长的线路,超级电容都不能完全吸收多余的能量,所以如果要采用这种方案,最好在中短线路上采用,以免能源浪费。
2.2.3 飞轮储能型
飞轮储能型再生制动能量吸收装置是通过电路来改变飞轮动能从而实现再生制动能量的吸收和释放。当列车进行再生制动并且牵引网上有过多的制动能量时,控制变流器就会导通,让直流牵引网多余的制动能量转换成飞轮电机的动能;当列车牵引或直流牵引网压较低时,控制变流器控制降低飞轮电机的转速,从而将飞轮的动能转变成电能通过变流器回馈给直流母线,以稳定牵引网电压[18]。飞轮储能型再生制动能量吸收装置如图2.3所示。

图2.3 飞轮储能型再生制动能量吸收原理图
飞轮储能型与电容储能型相类似,都是可以吸收列车制动时多余的能量并在牵引网电压过低时把能量回馈给电网。最新的飞轮储能装置是将飞轮储能装置置于真空中,并且采用磁轴承,减少摩擦,提高了能量的转化效率。飞轮储能装置具有功率密度和能量密度高、无噪声、维护简单、储能大、充放电次数多、高效率、功率大、可连续工作等优点,但由于飞轮机长时间处于高速运转状态,非常容易造成磨损而使其寿命减短,而且飞轮机的造价很高[19]。在国外这种储能装置已经有实际应用了,但国内技术有限,生产的飞轮机难以达到国际标准,无法在实际线路上使用。
2.2.4 逆变回馈型
逆变回馈型再生制动能量吸收装置把制动能量回馈到电网上,实现对制动能量的再利用,提高了能量的利用率[20]。装置中的其中一个器件-逆变器是根据直流侧电压的大小变化及直流侧电流的极性变化进行综合判断是否启动,逆变器或者说逆变回馈型再生制动能量吸收装置是否启动只在乎一种情况,那就是地铁处于再生制动而且牵引网上的制动能量到达了设置的启动值,这两个条件缺一不可。地铁再生制动时所产生的能量通过逆变回馈型再生制动能量回馈装置以及升压变压器回馈到10kV电网。当电压回到设置的启动值以下或者当地铁不处于再生制动时,逆变回馈型再生制动能量回馈装置就会关闭,即IGBT断开,停止能量回馈[21]。逆变回馈型再生制动能量吸收装置如图2.4所示。

图2.4 逆变回馈型再生制动能量吸收原理图
以上是毕业论文大纲或资料介绍,该课题完整毕业论文、开题报告、任务书、程序设计、图纸设计等资料请添加微信获取,微信号:bysjorg。
相关图片展示:







您可能感兴趣的文章
- 一种确定磁探针集总电路参数的标定方法外文翻译资料
- 一种人体可接触的大气压低温等离子体射流装置研究(适合电气B方向)毕业论文
- 氩氧中大气压DBD放电特性研究(适合电气B方向)毕业论文
- 大气压氩等离子体射流放电影响因素的仿真研究(适合浦电气B方向)毕业论文
- 含氧高活性均匀DBD改性聚合物薄膜研究(适合浦电气B方向)毕业论文
- 反应器结构对气液两相DBD放电特性的比较(适合浦电气B方向)毕业论文
- 南京某公司研发楼电气设计毕业论文
- 金帆北苑地块经济适用住房——02栋商住楼电气设计(适用于浦电气1004~06A方向学生)毕业论文
- 扬州人武部大楼电气设计毕业论文
- 金帆北苑地块经济适用住房——04栋商住楼电气设计(适用于浦电气1004~06A方向学生)毕业论文


