基于无互连线方式的逆变器并联控制技术研究毕业论文
2020-04-12 15:48:33
摘 要
逆变器并联技术可以提高电源容量,在电源技术领域具有良好的发展前景。逆变电源并联系统和单个逆变电源相比,具有极大的优势:多个逆变器并联可以均分输出功率,减小系统中开关器件的压力,增强了系统的可靠性;多个逆变器并联可以减少单个逆变器的容量,使系统体积和重量大大缩减;逆变器模块方便并入和退出系统,方便系统容量按要求增加或减小,减少了系统安装和维护成本;逆变电源并联系统可以达成冗余供电的目的。
本文介绍了几种逆变器并联系统的工作原理以及各自的优缺点,并以基于无互连线方式的逆变器并联系统作为重点,对其进行系统设计和仿真研究。首先确定了单相桥式的逆变器结构,并对单个逆变器模块设计了双环比例积分控制器。之后根据对逆变器并联运行系统的理论分析,运用PQ下垂法,确定了输出电压频率与幅值的下垂调节方程,并根据理论分析得出了改进后的下垂算法,最终建立基于无互连线方式的逆变器并联系统模型,利用MATLAB软件中的Simulink工具库进行了系统仿真。
经过系统仿真,最终证实了本文所设计的基于无互连线方式的逆变器并联系统的可行性,系统运行的稳态性能良好,动态性能基本符合要求。
关键词:逆变器;无互连线;并联系统;PQ下垂法;
Abstract
Inverter parallel technology can improve the power supply capacity, and has a good development prospect in the field of power supply technology. Compared with a single inverter, the inverter power supply parallel system has a great advantage: multiple inverters can be parallel to the output power, reduce the pressure of the switch device in the system and enhance the reliability of the system; the parallel connection of multiple inverters can reduce the capacity of the single inverter and reduce the volume and weight of the system greatly. The transformer module facilitates the integration and withdrawal of the system, which facilitates the increase or decrease of the system capacity, reduces the cost of the system installation and maintenance, and the inverter power supply parallel system can achieve redundant power supply.
This paper classifies the inverter parallel system based on the parallel mode and control strategy of the inverter module, introduces the working principle of several inverters parallel system and their advantages and disadvantages, and designs and studies the parallel system based on the parallel system of inverter based on the non interconnected line. Firstly, the structure of single phase bridge inverter is determined, and a double loop proportional integral controller is designed for a single inverter module. Then according to the theoretical analysis of the inverter parallel operation system, the PQ droop method is used to determine the regulating equation of the frequency and amplitude of the active and reactive power and output voltage of the inverter, and the improved droop algorithm is obtained according to the theoretical analysis. Finally, a parallel system model of inverter based on the non interconnected line is established. The system is simulated by using Simulink tool library in MATLAB software.
Through the system simulation, the feasibility of the inverter parallel system based on the non interconnected line is confirmed. The steady-state performance and dynamic performance of the system meet the requirements.
Key Words:inverter;Non interconnect;parallel system;PQ droop method
目录
第1章 绪论 2
1.1 研究背景 2
1.2 逆变器并联控制技术的研究意义 2
1.3 逆变器并联控制技术研究现状 2
1.4 逆变器并联控制的分类 3
1.4.1 集中式并联 4
1.4.2 间接集中式并联 4
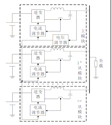
1.4.3 主从式并联 5
1.4.4 分布式并联 6
1.5 无互连线逆变器并联控制 7
1.5.1无互连线逆变器并联控制的基本原理 7
1.5.2 无互连线逆变器并联系统均流策略 8
1.5.3 无互连线逆变器并联控制的实现方案 9
第2章 逆变器设计 10
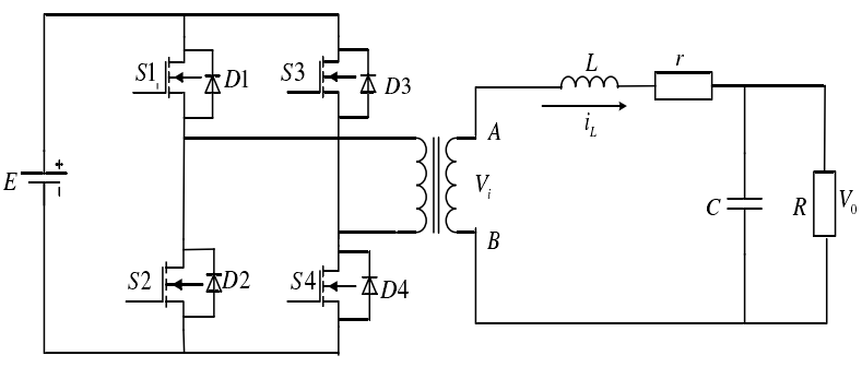
2.1 逆变器主电路设计 10
2.1.1 主电路拓扑 10
2.1.2 滤波器设计 11
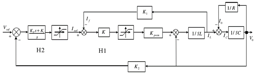
2.2 双环控制器设计 12
2.2.1 内环设计 13
2.2.2 外环设计 15
第3章 逆变器并联系统分析 19
3.1 并联系统功率分析 19
3.2 并联系统环流分析 21
3.3 并联系统均流控制策略 23
3.3.1 传统的下垂算法 23
3.3.2 改进的下垂算法 25
3.4 下垂参数的确定 26
第4章 无互连线并联逆变器系统仿真分析 29
4.1 双环控制器离散化分析 29
4.2 无互连线并联逆变器系统仿真 30
4.2.1 并联系统仿真模型 30
4.2.2并联系统仿真参数设置 31
4.2.3并联系统仿真分析 32
第5章 总结 36
参考文献 37
致 谢 38
第1章 绪论
1.1 研究背景
随着科学技术的进步和现代工业的蓬勃发展,煤、石油、天然气等传统能源不断被开采,造成了现阶段传统能源危机以及自然环境污染的严峻问题。因此,发展清洁能源成了如今工业进程中必要的任务。现阶段已知的清洁能源中,太阳能和风能的储备量最为丰富,所以,针对不同能源的发电并网运行技术具有重要的意义。
因自然条件的制约,风力发电和太阳能发电等技术得到的交流电品质不佳,因此需要先整流后逆变,得到工业生产所需的交流电。但是单个逆变器作为电源,其容量一般不符合要求,因此需将多个逆变器并联,这就需要用到逆变器并联控制技术。这种技术能大幅提高电源系统的稳定性,具有良好的发展前景和重要的科研价值。
逆变技术具有非常广的应用领域,如电力系统、交通运输、航空航天、电子通讯甚至军事领域等。逆变技术所涉及的学科也非常多,如电力电子、数字电路、模拟电路和自动控制原理等。由于其综合性强,适用面广的特点,逆变技术的研究工作也在不断深入。
1.2 逆变器并联控制技术的研究意义
多组逆变器并联运行即可实现电源冗余,又可实现大容量供电,是现阶段逆变控制技术的发展趋势[1]。逆变器并联控制技术通过多个逆变模块并联的方法,对输出负荷功率进行均分,使系统无需对开关器件的热电应力要求太高,不仅能够实现电源扩容,还能大幅增强系统的稳定性。这种模块组成方式轻巧灵活,使电源设备的体积和重量得到缩减,可以保证可靠性,降低设计和生产成本。
逆变器并联控制与直流电源的并联不同,需对逆变电源输出的正弦电压的幅值、相位和频率同时进行控制[2]。各个逆变器模块输出频率、幅值、相位中的某些量有所不同,或者谐波分量有所不同时,在这些逆变电源模块间将会产生环流。所以,逆变器并联控制技术是一项非常复杂的电源技术,在实现逆变器并联运行控制方面也存在很大的难度,对其进行研究与设计具有重要的意义。
1.3 逆变器并联控制技术研究现状
如今,很多发达国家例如美国、德国、日本、荷兰等,在逆变器并联控制技术研究方面颇有建树[3]。许多国外公司在一定程度上已经掌握了逆变器并联控制技术,并推出了一些并联逆变器产品,如西门子、东芝、三菱等。发达国家在逆变器并联控制技术领域的主要研究成果如下:
- 高频率链式结构技术。采用高频率链式结构技术进行逆变器并联可以缩减逆变模块的重量和体积,改善逆变电路的工作特性,同时可以省去逆变器内的工频变压器,简化了逆变器装置,节约了生产成本。
- 新式逆变电源控制技术。以往对逆变器模块的研究重点在于使用新式功率器件来实现高频率开关和SPWM控制,缩减滤波器的体积,改善滤波器的性能,降低滤波器的输出阻抗,使输出波形正常,从而有效调整输出波形并提升系统稳定性。在新式功率开关技术发展成熟后,新的逆变电源控制技术应运而生,例如在瞬时电压控制基础上的滞环电流控制、电流前馈控制、无差拍控制等,可以提高逆变器并联运行的工作特性[4]。
- 先进的数控技术。在逆变器并联系统中使用数字化控制技术,可以提高逆变器并联系统的可控性和对复杂指令的可执行性,例如使用单片机或者数字信号处理器来对系统进行数字式控制及检测。数字控制技术相较于以往的模拟控制技术而言,不仅克服了温度对控制器件的影响,而且具有非常高的可靠性,能对系统进行灵活控制,成本低,易于实现。
国外的逆变器并联控制技术研究已经卓有成效,而在我国,逆变器并联控制技术研究还没有形成规模。率先开始研究的主要是清华大学、西安交通大学、浙江大学、华中科技大学等高校,对逆变器并联控制技术的研究也仅处于实验探索阶段,还没有实际规模投产。国内企业方面,华为、阳光电源、中达电子、艾思玛等公司也已开始并联逆变器的研发工作,但距离技术成熟和规模投产还有很长的路要走。
1.4 逆变器并联控制的分类
以上是毕业论文大纲或资料介绍,该课题完整毕业论文、开题报告、任务书、程序设计、图纸设计等资料请添加微信获取,微信号:bysjorg。
相关图片展示:







您可能感兴趣的文章
- 一种确定磁探针集总电路参数的标定方法外文翻译资料
- 一种人体可接触的大气压低温等离子体射流装置研究(适合电气B方向)毕业论文
- 氩氧中大气压DBD放电特性研究(适合电气B方向)毕业论文
- 大气压氩等离子体射流放电影响因素的仿真研究(适合浦电气B方向)毕业论文
- 含氧高活性均匀DBD改性聚合物薄膜研究(适合浦电气B方向)毕业论文
- 反应器结构对气液两相DBD放电特性的比较(适合浦电气B方向)毕业论文
- 南京某公司研发楼电气设计毕业论文
- 金帆北苑地块经济适用住房——02栋商住楼电气设计(适用于浦电气1004~06A方向学生)毕业论文
- 扬州人武部大楼电气设计毕业论文
- 金帆北苑地块经济适用住房——04栋商住楼电气设计(适用于浦电气1004~06A方向学生)毕业论文


