3kW通信电源的电气控制设计毕业论文
2020-04-12 15:48:35
摘 要
自21世纪以来,信息交流越来越重要。尤其是智能手机的出现,大大加快了各种各样信息的流动速度。为了保证通讯的流畅和广度,通讯基站的建设必不可少。对于大城市和用电要求较高的地区而言,利用市电建立通讯基站是可行且经济的。然而,对于偏远地区来说,利用市电或油电建造通讯基站往往会造成经济上的浪费和环境污染,这是不理想的。
伴随着科技的发展,人们对能源的认识愈来愈深刻,不在局限于各种化石能,开始展望各类新能源。对于偏远地区来说,其地理位置为它们提供了优质的风力能源和太阳能源。于是在充分思考二者的优缺点,可以采用风光互补的方式为偏远地区的通讯基站提供稳定、清洁的能源。
本次毕业设计旨在通过对风光互补发电系统的深刻理解的基础上,设计符合一定要求、满足一定功能的风光柴储互补通讯电源的电气控制柜。
关键词 :风光互补;供电系统;通讯电源;稳定
ABSTRACT
Since the 21st century, information exchange has become more and more important. In particular, the emergence of smart phones has greatly accelerated the flow of all kinds of information. In order to ensure the smoothness and breadth of communication, the construction of communication base stations is essential. For large cities and areas with high power requirements, it is feasible and economical to use electricity to establish communication base stations. However, for remote areas, the use of utility power or oil and electricity to build communications base stations will often cause economic waste and environmental pollution, which is not ideal.
With the development of science and technology, people's understanding of energy is becoming more and more profound. They are not confined to all kinds of fossil energy and they are beginning to look forward to new types of energy. For remote areas, its geographical location provides them with high-quality wind energy and solar energy sources. In order to fully consider the advantages and disadvantages of the two, it is possible to use wind and light to complement each other to provide stable and clean energy for communication base stations in remote areas.
This graduation project aims to design electric control cabinets for wind power, wood and diesel storage complementary communication power sources that meet certain requirements and meet certain functions on the basis of a profound understanding of wind-solar hybrid power generation systems.
Keywords :the combination of wind and solar energy; feed system; communication power supply; stabilize
目录
第1章 绪论 1
1.1设计目的及意义 1
1.2 风光互补系统研究现状 1
1.3 本文主要研究内容 2
第2章 各发电系统的原理及其选型 3
2.1 风力发电原理及其选型 3
2.1.1 风力发电机原理 3
2.1.2 风力发电机的选型 3
2.2 光伏发电原理及其选型 4
2.2.1 光伏发电原理 4
2.2.2 光伏组件选型 5
2.3 柴油发电机原理及其选型 5
第3章 配电器件原理及其元件选型 7
3.1 MPPT控制策略及相关元件选型 7
3.1.1 MPPT控制策略原理 7
3.1.2 太阳能控制器选型 8
3.1.3 风力发电控制器 9
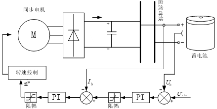
3.2 柴油发电机控制原理及控制器选型 10
3.2.1 柴油发电机控制策略 10
3.2.2 发电机控制器选型 11
3.2.3 转速控制器选型 12
3.3 逆变器原理及其选型 13
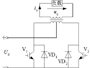
3.3.1 推挽式逆变器原理 13
3.3.2 逆变器选型 14
第4章 电气原理图设计 15
4.1 模块组件控制连接图 15
4.1.1 太阳能输电控制联接图 15
4.1.2 风能输电控制器连接图 16
4.1.3 柴油电机供电连接图 16
4.2 防雷设计电气接线图 17
4.2.1 防雷基本原理 17
4.2.2 防雷设计图 17
4.3 交直流配电电气接线图 18
4.3.1 直流配电接线图 18
4.3.2 交流配电接线图 19
4.3.3 电气柜结构设计 20
第5章 散热功率计算 21
5.1 电气控制柜的热管理 21
5.2 电气控制柜散热功率计算 22
5.2.1 各种控制器的发热功率计算 22
5.2.2 导线发热功率计算 22
5.2.3 散热功率计算 22
5.3 散热风扇选型 23
5.3.1 散热风扇选型原理 23
5.3.2 散热风扇选型 23
第6章 总结和展望 25
参考文献 26
致谢 27
- 绪论
 
1.1设计目的及意义
我国作为全球最大的发展中国家,一直以来都依赖于火力发电,但火力发电不仅需要消耗大量的煤炭、天然气和石油等不可再生能源,还会造成环境污染;煤炭等资源往往集中于经济不发达地区且我国地域辽阔,农村发电不够集中,运输成本高;我国优越的地理环境为我们提供了诸如风能、太阳能等优秀的能源。
伴随着可持续发展观念以及建设生态文明的探索,如何利用风能、太阳能等可持续、无污染的能源必然是当今以及未来的重要课题。据相关行业统计显示,至2017年为止,风力发电新增并网装机1503万千瓦,总的并网装机容量达到1.64亿千瓦,占全部发电装机容量的9.2%。同时截至2017年12月底,我国光伏发电累计并网装机达到130.25GW,其中光伏电站100.59GW,分布式光伏29.66GW。然而环境因素对风电和光电的影响明显,这导致二者独立发电时所获电能不够稳定;从日常生活经验看,太阳能往往于白日最为充足而风能微弱;到夜晚时,太阳能减弱而风能充足。光伏电池组转换得来的电能稳定性较高,但是生产光伏电池组的成本较高。而由于风能具有很高的随机性,其供电可靠性差,但研究生产风力发电的成本较低。可以看出,太阳能与风能在时间上和经济上具有一定的互补性。故可以利用一套送变电设备和一组管理人员,不仅可以适当降低生产和运行成本,还可以在一定程度上提高工作效率。
如今,由于人们对信息交流的速度、质量等要求的日益提高,建立可靠、稳定、值得信赖的通信基站已必不可少。而对于偏远地区的通讯基站的建立考虑风光柴储互补供电系统能较好地满足其需要,同时不造成物资的浪费,是极其理想的供电方式。本次设计的目标是了解和解决风光互补供电系统在通讯电源领域的应用,提高混合能源的效率,探究新型、稳定的供电系统。
1.2 风光互补系统研究现状
风光互补发电系统由于其自身的优势如供电稳定、很少甚至不会造成污染,使其具有了广阔的应用前景。但是建造或搭建风光互补供电系统仍然存在诸多问题,比如风能、太阳能的随机性降低了供电系统的可靠性。另外,光伏电池的能量转换率低制约了太阳能的发展,很大程度上提高了风光互补供电系统的成本。为了使风光互补发电能够广泛地被利用,国外许多大学和科研机构正在通过各种研究来解决问题。如,萨斯喀彻温大学的Rajesh Karki 等人专门研究了独立小型风光发电系统的优化方案来降低风光互补发电系统的成本、提高系统可靠性。随后来自澳大利亚墨尔本大学的B.D.Shakya等人对采用压缩氢气储能的风光互补发电系统系统的应用的可能性和生产成本的经济性进行了讨论。
当然,国内的许多大学和研究机构同样没有荒废时光,他们也在进行着探索。比方说利用 CAD 建模进行风光互补发电系统优化设计的方案。该方法主要是利用足够精确地描绘出组件特性,同时通过评估实际获得的风光资源的数学模型, 最终寻找到能够满足客户使用的最经济、实惠的配置方案。此方法来由香港理工大学与大陆研究所合作提出。另外,还有使用不断重构不同结构的风光互补发电系统并进行计算机仿真计算的方式方法,从而达到检测系统是否稳定、控制策略的是否合理以及系统运行的效率高不高等等问题。这是合肥工业大学的研究成果。而华南理工大学从硬件上来提高功率传输效率,他们通过应用新型无刷双馈发电机,并利用权值调节方式最终实现太阳能逆变器最优功率传输。
在我国,小型的风光互补发电系统往往被运用于通信系统的中继电站,作为一种可靠、稳定、无污染的能源供应。因为在西北广袤的土地上,由于输电的长距离、多消耗等问题导致西北的电力应用不够可靠,难以完成通讯系统的供电任务。而小型风光互补发电技术的日益成熟真正从源头上解决了这一问题,使得通信基站的无人值守和免维护成为可能,不但大大地降低了系统的运行成本,而且提高了整个系统运行的可靠性。随着风光互补发电技术的不断进步,其能够为人类创造的价值也将不断提高。
1.3 本文主要研究内容
以上是毕业论文大纲或资料介绍,该课题完整毕业论文、开题报告、任务书、程序设计、图纸设计等资料请添加微信获取,微信号:bysjorg。
相关图片展示:







您可能感兴趣的文章
- 一种确定磁探针集总电路参数的标定方法外文翻译资料
 - 一种人体可接触的大气压低温等离子体射流装置研究(适合电气B方向)毕业论文
 - 氩氧中大气压DBD放电特性研究(适合电气B方向)毕业论文
 - 大气压氩等离子体射流放电影响因素的仿真研究(适合浦电气B方向)毕业论文
 - 含氧高活性均匀DBD改性聚合物薄膜研究(适合浦电气B方向)毕业论文
 - 反应器结构对气液两相DBD放电特性的比较(适合浦电气B方向)毕业论文
 - 南京某公司研发楼电气设计毕业论文
 - 金帆北苑地块经济适用住房——02栋商住楼电气设计(适用于浦电气1004~06A方向学生)毕业论文
 - 扬州人武部大楼电气设计毕业论文
 - 金帆北苑地块经济适用住房——04栋商住楼电气设计(适用于浦电气1004~06A方向学生)毕业论文
 

        
            
