无速度传感器矢量控制系统仿真研究毕业论文
2020-04-12 15:48:24
摘 要
人类迈入信息时代以后,计算机成为推动社会运转的主要动力,其计算水平和运行速度直接影响着行业和国家的发展进步。随着技术的创新和发展,计算机运行的速度不断提升,许多曾经耗费人力和资源的计算与运行程序可以通过算法来完成。伴随着计算机技术的进步,电力电子器件也处于变革与创新之中。比如,交流异步电动机变频调速技术日益完善,对转子磁场的定向控制为交流变频调速技术带来了质的飞跃。另外,近年来提出的无速度传感器矢量控制理论为当今的交流传动发展带来了新的思考方向。
本篇论文研究对象是异步电机无速度传感器矢量控制的实现,研究重点在于异步电机的控制方法以及对速度推算和转子磁链的估计。
论文前半部分阐述了矢量控制的基本原理,后半部分则据此建立不同坐标系下异步电机的数学模型,对模型进行深度的分析与探讨。同时对转子磁链观测方法做了比较,了解了各种方法的优缺点,探究并比较不同的无速度传感器矢量控制系统,进而建立起基于模型的无速度传感器矢量控制系统,考虑不同的情况下基于该速度辨识模型的无速度传感器异步电动机矢量控制系统的差异,利用软件进行细致分析,并分别进行仿真与研究。
通过建立的模型及分析结果,可以确认调速方法的有效性及其具有的优良性能。
关键词:异步电动机;无速度传感器;矢量控制;磁链估计
Abstract
After entering the information age, the computer has become the main driving force for social operation, and its computing level and running speed directly affect the development and progress of the industry and the country. With the innovation and development of technology, the speed of computer operation is constantly improving, and many computing and running programs that once consumed human resources and resources can be completed by algorithms. Along with the progress of computer technology, electric power electronics device is also in the change and innovation. For example, the technology of frequency conversion of ac asynchronous motor has been improved, and the directional control of rotor magnetic field has brought a qualitative leap for ac frequency conversion technology. In addition, the theory of vector control of speed sensor in recent years has brought a new direction for the development of acdrive.
The research object of this paper is the realization of the vector control of the asynchronous motor without speed sensor. The research focuses on the control method of the induction motor and the estimation of the speed calculation and rotor flux linkage.
In the first part of the paper, the basic principle of vector control is described, and the mathematical model of asynchronous motor is established in different coordinate systems. And rotor flux observation method to do the comparison, understand the advantages and disadvantages of various methods, to explore and compare the different speed sensorless vector control system, and then set up the speed sensorless vector control system based on the model, considering different situations based on the speed identification model of asynchronous motor speed sensorless vector control system, a detailed analysis, using the software and the simulation and research.
The effectiveness of the method and its excellent performance can be confirmed by the model and analysis results.
Keywords: asynchronous motor;speed sendoress;vector control;flux estimation
目 录
第1章 绪论 1
1.1 课题的研究背景及其意义 1
1.2交流调速的发展 1
1.2.1电力电子技术的发展 2
1.2.2脉宽调制(PWM)控制技术 3
1.3 无速度传感器矢量控制系统的研究现状及发展趋势 3
1.3.1 直接计算法 3
1.3.2 模型参考自适应法(MRAS) 3
1.3.3 扩展卡尔曼滤波法(EKF) 4
1.3.4 神经网络法 4
1.4 论文研究主要内容 4
第2章 异步电机的矢量控制 6
2.1 矢量控制基本思想 6
2.2矢量坐标变换的原理 6
2.2.1 三相到两相静止坐标变换 6
2.2.2 两相静止到两相旋转坐标变换 7
2.3 不同坐标系下异步电机的数学模型 8
2.3.1 异步电机的动态模型 8
2.3.2 两相静止坐标系下异步电动机的数学模型 9
2.3.3 异步电动机在两相旋转坐标系上的数学模型 9
2.4 矢量控制基本方程式和控制结构 10
2.4.1 矢量控制基本方程式 10
2.4.2矢量控制基本结构 10
2.5电压空间矢量法 11
2.6本章小结 11
第3章 无速度传感器矢量控制系统的设计 12
3.1 转子磁链观测器 12
3.1.1 电压模型法 12
3.1.2 电流模型法 13
3.2 基于模型参考自适应(MRAS)的转速估算模型 13
3.2.1 模型参考自适应的基本原理 13
3.2.2 模型参考自适应系统的理论基础 14
3.3 基于转子磁链的模型参考自适应 15
3.4 基于MARS的无速度传感器矢量控制系统结构设计 16
3.5本章小结 16
第4章 系统软硬件设计 17
4.1 系统硬件结构设计 17
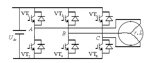
4.2 主电路设计 17
4.3 控制电路设计 18
4.3.1 电流检测 18
4.3.2 电压检测 19
4.4 功率驱动电路 19
4.5 保护单元 20
4.5.1 缺相保护 20
4.5.2 过流过压保护 21
4.6 控制系统软件设计 21
4.6.1 主程序 21
4.6.2 中断服务子程序 22
4.7 本章小结 24
第5章系统仿真 25
5.1 模型建立 25
5.1.1 异步电机模块 25
5.1.2 坐标变换 25
5.1.3 转速辨识模块 27
5.1.4 转子磁链观测模块 27
5.1.5 SVPWM模块 28
5.2 仿真结果与分析 28
5.3 本章小结 36
第6章 总结与展望 37
6.1 总结 37
6.2 研究展望 37
参考文献 39
附录 40
附件A 40
致谢 43
第1章 绪论
1.1 课题的研究背景及其意义
随着技术的发展,电机在不仅成为了电力业举足轻重的设备,在农业、运输业等多个领域也都有广泛的应用。电机有两种分类,分别是直流电机和交流电机,供电方式不同是两者的最主要区别,故应用于不同的方向。交流电机又可分为异步电机和同步电机。相比起来,直流电机常用于传动领域,具有操作简便、调速能力强的优势,但是由于其结构较为复杂,并对环境有很高的要求,因此有一定的局限性。异步电机虽然操作简单,且制作成本较低,但由于建模过程较为复杂,也难以进一步拓展应用空间。同步电机具有电源频率保持不变时转速恒定的优势,但在过去的应用中始终存在起动困难和重载时发生振荡的现象,因而实际的应用空间也很有限。
近年来,随着电力电子技术和微电子技术的不断进步与发展,具有不同特点的多种新型异步电机控制技术被相继提出。在此期间,交流电机的调速问题也取得了突破进展。这些进展意味着电气传动交流化时代的到来。然而,矢量控制技术依然存在探究空间。但由于转速闭环的使用需要安装速度传感器来配合,这使得系统的成本和整个应用过程变得更为复杂,同时还有可能对精度产生影响。在高温等恶劣条件下,系统的可靠性又可能被进一步降低。另外,在高速电机领域,带有速度传感器的矢量控制系统应用的价值并不大。种种问题的显露,证明了对无速度传感器矢量控制系统的研究具有重要意义。
国外关于无速度传感器的研究开始较早,已经具有产品化的能力,日立、三菱等公司都已经推出了自己的无速度传感器产品。而国内目前在产品方面与国外存在着较大的差距,理论研究范围也依然有很大空白有待填补。目前国内关于该问题的研究仅在少数几所高等院校开展,研究水平远远落后与国外。随着科技的发展,我国工业对通用型变频器产生了越来越大的需求,对性能优异的无速度传感器调速系统也抱有较高的期望。目前国内的市场上,进口的无速度传感器产品居多,国内产品具有很大的提升空间,也面临着市场占有率的巨大压力。在国际竞争日益严峻的今天,开发出来高性能的无速度传感器产品并早日将其投入到应用中,对振兴我国变频器工业而言迫在眉睫[1]。
1.2交流调速的发展
调速系统以速度、位置为被控量采用闭环控制办法,并通过控制转矩最终实现。对于直流调速而言,则只需要通过调节电枢电压和励磁电流的大小就对转速和转矩进行有效控制。在二十世纪,直流传动由于具有优秀的静态特性,可以被大多数高性能可调速传动系统采用,因而始终占据着重要地位。但是随着工业化进程的展开,直流电机日渐暴露了其最高转速和单机容量都受到限制的缺陷,无法满足大规模工业化的需求,逐步落后于时代的发展。在此过程中,人们渐渐发现了异步电机结构简单且成本低的优势,因而得到研究人员的青睐。至此,直流电机开始让位于交流调速技术研究的时代。在研究过程中,交流调速系统具有了下述的发展和应用[2]:
以上是毕业论文大纲或资料介绍,该课题完整毕业论文、开题报告、任务书、程序设计、图纸设计等资料请添加微信获取,微信号:bysjorg。
相关图片展示:







您可能感兴趣的文章
- 一种确定磁探针集总电路参数的标定方法外文翻译资料
 - 一种人体可接触的大气压低温等离子体射流装置研究(适合电气B方向)毕业论文
 - 氩氧中大气压DBD放电特性研究(适合电气B方向)毕业论文
 - 大气压氩等离子体射流放电影响因素的仿真研究(适合浦电气B方向)毕业论文
 - 含氧高活性均匀DBD改性聚合物薄膜研究(适合浦电气B方向)毕业论文
 - 反应器结构对气液两相DBD放电特性的比较(适合浦电气B方向)毕业论文
 - 南京某公司研发楼电气设计毕业论文
 - 金帆北苑地块经济适用住房——02栋商住楼电气设计(适用于浦电气1004~06A方向学生)毕业论文
 - 扬州人武部大楼电气设计毕业论文
 - 金帆北苑地块经济适用住房——04栋商住楼电气设计(适用于浦电气1004~06A方向学生)毕业论文
 

        
            
