新屋坝隧道设计毕业论文
2020-02-18 00:11:26
摘 要
本次设计对新屋坝隧道的洞门,洞身,施工等各个方面进行完整的设计。根据工程地质材料进行平、纵断面设计;根据地质材料报告、洞门标准图及规范设计洞门;根据围岩类型和等级进行衬砌设计,确定衬砌形式,计算围岩压力,进行衬砌的内力计算并检算二衬的强度;参照隧道施工方法以相关施工方法资料,确定其采用台阶法施工,最后对隧道附属设备进行设计。
关键词:断面设计;洞门设计;衬砌设计;施工设计;附属设备
Abstract
The design of xinwuba tunnel portal, hole, construction and other aspects of a complete design. Design the plane and longitudinal section according to the engineering address materials; Design the door according to the geological material report, the standard drawing of the door and the specification; Design the lining according to the type and grade of the surrounding rock, determine the form of the lining, calculate the pressure of the surrounding rock, calculate the internal force of the lining and check the strength of the second lining; With reference to tunnel construction method and relevant construction method data, it is determined to adopt step method for construction. Finally, the ancillary equipment of the tunnel is designed.
Keywords:The section design;David design;Lining design;Construction design;Accessory equipment
目 录
第1章 绪论 1
1.1 研究背景 1
1.2.课题设计的目的 1
1.3 设计内容 1
1.4 设计依据和技术标准 1
1.4.1设计依据 1
1.4.2技术标准 1
1.4.3隧道设计原则 2
第2章 新屋坝隧道概况 3
2.1 工程概况 3
2.2地貌特征 3
2.3 地层岩性 3
2.4 水文地质条件 3
2.5 不良地质 3
2.6 工程地质条件 3
第3章 隧道结构断面型的优化比选 4
3.1 隧道平面设计 4
3.1.1线路曲直比较 4
3.1.2 本隧道的设计 4
3.2 隧道的横断面设计 4
3.2.1基本规定 4
3.2.2本隧道横断面设计 5
3.3 隧道的纵断面设计 6
3.3.1设计要求 6
3.3.2本隧道纵断面设计 7
第4章 隧道洞口位置的选择和洞门结构的设计 8
4.1 洞口位置的选择 8
4.2 洞门形式的选择 8
4.2.1 洞门的作用 8
4.2.2 洞门结构类型 8
4.2.3 本隧道洞门的设计 9
第5章 隧道衬砌结构内力的分析与结构设计 12
5.1 衬砌形式确定 12
5.2 复合式衬砌 12
5.3 荷载计算 12
5.4 衬砌内力计算 13
第6章 隧道施工方案的比选设计与施工组织设计 22
6.1 概述 22
6.1.1 编制原则 22
6.1.2 施工原则 22
6.2 施工方法的比选 22
6.2.1 台阶法施工 23
6.2.2 全断面开挖法 23
6.2.3 分部开挖法 23
6.2.4 综合比选 24
6.3 爆破设计 25
6.3.1 爆破概述 25
6.3.2 炮眼参数 25
6.3.3 爆破设计 26
6.4施工组织设计 26
6.4.1 监测设备的使用 26
6.4.2预支护 27
6.4.3初期支护 27
6.4.4二次衬砌 29
6.5施工进度安排 30
第7章 隧道附属设备的设计 31
7.1隧道的通风和照明 31
7.1.1隧道的通风 31
7.1.2 照明设备 31
7.2 隧道的防水与排水 31
7.2.1隧道的防水 31
7.2.2隧道的排水 31
第8章 结论 32
致谢 33
参考文献 34
第1章 绪论
1.1 研究背景
伴随着近代科学技术的飞速发展,隧道工程的需求及技术水平飞速上涨。2013年,我国已成为世界上铁路里程最高的国家。我国有完善的铁路网,铁路系统,人口基数的庞大及生活水平的提高导致了我国庞大的铁路需求量,而我国70%的土地面积为山地地形,因此,隧道在我国交通建设中扮演重要角色。近些年,新奥法为隧道工程的发展注入新的血液,配合更加先进的设备与科技手段,铁路隧道正蓬勃发展。
1.2 课题设计的目的
本课题设计的目的是考虑现实基础结合书本知识对新屋坝隧道进行设计。检验学生专业知识的同时提高设计水平。
1.3 设计内容
本设计采用宜万铁路新屋坝隧道的实际工程资料进行隧道的结构与施工设计、隧道衬砌电算程序的阅读编写、掌握和应用。设计者应根据给定的原始资料进行隧道设计。内容主要有结构断面型的选择,洞口的设计,衬砌的设计,施工设计,附属设备设计等。
1.4 设计依据和技术标准
1.4.1设计依据
国家颁布的各项设计施工规范,规范的设计书籍、报刊等。
1.4.2技术标准
1) 单线Ⅰ级铁路。
2) 坡度上限为千分之九,双机加力坡上限千分之十八。
3) 列车运行速度160千米每小时。
4) 牵引种类:电力。
5) 机车类型:暂定客机SS9,货机SS4。
6) 闭塞类型:继电半自动
1.4.3隧道设计原则
隧道的设计应该根据隧道所处位置的地形、地质地貌特征和周围的环境,综合考虑技术标准,施工难易程度,然后设计相应的方案,再经过经济比较确定最后的方案。隧道的设计还按着以节能环保,以人为本,经济耐用等为原则进行设计。隧道设计还应该结合国家有关经济技术的政策,遵守国家宣传的有关环保和节能节材的法规,积极采用新技术新设备,力求做到经济最优化和环境友好化。
第2章 新屋坝隧道概况
2.1 工程概况
新屋坝隧道位于宜万线武昌至万州段,设计时速160km/h,单洞单线。进口里程DK183 507,边仰坡率1:0.75;出口里程DK183 610,边仰坡率1:0.75。隧道全长103m,设计时应注意洞身段偏压。
2.2地貌特征
隧道处于低山区,山头浑圆,进口段地形较陡,自然坡度30°~45°,植被发育,出口段地形稍缓,自然坡度25°~30°,植被稀疏,局部地段辟为旱地。地表溶沟槽发育。
2.3 地层岩性
局部地表为第四系坡(Qel dl)黏土,颜色通常介于棕色与黄色之间,质地坚硬,具有可塑性,层厚不超过0.1米,出口段右侧旱地黏土厚2~2.5m;下伏基岩为三迭系下统大冶组(T1d)灰岩,灰色间褐灰色,薄~中厚层,层厚2~25cm,含泥质,弱风化,夹页岩,紫红色、灰黄色、灰黑色,强风化,岩体较为完整,岩溶不发育,但灰岩表面溶蚀严重,溶沟槽发育。
2.4 水文地质条件
未见地下水出露。
2.5 不良地质
无不良地质。
2.6 工程地质条件
一、经实地勘测可以得出地质条件稳定,岩石表面溶蚀较为严重,溶沟槽较为发育。
二、经现场取样并实验得出,围岩由软硬岩分层堆叠而成,节理不发育,岩体没有大的损坏情况,因此评定隧道围岩为IV级。
三、隧道的进口与出口边仰坡率相同,均为1:0.75,右侧顺层的边仰坡率为1:1,限制高度在10米以内。
四、根据新屋坝中桥水样分析资料,地表水、地下水对砼不具侵蚀性。
五、本区地震动峰值加速度为:0.05g。
第3章 隧道结构断面型的优化比选
3.1 隧道平面设计
3.1.1线路曲直比较
不论是公路隧道还是铁路隧道,都是线路越直越好,除非在一些特殊的情况,例如隧道的洞口正朝东西方向,这时候为了避免阳光直射在驾驶员视野,需要把隧道某一段设计成曲线:还有就是地质地形条件的限制,不得不采用曲线。在设计隧道应该尽量保证线路设计成直线或者采用大半径的曲线,主要还有下面的原因:
① 直线隧道比曲线隧道更容易通风,曲线隧道的摩擦风阻较大,从而导致通风阻力大,不利于自然通风,就需要花额外的费用来采用机械通风。
② 曲线上的隧道,需要增大隧道建筑限界,尺寸的变大也会带来施工的难度增加。
③ 列车在曲线隧道上行驶,产生了离心力,再加上洞内空气潮湿,使得钢轨磨损加速,从而使洞内的养护工作量增大。
综上可以知道,从节省工程投资,减少施工难度和良好通风条件等方面来看,直线隧道都要比曲线隧道更合适。在山区铁路常常会遇到这几种情况不得不设计成曲线隧道:①线路绕行山嘴,②隧道需要翻越山岭,③隧道施工时发现在开挖过程中有不良地质,不宜穿过。这时,应该注意以下几方面:
①尽可能采用较短的曲线,或者用半径特别大的曲线代替。
②隧道内如果设计有圆曲线,应大于等于一节车厢的长度,反向曲线不应出现在设计中。
③隧道设计应尽量避免曲线的设计,两曲线间应该有够长的夹直线,一般要求在3倍车辆长度以上。
3.1.2 本隧道的设计
新屋坝隧道属于短隧道,根据地质材料报告和所给资料,采用的单洞单线方案。
3.2 隧道的横断面设计
3.2.1基本规定
隧道横截面有:围岩轮廓线,衬砌内、外轮廓线以及衬砌厚度四种。隧道开挖后的形状叫围岩轮廓线,衬砌轮廓线围出的空间叫净空,列车在隧道内能否安全行驶取决于净空。作为承重结构,形状的选择应考虑外载荷的大小,还应由施工的具体情况而定。内轮廓线得厚度由经验和计算得出。
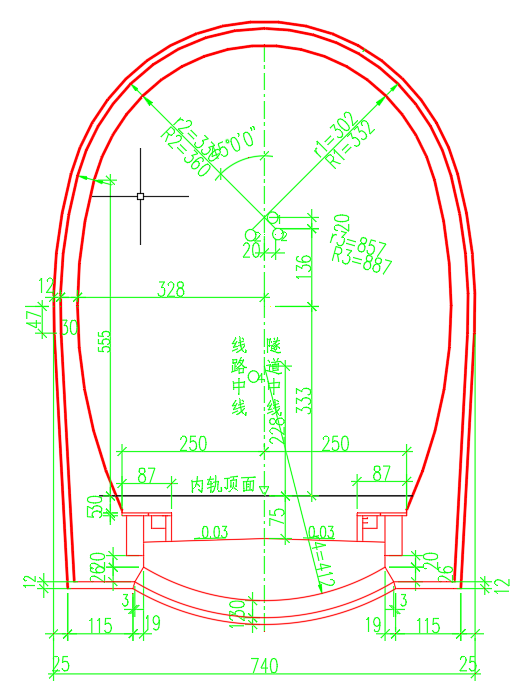
3.2.2本隧道横断面设计
本隧道采用三心圆拱形(地铁型)衬砌类型,其衬砌内轮廓截面设计如图所示
图 3.1 隧道建筑限界

图 3.2 隧道衬砌内轮廓

图 3.3 衬砌图
3.3 隧道的纵断面设计
3.3.1设计要求
1、坡道形式
根据经验可知,隧道的坡形主要有两种:单面坡形和人字坡型(如图3-4所示)

单面坡 人字坡
图 3.4 坡道形式
单向破,如图所示,多用于线路的紧坡或者需要展线的地区,单向破对运营通风和排水有利,在施工过程中水自然顺着坡道流出,尤其在下行单向隧道通风条件较好,便于废气的排出。
人字坡,如图所示,多用于长大隧道,尤其是越岭隧道,但是因为隧道两端都是往上坡施工,排水问题能够得到解决,但是不利于通风,施工过程产生的废气往往会聚集于工作面,因此对于长大隧道,往往需要设置通风竖井或者增加机械通风,以保证隧道内的运营通风。
2、 坡度值
坡度值有上下界限,上限与整条线路的具体情况有关,保证洞内水流能自动流畅排出的最低要求即为下限。根据国家相关规定,坡度值大于等于千分之三。
坡度的大小还取决于列车运行的环境,隧道内空间狭小,运行条件差,这也直接导致隧道内坡度值小于明线坡度,折减的具体情况与以下两方面有关:
(1)空气阻力的增大。
(2)机车粘着牵引力降低。
3、坡道长度
隧道内宜设计长坡段以平缓隧道的坡度,使列车运行时,整列车处于一个坡度上,这样既保证了列车的稳定性,也保证了列车行驶的安全性。
3、坡道长度
规范规定:“隧道内宜设计长坡段。”这和明线处一样,是为了是列车行进时,整列车尽量处在一个坡度上。
4、坡道连接
如果有线路断面呈凹形或凸形的情况发生,可能会导致相邻车车钩脱开,造成严重的事故,因此,坡道连接处的管理十分重要。为了防止意外的产生,我们应控制坡度代数差小于等于千分之三;若坡度带数值大于千分之三,采取在变坡点前后用竖曲线连接的方式以达到缓和突变的目的。
3.3.2本隧道纵断面设计
新屋坝隧道长103米,属短程隧道,采用单坡的坡道形式。根据材料报告中得知坡率为9‰,坡长610米。通风情况对火车行驶的影响程度决定了坡道应选择什么类型,纵坡坡度的大小。隧道纵坡应尽量平缓,以便于水的顺畅流出。单坡的设计对通风是非常有利的,对单向隧道列车的行驶也十分有利。
第4章 隧道洞口位置的选择和洞门结构的设计
4.1 洞口位置的选择
洞口是隧道洞身于外界环境的连接处,它保证人们安全的出入,确保设备能够成功地运入隧道,列车能够安全的驶入,驶离隧道,它起到门框的作用。由此可见,洞门的选择十分重要,因此常常有在隧道走向确定后,洞门的位置仍在调整的现象。
在进入隧道前,会有一段明堑。明堑的长短可随动口位置的改变而改变。洞口位置的选择采用“早进晚出”的原则。
洞口位置的选择影响因素有:
1、不良地质地段,如泥石流、地层脆弱,滑坡区域等。
2、路堑的选择不宜过长,洞口不能设置在沟底。
3、围岩的稳定性。
4、洞口边以及仰坡开挖高度。
5、洞口走线应和该处地形等高线正交
6、洞口最好有一方开阔平缓场地,用作施工基地。
根据以上条件新屋坝隧道的出入洞口分别设在:进口里程DK183 507,出口里程DK183 610。
4.2 洞门形式的选择
4.2.1 洞门的作用
洞口是隧道的重要部分,比易出病害,需要做一些结构处理,以保证正常运营,这一组机构称为洞门。
洞门的作用主要有二:
1、支档。洞口处岩体通常要切出一槽口,线路纵向及侧向的岩坡,可能因而不稳定或上方出现落石。洞门结构就像挡土墙一样,抵住岩体侧压力并防止滚失落向洞口路线。
2、防水。隧道内要求尽量干燥,除了洞身衬砌需有完善的排水流的设施外,洞门结构也要将地表水有效引离,不使流入隧道。
4.2.2 洞门结构类型
洞门分隧道门与明洞门。
(1)隧道门
隧道门包括端墙式洞门、翼墙式洞门、台阶式洞门、斜交洞门、环框式洞门、柱式洞门等。
(2)明洞门
后接明洞用明洞门,明洞门包括拱形明洞门与棚式洞门。拱形明洞门分为路堑式和半路堑式两类。路堑式明洞门还分端墙式和翼墙式两种。
根据新屋坝隧道所在的地区的地形图,地质报告材料,出入洞口坡度,确定新屋坝隧道出入洞口的洞门形式为:路堑式拱形明洞门(端墙式)。
4.2.3 本隧道洞门的设计
查阅得知
表 4.1 洞门设计相关参数
基底摩擦系数 f=0.40  | 
计算摩擦角  | 
地基土重度  | 
设计拱顶衬砌上部端墙3.0m,,洞口仰坡坡脚至洞门墙背的水平距离2.0m。
1.洞门荷载计算
式中: —围岩计算摩擦角(°)。
—仰坡坡角 ;
—墙面倾角 ;
—最危险破裂面与垂直面夹角
带入相关参数计算可得:
=36.824°
(2)土压力计算
式中: 
=a×;λ=0.1909;;b=1m;ξ=0.6;a=2.0m
带入各参数得:;
=138.46kN
(3)端墙自重
端墙洞门,设计墙高为10m,厚2m;采用浆砌片石回填墙身,查阅资料可知重度 =25KN/m 。端墙自重 :G=10×2×25=500KN
2、洞门结构验算
端墙式洞门的洞门墙可视为挡土墙,其强度应在极限状态下计算得出,还应验算绕墙趾倾覆及沿基底滑动的稳定性。
(1)滑动稳定性验算
洞门应处于稳定状态,不应在外力作用下产生滑动现象。抗滑动条件要求为:
抗滑动稳定性系数
式中G=500KN; = 0;f=0.40;=E=138.46KN;
=0;
代入可得: =
所以,设计的端墙满足抗滑稳定性要求。
(2)倾覆稳定性验算
因为墙体材料均匀,所以我们可以认为墙体结构均匀,它的几何中心就是它的重心,所以自重对墙趾的稳定力臂为:
抗倾覆条件要求为:
以上是毕业论文大纲或资料介绍,该课题完整毕业论文、开题报告、任务书、程序设计、图纸设计等资料请添加微信获取,微信号:bysjorg。
相关图片展示:








        
            
