下前湾隧道设计毕业论文
2020-02-18 00:11:15
摘 要
此次下前湾隧道设计的目的是为了贯通宜万线,使得川渝鄂地区的出行变得方便并带动当地经济的发展,也可以促进西部大开发的战略。下前湾隧道是单线铁路隧道,起讫里程为:DK170 935~DK171 215,长度为280m。本次设计的主要内容是采用宜万铁路下前湾隧道的实际工程资料来对此隧道进行以下几个方面进行设计。本文首先对隧道的断面进行设计,然后通过地质条件选定洞门的位置和对洞门的结构进行设计和稳定性验算,之后再对隧道的衬砌结构进行设计和使用岩石理正软件对衬砌内力进行验算,最后对施工方案进行选择还有施工组织和隧道附属设备的设计。
关键词:隧道;设计;洞门;衬砌;施工组织
Abstract
The purpose of the design of the Qianqianwan tunnel is to penetrate the Yiwan line,making it easier to travel in the Sichuan-Yunnan region and promoting the development of the local economy. It can also promote the strategy of the development of the western region. The Xiqianwan Tunnel is a single-track railway tunnel with a starting range of DK170 935~DK171 215 and a length of 280m. The main content of this design is to design the following aspects of the tunnel using the actual engineering data of the Yiqianwan Tunnel. In this paper, the section of the tunnel is first designed, and then the location of the gate and the structure of the gate are selected and checked by geological conditions. Then the design of the lining structure of the tunnel is used and the internal force of the lining is used. Carry out the check calculation, and finally select the construction plan and the design of the construction organization and the tunnel auxiliary equipment.
Key words:tunnel;design;tunnel portal;tunnel lining;construction organization
目录
第一章 绪论 1
1.1 研究目的以及意义 1
1.2 研究现状 1
1.3 研究内容 2
第二章 隧道结构断面型式方案的优化比选 3
2.1 隧道基本资料 3
2.2 岩体理论分析 3
2.3 基本断面形状以及适用条件 3
2.4 断面形式选择 3
2.5 隧道建筑限界的确定 4
第三章 隧道洞口位置的选定和洞门结构设计 5
3.1 选择洞口位置的原则 5
3.2 洞口位置的选定以及设计 5
3.2.1 洞口位置的选定 5
3.2.2 验算满足条件 5
3.3 洞门结构验算 6
3.4 进出口洞门尺寸图 9
第四章 隧道衬砌内力的分析与结构设计 10
4.1 工程概述 10
4.1.1 工程简介 10
4.1.2 地形地貌 10
4.1.3 围岩等级 10
4.2 隧道的衬砌形式 10
4.3 隧道衬砌结构的设计和验算 11
4.3.1衬砌结构的验算 11
4.3.2初期支护设计 12
4.3.3锚杆支护设计 12
4.3.4二次衬砌厚度拟定 13
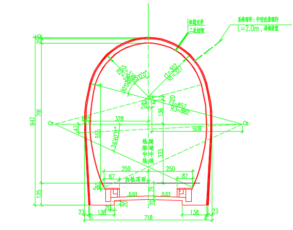
4.3.5围岩衬砌断面设计图 13
4.3.6隧道的衬砌验算 14
第五章 隧道施工方案的比选设计与施工组织设计 23
5.1隧道施工方案的比选设计 23
5.1.1隧道施工基本概念 23
5.1.2隧道施工方法的选择 23
5.1.3新奥法施工的基本原则 23
5.1.4主要开挖方法以及适用条件 24
5.1.5开挖方法的选择 25
5.2隧道施工组织设计 25
5.3建筑材料 29
第六章 隧道附属设备的设计 30
6.1 防排水设计 30
6.2 运营的通风设计 31
6.3 照明设计 31
6.4 隧道内槽、腔、洞室的设置 31
6.5 隧道轨下基础类型 31
结论 32
参考文献 33
附录1 34
致谢 36
第一章 绪论
1.1 研究目的以及意义
面对现如今经济的高速发展,人们日益增长的精神需求以及对物质的需求已经越来越难以满足。铁路是非常重要的基础设施、国民的经济大动脉和大众化的交通工具,有如占地少、污染小、能耗低、速度快等优势。对于一些比较偏僻的但是具有美好风景的地方或者有着丰富的产品但是碍于交通的不便利无法将其大规模运送到市场进行销售的地方,铁路的建造对于他们来说有着重大的意义,不仅能让当地人轻松的前往外界见识不同的风景,更能拉动当地的经济,改善自己的生活。因此,铁路的建造便显得尤为关键,而铁路的建造离不开铁路工程设计,对于这些较为偏僻的地方,隧道的设计便尤为常见。一个好的隧道设计能节约很多不必要的浪费也能使得隧道的施工和运营更加安全。而一个不好的隧道设计可能会危及很多人员的性命安全,也会花费更多的钱财来建造一些不合理的隧道甚至是无法修建成功,因此需要不断地优化和完善隧道设计的步骤和方案。
此次设计的下前湾隧道属于宜万铁路中的一段短隧道。宜万铁路需要通过很多的山区,在世界上修建铁路史上属于非常复杂的地质。为了早日结束长江没有铁路贯通的历史以及缩短沿江的许多城市之间的运输距离,于是有了此次宜万铁路的修建。这次修建也填补了浙赣线和陇海线之间至少700公里没有铁路的空白。 对于国家实施西部大开发战略,加快中西部地区发展,促进少数民族地区的繁荣富裕有着十分重要的意义。
而且,隧道建成之后会缓解历年来川渝地区车流紧张的局面。也可以为乘火车出行游玩的旅客节约一大笔钱财,从而带动当地部分旅游业的发展。一旦建成通车,会非常有效的解决近百年来影响山区人们出行难,发展难等问题。铁路的交通便利可以让如蔬菜等生活必需品进入市场进行销售,改善了山区人的生活条件,也可以促进市场的繁荣发展。因此,宜万铁路的一些隧道的设计和建成是非常有必要的。
1.2 研究现状
目前国内的隧道施工很多都选择使用隧道掘进机施工,硬岩隧道掘进机称为TBM,软岩隧道掘进机称为盾构机。当然隧道的开挖方法会受到很多因素的影响,对于在城市的一些隧道施工,为了减小对周围的建筑的影响,一些传统的施工爆破施工法可能不太适用,使用掘进机施工就会更好用一些。而在山岭隧道的施工处,掘进机由于体积较大,不好运输以及施工花费较大,还是会选用爆破法进行施工。爆破法有传统的矿山法施工和新奥法施工,新奥法在一些地质比较差的地下工程中的应用表现得非常的好,因此新奥法几乎成为在软弱破碎围岩地段修筑隧道的一种基本方法。国内外在隧道设计方面有一些差异。例如:设计理念不同, 设计手段不同、认识不同、设计精度不同等等。就设计理念而言,国内外的防灾救援理念不同,如紧急出口间的距离不同。施工方法也有不同,如国内铁路隧道基本使用钻爆法,国外基本使用TBM法。施工方法的不同主要原因是钻爆法的特点适合中国国情,施工简单、灵活,工程投资省。就设计手段而言,国内隧道设计主要以工程类比为主,结构计算为辅。国内隧道衬砌设计,一般情况下参照铁道部颁布的参考图,根据不同项目的具体情况,进行必要的调整。遇到特殊结构时, 初期支护按不同埋深及不同工法分别进行计算,二次衬砌按照深浅埋、地震与非震、偏压等工况分别进行计算。国外隧道设计基本没有标准图,主要是以结构计算为主,工程类比为辅。
国内外的隧道修建也有很多相同的地方,以前国内外修建的普通铁路隧道,一般断面较小,长大隧道少,遇到不良的地质时尽量绕避,修建技术相对简单。如今随着技术的发展,很多隧道的设计已经不需要进行复杂的线路设计。这是因为国内外都在研究采用大型机械化配套作业的模式,形成地质超前预报、施工超前支护等多条机械化配套的作业线。而且研制的支护材料初期和长期强度都比较高,使得隧道的支护和后续的开挖更加容易进行。
1.3 研究内容
本次设计采用宜万铁路下前湾隧道的实际工程资料进行隧道设计,首先对隧道的断面进行设计,然后通过地质条件选定洞门的位置和对洞门的结构进行设计和稳定性验算,之后再对隧道的衬砌结构进行设计和使用岩石理正软件对衬砌内力进行验算,最后对施工方案进行选择还有施工组织和隧道附属设备的设计。
第二章 隧道结构断面型式方案的优化比选
2.1 隧道基本资料
下前湾隧道长为307m,根据设计准则,对于500m以下的一些隧道,一般按单口单方向安排施工。根据宜万线隧道的调查表得知,隧道的进出口均为单线,隧道的设计为单线。旅客列车设计运行的最大速度为160km/h,牵引种类为电力。工程地质条件上可得知在整个下前湾隧道的围岩分级上,最差的为III级围岩。
2.2 岩体理论分析
坚硬半坚硬的岩石,一般对隧道的稳定影响较小。根据地质图可以发现,隧道沿向斜轴部通过,两侧岩体倾向洞内,拱将促使岩体变形,影响隧道稳定。一般水平的岩层和较缓的倾角会导致垂直的压力大,对洞顶有较大的影响,洞顶的压力比较大,两侧的压力会比较小以至于对洞壁的破坏较小。对于一些较薄的岩层,一般会有岩层塌落,对于一些较厚的岩层,会对洞顶和洞壁的稳定性都有利。对于一般比较陡的岩层,洞顶的岩层会互相倾轧,形成一个类似拱的作用。当隧道的轴线和岩层的走向平行或交角甚小时,对边墙不利。当隧道轴线与岩层走向垂直时有利,平行时不利[1]。
2.3 基本断面形状以及适用条件
隧道开挖的一些常见断面及其适用的条件:
- 半圆拱形:半圆拱适合在顶部的压力比较大,侧面的压力比较小的时候使用;
 - 圆弧拱形:当断面的宽度比较大的时候,会比半圆拱型的断面更适合;
 - 三心圆拱形:与半圆拱相比,对于围岩的顶部压力抗性较差,但是断面利用率较高,适用于围岩坚硬的隧道;
 - 梯形:顶板的暴露面积比矩形小,可以很好的减小顶压,能承受稍大的侧压;
 - 矩形:对于一些顶部压力较小和侧面压力较小或者维护的时间不是很长的巷道使用较多;
 - 马蹄形:对于一些有底压会比较好,围岩较为松软、顶部压力和侧面压力比较大的时候也会选用该断面;
 - 圆形:围岩松软、有膨胀性、四周压力均很大,用其他形状不能抵抗周围压力时采用;
 - 椭圆形:当巷道四周的压力很大,并且分布不均时,会根据顶部压力和侧面压力的大小,选择使用竖向或水平布置。
 
2.4 断面形式选择
根据所给的地质资料和岩体分析理论来判断,岩层倾角较缓,顶压较大,而侧压较小。节理产状三组并且发育,通过所给的倾向以及倾角来判断,节理是与隧道走向近乎平行的,并且角度较陡,这对拱顶的压力较大。首先根据上面几个地质因素可得知半圆拱形、圆弧拱形、三心圆拱形都适用。梯形因为节理的角度原因,故而不考虑。矩形只适用于顶压和侧压都较小的隧道。马蹄形是因为围岩等级较好,且岩石坚硬故而不选用。圆形和椭圆形因为侧压没有那么大的原因所以没有选用。再根据岩层较破碎,溶沟、溶槽发育的因素,选用的掘进进尺没那么大,故而不选用圆弧拱形。三心圆拱形的断面利用率较高且适用于围岩坚硬的隧道,因此最终决定选用三心圆拱形断面。
2.5 隧道建筑限界的确定
根据《铁路技术管理规程》(普速铁路部分),客货共线的电力牵引的建筑限界如下图所示:

第三章 隧道洞口位置的选定和洞门结构设计
3.1 选择洞口位置的原则
洞口是隧道施工中非常重要的一部分。洞口位置的选择是否安全合理,将对隧道施工工期、造价、运营安全等产生极其重大的影响。理想的洞口位置应选择地质条件比较好的位置,或者一些施工比较经济或者施工比较方便的地方。在选择洞口位置的时候应该注意以下的几个原则:
1.洞口一般都不设置在比较低洼的沟底处或者垭口处,在垭口或沟谷处经常会遇到一些不良地质;
2.洞口应该尽量避开不良的地质地段,如断层、岩堆、流砂、岩溶等,以及不要在地表水比较多的地方通过;
3.当隧道的修建线路会经过一些比较陡的岩壁,基岩裸露处时,最好不要随意破坏地形地貌,来确保山体的天然平衡;
4.减少路堑的长度,加长隧道以提前进洞;
5.洞口的线路和等高线正交会使得洞口的施工比较好;
6.当洞口地势开阔,情况非常适合布置施工场地,可以有目的地改造洞口场地,使得布置运输通道、生产和设施用地、材料堆放的场地及生活用房等能变得方便。
3.2 洞口位置的选定以及设计
3.2.1 洞口位置的选定
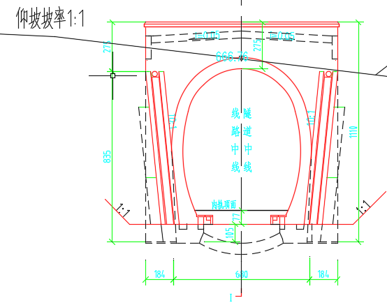
隧道进、出口位置的确定应贯彻“早进晚出”的原则,尽量减少对地表的破坏。根据所给的地质资料、黄家一号隧道出口(下前湾隧道)地质图和河水坪隧道出口及黄家一号隧道进口地质图来选定下前湾隧道的进口里程为DK170 935,出口里程为DK171 215。因为进出口的围岩都是Ⅲ级围岩,而且仰坡的坡率相差不大,选用相同的洞门尺寸。
3.2.2 验算满足条件
根据设计规范,洞门墙的结构稳定需要验算以下几个因素。
3.3 洞门结构验算
一、翼墙式隧道洞门验算
(1)原始资料
根据资料得知仰坡坡率为1:1;
通过查阅设计规范得知岩体内摩擦角ψ=50°;
內轨面至路基面高,h2=77cm;
因为隧道长度较短,不需要进行隧道加宽,所以衬砌加宽值W=0;岩土容重γ=2.0吨/立方米;
圬工计算容重γ0=2.2吨/立方米;
基底容许压应力[σ]=3.5公斤/平方厘米;
基底摩擦系数f=0.4;
墙身仰角tgα=0.1;
查洞门土压力系数表得知:λ端=0.1792 ω/tgω=30°15′/0.5831 λ翼=0.0992
(2)洞门尺寸的拟定
根据所选用洞口衬砌断面,按规范要求作洞门正面主要尺寸图。
按工程类比初选洞门主墙厚b=0.9米,翼墙厚1米。
(3)翼墙稳定性和强度检算
翼墙计算条为取洞门端墙墙趾前之翼墙宽1米的条带。
计算高度H平均=
- 翼墙墙身偏心距验算:
 - 墙身主动土压力:
 - 倾复力矩(对B点)
 - 稳定力矩:
 
自重
稳定力矩
- 偏心计算:
 - 墙身应力计算:
 
2.翼墙基底的计算(按墙高H=7.02米计):
(1)主动土压力
(2)倾复力矩(对点)
(3)稳定力矩:
自重
稳定力矩
- 稳定计算:
 
倾复稳定安全系数
滑动稳定安全系数
- 基底偏心及应力检算:
 
偏心
基底应力:
(4)端墙的检算
检查端墙最不利的Ⅱ部分:
- 尺寸及数据
 
已知
由表求得
- 主动土压力
 - 倾复力矩
 - 稳定力矩
 
墙身自重N
- 强度及偏心计算:
 - 端墙与翼墙共同作用检算(Ⅲ部分)
 - 数据:
 
b=1.84m
- 主动土压力:
 - 洞门端墙自重
 
洞口翼墙自重
- 端、翼墙共同作用滑动稳定性:
 
(可)
3.4 进出口洞门尺寸图

第四章 隧道衬砌内力的分析与结构设计
4.1 工程概述
4.1.1 工程简介
下前湾隧道全长280m,设计宽度7.22m,单线,是衬砌内轮廓,结构断面采用直墙式设计;隧道的设计行车速度为160km/h。
4.1.2 地形地貌
属于低山区,谷地的形状为窄条带状,在谷地内的区域,岩溶洼地发育。绝对标高为650~735m,相对高差有85m,山坡的自然坡度为30~40°,山顶比较平缓,基岩裸露,植被比较发育。
4.1.3 围岩等级
4.2 隧道的衬砌形式
隧道在开挖之后,隧道可能会变形或者崩塌。一些岩体比较完整的隧道开挖时,可以只开成毛洞以外,其他的所有的地层中的隧道,都需要支护来保持隧道的稳定。支护方式有:外部支护,混合支护和内部支护。外部支护就是从外部支撑坑道的围岩(比如砖石衬砌、模筑混凝土整体式衬砌、喷射混凝土支护、装配式衬砌等);外部支护就是对围岩进行加固以提高其稳定性(比如压入浆液、锚杆支护等);混合支护就是内部与外部支护同时采用的衬砌(比如喷锚支护)。从衬砌的施工工艺方面可以将隧道衬砌的形式分为以下的4类:
1.整体式模筑混凝土衬砌
是指就地灌筑混凝土的衬砌,也被称为模筑混凝土衬砌。它的工艺流程为:立模-灌筑-养生-拆模。
2.装配式衬砌
是指将衬砌分为若干块件,构件是在现场或者工厂预制,然后将其运到坑道内用机械将它们拼装成一环接着一环的衬砌。
3.喷锚支护
喷射混凝土是指将掺有速凝剂的混凝土搅和水和料汇合成为浆状,喷射到隧道的岩壁上凝结而成的。当岩壁的稳定性不够时,可加设锚杆、钢架和金属网,这样构成一个支护形式,简称为“喷锚支护”。
4.复合式衬砌
以上是毕业论文大纲或资料介绍,该课题完整毕业论文、开题报告、任务书、程序设计、图纸设计等资料请添加微信获取,微信号:bysjorg。
相关图片展示:








        
            
