混合动力电动汽车发展现状分析及前景研究毕业论文
2020-04-08 14:27:52
摘 要
汽车工业不断发展,在给人们带来方便的同时,环境问题也逐渐凸显出来。节能环保成了新时代汽车发展的新要求,在响应全球实现节能减排目标号召的背景下,新能源汽车应运而生。而在零排放汽车还未普及的情况下,混合动力电动汽车的发展成为了新能源汽车发展道路上的过渡阶段。怎样更好的实现过渡,是当前研究的重点。
本文主要研究了混合动力电动汽车的发展现状以及发展前景。首先为了引出混合动力电动汽车这一类型,分析了新能源汽车的分类。其次,对混合动力汽车的技术现状、市场现状、政策现状等方面进行了分析,在此基础上还对混合动力电动汽车国内外发展现状进行了对比。接着,根据资料的查阅和分析,总结出了混合动力电动汽车目前发展中存在着价格过高、消费者接受程度不高、技术发展不成熟、服务及保障体系不完善、城府扶持力度小等问题,并根据所学知识和查阅到的资料给出具体的解决办法。最后,结合混合动力电动汽车的现状,分别从技术层面、市场层面、政策层面等提出对未来发展的前景的预想。
研究成果表明:虽然混合动力电动汽车的发展目前存在一定的问题,但是混合动力电动汽车已经到了高速发展的阶段,目前国内外都对混合动力电动汽车给予充分的重视。就目前的发展现状来看,混合动力电动汽车已经相对成熟,在研发、生产等方面形成了相对完善的体系。混合动力电动汽车的发展前景已经不容小觑,混合动力时代正在逐渐形成。
本文的特色在于:本文着重分析了混合动力电动汽车的发展现状,并研究了混合动力电动汽车的发展前景。运用详细的数据来展示市场现状,进而对混合动力电动汽车的市场竞争力有明确的分析。通过对现状和前景的分析,得出混合动力电动汽车目前发展依然存在的问题,并就这些问题提出了相对合理的解决办法。
关键词:混合动力 电动汽车 发展现状 发展前景
Abstract
As the automobile industry continues to develop, environmental issues have gradually emerged. Energy conservation and environmental protection have become new requirements for the development of automobiles in the new era. Against this backdrop, new energy vehicles have emerged. While zero-emission vehicles have not yet been popularized, the development of hybrid electric vehicles has become a transitional stage in the development of new energy vehicles. How to achieve a better transition is the focus of current research.
This paper mainly studies the development status and development prospects of hybrid electric vehicles. First of all, in order to derive the type of hybrid electric vehicle, the classification of new energy vehicles was analyzed. Secondly, the technical status, market status and policy status quo of hybrid vehicles are analyzed. Based on this, the development status of hybrid electric vehicles at home and abroad is also compared. Then, based on the review and analysis of the data, the problems existing in the current development of hybrid electric vehicles are summarized, and specific solutions are given based on the knowledge gained and the information obtained. Finally, based on the current status of hybrid electric vehicles, the prospects for future development are proposed from the technical level, market level, and policy level.
The research results show that the hybrid electric vehicle has reached a stage of rapid development,thought it still has many questions. At present, the hybrid electric vehicle is given full attention at home and abroad. Judging from the current development status, hybrid electric vehicles are relatively mature and have formed a relatively complete system in terms of research and development and production. The development prospects of hybrid electric vehicles have not been underestimated, and the hybrid era is gradually emerging.
The characteristics of this paper : This article focuses on the analysis of the development status of hybrid electric vehicles, and studies the development prospects of hybrid electric vehicles. The use of detailed data to demonstrate the current state of the market, and then a clear analysis of the market competitiveness of hybrid electric vehicles. Through the analysis of the status quo and prospects, the problems still exist in the current development of hybrid electric vehicles, and a relatively reasonable solution to these problems has been proposed.
Keywords : Hybrid power; electric vehicle; development status; prospects for development
目 录
1. 电动汽车产业概述 1
1.1电动汽车定义 1
1.2电动汽车发展历程 1
2. 混合动力电动汽车发展现状 3
2.1混合动力电动汽车技术现状 3
2.1.1混合动力电动汽车原理 3
2.1.2 混合动力电动汽车分类 3
2.1.3国内外混合动力电动汽车研发现状 7
2.2混合动力电动汽车市场现状 11
2.2.1混合动力电动汽车价格 11
2.2.2混合动力电动汽车市场供应情况(产量) 12
2.2.3 混合动力电动汽车市场需求(销量)及市场占有率 13
2.2.4混合动力电动汽车市场竞争状况 16
2.3混合动力电动汽车政策现状 19
2.3.2政府对混合动力技术研发的扶持 20
2.3.3对混合动力电动汽车进行财政补贴 20
2.3.4 建设混合动力电动汽车相关设施 21
2.3.5对混合动力电动汽车行业进行管理 22
3. 混合动力电动汽车发展中存在的问题及解决方法 24
3.1混合动力电动汽车发展中存在的问题 24
3.1.1我国混合动力电动汽车价格过高 24
3.1.2消费者对混合动力电动汽车接受程度不高 24
3.1.3我国混合动力电动汽车技术发展不成熟 25
3.1.4我国混合动力电动汽车服务及保障体系不完善 27
3.1.5我国混合动力电动汽车政府扶持力度小 27
3.2有关混合动力电动汽车发展问题的解决办法 28
3.2.1合理降低成本 28
3.2.2 提高群众认可度 29
3.2.3大力发展核心技术 29
3.2.4完善服务和保障体系 30
3.2.5加大政府扶持力度 30
4. 混合动力电动汽车前景研究 31
4.1技术前景 31
4.2市场前景 31
4.3政策前景 32
5. 总结 33
参考文献 34
致 谢 36
电动汽车产业概述
1.1电动汽车定义
电动汽车的定义是指动力为车载电源的,利用电机驱动车轮行驶,并且符合道路交通、安全法规各项要求的车辆,是新能源汽车的一种。相对于传统汽车来说,电动汽车更加节能环保,对环境的影响较传统汽车相比较小,所以发展前景备受关注,并被业内人士广泛看好[1]。
1.2电动汽车发展历程
电动车辆的出现以及实际应用其实是比较早的。早在19世纪中期,马车配合电动机的模式就已经出现。根据材料记载,电动马车最早是由苏格兰人罗伯特·安德森于1839年制作的,他在四轮马车上装了电力驱动装置,以增加马车的行动能力。1859年,法国人普兰特发明了蓄电池。这一发明,让电动车进行长距离行驶成为了可能。从二十世纪后半叶的1873年开始,电动汽车的研发开始有了质的飞跃。英国人罗伯特戴维森发明了全球第一台电力驱动的汽车,和卡尔本茨发明的内燃机汽车相比要早10余年。戴维森制造的电动汽车属于载货用车,长度为4.8m,宽约1.8m,汽车电机使用铁、锌、汞合金与硫酸反应的一次性电池,并没有采用蓄电池设计。
但是因为一次性电池更换步骤繁杂,需要专业人员来负责,所以一次性电池在汽车行业中很快被淘汰。汽车先驱者们接下来选择了能够进行反复充电的蓄电池作为汽车的动力源,这对电动汽车的发展产生了非常重要的影响,因为便捷的充电操作极大地提高了使用效率。1881年,法国工程师特鲁夫制造出了一台电力驱动的三轮车,并将其在同年于巴黎举办的国际电器展览会上向众人公布出来,这辆三轮车在会场可以进行实际操作,当时引起了人们的热议。十九世纪末期,电动汽车产量与需求逐渐增加,隐约有成为主流的交通运输工具的势头,电动汽车的发展达到了第一个小巅峰。
在九十年代的欧洲大陆上,已经能够在法兰西以及英格兰的大街上频繁看到电动客车。内燃机技术在那时刚刚问世,还处于发展较为落后的状态,常见问题就是车辆行驶距离不长,故障率也远高于发展多年的电动汽车。在当时,电动汽车无论是驾驶还是维修保养都更加简单快捷。
来到二十世纪初,美国已经拥有万余辆电动汽车,而以内燃机与蒸汽机为发动机的车辆,保有数不及它的零头。但是二十世纪初,因为石油资源的价格成本低于用电,内燃机又成为了大家关注的焦点。内燃机技术突飞猛进,让刚刚登上巅峰的电动车被各大汽车企业打入冷宫。1908年福特公司成功研发可以迅速量产的T型汽车,并借助于当时独特的流水线生产方法,疯狂量产汽油机汽车,压缩了电动汽车市场。1915年,美国电动汽车的保有量仅有5万辆,增长速度极缓。
进入二十世纪,石油开采技术提升飞快,促使大量设计师与资金被导向了内燃机技术研发方向。而因为技术人员流失以及资源问题,电动汽车行业发展缓慢,电池技术也停滞不前,逐渐在性能、价格等各个方面被内燃机汽车超越。在原油开采顺利,拥有了大量试验资源之后,汽油机得到了更快的发展与普及,汽油车开始成为欧美各国大多数民众选择的交通工具,商用规模的电动车款式已屈指可数[2]。到了二十世纪三十年代,电动汽车几乎销声匿迹。这种情况一直维持到二十世纪末期,因为汽油价格的上升以及世界各国开始对环境问题产生担忧,才让电动汽车的研发再次被提上日程。随着政策以及条款的发布,德国大众汽车公司和日本丰田汽车公司相继推出了多款油电混合动力汽车,尤其是丰田普锐斯,成为了新能源汽车中的佼佼者。目前插电式混合电动车以及纯电动车在市场中所占的份额愈来愈大。纯电动汽车的续航里程数也愈来愈大,Tesla旗下的Model S已经能够达到不充电续航500公里。而国内车企也不甘于人后,比亚迪以及上海汽车在这一领域已经跻身世界前列,年年销售量冠绝群雄。
历数电动汽车的发展历程,曾踏足山巅,也曾陷入低谷。它的发展,是符合自然规律的。它代表着未来汽车发展的目标,是所有汽车人,都想攀上的一个高峰。今天,新能源汽车在路上已经随处可见,电动汽车的春天已经悄然到来。
混合动力电动汽车发展现状
2.1混合动力电动汽车技术现状
2.1.1混合动力电动汽车原理
混合动力电动汽车是新能源汽车中当下前景较好的一种。与传统汽车不同的是,混合动力电动汽车拥有汽油驱动和电池驱动两种不同驱动方式。为了达到最佳的行驶效果,实现减少废气排放和燃油消耗的目的,两种动力源在汽车不同的行驶状态下分别或一起工作。利用两种动力源的组合工作达到节能减排的目标。控制系统、驱动系统、辅助动力系统和电池组等部分构成了混合动力电动汽车的动力系统[3]。混合动力电动汽车与传统汽车相比有很多优势,混合动力电动汽车既保留了发动机优良的续驶能力和动力性,又利用电动机实现了降低噪声污染、减少尾气排放和燃油消耗的目的,是非常理想的汽车类型。
2.1.2 混合动力电动汽车分类
目前,按混合动力驱动的联结方式的不同,将混合动力电动汽车大体上分为串联式混合动力电动汽车、并联式混合动力电动汽车、混联式混合动力电动汽车三类[4]。
(1)串联式混合动力电动汽车
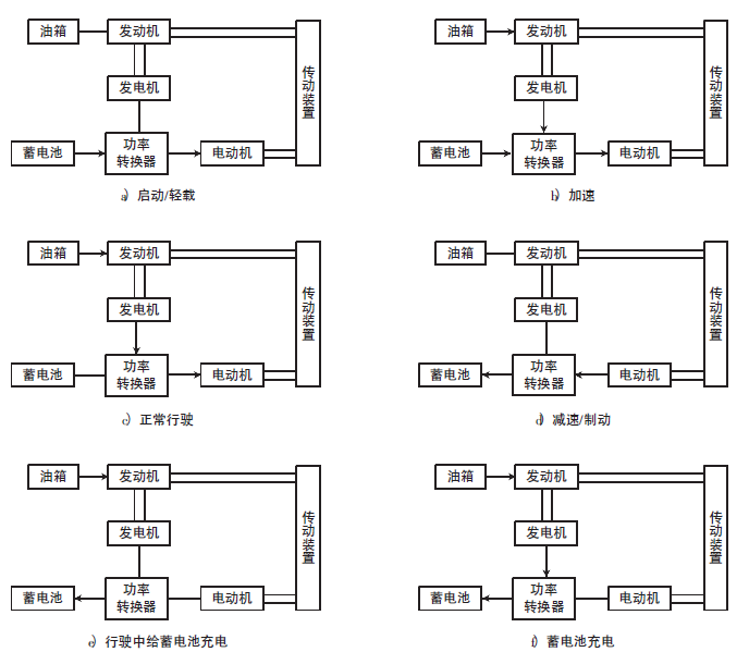
串联式混合动力电动汽车是指发电机、发动机和电动机串联连接的混合动力电动汽车。串联式混合动力电动汽车最重要的组成部分是发电机、发动机和电动机。主要原理是发电机在发动机的带动下发电, 电机控制器将发电机所产生的电能传递给电动机,利用电动机实现对车辆的驱动。电力驱动是在串联式混合动力系统中唯一的驱动模式 ,但是这种类型的混合动力电动汽车的燃油经济性并不高。原因是从发动机输出之后,能量经历了一些的形式转换,在这一过程中有一部分能量被损耗,才最终实现对车辆的成功驱动。串联式混合动力系统较其他两种类型的混合动力电动汽车来看,结构比较简单,不用复杂的变速器,平稳性较好,对于乘客来说舒适度较高,所以串联式混合动力电动汽车多被用做城市公交用车或大中型巴士。

图 2‑1 串联式混合动力电动汽车工作模式
(2)并联式混合动力电动汽车
并联式混合动力电动汽车由发动机、变速器、电动机、电机控制器和动力电池组成。它拥有两套独立的动力装置,即发动机和电动机,以发动机为主,电动机为辅。实现汽车驱动有两种方式:一个是发动机与电动机各自单独工作进行驱动,另一个则是两个动力装置合作完成驱动。当两个动力装置同时工作时,以机械方式实现耦合, 动力的流向为并联。并联式混合动力电动汽车相比串联式动力控制系统及机械切换系统相对比较复杂,但是能量的损失较少,能量传递效率比串联式混合动力电动汽车要高。并联式混合动力电动汽车也有不足的地方,例如噪声比较大、污染较严重等。但总的来说,并联式混合动力电动汽车的优势很大,所以应用范围较广,适用于多种不同的行驶工况,特别是在复杂的路况非常适用,在各种车型上也都有应用。

图 2‑2 并联式混合动力电动汽车工作模式
(3)混联式混合动力电动汽车
混联式混合动力电动汽车主要由发动机、发电机和电动机三大动力总成组成,它综合了串联式混合动力电动汽车和并联式混合动力电动汽车的结构特点。在工作过程中,它能将发动机和电动机两者的动力共同作用在驱动车轮上,使汽车行驶;同时,发动机还可以带动发电机发电,并将电能储存在蓄电池中或直接供给电动机,由电动机驱动汽车行驶。发动机和电动机驱动系统各有一套机械变速机构, 两套机构或通过齿轮系,或采用行星轮式结构结合在一起。发动机的动力经过动力分配器后分成两部分,一部分直接驱动车辆,形成机械传输通道;另一部分带动发电机发电,所产生的电能通过电机控制器提供给电动机驱动车辆,形成电力传输通道。混联式混合动力电动汽车是串联式与并联式的综合,低速时驱动系统的工作主要采用串联方式,高速稳定行驶时主要采用并联方式。由于混联式混合动力电动汽车结构中有两套动力系统,因此可将混联式混合动力电动汽车分为发动机主动型和电动机主动型两种,车辆运行时,发动机主动型主要是发动机起作用,电动机主动型主要是电动机起作用。混联式混合动力电动汽车比串联式和并联式的结构要复杂许多,结合了其他两种类型的优点。它能量传递效率较高,具有较好的燃油经济性,对环境的污染也不如并联式那么大,传动系统的传动效率非常理想。

图 2‑3 发动机主动型混联式混合动力电动汽车工作模式

图 2‑4 电动机主动型混联式混合动力电动汽车工作模式
2.1.3国内外混合动力电动汽车研发现状
(一)国内混合动力电动汽车研发现状
说起国内混合动力电动汽车的发展,不得不提的就是2001年我国启动的863专项计划。在这项计划里,将纯电动汽车、混合动力电动汽车以及燃料电池车的研发列入电动汽车重大专项。这个政策对以后我国混合动力电动汽车的发展有着深远的影响。从2001年以后,我国对新能源汽车的发展逐渐重视起来。“三纵三横”的战略布局就是在“十五”期间诞生的。所谓“三纵三横”,三纵指的是纯电动汽车、混合动力汽车和燃料电池汽车,三横则是指多能源动力总成控制系统、电机驱动系统和动力蓄电池/燃料电池。“三纵三横”的战略以发展关键技术为核心,并加以政府扶持,形成一套属于自己的混合动力汽车发展体系[5]。 “三纵三横”的战略布局开始实施之后,我国在混合动力电动汽车上的发展速度明显加快,在研发自主品牌上取得了优异的成绩。在863计划中混合动力电动汽车项目分为两个部分,一个是混合动力电动轿车,另一个是混合动力电动客车。一汽、东风、长安和奇瑞四家企业作为项目的负责企业,在混合动力电动轿车的研发和创新中都有不错的表现。除了这几家企业以外,上汽、比亚迪也是国内两家积极推动混合动力电动汽车产业的本土企业。表为国内生产混合动力汽车的主要厂商。
以上是毕业论文大纲或资料介绍,该课题完整毕业论文、开题报告、任务书、程序设计、图纸设计等资料请添加微信获取,微信号:bysjorg。
相关图片展示:





