130m打桩船移船绞车功率匹配液压控制系统设计毕业论文
2020-02-19 19:24:49
摘 要
随着人口的增长和对资源需求的增加,我国的海洋工程建设越来越多,打桩船在水上施工作业中的作用也越来越重要。打桩船包含很多个功能部分,如打桩、起升、移船等,其中打桩船移船绞车液压系统用于驱动绞车转动,通过收缆使打桩船在水上移动和定位。由于现有设计冗余度大,智能化控制水平偏低,使得打桩船液压系统功率过高,不易实现智能控制,不够环保,浪费严重。因此,对打桩船进行节能设计,降低打桩船功耗,具有很现实的意义。
本文将根据130m打桩船技术参数要求,调查研究打桩船的工作特征,对打桩船移船绞车液压系统进行节能设计,并完成液压元件的选型计算、系统的结构设计和在打桩船上的空间布置。
本文所设计的液压系统将具有功率匹配和负载敏感控制功能,系统能根据负载需要自动调节泵的参数,使得泵的出口压力和流量与绞车马达的需求相匹配,从而减少柴油机的功率消耗,达到提高系统效率、节约能源的目的。
关键词:打桩船,移船绞车,液压系统,功率匹配
Abstract
With the increase of the population and the demand for resources, China's Marine engineering construction is more and more, and the role of piling boats in the water construction work is more and more important.The pile driver includes many functional parts, such as pile driving, lifting and ship moving, etc. The hydraulic system of the pile driver and ship moving winch is used to drive the winch to rotate and make the pile driver move and locate on the water by winding cables.Due to the large redundancy of the existing design and the low level of intelligent control, the hydraulic system power of the pile driver is too high, which makes it difficult to realize intelligent control, which is not environmentally friendly and causes serious waste.Therefore, it is of great practical significance to carry out energy-saving design for the pile driver and reduce the power consumption of the pile driver.
In this paper, according to the technical parameters of 130m pile driving ship, the working characteristics of the pile driving ship are investigated and studied, the energy saving design of the hydraulic system of ship shifting winch of the pile driving ship is carried out, and the type selection calculation of the hydraulic components, the structural design of the system and the space layout on the pile driving ship are completed.
The hydraulic system designed in this paper will have the functions of power matching and load sensitive control, and the system can automatically adjust the pump parameters according to the load needs, so that the pump outlet pressure and flow are matched with the needs of the winch motor, so as to reduce the power consumption of the diesel engine, and achieve the purpose of improving the system efficiency and saving energy.
Key Words: Pile Driver,Shifting Winch, Hydraulic System, Power Matching
目 录
摘要 I
Abstract II
第1章 绪论 1
1.1引言 1
1.2国内外发展现状 2
1.3选题背景和意义 3
1.4主要工作内容 4
1.5本章小结 4
第2章 打桩船移船绞车液压系统的负载特性及功率匹配 5
2.1打桩船施工工艺 5
2.2液压系统基本参数的计算 5
2.3移船绞车系统泵组数量的确定 7
2.4柴油机与液压泵组的配置型式及功率匹配 8
2.5本章小结 9
第3章 打桩船移船绞车液压系统的节能设计 10
3.1液压泵的选型 10
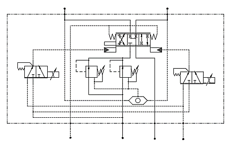
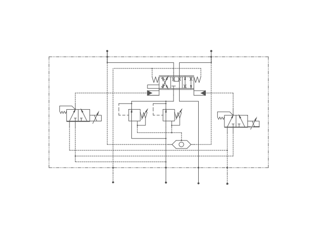
3.2液压回路的节能设计 12
3.2.1液压供油回路 12
3.2.2速度调节回路 13
3.2.3液压马达控制回路 14
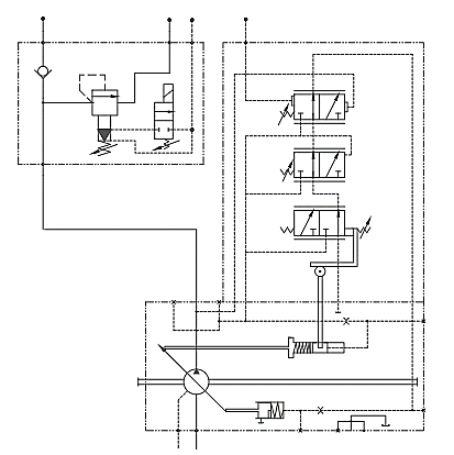
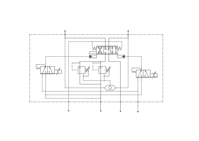
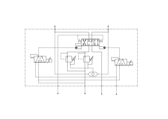
3.3打桩船移船绞车液压系统回路 15
3.4液压系统的节能特征 16
3.5本章小结 17
第4章液压辅件的计算和选型 18
4.1液压油的选择 18
4.2过滤器的选型 18
4.3油箱容积计算 20
4.3冷却器的设计计算 21
4.5液压阀的选型 22
4.6管道及管接头选型 23
4.7本章小结 24
5结构设计与经济性分析 25
5.1液压泵站的结构设计 25
5.2油箱结构设计 25
5.3集成块设计 27
5.4船舱布置 29
5.5经济性分析 30
5.6本章小结 30
第6章 总结和展望 31
6.1全文总结 31
6.2研究工作展望 32
参考文献 33
致谢 34
第1章 绪论
1.1引言
当今世界随着人口的增长,人们对矿产资源的需求不断增大,从而造成资源的枯竭,人类未来的生存与发展将依靠丰富的海洋资源,未来各国的竞争与发展将会在对海洋资源的开采与利用方面展开[1]。
我国幅员辽阔,各种海洋资源丰富,可惜的是,由于一些历史原因和政治问题,加之国家远洋能力有限,尽管我国已经在大力发展海洋资源开发技术,加大海洋资源开发力度,但是由于我国海上资源开发起步较晚,资源开发还达不到本应有的水平[2]。多年以来,邻海的一些国家总是无视中国国家主权,在中国的合法海域内进行资源探索和开发,还在国际舆论上颠倒是非,侵犯大国尊严。面临着能源枯竭、资源开发、维护大国尊严等一系列问题,加快全方面升级海洋资源开发技术、提高远海资源开发竞争力、提高海洋国防实力对我国发展有很重大的意义[3]。
随着中国的发展和一带一路建设,水上的各种工程项目建设开发越来越多。无论是架桥还是建设港口,打桩筑基都是一项极为重要的步骤,只有筑起了稳固的基础才能建设出高质量的工程。打桩船在水上基础建设工程中扮演着极其重要的角色,有着不可替代性[4]。打桩船主要用于水上建设的打桩定基,船体为钢箱型结构,在船面的一端装有打桩架,可通过变幅机构改变倾斜角度以适应打斜桩的需要,某110m打桩船的外形如图1.1所示。
图1.1 110m打桩船外形图
打桩船为非自航船,无法自己移动,必须靠绞车收放缆绳拉动。打桩船常见于桥梁、码头、水上工程的施工建设中。打桩船装备有打桩锤、桩架和其他的一些设施。桩锤安装在桩架中,由缆绳吊起,工作时通过桩锤的下落冲击打桩。打桩船通常以打桩长度命名,如36米打桩船、54米打桩船等[5]。
1.2国内外发展现状
工程船舶中移船绞车按驱动力不同可分为电力驱动和液压驱动。在现阶段,电动机驱动技术在输出转矩、安装重量等方面还赶不上液压动力。相较于电力驱动方式,液压驱动具有以下的一些优势。
1)液压元件工作压力大,功率密度高。这样可以减轻负重,减小对夹板空间的占用,这对许多工程船舶来说是很重要的。
2)液压驱动系统输出力矩大,因此可以驱动更大的负载。
3)液压元件质量小,惯性小,反应迅速,并且液压油有一定的缓冲功能。
4)液压控制调速范围大,容易实现无极调速。
5)容易实现过载保护。通过安全阀、蓄能器等的使用,可以减少紧急情况下的危害,特别是当动力源出现故障时,液压系统可以紧急制动,这对于海上工作的船舶极其重要。
6)很多液压元件都已经实现规范化和标准化,这便于系统的设计、制造、使用和海上维修。
7)使用简单。液压技术和电气技术相结合,容易实现自动化控制,使电气技术和液压技术的优点相结合[6]。
如今发展起来的交流变频调速驱动技术在特定方向上会表现出它的优势,但是还是受温度、湿度、振动、腐蚀等环境条件的影响很大,而且设备价格太高,通常一个电力驱动系统的投资估计为液压驱动的1.5~2倍[7]。在工程中,尽管移船绞车同时可以选择电力驱动和液压驱动,但是打桩船上其他的工作机构,比如桩架变幅机构,必须使用液压驱动,为了简化系统,避免打桩船上使用多个动力元件,移船绞车也应该采用液压驱动,这样可以将多个液压系统整合在一起,节省空间[8]。
目前国外工程船舶的节能设计主要从船体和船机设计着手,一边从流体力学的角度,设计更流线型的船体来减少行驶时水的阻力,一边改进发动机技术,采用增压技术使发动机中燃料燃烧更彻底,使发动机油耗尽量减少,功率尽量提高,来达到节能的目的[9]。对打桩船液压系统的设计与建造方面,国外也在往提高效率和节能等方向努力。其改进的措施在以下几个方面。
采用定压力油源供油方式。日本的工程船液压系统采用两条管道输送油液,一条输送低压油,另一条输送高压油,液压设备在两条油路之间取得能量。采用这种供油方式,可以减少阀门的使用,从而减少液压油流经液压阀产生的能量损失,来达到提高效率的目的[10]。
使用变频电机和伺服元件。通过改变变频电机来改变泵的输入功率,达到节能的目的。此传动方案便于自动化控制,结构相对简单,不容易发生故障,应用前景很好[11]。
运用电液比例技术。随着液压技术发展,电液比例技术也在不断完善,通过比例多路阀的组合和设计,进行系统控制能有效提高效率,在工程机械如工程船舶中应用广泛[12]。
目前国内对打桩船的节能采取的措施主要体现在操作层面,通过提高操作的水平来减少浪费,或者对船上的装置做一些小的适应性改进,使得发动机对燃油的消耗减少。而对于直接影响打桩船使用效能的设计部门,在设计该船型液压系统时一般采用类比的方法,即参考国内外技术指标相同或相近的打桩船,来确定所设计船舶液压系统的驱动功率以及系统配置;此外,为保证系统设计的可行性,通常在所参考打桩船液压系统驱动功率的基础上还增加一定的富余量。由此加大了发动机的装机功率,增加了燃油消耗,降低了系统效率。在对打桩船进行系统设计时,一般通过结合开式液压系统、闭式液压系统和半开式液压系统,对容积调速、节流调速和容积节流混合调速的选择、对电液比例技术的应用等方面来完成节能设计[13]。
1.3选题背景和意义
打桩船的发展对我国海洋工程建设、跨海工程建设、海洋资源开发等具有重要意义,同时打桩船作为污染很高的工程设备,能耗量大,其设计与制造必须符合当前环保与节能的发展趋势[14]。由于目前打桩船的设计没有突出节能理念,设计的冗余度高,装机功率优化不到位,使得功率堆叠,装机功率与实际需要功率不匹配,并且使用的系统太机械化,难以实现自动化智能控制,所以不仅浪费资源,增大功耗,而且操作困难,不便于工人使用。所以,研究如何使打桩船上的液压系统功率与负载匹配,降低装机功率,提高自动化智能控制程度,减少工人的操作难度,提高系统效率,降低能耗,已经成为打桩船设计制造的重要研究方向[15]。
本文将结合130m打桩船移船绞车的技术指标及性能要求,考虑移船绞车的负载特性和节能要求,通过参考国内外打桩船及其移船绞车、变幅机构的发展及研究现状,设计一种功率匹配的打桩船移船绞车液压系统。通过对打桩船移船和作业工况的综合分析、基于负载敏感及恒功率控制液压系统的设计,达到合理配置柴油机的驱动功率,降低移船绞车液压系统柴油机的耗油量和节约能源的目的。
1.4主要工作内容
本篇论文主要工作内容是,分析130m打桩船的施工工艺,根据设计任务书所给的移船绞车移船时的初始参数,设计出一个液压系统出来,以满足移船的使用功能。具体工作内容为:计算液压系统的参数,得到液压系统的压力和流量;根据系统的压力和需要的总流量,选出主要液压元件,设计出液压原理图,完成系统节能设计;根据所算参数和原理图,完成液压辅件的选型计算;进行结构设计,设计集成块,完成系统布置图,进行经济性分析。
1.5本章小结
本章主要阐述了打桩船在工程中的应用,介绍了打桩船的种类和在资源开发中的作用,介绍了发展现状和国内外行业在打桩船节能设计上做的努力和创新,比较了国内打桩船在节能方面设计的不足,确定了设计方向。在此基础上,阐述了本文的选题背景和要完成的主要工作内容。
第2章 打桩船移船绞车液压系统的负载特性及功率匹配
2.1打桩船施工工艺
打桩船工作受水文条件和环境的影响。打桩船的工作内容有打桩船驻位、吊桩、打桩等。参考某打桩船的设计要求,打桩船船体为钢制,具有三层夹板室,要求适应沿海海域和内河水上工程的打桩作业。本打桩船要求做到具备智能化移船及精确定位功能,具有功率智能匹配功能,表现良好的节能性。
打桩船的作业海况为:风速蒲氏7级,最大流速小于等于3米每秒。抛锚抗风海况为:风速蒲氏12级,水流速度小于等于3米每秒。其工作环境为:环境温度-25℃~ 55℃,大气压力0.1MPa。
此打桩船共配置8台移船绞车,左右船舷两侧各布置4台,移船时有3台绞车同时工作,最大移船速度为10m/min,移船总拉力2000kN,卷筒绳槽底径1200mm,钢丝绳直径44mm,钢丝绳缠绕层数为7层,缠绕倍率为6,系统效率0.7。
每个移船绞车中集成了两个行星减速器和两个低速大扭矩的液压马达,型号为HMB200,参数如表2.1所示。
表2.1 HMB200液压马达参数表
理论排量(ml/r)  | 3080  | 额定压力(MPa)  | 25  | 
最高压力(MPa)  | 27.5  | 单位理论扭矩常数(Nm/bar)  | 46.07  | 
额定转速(r/min)  | 175  | 重量(kg)  | 282  | 
由于本文主要对移船绞车液压系统进行设计,因此不考虑打桩船其它功能部件的系统设计和使用情况,不将移船绞车液压系统整合到船上其它液压系统中,并对打桩船移船绞车的负载特性进行一些简化。
2.2液压系统基本参数的计算
打桩船最大移船负载按2000KN算,每次有六台移船绞车工作,三台绞车在马达驱动下转动收缆,另外三台绞车被动放缆,这样每次移船操作时每台收缆绞车的最大扭矩按下式计算
式中 —卷筒直径,=1200mm;
—钢丝绳直径,=44mm;
—额定拉力时钢丝绳缠绕层数,=7;
—移船总拉力,=2000kN;
n—绞车同时工作数量,n=3;
i—缠绕倍率,i=6。
移船时单台液压马达的最大输出扭矩按下式计算
式中 —单台移船绞车中液压马达的数量,=2;
—减速比,;
—移船绞车的机械效率,。
移船时液压马达进出口最大压差按下式计算
式中 —单位理论扭矩常数,。
额定拉力时移船绞车卷筒的转速按下式计算
式中 —移船绞车的额定速度,=10m/min。
液压马达转速按下式计算
三台移船绞车上6台马达所需流量按下式计算
式中 —液压马达的额定排量,;
—液压马达容积效率,=0.95。
液压泵组的排油压力按下式计算
式中 —液压泵组排油口至液压马达进油口之间的沿程压力损失;
—在系统设计流量最大时,执行机构出油口至油箱或泵吸油口之间的沿程压力损失;
—液压马达所要求的最大回油背压。
管路沿程压力损失计算如下
式中 ,其中Re=2230,Relt;Re(L)=2230;
d—油泵至马达之间的管道内径,d=0.085m;
ρ—液压油密度,取ρ=900kg/m3;
v—油液在管道内流速,取v=2.6m/s;
l—管路长度,执行机构与液压泵站之间的距离不超过100m,取l=100m。
马达进出油液相同,因此进油沿程压力损失与回油沿程压力损失相同,。
液压马达所要求的最大回油背压取0.6MPa,则泵组排油压力为
2.3移船绞车系统泵组数量的确定
通过上面的计算,三台移船绞车在额定移船速度下,液压马达一共需要1546L/min的流量,取液压泵及液压管路的容积效率为0.9,则所需液压泵的流量为为
以上是毕业论文大纲或资料介绍,该课题完整毕业论文、开题报告、任务书、程序设计、图纸设计等资料请添加微信获取,微信号:bysjorg。
相关图片展示:








        
            
