MQ4025门机辅助电气系统设计毕业论文
2020-02-19 19:24:37
摘 要
本次设计的选题为“MQ4025港口门座式起重机辅助电气系统的设计”。在完成该设计任务的过程中,参考了《起重机设计手册》、《实用起重机电气技术手册》、《港口起重运输机械设计手册》等手册,结合相关参考文献,制定了门机总体电气系统方案,绘制了总电源及安全隔离电源图和总电源控制图,并以此为基础,先后完成了PLC电源图、安全辅助电源及回转平台下安全辅助电源图。进一步地,结合手册和生产厂家产品说明书完成了相关电气设备的选型,包括总断路器、变压器、电缆、中心集电环等。最后完成了门机机房的平面布置图及机房照明系统多方案照度仿真,通过对比选取了最佳方案,保证了该机房的室内空间照明,能同时满足经济性和使用性要求,同时还综合考虑了灯具选择、灯具布置、灯具摆放方向及室内各表面材料等各种因素。
关键词:门机;辅助电气系统;电源系统;照明系统;
Abstract
The target of this design is the MQ4025 port portal crane auxiliary electrical system. Referring to the "Crane Design Manual", "Practical Crane Electrical Technical Manual", "Port Lifting and Transport Machinery Design Manual" and other manuals, combined with relevant references and online related articles, I designed the overall electrical system plan of the portal crane.Then I drew Two diagrams which contain "total power supply and isolated safety power supply" and "total power supply control".Based on the core of power supply, I completed "PLC power supply", "PLC output control circuit diagram", " auxiliary safety power supply" and "auxiliary safety power supply of crane lower part" . The selection of the relevant electrical equipment was completed in combination with the manual and the manufacturer's product manual, including the calculation of the total circuit breaker, transformer, cable, and central collector ring. After that, the design of the plane layout of the portal crane machine room and the illumination simulation of several programs of the machine room lighting system were completed, and the best solution was selected from the comparisons.And I learned that in order to meet the economic requirements and the usability requirements at the same time,it is necessary to take into account various factors such as the choice of lamps, the arrangement of lamps, the direction in which lamps are placed, and the surface materials in the interior.
Key Words:Portal Crane; Auxiliary Electrical System; Power system;Lighting system
目 录
第1章 绪论 1
1.1 起重机简介 1
1.2 目的和意义 1
1.3 本次毕业设计的主要设计内容 2
第2章 电气系统分析及电路设计 3
2.1 电气系统分析 3
2.2 辅助电气系统设计范围界定 3
2.3 电源系统主电路设计 4
2.4 电源系统控制回路设计 5
第3章 电源系统主要电气设备选型 7
3.1 电源主回路总断路器选型计算 7
3.2 控制电源设计及变压器选型计算 9
3.3 PLC电源设计及变压器选型 9
3.4 220V隔离电源和36V电源设计与变压器选型 10
第4章 电缆电线及中心集电环选型 11
4.1 电缆电线型号的确定方法 11
4.2 电线电缆具体选型及压降计算 11
4.2.1 总电源与主机控制柜相连的电缆 11
4.2.2 总电源与变幅柜相连的电缆 11
4.2.3 总电源与回转柜相连的电缆 12
4.3 中心集电器选型 12
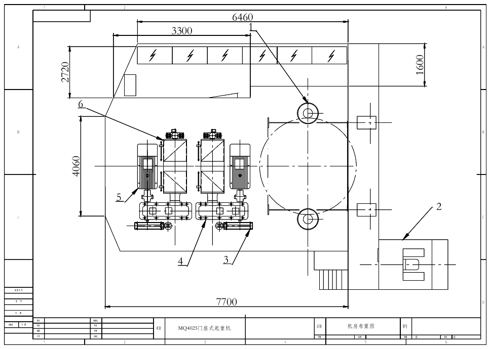
4.4 机房平面布置图 13
第5章 门机机房照明系统设计 14
5.1 门机机房照明要求 14
5.2 机房照度仿真软件实际操作流程 14
5.3 DIALux软件具体仿真方案 15
5.3.1 门机转台上室内空间总模型 15
5.3.2 机房照明灯选型 16
5.3.3 机器房照度仿真及参数分析 16
5.4 电气房照度仿真及分析比较 19
5.4.1 电气房仿真方案一 20
5.4.2 电气房仿真方案二 21
5.4.3 电气房仿真方案三 24
第6章 电气设计经济性评估 26
第7章 总结与展望 27
参考文献 28
附录 29
致谢 31
绪论
起重机简介
门座式起重机是在码头等场所用于装卸、搬运和堆码作业的机械设备 ,它具有高效的作业能力,同时还具有低成本、机动灵活,通用性强等优点。因此,门座式起重机在港口和码头等作业场所中始终扮演着非常重要的角色[1]。
中国门座式起重机的发展历程是较为曲折和漫长的。在我国发展重型起重机的初级阶段,先是吸收了苏联的设计经验并进行了探索和总结,之后,我国逐步开始掌握国外先进产品的设计方法和技术,一步一步学习并自发研究设计新的起重机设计方案以赶上世界起重机生产技术水平。门座式起重机的发展也随着我国重工业的迅速发展而取得了极为显著的成绩。国家质检总局为相关单位颁发的起重机制造许可证数量达1,616个,我国已具有较强的起重机械生产能力。在小吨位的起重机设计领域,中国已经处于世界领先地位,但中国与国外在大型起重机研发设计方面仍存在一定差距。从技术上讲,我国开发大型门座式起重机的时间相对较短,设计水平迫切需要提高。
中国门座式起重机这方面对于核心部件的研发仍存在一些不足。目前,我国门座式起重机的发展受到发动机,液压件,高质量钢材等核心部件技术水平的制约。我国对于这些高质量材料的欠缺也是导致我国门座式起重机发展受到限制的重要原因之一。
目前,国外约有15家门座式起重机的专业制造商。欧洲和美国的利勃海尔,特雷克斯德马格、马尼托瓦和日本的神钢等是门座起重机的代表性生产厂家。他们所生产的门机各方面性能都十分完善,实际作业能力和安全系统等各方面都基本能够达到非常高的水平。
欧美制造商生产的门座式起重机从整体上代表了国际先进水平。它们不仅可以满足大吨位的生产需要,而且结构的设计新颖,安全性能高,设备稳定性强。更重要的是,他们在制造的大吨位门座式起重机上安装了全球定位系统,因此他们的起重机具有实时监控的功能,这也是他们的先进技术代表性特征之一。与欧美国家的产品相比,日本制造的门座式起重机在技术上仍有很大差距。然而,日本制造的产品具有高度精细化的特点,因此日本的门座式起重机仍然值得我们学习和模仿[1]。
目的和意义
传动装置和控制部件的发展对于推动门座式起重机的进步与发展具有至关重要的作用。如今,我国传动和控制部件已经逐渐取得了飞速的进步,门座式起重机通过先进的电子技术和现代机械设计方法逐步向自动化和智能化的方向发展。这就要求我们设计出更先进的门机电气系统,以满足新时代的需求。
在现实生活中,起重机在各处都有很大的应用价值。在大学生活的最后一个阶段,以有关起重机的选题作为毕业设计课题对于机械专业的学生来说是非常有价值的。这不仅能够让我巩固大学四年所学的知识,同时也能让我在设计过程中接触更多有关起重机的相关知识。
本次毕业设计的主要设计内容
1、MQ4025门座式起重机辅助电气系统设计范围界定。
2、门座起重机辅助电气系统方案分析与制定。
3、门座起重机电源系统电路设计。
4、门座起重机电路主要电气设备的选型设计。
5、门座起重机机房照明仿真设计。
电气系统分析及电路设计
电气系统分析
门座式起重机具有起升、变幅、运行、回转四大机构,本次设计借助可控制编程器(PLC)及变频器来实现控制,其基本工作原理为,以操作台的操作、电路各开关开闭等作为信号经过接触器和继电器等器件经由PLC传递至变频器的输入端,再由变频器输出相应信号实现对于门机各电机的控制完成机构预期动作[2]。此外,除了门机的基本构架之外,还需要为门机设计供电的电源系统、为机房等工作场所照明的照明系统以及包括风速仪、防爬器、力矩限制器、各机构的限位装置和安全保护装置等电气设备选型[3]。同时,还需要为司机室、机房和电气室等处提供空调、照明灯、风机等使用设备。
对于门机的电源系统,由于门座起重机的使用场所需要使用很多用电器,各用电器相应的工作电压各不相同,因此我们需要为起重机司机室、机房、起重机下部分别布置380V三相插座、220V单相插座、36V安全电压插座以供电机、空调、照明灯等电气设备用电使用。
对于门机的照明系统,门座起重机在各工作场所都需要相应的照明系统,我们需要为门机机房、司机室及起重机下部设计固定照明灯以供工作照明使用。此外,为了保证工作的安全性,需将380V电压通过行灯变压器转换为36V安全电压为各处36V筒体照明灯供电。司机室、机房、工作区域及各处通道等处的照度至少应达到30lx。
辅助电气系统设计范围界定
由于辅助电气设备和电气系统涉及范围较大,经过与指导老师和同学讨论并查阅相关资料之后,本次毕业设计的完成思路为,首先对门机的下部安全辅助电源电路进行设计,再通过中心集电环引入起重机回转平台上的起重机总电源的设计,以总电源为电源核心,再引申出PLC电源、总电源控制电路、安全辅助电源电路。再对电路图中所使用的主要辅助电气设备进行选型(包括总断路器、控制变压器、行灯变压器、隔离变压器、电线电缆及中心集电器等)。最后对门座起重机的机房进行照度仿真,对电气房引入六个控制柜体模拟仿真,进行多个方案的仿真计算并通过各方案经济性和实用性的比较选出最佳的照明方案。
电源系统主电路设计
门座起重机是一种移动受电设备,电缆卷筒是门座起重机最普遍的馈电方法,电缆一端固定在起重机支腿电缆卷筒上,另一端接上电源。电流经由位于电缆卷筒中心的电缆滑环送到起重机上。由于起重机上部是可以360度转动的,电流在被引入起重机上的过程中,为避免在转动过程中电线被绞断,就要采用中心集电器[7]。
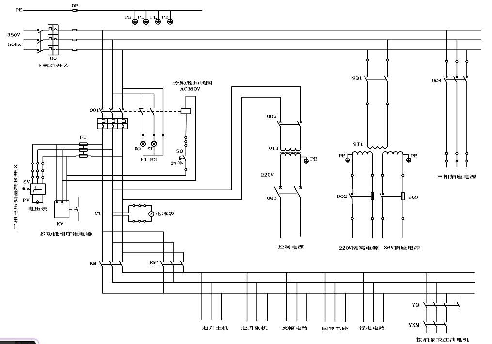
电流经过中心集电器需要为起升机构、行走机构、变幅机构、回转机构供电,与此同时也要为接触器、继电器、线圈、风机、照明灯具等电气设备供电。其中不同的设备具有不同的工作电压要求,这就要求我们通过一个电源主回路的设计来完成对于不同电气设备的供电。电源回路如下图:

2.1总电源及安全隔离电源
380V,50HZ交流电通过取电装置在此图中有三个流向,采用三相四线制[4],图中最上方的线供各处电气设备接地保护使用。下部总开关用于必要时切除上部所有电源,关闭所有上部电气设备,同时起到电路保护的作用 。从左至右,电流经过总断路器流向四大机构变频器和注油电机,再通过变频器供电给各机构的三相电动机。其中,起升机构不仅需要一台主机负责起升,还需要一台单独的副机完成开闭斗动作。图中,分励脱扣器本质上就是一个分闸线圈加脱扣器,当分励脱扣线圈两端加上规定的电压之后,断路器就会自动分闸切断电路,且断路器分励脱扣后无法远控合闸,且分励脱扣线圈只能接受短时间的通电否则就会烧坏。在此处主要用于远程切断非消防电源,在总接触器无法切断该部分电源等紧急情况发生时,有选择的切断该部分电路以避免损失,一般情况不使用[16]。在电路中反应为,当紧急情况发生时,远程按下急停脱扣按钮使分励线圈通电从而导致总电源绿色柜灯灭红色柜灯亮,同时总断路器分闸断电。由于工作时必须确保电动机的转动方向,当电源相序出现错误时,多动能相序继电器就会控制对应的继电器触点断开,就无法让总接触器触点闭合同时对应指示灯熄灭。三相测量转换开关不仅仅起到电压测量作用,在电源相序错误时,可通过此转换开关改变电源相序。在此流向中,两个总接触器并联放置,它们同时开闭,是为了起到分流的作用,让单个接触器经过的电流减半。电流互感器用于线路中电流的检测,以便于监测线路总电流。从该流向的三相电源中取两相经过变压器转换为220V控制电源,用以为控制电路中继电器线圈和指示灯等设备供电,同时另一部分再经过稳压变压器、滤波器为PLC电源、经开关电源转变成24V直流电为PLC输入端、经电涌保护器分别为PLC输出端和与限位开关和防爬器等有关的控制电路中的电气设备供电。
380V,50HZ电源另一个流向则是通过变压器分别转换为220V隔离电源和36V交流电。其中220V隔离电源用于为安全辅助电路和照明电路供电,其主要目的是当总断路器断开之后仍然保持电铃、柜灯、投光灯、外照灯、机房、风速仪、空警灯等这些在紧急情况必要的设备始终有电源,这就增强了在紧急情况的安全性,同时也便于人工操作。此外,220V 隔离电源也为各机房提供了220V插座电源来源以供控制柜和空调等设备供电使用。36V为人体安全电压,36V电源则可为筒体照明、司机室和机房插座提供36V电源来源。
380V,50Hz交流电第三个流向则主要用于为机房屋顶风机、柜换气扇供电,也是司机室、机房插座380V电源插座的电源来源。
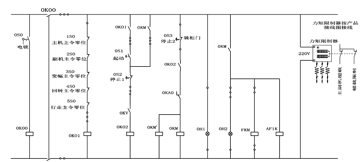
电源系统控制回路设计
电源控制回路如下

图2.2总电源控制电路图
该图解读如下,电锁系统可用于防止非操作人员等进入起重机造成不必要的损失。同时电路中设有零位保护,当用主令控制器控制电动机运行时,为防止由于突然断电时手柄在工作位置上,突然来电时电动机意外转动而带来损失的情况发生,只有所有主令控制器都处于零位时才能通过按钮启动。当所有主令控制器处于零位,按下启动按钮后,若电源相序正确,则总接触器通电自锁,同时相应的指示灯H2变亮,表示总接触器始终处于通电状态,风机和柜换气扇开始运行。同时,可以实现多地停机,只要电锁对应的继电器触点保持闭合,力矩限制器始终保持接通,实时监测起重机所吊载的质量及变幅机构所处角度等数据,同时还具有限制幅载和主副机载荷的作用,当起升机构主副机载荷超出一定范围,机构将只能下降,同样当幅载超负荷时,司机只能减小幅度。
综上,各处供电方式为:
(1)用于为四大机构变频器和电机等和油泵电机供电的380V三相交流电。
(2)用于控制继电器线圈和各指示灯等设备以及PLC供电的220V控制电源。
(3)用于为安全辅助电路和照明电路以及各插座供电的220V隔离电源。
(4)用于为筒体照明灯及各36V电源插座供电的36V电源。
(5)用于为风机和换气扇等设备及380V插座供电的380V电源。
以此为电源系统,在此基础上另外完成了《PLC电源》、《安全辅助电源》、《安全辅助电源 2》、《下部安全辅助电源》这四张电气图纸,详细图纸见附录。
电源系统主要电气设备选型
电源主回路总断路器选型计算
四大结构相应的电机均采用S3断续周期工作制,负载持续率为百分之四十,在该工作制下工作时间周期中的起动电流不会对设备温升产生很大的影响,由于电机在不同通电持续率上允许输出的功率不同,若机构的JC值偏高,则电机许用功率应减小,以下各电机JC值均为百分之四十[12]。电机的额定电流表示在一定温度和一定条件的环境下电机的工作电流。在断路器的选型中,计算电流可根据经验估算公式,380V三相电机的工作电流可按每千瓦两安培估算,也可按照:I=P/1.732×380×cosφ·计算,功率因数按0.8计算。各机构电流统计如下:
表3.1 各机构电流计算统计表
工作机构 | 用电器及总电流 | 型号 | 数量 | 总电流(A) |
起升机构主机 | 起升电机 | YZP400L2-8/250KW | 1 | 475 |
总电流 | 475 | |||
起升机构副机 | 起升电机 | YZP400L2-8/250KW | 1 | 475 |
总电流 | 475 | |||
变幅机构电机 | 变幅电机 | YZP280S-6/55KW | 1 | 104.5 |
总电流 | 104.5 | |||
回转机构电机 | 回转电机 | YZP200L2-6/37KW | 1 | 70.3 |
回转电机 | YZP200L2-6/37KW | 1 | 70.3 | |
总电流 | 140.6 | |||
行走机构电机 | 行走电机 | YZP180L-6/15KW | 8 | 227.9 |
电缆卷筒电机 | 一般为1.5kW 鼠笼机 | 3 | 8.5 | |
总电流 | 236.4 | |||
油泵或注油电机 | 1 | 17.1 | ||
通过上表可知各机构电流情况,根据《起重设备总断路器的设置及电流验算》一文和张质文等主编的《起重机设计手册》对于起重机的总电源导线负载电流,其计算公式为
I负载电流 Imax I1 I2 IAUXI
以上是毕业论文大纲或资料介绍,该课题完整毕业论文、开题报告、任务书、程序设计、图纸设计等资料请添加微信获取,微信号:bysjorg。
相关图片展示:









