轿车电子机械制动系统设计毕业论文
2020-02-17 17:50:59
摘 要
随着科学技术的发展和人们对汽车安全性能要求和意识的不断提高,汽车制动的新概念:电子机械制动系统(EMB)将有取代传统的液压和气动车辆制动方式的趋势;电子机械制动系统属于车辆线控技术的一个支线技术,在工作原理和工作结构上,与熟知的传统的液压或气压制动系统的组成有着天差地别;与液压或气压制动方式不同的是, EMB系统结构更加简单,性能却更加优异,节能且环保, 非常受国内外研究的欢迎,使之拥有很大的应用前景和市场价值。该毕业设计使用轻型汽车作为参考模型,并使用CATIA建模技术和CAD绘图工具来设计汽车电子机械制动系统的执行器。
作为EMB系统最重要的部件之一,执行器是产生制动功率的关键部件。在查阅了大量的EMB系统相关的资料和文献,包括国内和国外各种专利的涉及后,最终确定了一个在结构和原理上都可行的技术方案。该解决方案包括永磁直流力矩电机,行星齿轮减速器和滚珠丝杠机构,以汽车盘式制动器为例,采用依次串联的方式,使EMB执行机构产生制动效能;校准计算后,模型样机产生的制动夹紧力符合国内相关制动规程,机械强度也符合要求。最后,根据设计计算出的具体参数完成3D建模和2D装配图。
关键词:电子机械制动系统;执行机构;滚珠丝杠副;行星齿轮
Abstract
With the development of science and technology and the improvement of people's requirement and consciousness for automobile safety performance, a new concept of automobile braking, EMB, is expected to replace the traditional hydraulic and pneumatic braking modes;As a branch of automotive line-controlled braking technology, EMB technology is quite different from traditional automotive braking system in principle and structure;Unlike hydraulic or pneumatic braking, EMB system has simpler structure, better performance, energy saving and environmental protection. It is very popular in domestic and foreign research, and has great application prospects and market value.This graduation project takes a light car as a reference model, and applies CATIA modeling technology and CAD drawing tool to design and calculate the actuator of the car EMB system.
As one of the most important components of EMB system, actuator is the key component to generate braking force.On the basis of consulting a large number of domestic and foreign literatures, a feasible structure scheme of EMB actuator is put forward. The scheme consists of permanent magnet DC torque motor, planetary gear reducer and ball screw mechanism. Taking a car disc brake as an example, the EMB actuator is connected in series in order to produce braking efficiency;After checking and calculating, the brake clamping force produced by the prototype can meet the requirements of relevant domestic braking laws and regulations, and the mechanical strength meets the requirements.Finally,three-dimensional modeling and two-dimensional assembly drawing are completed according to the specific parameters calculated by the design.
Key Words: Electro-mechanical ;braking system;Executing agency;Ball screw
Planetary gear transmission
目 录
第1章 绪论 1
1.1目的及意义 1
1.2 EMB系统研究进展 2
1.2.1 国外研究现状 2
1.2.2 国内研究现状 4
1.3电子机械制动系统概述 5
1.3.1 EMB电子机械制动系统结构及工作原理 5
1.3.2电子机械制动系统的特点 6
1.4本文研究内容 6
第2章EMB系统总体设计方案 7
2.1 EMB系统的设计要求 7
2.2 EMB执行机构的组成及选择 8
2.2.1直流力矩电机的选择 8
2.2.2减速増矩机构的选择 9
2.2.3运动转换装置的选择 10
2.3 EMB系统总体方案的确定 10
第3章EMB执行机构设计计算 12
3.1目标车型制动效能的校核 13
3.2滚珠丝杠设计计算 17
3.2.1工作原理简介 17
3.2.2具体数据的计算 17
3.2.3最大驱动转矩的计算 19
3.2.4滚珠丝杠强度校核 20
3.3力矩电机的选型 21
3.4行星齿轮设计计算 22
3.4.1传动比范围的确定 22
3.4.2行星齿轮配齿 22
3.4.3齿轮材料的选择 23
3.4.4齿轮主要参数的确定 23
3.4.4行星齿轮机构校核验算 25
3.5 EMB执行机构的三维建模 25
第4章EMB系统电子控制简介 28
4.1电子制动踏板模块 28
4.2中央电子控制单元 28
第5章结论与展望 29
参考文献 30
致谢 31
第1章绪论
1.1目的及意义
我国汽车工业在不断发展和进步,为了尽快缩短我国在汽车核心技术以及高新技术领域方面与世界老牌汽车强国之间的差距, 需要在整车和零部件的关键技术上有更多的自主研发和革新。电动汽车是接下来车辆领域发展的趋势,随着能源的日益紧张,之后纯电动汽车也会越来越多,但当今的新能源汽车依然还用着传统的制动机械设备;制动所需的压力由马达驱动的液压泵形成,其中电能,机械能和势能的多次转换导致巨大的能量损失。 这限制了电动汽车的持续形式里程,使本就还在瓶颈的续航问题更加严峻。而且,传统的液压制动系统有许多管道,并且存在许多安全和环境问题,例如制动过程中响应速度慢和制动液泄漏。
随着汽车工业对安全,节能和环保主题的不断追求,人们新能源汽车的需求也越来越迫切,而与新能源即电能汽车相匹配的电子机械制动器逐渐成为汽车制动的发展趋势。电子机械制动系统结构简洁,性能优异,操作便捷,环保节约,其设计与开发受到了国内外机械车辆爱好者和研究者的青睐。
1.2 EMB执行机构研究进展
1.2.1 国外研究现状
汽车电子机械制动系统EMB(Electric Mechanical Brake)很早就长期地在国外汽车企业取得了广阔地研究,其构想的提出可以追溯到上世纪九十年代的时候,国外很多有名的车辆大厂家,像德意志的大陆特威斯,西门子,还有美国的天合等这些耳熟能详的车辆整车及零部件生产的行业领头人,就已经开始对提出的这一新的制动概念进行着系统性的研究开发了,不少接触这一领域的厂商都已经开发出了可行的模型样机,并进行了加载测试和仿真实验。
Bosch博世公司主要研究的是EMB制动系统执行机构的执行方式。其中囊括了如何实现自增力的结构方式,而且还有液压和机电复合制动系统,机电式驻车制动系统,以及电控离合器制动器的研究开发等。并且发现了一种利用电磁离合器快速进给,以此消除制动间隙的方法,并且通过二次行星齿轮减速机构实现了制动蹄的增压力。
Continental Teves使用内置电机传动行星齿轮传动机构,并通过滚珠的转动提供制动力制动,以此设计出来的EMB系统结构很简单,甚至使用棘爪锁来作为停车的替代结构。 西门子也提出了自己的技术设计,使用内置电机驱动滚珠丝杠运动,并用杠杆增强机构取代常用的第一级齿轮减速装置。电子机械制动系统的构成也因为这些巧妙的机械结构组成的原因而变得简洁。

  
  
  
  
  
  
 
  
  
  
  
  
  
  
  
  
 
西门子
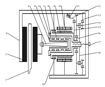
公司使用的是结构奇特但功能巧妙的楔形块自增力机构,这样可以使不大的电机扭矩,经过本装置后会得到大的制动力,当两个电动机分别旋转时,两个滚珠丝杠旋转,使电动机旋转成直线运动, 两个滚珠丝杠的组合动作将驱动连接部件的牵引块进行直线运动。联接构件拉块与后楔装置相固联,后楔跟着连接构件的拉块与前楔做相对位移。前楔相对于制动钳体固定,后楔由连接件拉块通过圆辊驱动。“离得更远之后”,楔块压制动盘以实现制动。

 
  
  
  
  
  
 
  
  
  
  
 
1.2.2 国内研究现状
国内对EMB的研究起步较晚,研究对象主要集中在各个大学的各大专业。很多都对汽车电子机械制动系统的基础结构和试验理论等方面做过深入的研究;其中包括清华大学,同济大学、北京理工大学、吉林大学、武汉理工大学等都是这方面的“领头羊”。
清华大学是国内最早一批进行EMB系统研究的高校之一,并于
年成功申请“连杆式电子机械制动
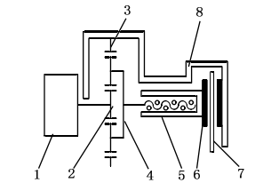
装置” 这一专利项目。该执行机构通过合理选择曲柄连杆的尺寸,巧妙地利用了曲柄连杆机构同时实现运动转换和力增益的特性,而且因为曲柄连杆机构传递运动时有死点的存在,在该处的力增益系数会变大,以该特性为基础研究设计出了连杆式电子机械制动装置。吉林大学对EMB系统领域的设计开发也获得了极快的进度, 而且在
年申请了与EMB系统相关的相关方面的专利;吉林大学还开发了基于Matlab / x PC Target实时平台的EMB硬件在环仿真测试平台。北京理工大学还设计并开发了EMB执行器的原型,虽然只是样机,这也让EMB相关的各种研究与试验的数学模型能更快的建立起来,能够更高效跟深入地去探索该项新的领域。

1.壳体 2.偏心轮 3.连杆 4.制动壳钳体 5.活塞 6.制动块 7.制动盘
以上是毕业论文大纲或资料介绍,该课题完整毕业论文、开题报告、任务书、程序设计、图纸设计等资料请添加微信获取,微信号:bysjorg。
相关图片展示:








        
            
