能量回收式减振器电能管理系统设计与试验研究毕业论文
2020-02-17 12:50:24
摘 要
车辆在行驶的过程中,会接收到来自路面的各种激励,以及转弯、加速、制动等操作都会引起车辆的振动。传统的减振器大多采用液压减振器,即将车辆的振动机械能转化为油液液压能,进而通过减振器的外缸筒将能量散失到外界环境中。因此,如果能对汽车悬架的振动能量加以回收利用,就更具有实际意义,对于汽车悬架的性能在整体上会有一定的提升,所以汽车悬架振动能量回收便成为一个非常有价值的研究课题。
本设计课题基于节能背景和汽车悬架的未来发展趋势,对机械能量回收式减振器的能量回收充电系统进行新型的方案设计与仿真研究,通过对能量回收式电路进行深入研究,设计出科学合理的电路系统对电流进行处理,使得通过电机转化的这部分振动能量成为实际可用的电能,同时控制电流实现悬架减振器阻尼的半主动控制。本文的主要研究内容如下:
1.查阅相关资料,了解现有机械式能量回收减振器技术方案,了解其结构特征,设计馈能悬架的能量管理电路。该电路包括“无刷直流电机—超级电容”馈能电能以及“超级电容—蓄电池”储能电路及电流控制电路等,并对相关电路元件以及储能元件进行选型计算及分析。
2.在机械馈能式悬系统机械结构研究的基础上,利用Simulink库中的Simscape工具箱内有现成的电气元件,完成电路系统的建模,对升降压变换电路和蓄电池超级电容储能电路,双电容变换回路进行仿真。
3.设计电路控制管理模块,进行控制编程,通过采集信号来控制电机线圈电流,最后实现减振器阻尼力的主动控制。
4.进行硬件电路测试实验、储能装置充放电试验验证,阻尼力半主动控制试验验证等。分析实验结果,验证发电机性能参数是否与设计的相符合及电能变换装置是否满足所需设计的要求。
关键词:减振器;能量回收;能量管理系统;Simulink仿真;储能电路;
Abstract
During the driving process, the vehicle will receive various excitations from the road surface, as well as turning, accelerating, braking and other operations will cause vibration of the vehicle. Most of the traditional dampers use hydraulic dampers, which convert the vibration mechanical energy of the vehicle into oil hydraulic energy, and then the energy is lost to the external environment through the outer cylinder of the damper. Therefore, if the vibration energy of the car suspension can be recycled, it is more practical, and the performance of the car suspension will be improved as a whole, so the vibration energy recovery of the car suspension becomes a very valuable  research topics.
  Based on the energy-saving background and the future development trend of automobile suspension, this design topic carries out a new scheme design and simulation research on the energy recovery charging system of mechanical energy recovery damper. Through in-depth study of the energy recovery circuit, the science is designed. A reasonable circuit system processes the current so that the part of the vibration energy converted by the motor becomes the actually usable electric energy, and the current is controlled to realize the semi-active control of the suspension damper damping. The main research are as follows:
  (1) Consult the relevant materials to understand the technical solutions of the existing        mechanical energy recovery damper, understand its structural characteristics, and design the energy management circuit of the energy-feeding suspension. The circuit includes "brushless DC motor - super capacitor" feed energy and "super capacitor - battery" energy storage circuit and current control circuit, and the selection and calculation of relevant circuit components and energy storage components.
  (2) Based on the research on the mechanical structure of the mechanically-fed suspension system, using the Simscape toolbox in the Simulink library, there are ready-made electrical components to complete the modeling of the circuit system, and the buck-boost conversion circuit and the battery super capacitor storage. The circuit can be simulated by a dual-capacitor conversion circuit.
  (3)Design the circuit control management module,perform control programm,control the motor coil current by collecting signals and finally realize the active control of the damping force of the damper
  (4) Hardware circuit test, energy storage device charge and discharge test verification, damping force semi-active control test verification. The experimental results are analyzed to verify whether the generator performance parameters conform to the design and whether the power conversion device meets the required design requirements.
Key Words: shock absorber; energy recovery; energy management system; Simulink simulation; energy storage circuit
目 录
第1章 绪论 1
1.1研究背景 1
1.2馈能悬架国内外研究概况 1
1.2.1馈能悬架控制系统的研究概况 2
1.2.2馈能型悬架储能系统研究概况 5
1.3 馈能悬架存在的问题 7
1.4主要研究内容 7
第2章 机械整流式能量回收减振器结构与参数 9
2.1 滚珠丝杠半主动减振器结构 9
2.2滚珠丝杠半主动减振器参数 10
2.2.1滚珠丝杆参数 10
2.2.2 电机参数 11
2.2.3齿轮对参数 13
2.3本章小结 13
第3章 馈能悬架电能管理系统设计 14
3.1 蓄电池和超级电容特性分析 14
3.1.1汽车蓄电池 14
3.1.2 超级电容 14
3.2 “电机—超级电容”电路设计 17
3.2.1馈能电路Boost模式 17
3.2.2 Buck模式 19
3.2.3 电气元件的选型 21
3.3 “超级电容—蓄电池”储能电路的设计 25
3.3.1 双电容充放电切换电路 25
3.3.2“超级电容—蓄电池”储能电路 26
3.4 本章小结 28
第4章 半主动控制策略设计 29
4.1 半主动控制策略工作原理 29
4.2 半主动控制设计方案 30
4.2.1 PWM脉冲宽度调制 31
4.2.2 PID闭环控制 31
4.2.3 总体设计方案 32
4.3 本章小结 33
第5章Simulink建模与仿真分析 34
5.1“电机—超级电容”馈能电路的建模与分析 34
5.1.1 Simulink软件 34
5.1.2模型的建立与分析 35
5.2半主动控制电路的建模与分析 36
5.3 双电容切换电路的建模与分析 39
5.4“超级电容—蓄电池”储能电路的建模与分析 40
5.5 本章小结 42
第6章 馈能电路台架试验验证 43
6.1 能量管理系统硬件电路 43
6.1.1 DC/DC、单片机控制模块 43
6.1.2 超级电容组模块 44
6.1.3 滤波模块 44
6.1.4 稳压模块 45
6.2 台架试验验证 46
6.2.1主要设备及仪器 46
6.2.2试验步骤与结果 46
6.3本章小结 49
第7章 总结与展望 50
7.1 全文总结 50
7.2 展望 50
第1章 绪论
1.1研究背景
1885年德国人发明了第一辆汽车,距今已经有134年的历史,经过一百多年的发展变化,汽车逐渐走进了人们的生活,与人们的生活息息相关。汽车作为一种生活必需品给人们的出行带来了极大的便利,但同时也对环境造成了巨大的污染。汽车排放的有害气体对空气,水资源等造成严重的破坏,同时由于传统汽车使用的动力源为热机,汽油和柴油的能源损耗极大。汽车对环境的污染性问题以及对不可再生能源的损耗问题日趋严重,因此,各个国家的政府将“节能减排”作为重要课题提上了国家项目。
《中国制造2025》作为中国政府实施强国战略的第一个十年行动纲领性的文件,其中规划了中国未来十年的重点发展领域,“节能与新能源汽车”便是其中之一。它指明了中国汽车未来的发展方向以及战略目标,这意味着未来十年中国的汽车行业将处于一个改革创新走向绿色环保的新时期。“环保与节能”成为全世界汽车行业的必然发展趋势,这就使得如何能够有效的节能减排成为我国汽车人不得不重视并急需研究和解决的重大课题。日渐严重的环境问题和资源匮乏问题使得传统的汽车急需做出相应的改变,“高效节能”、“环境友好”成为新时代汽车的主要任务。研究发现传统的汽车在各种混合工况下所消耗的能量仅有18%~25%用于汽车行驶,大多数能量以发动机的热损耗以及摩擦制动所损耗掉,其中悬架的动能损耗也占据了一定的损耗比例。
悬架作为汽车的重要组成零部件,对汽车的行驶安全性以及乘坐舒适性有很大的影响。目前国内大多数汽车均采用的是被动悬架,其汽车减振器都是以摩擦的形式将这部分的机械能转变为热能通过空气耗散掉,造成了振动能量的浪费,由于其阻尼特性不可控制,在不同的行驶工况下不能实现最佳的阻尼特性,被动悬架比较大地限制了车辆性能的进一步改善。因此,如果能对汽车减振器的振动能量加以进行回收利用,那么就更具有实际意义。这样就不仅可以节约能源以实现环保目的,同时对汽车悬架的性能在整体上会有一定的提高,所以汽车悬架振动能量回收已经成为了一个非常有价值的研究课题。
1.2馈能悬架国内外研究概况
馈能型悬架作为一种新型的悬架,其研究需要突破的关键性技术在于:1.如何实现减振器在不同行驶工况下阻尼力的半主动控制。2.将回收的不规则能量进行相应的储能系统设计,使得回收的不规则能量能够稳定储存。这就要求需要对馈能悬架的控制算法、控制策略、以及储能系统的相关管理进行相应的研究与设计。
1.2.1馈能悬架控制系统的研究概况
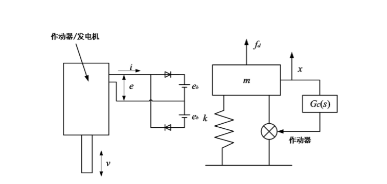
1996年,日本茨城大学的教授Okada在研究了传统的被动悬架的减振特性后,首次提出将传统被动悬架的阻尼器取出,将其换成具有电磁转矩的直线电机,该悬架系统如图1.1所示。将直线电机取代传统阻尼器的主要目的是期望通过直线电机运转时产生的电磁转矩,代替阻尼器的作用,在尽量不改变传统被动悬架的阻尼特性的条件下,直线电机既能实现悬架的减振作用,又能将悬架上下直线运动振动时产生的少量能量通过直线电机进行回收。在图1.1中,发电机的输出端口,Okada教授还设计了一个简单的馈能电路,将直线电机回收的少量能量通过该馈能电路进行回收,并且提出通过该馈能电路中的电流来是实现电机电磁转矩的半主动控制,进而实现悬架的阻尼可控。但由于该电路过于简单,实际运行时,减振器只有在高频振动时,直线电机才能相对较高的电压便于回收;低频振动时,电机运转较慢,输出的电压很低,馈能电路无法储存该能量,出现“死区”现象。这样就导致实际运行时能量回收的效率较低。为解决电路中出现的“死区”问题,Okada等学者提出了一种带有升压模式的馈能电路,将电机发出的低压经过升压后储存至超级电容中。该升压电路能有效的升高超级电容充电端的电压,使得悬架不仅能在高频时有效的回收能量,同时在低频时也能有效的回收能量。

图1.1 新型减振器及悬架系统
2003年Nakano和Suda等学者提出一种新型悬架的半主动控制方案,即通过将减振器回收的能量再反馈供给给悬架本身,通过回收的该能量实现悬架的半主动控制。其设计的新型悬架结构如图1.2所示。通过M2处电机回收的振动能量,经过整流器的整流后通过相应的电路连接到M1处,将其回收的能量用于M1处的半主动控制,同时还分析了该半主动悬架能量自供给的方案可行性,根据此方案设计了该悬架相应的控制策略。即路况恶劣,直线电机高速运转发出电压较高时,电机将振动能量转化为电能并储存在相应的储能元件中;当路况良好时,电路将其储存的能量拿出,作用于电机完成半主动控制功能。

图1.2 日本学者Suda等人提出的电控悬架结构
美国德克萨斯大学首次成功地将电磁悬架安装在多轮车辆上,并且进行了实车的检验试验,将其与未安装电磁悬架的传统被动悬架做对比试验,发现其新型的电磁悬架能够使得多轮车辆的车身加速度以及车辆悬架的动行程均方根值均减少2倍左右,证明了电磁悬架具有比传统被动悬架更加优异的减振缓冲作用,同时该电磁悬架还能够将振动的能量转化为电能,回收再利用。该系统通过D-space采集车辆振动数据,并且联合Simulink中的控制算法进行联合仿真,实现系统的实时控制。将其采集和处理相关传感器的信号后处理并输出控制信号控制电机的工作。其采集数据和控制单元如图1.3所示。

以上是毕业论文大纲或资料介绍,该课题完整毕业论文、开题报告、任务书、程序设计、图纸设计等资料请添加微信获取,微信号:bysjorg。
相关图片展示:








        
            
