纯电动汽车分布式轮毂驱动单元结构设计毕业论文
2020-02-17 12:48:32
摘 要
分布式驱动电动汽车具有结构简单紧凑、传动系统高效节能、驱动和制动转矩独立可控等多个方面的独特优势,代表着下一代电动汽车发展的重要方向。
在本文的设计研究中,针对对象是一款具有四轮分布式驱动的越野车,主要设计任务是其轮毂驱动单元的结构。通过借鉴关于轮毂电机或轮边电机车辆发展的概述的文献,本文对该轮毂驱动单元进行从电机的选型到减速器的设计,完成整个轮毂驱动单元的从电机到车轮轮毂的动力传动的动力匹配和模型的搭建。
在该论文中,主要做的研究内容包括以下几个方面:
首先,明确该越野车与动力性有关整车技术参数,根据设计要求初步选定轮毂驱动单元的传动比,完成电机的选型,并对整车动力性进行计算。
其次,根据该轮毂驱动单元的工作要求,进行了行星齿轮减速器的参数设计计算,确定该减速器的所有部件的参数,并且完成所有齿轮副的强度校核,利用CATIA软件对从电机到车轮轮毂完整模型的建立与装配。
最后,利用ANSYS软件对轮毂驱动单元的核心部件进行力学仿真分析,评估设计的可行性和合理性。
通过本文的分析研究,完整的设计一种越野车的轮毂驱动单元的机构,并验证该机构符合强度和动力性的要求。
关键词:轮毂驱动单元;动力匹配;行星减速器;应力分析
Abstract
The hub motor or wheel-side motor-driven electric vehicle has the unique advantages of simple and compact structure, high efficiency and energy saving of the transmission system, independent controllable driving and braking torque. It represents an important direction for the development of the next generation electric vehicle.
In the design study of this paper, the object is an off-road vehicle with four-wheel distributed drive. The main design task is the structure of its hub drive unit. By referring to the literature on the development of wheel hub motors or wheel-side motor vehicles, this paper designs the hub drive unit from the selection of the motor to the design of the reducer, and completes the power transmission from the motor to the wheel hub of the entire hub drive unit Matching and model building.
In this paper, the main research contents include the following aspects:
Firstly, the technical parameters of the off-road vehicle and the power-related vehicle are clarified. According to the design requirements, the transmission ratio of the hub drive unit is initially selected, the selection of the motor is completed, and the power of the vehicle is calculated.
Secondly, according to the working requirements of the hub drive unit, the parameter design calculation of the planetary gear reducer is carried out, the parameters of all the components of the reducer are determined, and the strength check of all gear pairs is completed, and the CATIA software is used to complete the establishment and assembly of a complete model from the motor to the wheel.
Finally, the ANSYS software is used to analyze the mechanical components of the core components of the hub drive unit to evaluate the feasibility and rationality of the design.
Through the analysis and research in this paper, the mechanism of the hub drive unit of an off-road vehicle is completely designed, and the mechanism is verified to meet the requirements of strength and power.
KeyWords:Hub drive unit;Dynamic matching;Planetary reducer;Stress Analysis
目 录
第1章 绪论 1
1.1 研究的背景与意义 1
1.2 国内外的研究现状 1
1.3 本文研究内容 1
第2章 传动比的初步确定 3
2.1 整车参数 3
2.2传动比的初步确定 3
2.3本章小结 4
第3章 电机参数的确定 5
3.1 计算电机额定功率和额定转矩 5
3.2计算电机峰值功率和峰值转矩 6
3.3选择合适的电机 7
3.4本章小结 9
第4章 轮毂驱动单元主要参数验算 10
4.1最大爬坡度的验算 10
4.2最小传动比的验算 13
4.3本章小结 13
第5章 行星齿轮参数的确定 14
5.1行星齿轮设计初始条件 14
5.2减速器设计计算 14
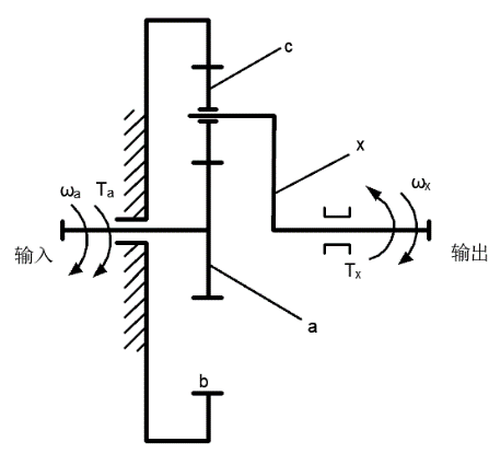
5.2.1 行星齿轮传动类型和传动简图的选取 14
5.2.2 配齿计算 14
5.2.3 齿轮主要参数的初步计算 15
5.2.4 啮合参数计算 16
5.2.5 几何尺寸的计算 17
5.2.6 装配条件的验算 18
5..3 减速器的分析与校核 19
5.3.1 传动效率的计算 19
5.3.2 行星齿轮传动的转速分析 20
5.3.3 行星齿轮传动的受力分析 20
5.3.4 齿轮接触强度验算 23
5.3.5 齿根弯曲强度验算 27
5.4 减速器的结构设计 32
5.4.1 均载机构的确立 32
5.4.2 中心轮的结构及其支承结构 32
5.4.3 行星轮的结构及其支承结构 33
5.4.4 转臂的结构及其支承结构 34
5.4.5 机体的结构设计 35
5.4.6 减速器附件设计 35
5.5本章小结 35
第6章 驱动单元各齿轮的静力有限元分析 36
6.1有限元分析 36
6.2本章小结 38
第7章 总结与展望 39
7.1总结 39
7.2展望 39
参考文献 40
致谢 42
第1章 绪论
1.1 研究的背景与意义
在节能减排、污染治理的驱动下,自2016年就有多个国家和地区陆续公布将禁售燃油车。很多车企也提出了自己的发展战略,电动汽车按照驱动方式的不同,有集中式和分布式驱动[1]。分布式驱动的汽车在汽车电动化进程中是一个重要发展方向,拥有驱动和制动转矩独立可控等多个方面的优势[2]。
四轮分布式驱动中的布置有四轮边或四轮毂形式,驱动电机和能量源是通过软电缆进行功率传递,脱离了一些传统机械传动的设计约束,因此整车设计就会有更多的空间[3]。这种驱动形式可以省去传统的传动部件,简化车辆的底盘空间,而且在一定的程度上更容易实现底盘的智能化,在电动汽车的各项指标的提升都有较大发展空间,这对电动车的普及有着良好效果[4-5]。
分布式驱动有着自己的优势与挑战,才会使得很多学者去研究,从而可以很好的解决能源和环境的问题,可以为新世纪重要的绿色出行工具改良和开发做出相应的贡献。而且国内技术文献主要把关注点集中到分布式驱动的底盘控制,对分布式驱动系统的结构设计的关注度稍显不足[6]。因此,轮毂或轮边电机分布式驱动的研究是十分具有价值的[7]。
1.2 国内外的研究现状
在欧美日等国家以三电为主体的电动车技术发展迅速。1998年,日本庆应大学东京电力公司与日本电池公司发布了一款“Iza”的电动车,采用四轮直驱方式,电机是功率为6.8kW外转子永磁同步轮毂电机,该车的最高车速可达176km/h,该电动车采用的是288V镍铬电池,可续航里程为270km[8]。美国福特汽车于2000年发布了P2000燃料电池汽车,其电机功率为67kW,最大车速为128km/h[9]。在欧洲方面,早在1997年戴姆勒奔驰发布了一款电动车,基于奔驰A系轿车改装而成[10]。在我国,于2004年比亚迪发布了采用四轮毂电机分布式驱动的新模式,单电机功率为7.5kW,电压为264V,整车可达120km/h的行驶速度。2017年湖北秦特机电收购了荷兰e-Traction,着重对轮毂电机国产化产品线的布局,而且在2017年展出了搭载轮毂电机的纯电动客车[11]。而且自2003年起,全国多个城市,如武汉、深圳等以及国家电网先后开展了新能源汽车小规模示范运营[12]。
1.3 本文研究内容
本文针对一款具有四轮分布式驱动的越野车,结合该越野汽车的主要性能参数,对其轮毂驱动单元进行结构设计。并且使该越野车具有良好的动力学性能,满足其基本工作要求。
结合本文的设计任务要求,主要研究内容包括以下几点:
(1)越野车的动力性匹配。根据毕业设计任务书中提供的该越野车的部分整车参数以及动力性要求,选择合适的电机,制定合适的传动比,对整车的动力性进行合理的评估。
(2)行星齿轮减速器设计与校核计算。根据选定的传动比,选择合适额行星齿轮减速器的形式,进行减速器完整的参数计算。然后根据减速器设计尺寸完成三维模型的搭建以及从电机到轮毂的动力传动模型的搭建。
(3)传动部分的有限元仿真分析。通过仿真软件,对该越野车的轮毂驱动单元的一些重要传动部件进行受力分析,验证该轮毂驱动单元的合理性和可行性。
第2章 传动比的初步确定
2.1 整车参数
根据设计要求,参考车型Jeep牧马人,对该越野车的整车参数以及动力性参数的目标值进行初步的设定。
表2.1 整车参数汇总表
整车参数 | 数值 |
最高车速(km/h) | 120 |
百公里加速时间(s) | 6 |
整车整备质量(kg) | 1400 |
总质量(kg) | 1750 |
爬坡度(%) | 60 |
轮胎型号 | 245/75 R17 |
滚动阻力系数 | 0.012 |
长*宽*高(mm) | 4585*1855*1679 |
迎风面积() | 3.089 |
空气阻力系数 | 0.40 |
整车传动系统效率 | 0.92 |
整车旋转质量惯性系数 | 1.05 |
2.2传动比的初步确定
本毕业设计的越野车轮毂驱动单元欲采用单级行星齿轮减速器进行减速,故传动系统的总传动比为该行星齿轮减速器的传动比。根据驱电机的转速与该越野车行驶速度的关系式:
(2.1)
式中:---越野车的行驶车速(km/h)
u---电机的转速(rpm)
r---轮胎的滚动半径(m)
---行星齿轮减速器传动比
参考如上数据,轮胎参数为245/75 R17,即轮辋直径为:17*25.4=431.8mm;车轮直径为:431.8 245*0.75*2=799.3mm;故计算采用的车轮自由半径为0.3996m,车轮的滚动半径采用自由半径*0.971估算,即0.3996*0.971=0.388m,本文取车轮的自由半径为0.400m,滚动半径为0.390m。
由此可以计算得出该越野车的最大传动比为:
(2.2)
式中:---电机的最高转速,6000rpm/min
r---轮胎的半径,0.390m
---该越野车的最高车速,120km/h
此时考虑的驱动电机的最高稳定稳定转速为6000rpm,越野车的最高车速为120km/h,对应的传动系统的传动比为7.35。此值是一个可接受的一个最大值,实际的值可以进行相应的减小修正。
故综合考虑各方面的因数,初选行星齿轮减速器的减速比,即整个轮毂驱动单元的减速比。
2.3本章小结
本章主要根据设计任务书要求将该越野车的整车参数进行了归纳,对计算中需要用到的参数也进行了确定。并且根据最高行驶车速和车轮的滚动半径初步确定了该轮毂驱动单元的减速比,为下一章计算奠定了基础。
第3章 电机参数的确定
3.1 计算电机额定功率和额定转矩
本文主要从最大车速120km/h的工况[13]和60%的坡道以最低稳定车速运行工况来考虑电机的功率。
对于最大车速工况:
本设计中的越野车的最高车速为120km/h,故将该车以120km/h行驶时的电机输出功率来作为电机额定功率,使该越野车满足设计要求的最高车速。根据下式计算其额定功率:
(3.1)
式中:m---越野车的整车整备质量,1400kg
g---重力加速度,9.8m/s2
f---越野车的滚动阻力系数,0.012
---空气阻力系数*迎风面积,取0.40,A=1.84*1.679=3.089m2,
以上是毕业论文大纲或资料介绍,该课题完整毕业论文、开题报告、任务书、程序设计、图纸设计等资料请添加微信获取,微信号:bysjorg。
相关图片展示:









