杰德轿车变速器设计毕业论文
2020-02-17 10:59:24
摘 要
汽车变速器,在汽车动力传动系统之中,扮演着十分重要的角色,影响着汽车的动力性、经济性与舒适性等整车性能。本文以东风本田杰德轿车为研究对象,根据车型的基本相关参数,设计了一款两轴式五档变速器,对结构方案、相关尺寸、档位数、传动比、各档齿轮参数、轴承与轴、以及同步器进行设计计算,分别对齿轮、轴与轴承进行了验算校核,分析了齿轮的弯曲和接触应力、轴的刚度与强度以及轴承的使用寿命。本文的设计的逻辑与分析的过程为手动变速器的设计、开发提供参考与依据。
关键词:汽车设计,变速器设计,汽车变速器,动力传动
Abstract
Automobile transmission plays a very important role in automobile powertrain system, which affects the vehicle performance such as power, fuel consumption and comfort. Taking Dongfeng Honda Jade passenger car as the research object, according to the basic relevant parameters of the model, a two-axis five-gear transmission is designed, and the structure scheme, gear number, correlation size, transmission ratio, gear parameters of each gear, bearing and shaft, and synchronizer are designed and calculated, and the gears, shafts and bearings are checked and verified respectively. The bending and contact stress of gears, the stiffness and strength of shafts and the service life of bearings are analyzed. The process of design thinking and analysis provides reference and basis for the design and development of manual transmission.
Key words: Automotive design;Transmission design;Automobile transmission;Powertrain system
目录
第1章 概述 1
1.1 研究目的和意义 1
1.2 变速器的类型 2
1.3 变速器的要求 2
1.4研究的内容 2
第2章 变速器机构方案的确定 4
2.1 概论 4
2.2总体结构方案 4
2.3倒档的形式及布置方案 4
2.4齿轮类型 5
2.5换档的结构形式 5
2.6轴承类型 6
第3章 变速器总体尺寸和参数的确定 7
3.1档位数及传动比 7
3.1.1 档位数的确定 7
3.1.2 最高档与最低档传动比确定 7
3.1.3其他各档传动比的初选 9
3.2 初选中心距A 10
3.3变速器的外形尺寸 10
第4章 变速器齿轮零件的设计计算 11
4.1齿轮参数的确定 11
4.1.1 模数的确定 11
4.1.2 压力角 11
4.1.3 齿轮的螺旋角 12
4.1.4 齿宽b 12
4.1.5 齿顶高系数和顶隙系数 12
4.1.6 齿轮的材料选择 12
4.2确定各档齿轮的齿数 13
4.2.1 确定一档齿轮的齿数 13
4.2.2 修正中心距 13
4.2.3 其他档位齿轮的计算 13
4.2.4 倒档齿轮齿数的确定 14
4.3圆柱齿轮强度的计算 15
4.3.1 齿轮的失效形式 15
4.3.2 弯曲疲劳强度的计算 15
4.3.3 接触疲劳强度的计算 17
第5章 变速器轴、轴承等零件的设计计算 18
5.1轴的设计 18
5.1.1 轴的直径的初选 18
5.1.2 轴的结构形状 18
5.1.3 轴的受力分析 19
5.1.4 轴的强度分析 21
5.1.5 轴的刚度分析 21
5.1.6 轴的花键的设计 23
5.2轴承的选择与计算 23
5.2.1 变速器轴承形式的选择 23
5.2.2 变速器轴承的寿命计算 24
第6章 同步器设计 27
6.1同步器的工作原理 27
6.2同步器结构形式及特点 27
6.3主要参数的确定 28
6.3.1 锥面半锥角和摩擦系数 28
6.3.2 锥面平均半径和锥面工作长度 28
6.3.3 锥面锁止角β 29
6.3.4 同步时间t和轴向推力 29
6.3.5 转动惯量的计算 29
第7章 操纵机构的设计 30
7.1换档位置图 30
7.2直接操纵和远程距离操纵 30
7.3锁止装置 31
7.3.1.互锁装置 31
7.3.2 自锁装置 31
7.3.3 倒档锁 32
第8章 结论 33
参考文献 34
附录 35
致谢 37
第1章 概述
1.1 研究目的和意义
汽车变速器自诞生以来, 在汽车传动系统中发挥了至关重要的作用。活塞内燃机在汽车中得到了广泛的应用, 但是其扭矩和转速变化范围较小, 而复杂的使用条件要求汽车的牵引力和速度要在相当大的范围之内变化。例如, 高速公路上的速度应该能够达到100公里每小时, 而在城市地区, 车速往往在 50公里每小时左右, 在直线上行驶的空车, 行驶阻力很小, 但是满载工作时, 行驶阻力非常大。为了解决这一矛盾, 我们在传动系统中设置、安装了汽车变速器[1]。汽车变速器的功能是: 通过降低发动机的输出速度, 增加输出扭矩, 使汽车能够适应不同的驾驶条件, 同时使发动机具有理想的动力和经济性。
通过变速器, 发动机传给驱动轮的扭矩和转速得以改变, 使汽车在启动、爬坡、转弯、加速等驱动条件下, 不同需求的牵引力得到了满足, 同时也满足了不同的行驶速度。使发动机能够在最有利的工作条件下工作[2]。同时, 变速器上还设有空档, 在启动发动机、滑行或停车时, 可以阻止发动机的动力向驱动轮的传输。变速器所设置的倒档功能, 则使汽车具有了倒退的驾驶能力[3]。
传统变速箱可分为手动变速器(MT : manual transmission )和自动变速器(AT : Automotive transmission)。配置手动变速器汽车的换档操作完全由驾驶者的意愿来掌控, 变速器的结构简单, 故障率相对较低, 价格便宜, 性能良好。其自身的缺点是, 在如今的 "交通堵塞" 现象越来越严重的大城市, 司机需要经常踩离合器换档,体力消耗巨大, 而发动机是难以工作在最佳状态的, 性能也没有充分发挥, 经济性差。而自动变速器,相对来说, 无需驾驶者踩离合手动换档, 提高了驾驶的舒适性, 但其结构复杂, 难以维护, 效率低, 油耗高[4]。
节能、高效、安全、环保是现代汽车变速器发展的主题,消费者追求舒适、经济、安全,监管追求高效、低碳、环保, 这些要求各汽车公司采用先进高效的设计技术、制造技术、控制技术、先进材料, 实现宽传动比、换档策略优化、传动效率提高、传动轻量化。一些新的变速器, 如无级变速器 (CVT)、双离合器变速器 (DCT)、机械自动变速器 (AMT) 等, 也逐渐用于汽车[5]。然而, 由于手动变速器具有技术成熟、结构简单、成本低、传输效率高等优点, 长期以来一直占据着国内外汽车变速器的主导地位[5]。
本设计的目的是:通过选择合适的参数来设计变速器, 使车辆达到最佳的动力性能和燃油经济性。为了适应 Jade 这款紧凑型轿车, 变速箱的设计应采用合适的传动比, 尽可能紧凑, 结构简单, 使用寿命更长, 同时满足动力性、经济性和舒适性的要求。
1.2 变速器的类型
操纵机构和变速传动机构构成了变速器,不同的变速器分类方法有如下三种[2]:
(1)按照变速传动机构的传动比变动是否有级,分为无级式、有级式和分段无级式变速器[2]。
(2)按照轴的类型,分为旋转轴式和固定轴式两大类。两轴式、三轴式、组合式变速器是固定轴式变速器的三种形式[2]。
(3)按照操纵方式的类型,分为手动、自动和半自动操纵式三类[2]。
1.3 变速器的要求
为了保证变速器有好的工作性能,其应满足如下要求[1]:
- 合适的档位与传动比,保证动力性与经济性
- 有空档,保证动力传输有中断性。
- 有倒档,保证汽车能倒退行驶。
- 工作可靠,防止跳档、脱档和误挂倒档。
- 操纵轻便,减轻驾驶者的劳动强度。
- 传动高效,噪声小。
- 结构简单,形态紧凑。
- 成本低,易制造。
1.4研究的内容
本毕业设计的主要设计内容是: 分析变速器的设计要求, 分析变速器的结构、性能和特点, 最后设计出适合杰德轿车的变速器。
其中包括变速器类型的选择、变速器整体结构方案的确定、变速器整体尺寸和参数的确定、传动齿轮零件的设计计算并校核, 设计计算并校核传动轴、轴承等部件, 变速器同步器的设计, 以及变速器控制机构的设计[6]。
所采用的技术方案: 变速器类型,选择手动变速器,成熟技术、低成本、适用于紧凑型汽车;传动整体结构形式和布局, 选用两轴五档变速器, 该变速箱体积小, 结构简单, 适用于前置前驱的汽车;传动齿轮零件设计, 前进档齿轮采用斜齿轮, 以减少传动噪音和振动, 提高舒适性,同时确定合适的传动比, 最大限度地发挥发动机的动力性和经济性, 以及确定合适的齿轮参数, 减轻应力, 提高使用寿命, 变速器其他部件的设计和选择, 包括变速传动轴的计算和验证, 如有必要时采用齿轮轴、轴承选择滚动轴承和滚子轴承;传输同步器设计, 选用惯性锁环同步器, 运行可靠, 部件耐用。采用计算机辅助设计 (CAD) 和 计算机辅助工程(CAE) 对设计进行了优化[7]。
第2章 变速器机构方案的确定
2.1 概论
对于汽车变速器类型的选择来说,不仅要考虑其总布置,还要考虑结构工艺性、变速器的径向尺寸、变速器齿轮的寿命以及变速器的传动效率。
2.2总体的结构方案
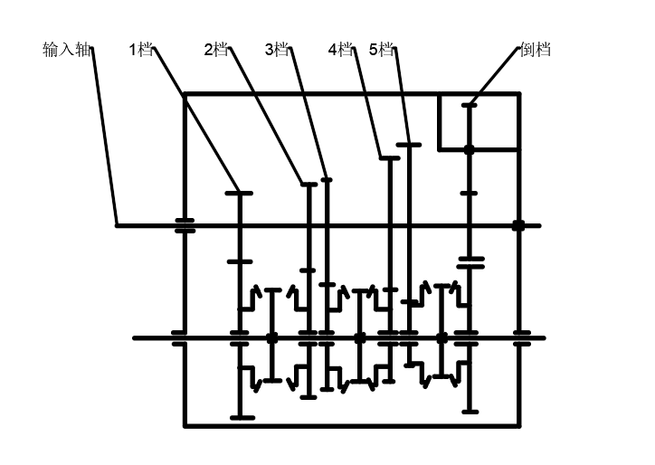
现在的汽车中,手动变速器的总体结构方案有:两轴式方案、三轴式方案、多中间轴式方案和组合式方案[3]。两轴式变速器与其他类型的变速器相比,其轴数与轴承数都较少,所以结构简单、容易布置、轮廓尺寸小、传动效率高等优点。此外,因为各个档位只要一对齿轮传递动力,所以不仅效率更高而且噪声也小。对于杰德轿车这种紧凑型的汽车而言,其采用前置前驱的总布置,并且发动机排量小,不需要非常大的传动比,所以采用两轴式变速即可满足要求。当发动机横置时,主减速器采用斜齿圆柱齿轮,更加经济更加高效。如下图1.1,为二轴式五档手动变速器机构图与传动简图。

图1.1 二轴式五档手动变速器机构图与传动简图
2.3倒档的形式及布置方案
相比于前进档,倒档的使用概率不是很高,为了实现倒档,通常情况下是在输入与输出轴中间插入一个惰轮。常见的倒档布置方案如图1.2所示。
本设计采用图1.2 中的f)型布置方案,此方案中,采用常啮合的斜齿轮作为倒档结构,噪声低,换档轻便。

图1.2 常见的倒档布置方案
设计换档布置方案时,要考虑到防止意外挂入倒档,一般在挂倒档时设有一个挂倒档锁,并且将倒档布置在两边,采用图1.3-c)的换档布置形式[8]。

图1.3 换档位置与顺序
2.4齿轮类型
变速器中使用的齿轮采用斜齿圆柱齿轮。斜齿轮制造相对来说略微复杂,工作时会产生轴向力,但是其重合度大,噪声振动小,使用寿命长,合理布置可抵消大部分的轴向力,故而广泛应用于汽车变速器。
2.5换档的结构形式
如今,大部分汽车的变速器均采用同步器换档,因为同步器换档能实现快速、无冲击、无噪声,提高加速性、经济性与安全性。对于杰德轿车而言,采用同步器换档的结构,可提高换档的轻便性、减少换档的时间。所以,本设计中的所有换档结构均采用同步器换档的方式。
2.6轴承类型
如今, 变速器要有更大的容量和更佳的性能,提高其比功率。滚珠轴承、滚柱轴承和滚针轴承通常不能满足变速器的可靠性和使用寿命的要求,所以圆锥滚子轴承应运而生,与以往的传动轴相比,可以满足变速器的使用寿命和可靠性要求。圆锥滚子轴承具有以下优点:
(1) 滚子圆锥轴承,直径小,宽度大,故而容量大,有高的承载能力。
(2) 滚珠轴承内圈、外圈和滚子之间的几何关系使内滚道和外滚道的滚子具有良好的中性,提高了其使用的可靠性,延长了使用寿命。
(3) 对于接触线而言,圆锥滚子轴承相对来说是较长的,合理的锥角与配合,可以改善轴和齿轮的刚度,不仅降低齿轮啮合的噪声,而且减少脱档的可能,延长使用寿命。
(4) 采用圆锥滚子轴承的变速器,其形体往往为对称结构,方便装拆与调整。
第3章 变速器总体尺寸和参数的确定
3.1档位数及传动比
变速器的档位数对汽车的动力性与经济性有很大的影响[9]。一般来说,档位数越多,发动机在其经济区工作的概率越大,因此对提高汽车的动力性和经济性越好。但是也会由于档位多,结构也就越复杂,质量越大,换档麻烦等缺点。同时,相邻两档之间的传动比的比值也应该处于1.3~1.6之间,过大则导致换档困难,过小也会是的档位过多。
3.1.1 档位数的确定
不同的车型的变速器档位数不同。轿车的最低档与最高档的传动比与的比值较小,微型车采用4档,普及性轿车采用5档,中、高级轿车则采用五档或六档变速器。
杰德轿车作为一款紧凑型轿车,发动机功率不大,同时为了保证其具有较好的动力性和经济性,本设计采用五档变速器。
3.1.2 最高档与最低档传动比确定
传动比变化范围和相邻两档的传动比比值是变速器的重要参数。轿车的变速器传动比变化范围一般在3~5之间。一般,为了使得发动机在最有利的转速范围内工作,变速器各档的传动比比值是几何级数,即相邻两档传动比的比值为几何级数的公比。在相同的传动比变化范围内,公比越大的变速器档位越少,结构也就越简单,但是换档就越困难,反之,公比越小,变速器档位数越多,结构越复杂,但是换档容易[9]。
1.确定最高档传动比
最高档是汽车高速行驶时的档位,为了满足经济性的要求,一般设置有超速档,在0.70~0.85之间,取=0.75。
2.确定主减速器传动比
根据经验,汽车主减速器的传动比范围在3~4.5之间,本设计取3.8.。
3.确定最低档传动比时,需要考虑:汽车最低稳定车速、驱动轮与地面的附着力及最大爬坡度[9]。
a)根据汽车的最大爬坡度确定一档传动比
以上是毕业论文大纲或资料介绍,该课题完整毕业论文、开题报告、任务书、程序设计、图纸设计等资料请添加微信获取,微信号:bysjorg。
相关图片展示:









