某中型货车制动系统设计毕业论文
2020-04-15 18:05:32
摘 要
目前,汽车工业正以一个前所未有的速度向前发展,车辆的普及程度也随之不断升高,但这也使得安全问题变得空前突出。而提到安全性,就避不开车辆的制动系统。制动系统在汽车行驶过程中保证乘客安全方面有着不可替代的作用,并且直接关系到车辆的主动安全性。因此制动系的重要作用不言而喻。本文的主要工作是根据已有的中型货车相关数据,进行制动系统的设计。
本次设计主要涉及到了制动器的相关设计、主要参数的确定以及其可靠性的校核等工作。除此之外,还对制动驱动机构进行了参数的计算和选择;对制动系统一些部件的材料进行了分析和选取。设计过程中,通过对制动减速度、制动距离、应急制动与驻车制动等方面的计算来评价本次设计的完成度以及应用性。
关键词:安全 制动系统 设计 制动器
Design of Braking System for a Medium Truck
Abstract
At present, the automobile industry is developing at an unprecedented speed, and the popularity of vehicles is also increasing, but this also makes the safety problem become unprecedented prominent. Reliability of braking system is an indispensable part of vehicle safety. Braking system plays an irreplaceable role in ensuring passenger safety in the course of driving, and it is directly related to the active safety of the vehicle. Therefore, the important role of brake system is self-evident. The main work of this paper is to design the braking system based on the existing data of medium-sized trucks.
This design mainly involves the relevant design of the brake, the determination of the main parameters and the verification of its reliability. In addition, the parameters of the brake driving mechanism are calculated and selected, and the materials of some parts of the brake system are analyzed and selected. In the design process, the completeness and applicability of the design are evaluated by calculating the braking deceleration, braking distance, emergency braking and parking braking.
Key words: safety; braking system; design; brake
目录
摘要 I
Abstract II
第一章 绪论 1
1.1 设计的内容、发展背景及意义 1
1.2 制动系统的现状与发展 1
第二章 制动系统设计总体方案确定 3
2.1 制动系统概述 3
2.1.1 制动系统的作用及工作原理 3
2.1.2 制动系统的组成及分类 4
2.2 本文主要研究内容 4
2.3 制动器形式的选择 5
2.3.1 制动器的分类 5
2.3.2 不同形式制动器的优劣比较 6
2.3.3 制动器形式的确定 6
2.4 经济性分析 6
第三章 鼓式制动器主要参数的选择 7
3.1 制动鼓内径D 7
3.2 摩擦衬片宽度 b和包角 β 7
3.3 摩擦衬片起始角β0 8
3.4 制动器中心到张开力F0作用线的距离e 9
3.5 制动蹄支撑点位置坐标 a和c 9
3.6 衬片摩擦系数 f 9
第四章 制动器设计与计算 11
4.1 前后轮制动力分配系数β 11
4.1.1 理想前、后轮制动器制动力分配曲线 11
4.1.2 制动力分配系数β与同步附着系数φ0 13
4.2 制动器最大制动力矩的计算 14
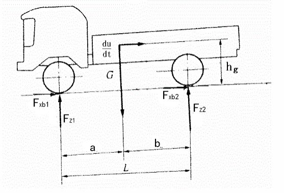
4.2.1 制动时车轮受力分析及最大制动力矩的计算 14
4.2.2 制动蹄上的制动力矩 17
4.3 压力沿衬片长度方向的分布规律 21
4.4 衬片磨损特性 22
4.5 制动效能的分析 23
4.5.1 制动减速度 23
4.5.2 制动距离 24
4.6 应急制动与驻车制动所需制动力矩 24
4.6.1 应急制动 24
4.6.2 驻车制动 25
第五章 制动驱动机构的设计 27
5.1 制动驱动机构的选择 27
5.2 分路系统 27
5.3 制动轮缸直径d的确定 28
5.4 制动主缸直径d0的确定 29
5.5 制动踏板力Fp 30
5.6 制动踏板工作行程Sp 30
第六章 制动器主要结构元件的设计 32
6.1 制动鼓 32
6.2 制动蹄 32
6.3 摩擦衬片 32
第七章 总结与展望 35
参考文献 37
致谢 39
绪论
设计的内容、发展背景及意义
自诞生以来,汽车工业历经风雨,从无到有,用一百多年的时间融入了全世界。2017年全球汽车总产量已经超过9500万辆。仅仅中国地区汽车产量就超过了2900万辆,汽车保有量更是达到2.35亿辆[1]。虽然2018年中国汽车行业有所下滑,产销量首次出现负增长。但从千人汽车保有量上来说,中国仅仅不到150辆,远低于美国的800辆以及日韩的350辆以上。因此,中国的汽车市场并未饱和,仍有较大的发展空间。
在如此庞大的统计数字背后是不可忽视的安全问题。而汽车制动系作为主动安全性的重要评价标准,它的可靠程度很大程度上直接决定了乘客的人身安全。制动性是汽车的主要性能之一。因此,对汽车制动系进行研究与设计是具有重要意义的。
因此,本文将基于中型货车相关数据进行一次制动系统的设计,并依托于本次设计对汽车制动系统安全性,可靠性进行计算,评价并得最终结论。
制动系统的现状与发展
从最简单的机械装置到逐渐出现助力装置,再到液压气压制动的出现,以安全性和可靠性为前提的制动系统发展迅速。但是,传统的制动系统有一个缺陷非常致命。那就是面对车轮抱死问题束手无策。
以上是毕业论文大纲或资料介绍,该课题完整毕业论文、开题报告、任务书、程序设计、图纸设计等资料请添加微信获取,微信号:bysjorg。
相关图片展示:









