车辆自动换道行为建模毕业论文
2020-04-12 16:13:34
摘 要
自动驾驶汽车的发展正在如火如荼地进行,自动换道作为自动驾驶中典型的驾驶行为,具有非常重要的研究价值。自动换道的关键技术包括环境感知、换道策略以及执行器控制。环境感知是换道的基础,本文先通过对各类传感器进行分析,比较各类传感器的优缺点,结合实际情况选取激光雷达传感器作为感知工具,并装载于主车适当位置,对周围车辆进行感知。在对前人对换道模型的研究基础上,确定最小安全距离模型模型作为本文研究重点,建立了最先换道安全距离模型,包括加速阶段的换道安全距离以及跟驰最小安全距离在仿真模型中以方向盘转角作为主要控制,节气门开度控制或加速踏板作为辅助控制,在Prescan生成的simulink模型中建立安全换道控制模块、车辆动力学模型、驾驶员模型,以进行仿真验证。
本文根据目标车道相对于主车位置及相对速度的不同,设计了目标车道障碍车辆位于主车左后方,相对速度为2.5m/s、5.5m/s和8.5m/s三种情况进行验证,目标车道车辆位于左前方时由于位于左前方时的换道规则极为相似,为了便于观察比较换道策略的可行性,采取简化仿真过程,设计目标车道车辆位于主车侧后方、相对速度为20m/s进行验证,经仿真分析,验证了换道决策模型的可行性与安全性。
关键词:自动换道行为;最小安全距离; 换道模型
Abstract
The development of smart driving is in full swing. Automatic lane changing is a typical driving behavior in smart driving and has very important research value. Key technologies for automatic lane change include environmental awareness,lane change strategy,and actuator control. Environmental perception is the basis of lane change. This paper first analyzes various types of sensors and compares the advantages and disadvantages of various types of sensors. In combination with the actual situation, it chooses a laser radar sensor as a sensing tool and loads it in the appropriate position of the master vehicle to sense the surrounding vehicles. Based on the previous research on the lane change model, the minimum safety distance model is determined as the focus of this study, and the first lane change safety distance model is established, including the lane change safety distance in the acceleration phase and the minimum safety distance following the simulation. In the model, the steering wheel angle is used as the main control, and the throttle opening control is used as the seconnd control. The model of the safety lane change control module is established using simulink, and the vehicle dynamics model and the driver model are imported into Simulink for simulation.
Based on the difference of the target lane with respect to the location and relative speed of the main vehicle, this paper designs that the target lane barrier vehicle is located at the left rear of the main vehicle with relative speeds of 2.5 m/s, 5.5 m/s, and 8.5 m/s. The lane changing rule for the left lane ahead of the target lane is very similar to that for the left lane. To facilitate the observation and comparison of the feasibility of the lane change strategy, a simplified simulation procedure is adopted to design the target lane vehicle to be located at the rear of the main vehicle with a relative speed of 20 m/ s verification and simulation analysis verify the feasibility and safety of the lane change decision model.
Keywords: automatic lane change behavior; minimum safety distance; lane change model
目录
摘 要 I
Abstract II
第1章 绪论 1
1.1研究的背景及意义 1
1.2 自动驾驶汽车研究现状 1
1.3 车辆自动换道行为研究现状 2
1.4 本文研究内容 3
第2章 车辆自动换道行为关键技术 5
2.1 环境感知 5
2.1.1 激光雷达 5
2.1.2 相机 5
2.1.3 毫米波雷达传感器 5
2.1.4 超声波传感器 6
2.2 控制策略 6
2.3 执行器控制 6
2.4 本章小结 7
第3章 自动换道决策模型的构建 8
3.1 车辆换道动机 8
3. 2 换道过程分析 9
3.3 对换道条件的判断 9
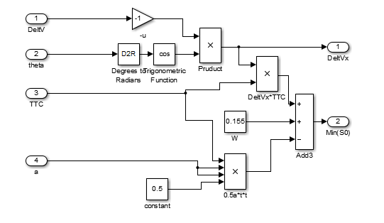
3.4 最小安全距离的定义 10
3.5 换道安全评价指标 10
3.6 安全换道模型的建立 12
3.6.1 M车与Fd车安全距离的确定 12
3.6.2 M车与Ld车安全距离的确定 14
3.6.3 安全跟车距离模型 15
3.6.4 最终安全换道距离的确定 15
3.7 换道决策规则 16
3.8 小结 16
第4章 自动换道模型的仿真测试验证 18
4.1 软件介绍 18
4.2 搭建实验模拟场景 18
4.3 车辆换道决策模型的验证 19
4.3.1 M车与Fd车加速换道的验证 19
4.3.2 M车与Fd车加速换道仿真结果分析 26
4.3.3 M车与Ld车加速换道的验证 26
4.3.4 M车与Ld车加速换道仿真结果分析 29
4.4 小结 29
第5章 结论与展望 31
5.1 结论 31
5.2 展望 31
参考文献 33
致谢 35
第1章 绪论
1.1研究的背景及意义
近年来,有关于自动驾驶汽车的研究方兴未艾,各国都在进行深入研究。研究智能车辆技术能够提高道路通行效率和驾驶安全性,推动实现交通系统的智能化发展。自动驾驶驾驶车辆作为一种智能车辆,是把环境感知、动态规划与决策、决策执行集中在一起的综合智能控制平台。它涵盖信号分析,人工智能、传统机械、传感器和电子控制等多学科门类。它主要通过传感器获取周边道路交通环境的知识,表达对计算机系统采集到的数据的了解,然后智能地控制车辆的行驶状况,完成许多高智能任务[1]。
加强自动驾驶车辆研究对于保障道路交通安全,提高道 路通行能力,保护人身和财产安全具有重要意义。对于自动驾驶车辆的研究,目前其关键问题为环境感知、行为决策和运动控制。行为决策研究是三大关键问题之一,但是对于行为决策的研究相对较少。与车辆其他行为如跟驰对比,关于换道的研究也比较少,这是由于数据采集技术的限制。且换道的过程中考虑的因素更多,决策更为复杂,使得对换道的研究更加困难[2,3]。据统计资料显示,交通事故在换道阶段频发,特别是在交通复杂多变的环境中,换道行为更是受到多种因素限制。因此,加强车辆自动换道行为的决策研究,对于保证车辆安全,提高道路通行能力,实现绿色生态驾驶具有重要意义。
在现实世界中,人脑可以环境信息作出准确的判断并加以处理,但是这种处理是不精确的,甚至是模糊的,随着传感器技术的发展,对于环境信息的获取逐渐转化为传感器的任务。但是传感器只能对精确信息进行有效处理,而对于有缺损或者不精确的信息的处理效率并不高,原因在于分析方法只能在给定的匹配模式下工作,对环境的适应性差,不适合处理不确定的知识。因此,车辆的自动驾驶可以从真实驾驶员的经验中学习,提取驾驶员驾驶行为的决策规则,应用在自动驾驶汽车上,以提高驾驶系统的决策和响应的速度和准确性。
因此,针对高速道路交通环境,综合考虑多种因素对车辆换道行为决策的影响,可以从人类驾驶员的驾驶行为中汲取经验,提取其换道规则,以进一步提高自动驾驶车辆的驾驶安全性和稳定性。所以,对较高车速换道环境下智能汽车自动换道行为的决策研究有非常重要的意义。
1.2 自动驾驶汽车研究现状
(1)国外自动驾驶汽车的发展状况
自动驾驶技术的研究始于20世纪中叶,当时一些发达国家进行了一些初步探索。1950年,美国Barret Electronnies开发出世界上第一辆自动驾驶的汽车,它可以在预设道路上自主驾驶。20世纪80年代后期,许多发达国家进行了与自动驾驶汽车相关的各种实验和比赛,促进了自主驾驶技术的发展 [4]。
以上是毕业论文大纲或资料介绍,该课题完整毕业论文、开题报告、任务书、程序设计、图纸设计等资料请添加微信获取,微信号:bysjorg。
相关图片展示:









