燃料电池客车驱动系统设计毕业论文
2020-04-12 16:05:38
摘 要
燃料电池汽车作为新能源汽车的典型之一,近年来受到国际汽车行业的广泛关注。燃料电池汽车具有无污染、零排放的显著优点,同时它又克服了纯电动汽车续驶里程短的严重缺点。与传统内燃机汽车相比,燃料电池的发展有着更多的可能性,相信在不久的将来燃料电池车必将成为汽车行业的重要一环。而驱动系统作为燃料电池汽车的核心,其研发已然成为燃料电池汽车发展的关键所在。
本篇文章主要内容是进行某燃料电池城市客车驱动系统的设计,首先确定了该车的整车结构参数和动力系统的驱动模式,其次依据所选参数完成驱动系统重要部件(驱动电机、燃料电池、蓄电池)的选型,再次完成驱动系统各部件在车辆不同工况下的参数匹配。最后完成驱动桥的总体设计,通过以上完成对燃料电池驱动系统的总体设计。
关键词:燃料电池客车,驱动系统,驱动桥,设计
Abstract
As one of the typical new energy vehicles, fuel cell vehicles have received extensive attention from the international automotive industry in recent years. Fuel cell vehicles have the obvious advantages of no pollution and zero emissions, while at the same time it overcomes the serious shortcomings of the short range of pure electric vehicles. Compared with traditional internal combustion engine vehicles, the development of fuel cells has more possibilities. It is believed that in the near future, fuel cell vehicles will become an important part of the automotive industry. As the core of fuel cell vehicles, the drive system has become the key to the development of fuel cell vehicles.
The main content of this article is the design of a fuel cell city bus driving system. First of all, the vehicle's structural parameters of the vehicle and the drive mode of the power system are determined. Secondly, the important components of the drive system (drive motor, fuel cell) are completed according to the selected parameters. And the selection of the battery) again completes the parameter matching of the various parts of the drive system under different conditions of the vehicle. Finally, the overall design of the drive axle is completed and the overall design of the fuel cell drive system is completed.
Key Words: Fuel cell bus, drive system, drive axle, design
目 录
第1章 绪论 1
1.1燃料电池驱动系统设计的目的及意义 1
1.2国内外燃料电池汽车动力系统的发展现状 1
第2章 整车总体结构参数选择 2
2.1整车总体结构参数确定 2
第3章 燃料电池客车驱动系统设计 4
3.1驱动系统简述 4
3.2燃料电池系统的特性 4
3.3燃料电池客车动力系统结构选型: 5
3.3.1单燃料电池系统 5
3.3.2燃料电池和蓄电池混合动力系统 5
3.3.3燃料电池和超级电容混合驱动系统: 6
3.3.4燃料电池、蓄电池、超级电容混合驱动系统: 6
3.3.5驱动模式方案的确定 7
3.4燃料电池动力系统部件选型 7
3.4.1燃料电池类型确定 7
3.4.2驱动电机类型的选择 8
3.4.3蓄电池类型的选择 10
3.4.4部件选型结果 11
3.5燃料电池混合动力驱动系统参数匹配 11
3.5.1驱动电机参数确定 11
3.5.3燃料电池参数匹配 15
3.5.3蓄电池的选择 16
第4章 车桥设计 18
4.1 驱动桥结构选型 18
4.2 主减速器设计 18
4.2.1 主减速器结构选型 18
4.2.2 主减速器的齿轮类型 19
4.2.3 主减速器锥齿轮的支承形式 19
4.2.4 主减速器计算载荷的确定 19
4.2.5 主减速器锥齿轮参数选择 20
4.2.6 主减速器弧齿锥齿轮几何尺寸计算 23
4.2.7 主减速器锥齿轮强度计算 25
4.2.8 强度计算后的尺寸调整 26
4.2.9 锥齿轮材料 26
4.2.10 主减速器的润滑 26
4.3 差速器设计 27
4.3.1 差速器结构型式选择 27
4.3.2 对称式圆锥行星齿轮差速器的结构 27
4.3.3 差速器齿轮主要参数的选择 27
4.3.4 差速器齿轮的几何计算 29
4.3.5 差速器齿轮的强度计算 31
4.4 半轴设计 32
4.4.1 半轴结构型式的选择 32
4.4.2 半轴直径的选取及载荷计算与校核 33
4.4.3 半轴的结构设计及材料与热处理 33
4.5万向节设计 33
4.5.1万向节结构选择 33
4.5.2万向节设计计算 34
4.5.3万向节材料及热处理 34
4.6驱动桥壳设计 34
4.7传动轴设计及强度校核 35
第5章 总结 36
参考文献 37
附 录A 38
附 录B 40
致 谢 41
第1章 绪论
1.1燃料电池驱动系统设计的目的及意义
动力系统作为汽车整车研究中最重要的一项,亦是燃料电池汽车发展研究的关键所在。燃料电池汽车与其他类型车辆(传统内燃机汽车,由蓄电池单独驱动的纯电动汽车和油电混合动力汽车)的最大不同点是其独特的动力系统。燃料电池用“燃料电池 电动机”作为动力系统代替传统内燃机汽车以“发动机和燃油系统”作为动力系统,动力系统发生了很大的变化:燃料电池代替发动机作为汽车的主要动力源,同时增加蓄电池作为辅助动力源,删除了传统汽车中的扭转减震器与离合器,并直接用减速器取代变速器。所以燃料电池驱动系统的设计关键在于燃料电池与蓄电池的选择与匹配,同时完成对其余辅助部件的选择。
大学期间,我们学习了关于汽车的很多专业课程,如汽车理论、汽车构造、汽车设计等,除此之外还有材料力学,机械设计等对设计用很大帮助的实用性课程。所以本次设计不但是对我在大学期间所学知识的一个检验,让我查漏补缺;同时也可以让我为以后的工作积累经验,打下良好的基础。
1.2国内外燃料电池汽车动力系统的发展现状
2017年,东方电气首台氢燃料电池城市客车在成都下线,该客车动力系统的知识产权完全自主。目前,这台客车动力系统净输出功率达36千瓦,续航里程更可达到600公里。这充分说明我国燃料电池车研究技术正在迅速发展,燃料电池动力系统研究也有了自主研发的技术,这也为本次课题的开展提供了可能性。
国外的燃料电池汽车动力系统研发技术则更为先进,较著名的车企如奔驰、宝马,本田、丰田等都对燃料电池汽车动力系统有着深入的研究。2014年12月,丰田推出Mirai燃料电池汽车。根据其公司提供的数据,该车按照日本燃油模式测试的续航里程可达到650km,百公里加速也仅为10s,完全满足平常的行车需求[1]。
第2章 整车总体结构参数选择
2.1整车总体结构参数确定
表2.1 初始数据表
车辆总长 | 10~12m |
车辆总质量 | <16500kg |
最高车速 | >70km/h |
一次充气续航里程 | >350km |
为设计准确,参考某款燃料电池客车,结合设计要求,初步选择整车结构参数如表2.2:
表2.2 整车结构参数
总质量 | 16500kg |
整备质量 | 12500kg |
尺寸参数 | 10500×2500×3470mm |
轴荷分配 | 5950/10550 |
轴距 | 5700mm |
前后悬 | 2300/2500m |
离地高度 | 320mm |
最高车速 | 70km/h |
前轮距 | 2070mm |
后轮距 | 1860mm |
质心高度(空载) | 1500mm |
质心高度(满载) | 1300mm |
轮胎规格 | 295/80 R22.5 |
滚动阻力系数 | 0.014 |
传动效率 | ≈1 |
Cd | 0.65 |
最大爬坡度 | 25% |
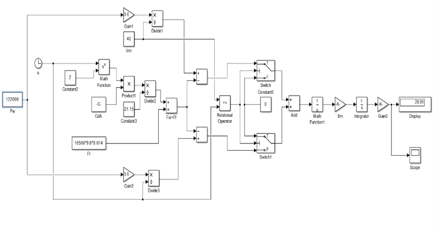
加速时间 | 0-50km/h<28s(满载) |
最小转弯半径 | 17m |
下面对表中的参数进行说明:
1.总体质量、最高车速:由设计给定数据确定;
以上是毕业论文大纲或资料介绍,该课题完整毕业论文、开题报告、任务书、程序设计、图纸设计等资料请添加微信获取,微信号:bysjorg。
相关图片展示:









