汽车48V电源系统分析与设计毕业论文
2021-03-13 23:16:25
摘 要
随着世界汽车保有量的急剧增加,汽车对环境破坏的压力越来越大,很多国家提出了更严苛的排放法规,同时汽车新技术的快速发展和新电子设备的广泛运用使车载功率需求进一步提高,面对这些实际情况,电源系统电压的再一次升级势在必行。在20世纪90年代末,业内提出了一个将电源电压提升至42V的方案,即将三组12V铅酸蓄电池串联成为36V电池组,但进展受阻。在2011年,五家德国汽车制造商发布并采取了48V电源系统规范,此后许多整车厂和零部件厂商相继对汽车48V电源系统进行了研究和分析。48V汽车电源系统成为了世界的焦点。
本文主要研究内容分为以下几个方面:
1.研究汽车电源系统的发展历程。随着汽车技术的不断发展,汽车电源系统也在不断进步,电源系统电压从最开始的6V一步步升级为将来的48V,其中面临着许多挑战,国内外众多汽车整车厂商和零部件厂商都对48V电源系统进行了研究。
2.48V电源系统的构建。本文以某款混合动力汽车为对象,先确定了相关整车参数和48V电源系统蓄电池,电机,AC/DC转换器,DC/DC转换器,电压调节器等各部件的参数。然后构建了48V电源系统。
3.对搭载48V电源系统的轻型混合动力汽车的运行模式,制动能量管理策略,锂电池能量管理系统以及模糊能量管理策略进行了研究分析。
4.用Simulink建立了12V传统燃油汽车和48V电源系统的稳态系统模型,对不同转速和负载的工况进行仿真,从而对48V电源系统的进行了特性分析。
关键词:电源系统;48V;Sinmulink;轻型混合动力汽车;特性分析
Abstract
The number of car ownership is increasing rapidly in the world, and the pressure on environmental damage is increasing. Many countries have set up more strict emission regulations. At the same time, the rapid development of new technologies and the extensive use of new electronic equipment makes the vehicle power demand further improve, in the face of these actual situation, the upgrade of power system voltage is imperative. In the late 1990s, the industry proposed a group of 12V lead-acid batteries in series into 36V battery pack to increase the power bus voltage to 42V program, but progress blocked. In 2011, five German car manufacturers released and adopted the 48V power system specifications, known as the LV148, since then many OEMs and parts manufacturers have been on the car 48V power system were studied and analyzed. 48V car power system has become the focus of the world.
The main contents of this paper are divided into the following aspects:
1. Study the development of automotive power system. With the continuous development of automotive technology, automotive power systems are also progressing, the power system voltage from the beginning of the 6V step by step upgrade to the future 48V, which faces many challenges, many domestic and foreign vehicle manufacturers and parts manufacturers are The 48V power supply system was studied.
2.48V power system construction. In this paper, a hybrid vehicle as the object, first determine the relevant vehicle parameters and 48V power supply system batteries, motors, AC / DC converters, DC / DC converters, voltage regulators and other components of the parameters. And then built a 48V power supply system.
3.The operation mode, the braking energy management strategy, the lithium battery energy management system and the fuzzy energy management strategy of the light hybrid electric vehicle equipped with the 48V power supply system are studied and analyzed.
4. Simulink was used to establish the steady-state system model of 12V traditional fuel vehicle and 48V power supply system. The performance of 48V power supply system was analyzed by simulating the different speed and load conditions.
Key words: power supply system; 48V; Sinmulink; light hybrid vehicle; characteristic analysis
目录
第1章绪论 1
1.1 课题研究背景和意义 1
1.1.1 汽车电源系统的的组成及作用 1
1.1.2 汽车电源系统的发展概述 1
1.1.3 选择48V电源系统的意义 2
1.2 汽车48V电源系统的国内外发展现状 4
1.2.1 汽车48V电源系统的国外发展现状 4
1.2.2 汽车电源系统的国内发展现状 6
1.3 论文主要研究内容 7
第2章 48V电源系统电路设计 8
2.1 汽车48V电源系统电气方案的选择 8
2.2 汽车48V电源系统主要部件的选型设计以及参数选取 10
2.2.1 汽车48V蓄电池的选型及参数的选取 10
2.2.2 锂电池包的设计 13
2.2.3 汽车48V电源系统电机相关参数的选取及工作特性分析 14
2.2.4 汽车48V电源系统其他组成部分的选型 16
2.3 本章小结 17
第3章 搭载48V电源系统汽车能量管理分析 18
3.1 48V电源系统汽车运行模式分析 18
3.2 汽车48V电源系统的制动能量回收系统分析 18
3.3 汽车48V电源系统电池管理系统分析 20
3.3.1 锂电池测量模型的建立 21
3.3.2 锂电池的SOC预估 22
3.4 轻型混合动力汽车模糊逻辑能量管理策略 22
3.5 本章小结 25
第4章 汽车48V电源系统建模、仿真及特性分析 27
4.1 MATLAB/Simulink软件及相关概念介绍 27
4.2 汽车12V电源系统稳态模型的建立 28
4.3 汽车12V电源系统稳态模型的特性分析 34
4.4 汽车48V电源系统稳态模型的建立 36
4.5 汽车48V电源系统稳态模型的特性分析 40
4.6 本章小结 41
第5章全文总结与工作展望 42
5.1 全文总结 42
5.2 工作展望 42
参考文献 44
附录 46
致 谢 47
第1章绪论
课题研究背景和意义
- 汽车电源系统的的组成及作用
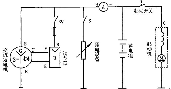
汽车电源主要由蓄电池和发电机并联而成,还有起动机,电压调节器,DC/DC转化器,AC/DC转换器,供电线束等其他组件连接而成[1]。如图1-1所示。
汽车电源系统是汽车电气系统的十分重要的组成部分,电源系统作用是供应全车电气电子设备的用电需求,在发动机启动时是由起动机带动的,此时需要蓄电池为起动机以及发动机点火装置供电。当发动机处于正常工作的工况中,则由发电机向全车用电设备供电,于此同时为了保证蓄电池的电力储备,需要将剩余的电力向蓄电池充电。由于发电机和发动机通过皮带连接,发动机传递给发电机的转速不稳定,从而可能会影响发电机输出电压。电压调节器的作用是在发电机转速变化时,自动控制发电机电压保持恒定,电压调节器是把发电机输出电压控制在稳定范围内的装置,使其不会因为发电机转速低使输出电压不足,导致用电器不能正常工作;也不会因为发电机转速过高,使输出电压过高,导致用电设备烧毁或是蓄电池充电过度。在汽车电源系统中有一些其他的必不可少的组件,如AC/DC转换器和DC/DC转换器。


