苗家坪大理河88m跨铁路桥设计(B方案)毕业论文
2020-05-15 21:54:04
摘 要
ABSTRACT II
第1章 绪论 1
1.1.文献综述 1
1.1.1工程背景 1
1.1.1水文地质资料及设计依据 2
1.1.1主要技术标准和设计基础资料 2
1.2 钢管混凝土系杆拱桥特点 5
1.3.系杆拱桥构造 6
第2章 方案设计与比选 7
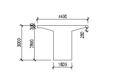
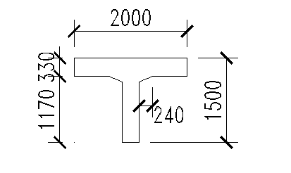
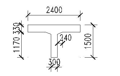
2.1方案主要设计尺寸 7
2.2 方案比选及采用 11
第3章 设计荷载与荷载组合 13
3.1设计荷载 13
3.1.1恒荷载 13
3.1.2 活载 14
3.1.2 附加力 14
3.2 荷载组合 15
3.3迈达斯建模 15
3.3.1 建立节点 16
3. 3. 2 建立单元 16
3.3.3 单元划分 16
3.3.4 边界条件 16
3.3.4 迈达斯模型三视图 17
第4章 内力计算(内力验算) 19
4.1 索力调整 19
4.2拱肋内力应力计算 19
4.2.1钢管截面面积As与钢管惯性矩Is 19
4.2.2 混凝土的截面面积Ac以及惯性矩Ic 19
4.2.3钢管混凝土的轴压刚度和抗弯刚度 19
4.3 拱肋在各荷载作用下受力包络图 20
4.4拱肋3个截面在荷载下的内力验算 25
4.4.1拱顶截面内力验算 26
4.4.2 拱肋1/4拱截面内力验算 27
4.4.3 拱脚截面内力验算 28
4.5混凝土拱肋应力验算 28
4.5.1 主力组合作用 29
4.5.2 主力组合 风荷载作用 29
4.5.3 主力组合 温度荷载作用 30
4.6横撑、K字撑内力及强度验算 30
4.7吊杆应力验算 31
4.8主梁内力计算及验算 32
第5章 结构配筋计算 35
5.1 主梁截面预应力配筋 35
5.2 主梁截面弯矩配筋 34
5.3 短横梁配筋 36
5.4纵梁配筋 37
第6章 结构验算 39
6.1 主梁截面承载力验算 39
6.1.1 主梁轴力受拉正界面承载力验算 39
6.1.2 主梁跨中截面承载力验算 39
6.1.3 主梁斜截面承载力验算 40
6.2 中纵梁承载能力极限状态验算 41
6.2.1 中纵梁跨中正截面承载能力极限状态验算 41
6.2.2 中纵梁斜截面承载能力极限状态验算 42
6.3 横梁承载能力极限状态验算 44
6.3.1 横梁正截面承载力计算 44
6.3.2 横梁斜截面承载力计算 45
6.4 边横梁承载力能力极限状态计算 46
6.4.1 边横梁正截面承载力计算 46
6.3.1 边横梁斜截面承载力计算 47
6.5 正常使用极限状态计算 47
6.5.1 中纵梁正截面抗裂验算 47
6.5.2 中纵梁斜截面抗裂验算 48
6.5.3 横梁正截面抗裂验算 49
6.5.4 横梁斜截面抗裂验算 50
6.5.5 边横梁正截面抗裂验算 51
6.5.6 边横梁斜截面抗裂验算 52
结束语 54
致 谢 56
参考文献 57
摘要
系杆拱桥作为一种具有优美外形同时又适合在城市或者软土地基上修建的桥型,在国内外桥梁建筑史上都占有十分重要的地位,其施工方法和设计理论都已经比较成熟和完善。但是随着现在社会的飞速发展,新型材料、新型施工方法层出不穷,车辆的流量和载重也不断增大,这些都对系杆拱桥的进一步发展提出了新的挑战。而且系杆拱桥作为一种拱、梁组合的超静定结构体系,结构内力分析的过程较一般桥梁体系复杂,特别是拱、梁结合处多向受力状况的分析难度更大,所以对系杆拱桥的结构受力特性进行进一步地理论分析也就显得十分迫切和必要了。论文以对苗家坝大理河88m跨铁路桥为研究北京,运用平面和空间的有限元程序,对系杆拱桥整体结构在施工阶段和运营阶段的受力特性,以及拱、梁体系结合点处的局部受力状况,进行一些详细的理论分析,并用现有的规范标准进行论证,以期对该桥的施工控制和节点模型试验的设计提供一些必须的理论数据。
关键词:系杆拱桥;受力分析;有限元法
Abstract
Tied arch bridge is a bridge that has the outline of concinnity and is fit for building in the city or on the soft clay ground ,which possesses the important status in the domestic and foreign history of bridge building. Its construction method and design theory are already comparatively mature and perfect .But,with the quick development of the modern society,new materials and construction method are more and more ,the traffic of flux and vehicle’s load constantly go up .These new situations challenge the tied arch bridge’s more development. Moreover,the tied arch bridge’s structural analysis of internal force is more difficult than normal bridge system because it is a over-stable structural system that is composed of arch and beam. Specially,the combination of arch and beam receives many forces from many directions and is more difficulty analyzed .So, it is necessary and exigent to more study the tied arch bridge’s structural analysis of internal force.This paper is based upon 88-meter railway bridge of MiaoJia Ba of River Da Li .Through the plane and special finite element program ,this thesis take some particular theory
analysis about the construction and business phase and the local mechanics of the combination of arch and beam .Then ,it demonstrates these analysis according to the present criterion. At last ,it is expected to offer some necessary theory data for the bridge’s construction control and the design of node model experimentation.
Key words:tied arch bridge ; analysis of mechanics capability ; finite element method .
- 绪论
 
1.1文献综述:
1.1.1工程背景
太原至中卫(银川)铁路是《中长期铁路网规划》规划的西北至华北新通道的重要组成部分,线路东起太原南站,西达包兰线中卫站、银川站,横穿23个县市区,线路等级为Ⅰ级,桥隧占比38%。太原至中卫线路全长751公里。苗家坪大理河特大桥位于陕西省子洲县苗家坪镇,上跨青银高速公路后与苗家坪2#隧道直接连接。桥梁全长658.11m,其主跨拟设置为约72~112m简支下承式钢管混凝土拱桥,本次设计的拱桥主跨为88m,拱肋采用钢管混凝土哑铃形拱,拱管直径1.0m,管壁厚16mm,拱肋矢高17m,矢跨比约1/5,拱管内灌注C50补偿收缩混凝土。主拱轴线为二次抛物线,上下拱管之间设置腹腔,在腹腔内吊杆设置处在设置Φ800×16mm钢管,其余位置处间隔两米设置Φ560×12mm钢管。两主拱肋中心间距10.8m拱肋之间设两道K横撑;梁上吊杆间距6m,全桥共设11对吊杆。图样见立平图。
苗家坪镇属华北地台的鄂尔多斯台、陕北台凹的中北部。东北部靠近 东胜台凸,是块古老的地台,未见岩浆岩生成和岩浆活动,地震极少。 地势由西部向东倾斜,西南部平均海拔 1600-1800 米,其它各地平均海拔 1000-1200 米。最高点是定边南部的魏梁,海拔 1907 米,最低点是清涧无 定河入黄河口,海拔 560 米。地貌分为风沙草滩区、黄土丘陵沟壑区、梁 状低山丘陵区三大类。大体以长城为界,北部是毛乌素沙漠南缘风沙草滩 区。得到治理的沙滩地郁郁葱葱;海子(湖泊)星罗棋布。南部是黄土高原 的腹地,沟壑纵横,丘陵峁梁交错,水土流失得到初步控制,生态环境有 了较大改善,境内 95%为山区,5%为川区。该区域跨越暖温带与中温带,具 有大陆性季风气候特点。日照充足,光能较强。年均气温 9.1℃,年均无霜 期 145 天,降水变率较大,旱涝频繁。年均降水量 428.1 毫米,春夏季多 行偏南风,秋冬季春盛行偏北风。本设计需考虑满足跨越青银高速公路的 要求,主桥拟采用跨径约为 88m 的简支下承式钢管混凝土拱桥。
相关图片展示:








        
            
