100m作业水深钻井平台拖带系统设计及强度校核毕业论文
2020-02-18 00:34:58
摘 要
随着科学技术水平的进步,海洋勘探能力也得到大幅度的提高,与此同时人们发现海洋蕴含着丰富的石油、天然气以及其他各种大量矿产资源,各个临海国家越来越重视自己的海洋权益。开发海洋资源需要利用钻井平台,本文则是对100米水深钻井平台进行拖带系统设计以及强度校核。
本论文首先对钻井平台的拖带系统介绍拖带方式的种类以及选用其中一种作为本论文最终拖带的方式,并且介绍了主要的钻井平台所使用的拖曳设备,例如固定在拖船上的拖缆机以及拖带要用的缆绳等;随后利用经验公式对钻井平台的风力、波浪力和海流作用力进行阻力计算,对选定的主拖船进行裸船体阻力和附加阻力计算;其次对拖带系统中的牵引垫和导缆孔所受的拉压、弯曲与剪切应力进行计算,并保证这些构件均能满足其强度要求;最后运用软件对导缆器、牵引垫和平台结构整体进行三维建模,并对建模完成后的模型施加动态载荷以及进行有限元计算分析,并得到模型的应力与位移云图。
关键词:钻井平台;拖带系统;阻力计算;强度校核;有限元分析
Abstract
With the advancement of science and technology, marine exploration capabilities have also been greatly improved. At the same time, people have discovered that the ocean is rich in oil, natural gas and various other large mineral resources, each coastal country pays more and more attention to its own ocean rights and interests. The development of marine resources requires the use of drilling platforms. This paper is to design the towing system and strength check for the 100-meter water depth drilling platform.
This paper first introduces the type of towing method for the towing system of the drilling platform and selects one of them as the final towing method of the paper, and introduces the towing equipment used in the main drilling platform, such as the towing machine fixed on the tugboat and Towing the cable to be used, etc.; then use the empirical formula to calculate the resistance of the wind, wave and current forces of the drilling platform, calculate the bare hull resistance and additional resistance for the selected main tug; secondly, the traction pad in the towing system And the tensile, bending and shear stresses of the cable guide holes are calculated, and these components are guaranteed to meet the strength requirements; finally, the software is used to model the cable guide, the traction pad and the platform structure as a whole, and Model loading after modeling and finite element calculation analysis, and obtaining the stress and displacement cloud of the model.
Key Words: Drilling platform; towing system; resistance calculation; strength check; finite element analysis
目录
摘要 I
Abstract II
第1章 绪论 1
1.1研究背景及意义 1
1.2国内外研究现状 2
1.3本文工作 3
第2章 拖带系统及方式 4
2.1 100米作业水深钻井平台主尺度 4
2.2 拖船与拖曳设备 4
2.2.1主拖船 5
2.2.2辅助拖船 6
2.2.3拖曳设备 7
2.3拖带方式 7
第3章 阻力计算 8
3.1 钻井平台总阻力计算 8
3.1.1平台总阻力计算 8
3.1.2平台受风阻力计算 8
3.1.3平台受波浪阻力计算 9
3.1.4平台受海流作用阻力计算 9
3.2钻井平台拖曳阻力 9
3. 2.1标准海况 9
3.2.2其他工作海况 12
3.3主拖船阻力 13
3.3.1拖船阻力与工作海况 13
3.3.2裸船体阻力R0 13
3.3.2.1拖船摩擦阻力Rf 13
3.3.2.2拖船剩余阻力Rr 14
3.3.3拖船的附加阻力ΔR 15
3.3.3.1拖船空气阻力RA 16
3.3.3.2拖船的附体阻力R1、污底阻力R2、汹涛阻力R3 16
3.3.拖船总阻力 17
3.4系柱拖力 18
第4章 拖带系统布置设计 20
4.1 阻力校核 20
4.1.1拖带作业对拖力要求 20
4.1.2阻力校核 20
4.2 拖带方式设计 21
4.2.1 拖航速度 21
4.2.2 拖船数量 21
4.2.3 拖带形式 21
4.3拖曳设备与索具的选择 22
4.3.1主拖缆选用要求 22
4.3.2索具选用要求 23
第5章 拖带导缆器和牵引垫校核 25
5.1平台载荷介绍 25
5.2轴承处的应力校核 25
5.2.1弯曲应力 26
5.2.2剪切应力 26
5.3拖带导缆器的校核 27
5.3.1导缆器弯曲应力校核 27
5.3.2导缆器剪切应力校核 29
5.4 牵引垫的应力校核 30
5.4.1销轴承与支架连接处的应力校核 30
5.4.1.1拉压应力 30
5.4.1.2剪切应力 31
5.4.2基座处的应力校核 32
5.4.2.1弯曲应力 32
5.4.2.2剪切应力 32
5.5校核结论 33
第6章 导缆器有限元分析 34
6.1 有限元软件建模计算 34
6.1.1坐标系及单位 34
6.1.2模型主要构件尺寸与载荷 34
6.2三维模型 35
6.3有限元校核应力结果和位移云图 37
第7章 总结 43
致谢 44
参考文献 45
附录 46
第1章 绪论
1.1研究背景及意义
近年来,随着全球对制造业的重视以及加快工业化进程,世界各国对石油的需求量也正在逐年扩大,单单只靠在陆地上开采石油已经远远不能满足人们日常生活和工作的需求[1]。于是人们开始逐渐重视起了海洋里的石油资源,经过钻探发现,海洋中蕴含着丰富的石油资源,然而海洋中石油蕴藏的地方一般都在几十甚至几百米的深海处,所以需要用到钻井平台来开采海底的石油。钻井平台从工厂生产出来之后需要移动到海上,然而大多数的钻井平台自身并没有航行的能力,需要选定合适的拖船来协助钻井平台航行以及帮助其进行靠离泊作业。当拖船拖动钻井平台航行时,对钻井平台的前进和转向的控制是有困难度的,因此,我们需要对钻井平台拖带航行时的拖船和拖曳设备进行仔细且谨慎的选择,避免在拖航的过程中出现突发的状况将拖航作业置于危险的境地。这一点也体现在本论文的设计中,钻井平台的拖带安全性是尤其重要的。
钻井平台的拖动需要拖船的帮助,而拖船的船尾一般布置有用于拖带作业的拖带系统,这种系统主要包含有三部分,分别是主拖船、拖曳设备和钻井平台。当钻井平台与主拖船一起进行拖航作业时,钻井平台在水中的桩腿部分会受到波浪阻力和海流作用阻力的影响,钻井平台水面以上的部分会受到风阻力的影响;而拖船则是会受到裸船体阻力以及附加阻力的影响;拖带设备则是由于拖力的存在会对船体上的构件造成影响[2]。对平台与拖船所受的总阻力进行正确的估算,进而选择合适的拖带设计方案,这样才能保证钻井平台拖航作业时的安全性。鉴于自升式钻井平台如图1.1所示的特殊性和对拖带作业的需求,本论文的设计对象为100米作业水深钻井平台,对其拖航作业时拖带的方式进行设计以及拖曳设备进行强度校核。

图1.1海恒CJ50-1自升式钻井平台
1.2国内外研究现状
目前国内外学者大多数是对钻井平台的拖带系统进行操纵性方面的研究,并兼顾拖带系统方式的设计研究。由于本文的工作其中一部分是对拖带方式进行设计,所以主要偏重于关注对钻井平台拖带方式设计的研究现状。
国外的学者主要是研究钻井平台在拖船的拖带下受到风阻力、波浪力和海流作用力时拖航运动会发生的变化[3]。从上个世纪开始,就有一些国外学者开始对由钻井平台、拖曳设备和拖船组成的拖带系统进行研究[4]。在对线性理论进行深入学习之后,Inoue[5]展开了对被拖带物航向稳定性问题的大量深入研究,并且最后提出了被拖物的航向稳定性容易受到拖缆的质量(例如拖缆弹性)的影响[6]。在使用Routh-Hurwitz[7]理论的同时建立起三维模型,一些学者观察到当拖航作业的拖带点位于被拖物的不同位置时航向稳定性容易受到影响,而且拖带时所用拖缆的长度也会影响航向的稳定性[8]。学者Charters最终得到拖带系统的航向稳定性容易受到拖航海域水深的影响的结论是出于对不同水深的拖带进行仿真计算。来自日本的学者贵岛胜郎[9]也对拖带系统的航向稳定性进行了大量的研究,明确了影响拖航稳定性的主要因素是拖航作业时的水深状况和拖缆的长度。
而国内的学者则是普遍通过建立三维模型或者使用仿真计算的方法来研究风阻力、海流作用力以及波浪力是否会对拖带航行的前进或转向问题产生影响。也有学者确定不同阻力数值的计算方法是通过建立数学模型得来的。严似松等人在标准海况以及其它各种典型海况的条件下通过改变拖带航行的航速和拖缆的长度建立了拖带系统的水动力模型。梁康乐等人通过建立MMG模型并结合拖带时所使用的缆绳悬链线模型,来构造作业时的拖带系统模型。
1.3本文工作
本论文主要工作是对100米作业水深钻井平台和拖带作业时选定的拖船按照规范分别进行平台阻力和拖船阻力计算,然后与拖船能够提供的系柱拖力进行比较,最终确定拖带时所需要的拖船数量。确定好拖船数量之后接着选择拖航作业时的拖带设备,并根据选定好的拖曳设备进行拖带系统方式设计以及绘制出拖带方式简图。其次对拖曳设备中的主要构件例如导缆器和牵引垫进行强度校核确保其满足强度要求。最后运用软件对导缆器、牵引垫和平台结构整体进行有限元分析得出计算结果看其是否满足构件的许用应力要求。
第2章 拖带系统及方式
本论文的设计对象为100米作业水深钻井平台,它与选用的拖船和拖曳设备组成一个拖航作业时的拖带系统。
2.1 100米作业水深钻井平台主尺度
本论文拖带方案的设计对象是100米作业水深钻井平台,大多数的钻井平台布置于海上,主要用于钻探石油或者天然气。按照钻井平台的动力类型可以分为两种:一种是移动式的钻井平台,另一种是固定式的钻井平台。本论文设计对象的母型船是海恒CJ50-1,因此是移动式中的自升式钻井平台,但其并没有自航的能力,因此需要选用配套的拖船。本论文中100米作业水深钻井平台的主尺度在长度方向为60米,在宽度方向为42米,型深取为6.5米,设计吃水3.8米,整个钻井平台舾装完成后的桩腿长度为137米。
下表2.1是100米作业水深钻井平台在本次论文中所需的相关数据:
表2.1钻井平台主尺度
项目  | 数据  | 单位  | 
型深  | 6.5  | m  | 
吃水  | 3.8  | m  | 
排水量  | 1.02×104  | m3  | 
桩腿长度  | 137  | m  | 
桩腿宽度  | 7  | m  | 
平台长度  | 60  | m  | 
平台宽度  | 42  | m  | 
船体受风面积  | 1510  | m2  | 
2.2 拖船与拖曳设备
在本论文中拖船用来拖动没有自航能力的自升式钻井平台,由于该平台前进和转向较为困难,仅为钻井平台提供足够的拖力是不足够的,因此平台需要选用主拖船和辅助拖船[10]。拖船具有以下四大特点:
(1)结构牢固:主拖船在拖带航行时由于有构件受到拖力的弯曲、拉压以及剪切应力,容易发生结构断裂的危险,所以主拖船本身的结构牢固可以有效避免这些危险情况的发生;
(2)稳定性好:一般而言主拖船的主尺度与钻井平台相比是较小的,因此钻井平台与主拖船之间的相互作用力容易使主拖船发生危险,拖船稳定性好的话可以帮助船身稳定不易翻转;
(3)主机功率大:主拖船拖带钻井平台航行时由于总阻力非常大,所以需要拖船来提供足够的系柱拖力使平台航行起来,这时主机的大功率就帮助实现这一功能;
(4)操纵性能良好:本论文设计对象是100米作业水深钻井平台,拖带作业时有可能会遇到恶劣海况,而平台本身并没有自动航行的能力,所以完全依靠主拖船来实现平台的移动。
2.2.1主拖船
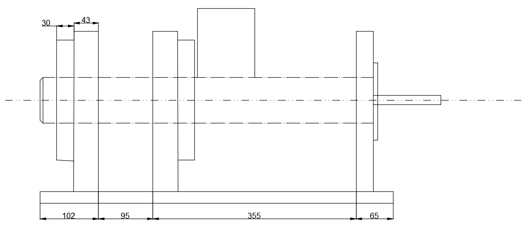
本论文设计对象为100米作业水深钻井平台,平台拖带航行时所采用的主拖船是16000KW深水多用途海洋工程拖船[11]。该拖船不仅可以用来作为大型海洋钻井平台的主拖船使用,又因为该船配备有足够多的其它工作设备,所以也可以在海上遇到突发紧急事故时作为救援船使用。本论文选用的16000KW深水多用途海洋工程拖船的总体布置图如图2.1所示。

图2.1主拖船总体布置图
本论文的设计对象之所以选择这艘拖船的主要原因是该船本身的特点适合于自升式钻井平台的拖带,而且该船拥有非常大的主机功率,能够克服拖带航行作业时钻井平台与主拖船所受的总阻力,并且还能预留有足够的储备拖力以预防突发情况的出现。因此本论文中将该船设定为此次100米作业水深钻井平台拖带系统设计及强度校核的主拖船。该主拖船在标准海况即航速为0节,船上的所有主机在最大的功率运行时,可以得到拖船提供的最大系柱拖力为2563KN;当主拖船拖带作业时拖航速度从0节增加至8节时,主拖船所能提供的最大系柱拖力从2563KN降至为2000KN。
选定的该拖船船身上还配备有用于拖带作业的拖曳设备,比如说为拖带作业提供动力拖缆机,以及连接钻井平台和拖船的缆绳。
2.2.2辅助拖船
本论文的设计对象100米作业水深钻井平台除了选用16000KW多用途拖船作为主拖船之外,还选用59米多功能拖船作为辅助拖船来帮助钻井平台拖带航行时的转向以及微小的移动[12]。该艘船除了可以用于协助大型钻井平台的拖带作业,同样也可以为在平台上工作和生活的人员运送物资。
由该拖船不用于钻井平台的主拖带,因此在后续阻力计算及校核中不考虑该辅助拖船的影响。59米多功能拖船的实物图如图2.2所示,该船的总体布置图如图2.3所示。

图2.2 59米多功能辅助拖船

图2.3 59米多功能辅助拖船总体布置图
2.2.3拖曳设备
在钻井平台被拖船拖带航行的过程中,必不可少的一部分设备即是拖曳设备,拖曳设备将钻井平台与拖船连接起来,保证拖带作业能够顺利的进行下去。拖曳设备按是否可以移动分为固定拖曳设备与活动拖曳设备两种:
(1)固定拖曳设备:顾名思义即为固定在拖船或钻井平台上的结构物,主要为拖曳绞车(即拖缆机)、拖钩、拖桩和拖力眼板等;
以上是毕业论文大纲或资料介绍,该课题完整毕业论文、开题报告、任务书、程序设计、图纸设计等资料请添加微信获取,微信号:bysjorg。
相关图片展示:








        
            
