多功能温湿度测量仪的设计与实现毕业论文
2020-05-22 21:12:14
摘 要
随着社会的发展,温湿度测量的应用越来越广泛,涉及越来越多的领域。近年来,使用智能化数字式温湿度传感器来检测温度信息已成为温湿度测技术的一种发展趋势。本文中设计实现了一个基于STM32的多功能温湿度测量仪,功能是完成对环境温湿度的采集并显示,同时显示计时,可实现阈值报警功能。
课题通过分析所要设计系统的工作原理,逐步确定了设计思路与方案。通过分析各个硬件模块原理与要求,确定了主要硬件的选择,以STM32作为主控制器,DHT11作为温湿度传感器,通过LCD显示测量数据,使用系统内部RTC时钟实现计时。此外,在测量温湿度的基础上还加入了报警模块的设计,使系统检测到的数据超过预设值时能发出警报声。
课题对完成设计后的系统进行了调试与验证,系统能够正常采集温湿度数据,完成报警功能,同时并分析了测试数据存在的误差,为进一步完善设计提供了参考。
关键词:温湿度测量 STM32 DHT11
The design and implementation of multi function temperature and humidity measuring instrument
Abstract
With the development of society, the application of temperature and humidity measurement is more and more extensive, involving more and more fields. In recent years, the use of intelligent digital temperature and humidity sensors to detect temperature information has become a development trend of temperature and humidity measurement technology.
In this paper, through the analysis of the working principle of the system to be designed, the design ideas and programs are gradually established. Through the analysis of each hardware module principle and requirements to determine the main hardware selection, with STM32 as the main controller DHT11 as the temperature and humidity sensor, measurement data through the LCD display using RTC moderate within the system to achieve timing. In addition, the design of the alarm module is added on the basis of measuring the temperature and humidity, so that the system can send out the alarm when the data detected by the system exceeds the preset value.
After the completion of the design, the system of debugging and verification, the system can normal temperature and humidity data acquisition, alarm function, at the same time, we analyze the test data in the presence of errors and provides a reference for further improvement of the design.
Key words: Temperature and humidity measurement STM32 DHT11
目 录
摘 要 I
Abstract II
第一章 绪论 1
1.1 课题研究背景 1
1.2 温湿度测量仪国内外研究现状 1
1.3 本论文研究意义 2
1.4 本文章节安排 2
第二章 系统设计方案 3
2.1系统设计目标 3
2.2 主要器件的选择 4
2.2.1 控制器的选择 4
2.2.2 温湿度传感器的选择 4
2.2.3 设计流程 4
第三章 系统硬件设计 6
3.1 核心处理单元 6
3.2温湿度传感器采集模块 7
3.2.1 温湿度传感器DHT11介绍 7
3.3.2 温湿度传感器引脚及连接 8
3.3 其他硬件模块设计 9
3.4 本章小结 11
第四章 系统软件设计 12
4.1 编程软件介绍 12
4.2 主程序设计 13
4.3 温湿度采集模块设计 14
4.4 液晶显示模块设计 17
4.5 实时时钟模块设计 21
4.6 报警与按键电路模块设计 22
4.7 本章小结 23
第五章 系统调试及验证分析 24
5.1 系统设计的调试 24
5.2 实际效果及误差分析 25
5.3 本章小结 28
第六章 设计总结与展望 29
6.1 论文总结工作 29
6.2 后续工作展望 29
参考文献 30
致 谢 31
第一章 绪论
1.1 课题研究背景
随着社会的发展,温湿度测量的应用越来越广泛,涉及到温室环境智能监控、工业控制、仓库管理、农业等领域。温度与湿度关系到人们生产的生活,各个生产部门也必须对环境温湿度监测与控制,对于许多行业来说都需要精准地测量温度与湿度 [1]。
在现代检测技术中,温湿度测量是其重要组成部分,也是确保生产的质量,安全性的关键所在。传统的温湿度测量系统构成简单,方法复杂,读取数据也不是很方便,所以现在使用数字化温湿度传感器实现数据的采集[2],利用单片机来控制温湿度检测,这样能够提高数据的准确度并且更加方便温湿度的采集与显示,这种以单片机为核心的系统具有较好的性价比,测量效果很好,在实际生活的应用越来越广泛。
在温湿度测量系统中,受到环境因素影响较大,因此对于温湿度的传感器的要求很高。随着技术的发展,温湿度传感器也不断改进,集多种型号于一个芯片,更加集成化。在功能的实现上呈现出多样化,同时系统也更加数字化,与其他模块的配合更加智能化,数据采集也越发的准确化、数字化。正因为这些明显的优势,温湿度传感器的发展也让检测技术也更加成熟可靠[3]。
1.2 温湿度测量仪国内外研究现状
如今温湿度的检测与控制影响着许多重要领域的发展,因此各国非常重视检测系统的精准性以及效率[4],近年来,使用智能化温湿度传感器来检测温度信息已成为温湿度测技术的一种发展趋势。
目前,在温湿度测量这方面发展出了许多新技术,也出现了很多新的改变,比如温湿度传感器从单独的元件变为系统,在测量过程中线性化处理等。温度的测量与湿度的测量都发展成熟并能够同时通过传感器测出而不用单独采集,为测量人员提供了方便。国际上的新型测量仪使用的传感器从原本模拟化向数字化,集成化以及智能化进一步发展[5]。
1.3 本论文研究意义
在现代社会生活中,环境是影响产业的重要因素之一,在其中温度与湿度是关于环境状况的关键指标,温湿度的有效测量与控制能保证各产业的高效与优质的产能。本文实现了一个基于STM32的温湿度测量仪,功能是对周围环境的温湿度测量以及显示,并能对超出预设值时的情况发出警报,本系统完成的设计能通过温湿度的精准测量,实现对环境状况的监测[9]。本系统具有成本低、设计开发方便、通用性强等特点,在设计中综合考虑了系统性能的提升[8]。其不仅适用于现代农业生产中,还能用于其它工业控制、机械制造等其它领域,具有一定的市场推广价值。
1.4 本文章节安排
本文中第一章的内容是课题有关的背景意义以及同类设计发展现状,简述了本文的研究意义。
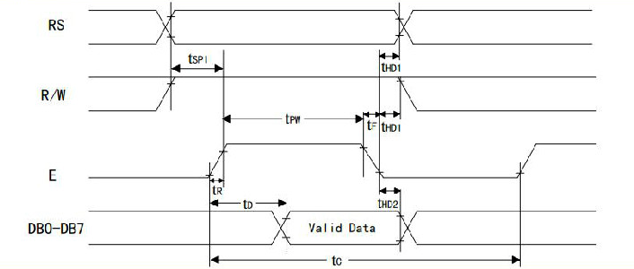
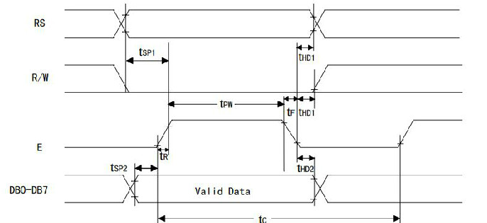
相关图片展示:









