蓝牙4.0中GFSK发射机设计毕业论文
2020-05-21 22:14:23
摘 要
无线传输技术蓬勃发展,蓝牙以其功耗低,安全性,接入迅速等特点在语音通话,图像传输等方面受到大众的青睐,并与我们的生活紧密联系在一起。本文首先对蓝牙4.0技术进行了介绍,接着着重讨论蓝牙发射机的原理,在蓝牙4.0标准中采用GFSK的调制方式,且为间接调制。其后对整个调制过程进行了介绍和分析,后面对各个模块进行了分析,包括BPSK调制、FIR滤波、VCO定标、相位处理、Sin和Cos查找表LUT和最后的增益调制技术等,同时介绍了每个模块的电路设计方案。在理解GFSK发射机原理的基础上,包括发送包的生成,信道选择,噪声加入,主要技术指标等,确定主要模块,运用MATLAB语言编程实现GFSK发射机功能,完成程序的调试并进行仿真测试,验证其性能。
关键词:蓝牙 GFSK调制 高斯滤波器 包
The Design of the GFSK modulation in Bluetooth
Abstract
The technology of wireless transmission develop flourishing, Bluetooth with its low power consumption, security, fast access in communication , image transmission and other facts appeal to public's attention, and connect with our life closely. This artical first introduce the Bluetooth 4.0 technology, and then focus on discussing the principle of Bluetooth transmition ,In Bluetooth 4.0 standard, the type of modulation is GFSK, and it is indirect way .Subsequently, we introduce the hole process of the modulation, and analysis each modular including BPSK modulation, FIR filter, vco constant standard, phase processing, sin and cos look up table LUT and the last gain modulation technology in-depth study, we introduce the circuit design of each module. In the base of understanding the GFSK transmitter principle, including the generation of packet transmission, channel selection, noise addtion, main technical index, and then decide the main modules, using MATLAB to realize the function of GFSK transmitter, finish debugging and simulation test, and verify the performance.
KeyWords:Bluetooth;GFSK;modulation;Gauss filter;package
目 录
摘 要 I
Abstract II
第一章绪论 1
1.1设计背景和意义 1
1.2蓝牙通讯技术的特点 1
1.3本文安排 2
第二章 蓝牙技术介绍 3
2.1设计目的 3
2.2蓝牙发射机特性 3
2.2.1蓝牙速率及分组格式 3
2.2.2蓝牙设备编址 6
2.2.3时隙及发/收时序 7
2.2.4分组类型 7
2.2.5净荷格式 9
2.2.6比特流流程 11
2.2.7差错检验 11
2.2.8纠错方案 13
2.3调制方式介绍 14
第三章、系统设计 15
3.1 GFSK调制简介 15
3.2 GFSK发射机设计框图 17
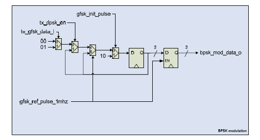
3.2.1.BPSK调制模块 17
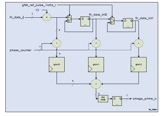
3.2.2.FIR滤波器模块 18
3.2.3.压控振荡器定标 18
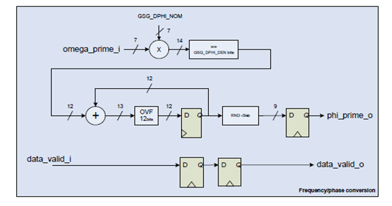
3.2.4.频率和相位转换模块 19
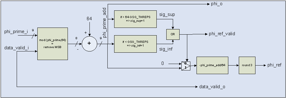
3.2.5相位操作 19
3.2.6余弦/正弦图块 20
3.2.7增益调整 20
3.3 GFSK信号生成过程 21
3.3.1 GFSK调制完整过程 21
3.3.2 GFSK算法描述 22
第四章程序仿真过程 25
4.1 GFSK 4.0 MATLAB 框图 25
4.2 MATLAB仿真过程 26
4.2 仿真过程图及其分析 34
结 语 40
参考文献 41
致 谢 42
第一章绪论
1.1设计背景和意义
20世纪末,爱立信公司发起一项研究活动,想要在移动电话和其他附件之间探寻一种新的无线接口,同时,想要该接口具有低功耗,低成本的特点。发起这项活动的目的在于减少连接移动电话与耳机、笔记本电脑及其它设备之间的有线连接,使其具有便携式的特点,同时分析有多少种不同的通信设备可以通过移动终端接入到蜂窝网中。爱立信公司根据现有技术分析后得出的结论是蜂窝网的最后一段应该是通过短距离的无线连接与蜂窝网形成连接,于是这一新的无线通信技术被命名为蓝牙(Bluetooth)。蓝牙技术的前景随着项目的发展逐渐变得明朗起来。几年后,爱立信联合其他行业巨头一起成立了蓝牙特殊利益集团(SIG),通过相互协作完成蓝牙技术标准的确定、产品制作、并协商各国蓝牙的具体使用。3Com、朗讯(Lucent)、微软(Microsoft)、摩托罗拉(Motorola)等公司很快加盟SIG,组成领导小组(PromoterGroup)。蓝牙手机和蓝牙耳机使无线通话成为了可能。蓝牙常用于语音电话传输(如蓝牙耳机等)或手持计算机设备的字节数据传输(文件传输)。无线蓝牙技术在很多方面得到了应用,例如无线蓝牙耳机,近距离的数据传输等。同时在操作系统方面,蓝牙也支持一些相关技术。因此,研究蓝牙技术对无线传输领域具有深刻的意义。
1.2蓝牙通讯技术的特点
1、无线传输,大大减少有线电缆的使用;
2、低功耗,通讯安全性好,具有良好的加密技术,低辐射,对人体伤害小;
3、蓝牙集成电路相对简单,实现容易,低成本的特点使其产品易于推广,并在市场占有一定份额。
4、使用跳频技术,通过快跳频和短分组技术解决了工频下其他频率对传输信息的干扰,数据传输速率可达1Mbit/s;
相关图片展示:









