0.85~1.2GHz信号采集组件的设计与实现毕业论文
2020-02-19 20:35:33
摘 要
本文介绍了一种基于AT89C51单片机为控制核心的0.85~1.2GHz信号采集组件的设计与实现。随着数据采集的不断发展,信号的采集已变成实验和应用的常态。微波技术在近些年的应用越来越广泛,尤其是广播、电视及通信领域。而对于微波信号的测量也是必不可少的。本次毕设利用所学知识,设计一个对于0.85~1.2GHz的微波信号采集的组件。
文中主要是对微波信号不同特性的研究,通过设计测频电路和测压电路,来获得信号的频率和功率。测频电路通过对微波信号的放大、转换、分频,实现对信号频率的测量;测压电路,通过AD8362芯片的真有效值转换,再经ADC0809芯片的A/D转换,把真有效值转换电压利用单片机在数码管上显示。再通过AD8362功率检波的线性关系,计算电压对应的信号功率,结合频率和功率来模拟微波信号。该系统设计简单,能够采集较高频带宽度的高频信号,实现方便,软件编写容易实现。
关键词:信号采集;A/D转换;微波信号
Abstract
This paper introduces the design and implementation of a signal acquisition module at 0.85 ~ 1.2 GHz with AT89C51 as the control core. With the continuous development of data acquisition, signal acquisition has become the experiment and application of the norm. Microwave technology application in recent years more and more widely, especially in radio, television and communication fields. It is also necessary for the measurement of microwave signal. This project use of knowledge, design a for 0.85 ~ 1.2 GHz microwave signal acquisition of components.
This paper mainly studies the different characteristics of microwave signal, and obtains the frequency and power of signal by designing the frequency measuring circuit and voltage measuring circuit. The frequency measuring circuit can measure the signal frequency by amplifying, converting and dividing the microwave signal; Voltage measuring circuit, through the true RMS conversion of AD8362 chip, and through the ADC0809 chip A/D conversion, the true RMS conversion voltage using MCU on the digital tube display. Through the linear relationship of power detection of AD8362, the corresponding signal power of voltage is calculated, and the microwave signal is simulated by combining frequency and power. The system is simple in design and can collect high frequency signals with high frequency band width, which is convenient to implement and easy to implement in software writing.
Key words: signal acquisition; A/D conversion; Microwave signal
目录
第1章 绪论 1
1.1 研究背景及意义 1
1.2 国内外研究现状 2
1.3 本文研究内容 3
第2章 信号采集基本原理 4
2.1 A/D转换原理 4
2.1.1 奈奎施特采样定理 4
2.1.2 带通信号采样理论 5
2.1.3 A/D转换器 5
2.1.4 A/D主要技术指标 5
2.2 传输线变压器 6
2.2.1 传输线变压器的原理 6
2.2.2 传输线变压器的特点 7
2.2.3 传输线变压器的应用 7
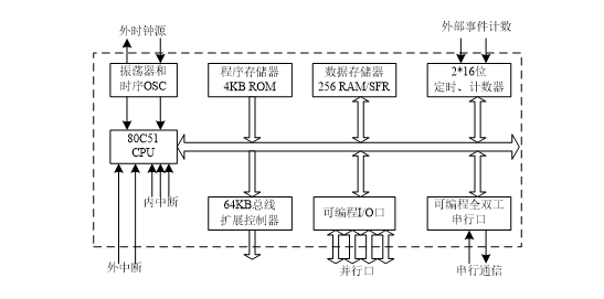
2.3 80C51单片机基本结构 9
2.4 0.85~1.2GHz信号采集电路设计方案 11
2.5 本章小结 11
第3章 信号采集电路的设计 12
3.1 测频电路 12
3.1.1 信号转换电路 12
3.1.2 分频电路 13
3.1.3 软件设计 13
3.2 电压测量电路 15
3.2.1真有效值转换电路 15
3.2.2 A/D转换电路 18
3.2.3 软件设计 20
3.3 设计的电路图 21
3.4 本章小结 22
第4章 设计结果分析 23
4.1 电路仿真结果 23
4.1.1 A/D转换分析 23
4.1.2 测频电路分析 24
4.2 电路测量结果 25
4.3 本章小结 27
第5章 结论 28
参考文献 29
致谢 30
第1章 绪论
1.1 研究背景及意义
本次毕设要设计的是0.85~1.2GHz频率范围的信号采集电路,而0.85~1.2GHz的频率属于微波范围。微波是指频率范围在300MHz到300000MHz的电磁波,对应的波长在1毫米到1米范围之间。微波是电磁波,因此它具有电磁波的各种波动特性,例如衍射、偏振、反射、透射干涉等,这就使得微波的产生、传输、放大、辐射等都不同于普通的无线电、交流电[1,2]。自从麦克斯韦在1865年的论文中首次使用了电磁场这一词语,并创造性地提出了电磁波方程组,推导了波方程,且证明了光是电磁波的一种。19世纪末德国物理学家赫兹发现并用实验证明了电磁波的存在后,对电磁波的研究迅速展开。由于缺乏大功率的信号发生器和灵敏的信号接收器,设备不能满足实验的需求,早起的研究没有取得实质性的进步。在第二次世界大战及之后,由于对微波应用的迫切需求,微波技术才得到迅速发展。
从20世纪的中期以来,微波科学技术在各个领域展现出其强大的生命活力,应用价值被广泛扩展,如雷达的诞生和成熟(1939-1945年)、卫星通信及广播的建立与普及(1964年至今)、射电天文学大发展(1964-1971年)等,以电磁场理论为基础的微波科学技术,对人类的生活及各方面都产生了极其重大的影响[3]。微波技术的发展离不开微波测量技术,精密的微波测量数据对微波技术的发展起着支撑和验证作用[4]。因此在数据采集中,对微波信号的采集,是微波技术研究和应用中至关重要的一步,也是本次毕设的工作任务。
数据采集通常有两种解释:一种是从数据源收集、识别和选取数据的过程;另一种是数字化、电子扫描系统的记录过程以及内容和属性的编码过程。数据采集系统通常是把传感器输出的模拟信号转换成数字信号进行采集,通过对数字量的分析处理来获得模拟量的信息显示。常见的数据采集系统有以下几种实现方式:基于单片机、基于DSP、基于ARM、基于FPGA,各种实现方式各有其优缺点。使用单片机的方式虽然结构简单,但实时性较差;利用DSP的,由于DSP具有较强的运算能力,此方法采样精度高,可以用于对采集信号快速准确处理;ARM芯片有着很强的处理和控制能力,且功耗低,可以同时获得操作系统和应用特色的支持,开发较为容易;使用FPGA的,因为FPGA的逻辑功能很强大,因此能对多路信号进行采集和处理,接口方式多样,有利于对系统进行扩展。
在今天互联网飞速发展的时代,数据采集已被应用于互联网及自动化等各个领域,与之同步的数据采集领域也已发生重要变革。首先,数据的智能采集系统在国能外都得到了长足地发展,如何利用仪器自动采集数据,节省人力,方便对大数据的处理分析,是数据采集的目标和方向。其次,数据采集系统越来越与计算机系统紧密结合起来,利用计算机的存储和分析功能,实现对数据的快速有效采集分析[5]。国内外各种数据采集机先后问世,将数据采集带入了一个全新的时代。由于微波通信的快速发展,数据采集也从低频往高频不断延伸。对高频传输信号的研究,成为通信行业的主导方向。高频信号传输,就需要适合高频的信号采集设备,采样频率也越来越高,采样精度的要求不断提高,才能保障采样信号的稳定性和准确性。
本次毕设就是利用本科所学知识,设计一个0.85~1.2GHz信号采集的电路,尽可能满足对采样信号的精度和准确度要求。
1.2 国内外研究现状
数据采集系统就是一套自动化设备,就是为了能够对数据进行实时采集处理分析。数据采集系统开始于上世纪五十年代,用于美国军事上的测试系统,不依赖于相关的测试文档,且用不熟练的人员操作,由测试设备高速自动化控制完成,具有高速性和一定灵活性。随着科学技术的不断进步和微波通信的迅猛发展,人们对信号的采集越来越重视,且对采样系统的精度要求越来越高。因为采样结果精度的高低直接影响人们对模拟信号的分析,进而影响到人们所采用的措施。
随着各种科技的进步发展,如微电子技术、计算机技术、测控技术等,国内外的数据采集系统都有了较高水平的发展。从对这些年的国外数据采集器的新产品分析可知,其主要具有小型化、功能多样化、使用简单化三个方面的发展特点。而我国的仪器制造商自从上世纪八十年代以来,已研发了多种不同型号的数据采集器,如SP201和SC247单通道型、EG3300和YE5938双通道型、911、902及921超小型的[6]。但是与国外数据采集器相比,我国的数据采集器在技术上仍有一定差距,主要表现为:(1)受限于传感器水平,分析频宽范围窄,给低速或轴承的诊断带来一定难题;(2)数据采集器的存储内存不足,导致数据采集和信号处理能力不是很强,精密诊断还需单独在电脑上处理,这样的功能相对不足,只能做些简易诊断;(3)设备的软件设施只具备设备维修管理和对基本频谱分析的能力,没有较为完善的软件人机交互界面,机器故障的诊断系统还待改进[7]。数据采集是自动化控制的最前端,采集精度、速度与实现的成本都是重要因素,数据采集器在之基础上不断改进。
微波信号采集是微波测量技术中关键一环,微波的研究是基于微波测量,而信号的采集是微波测量的启始[8]。微波信号是通过采样系统来采集的,这就把模拟信号转化为数字信号,有利于微波信号在通信领域的传输[9]。微波信号是高频,对应的采集系统的电路要求较高,要大幅度地提高测量的精度和速度,保障采样信号的稳定性和准确性[10]。
本次毕设0.85~1.2GHz信号采集组件的设计是为微波信号的采集与处理提供运行平台,在基于单片机为核心的基础上,通过A/D采样技术,实现对信号的采集,再通过PC对数字信号进行处理。满足简易信号采集系统的设计要求。
1.3 本文研究内容
第一章主要阐述了微波信号采集的研究背景及研究意义,分析了数据采集系统的国内外研究现状。
第二章介绍了信号采集中所要用到的基本原理。首先介绍了A/D转换的原理,A/D采样基本上都是采用奈奎施特采样定理,而奈奎施特采样是模拟信号采样中使用最多的采样方法,详细说明奈奎施特采样定理的原理和使用范围。同时,也介绍了带通采样定理,当信号频率是带通时,适合采用带通采用定理。接着对常见的ADC芯片加以介绍,说明其使用优缺点。然后是对传输线变压器的原理及应用的介绍。最后根据所要设计的信号采集组件的要求进行电路系统框架的方案设计。
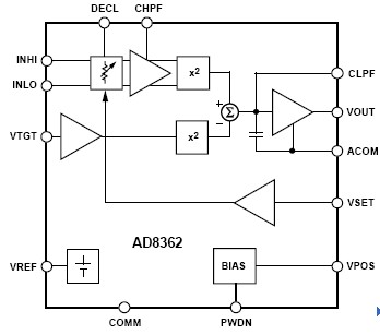
第三章介绍了测频电路和电压测量电路的基本设计原理,并对电路进行说明。测频电路和电压测量电路都用到芯片对信号进行转换调整,测频电路想要获得的是频率,将波形进行转换成方波,方便测量;电压测量电路将信号转化为对其有效值的测量,将正弦电压信号转换成直流模拟量。详细介绍了真有效值检测器件AD8362和A/D转换芯片ADC0809的使用方法,对51单片机的软件部分加以描述。最后,根据设计的测频和测量电压的信号采集思路,搭建出采集电路的原理图。
第四章介绍了设计电路的仿真结果及部分实际电路功能的测量显示,通过对数据的分析处理,判定AD8362芯片的线性关系。通过对射频信号的频率和功率的测量计算,实现对信号的模拟。
第五章是对本次设计中出现的问题和不足的总结,也对更好地完善设计提出了要求和方向。
第2章 信号采集基本原理
2.1 A/D转换原理
A/D转换器是通过对模拟量采集转换成对应数字量,再利用单片机对数字量进行处理分析。A/D转换的过程,就是对模拟信号的采样。采样也叫取样,是指把时间域或者空间域的模拟量按照一定规律转变成离散量的过程。取样定理、抽样定理是采样过程中必须遵守的基本规律。采样定理说明了采样频率与被采样信号频谱之间的关联,是将连续信号离散化的规律依据[11]。常见的采样定理有:奈奎施特采样定理、带通信号采样定理等。
2.1.1 奈奎施特采样定理
奈奎施特采样定理解释了采样频率与所测信号频率之间的关系。奈奎施特采样定理主要说明为:被采样的信号
必须是有限带宽,频率有最大值,高于此最大值的频率成分为零。如果对一个信号
进行等间隔的采样,每个周期内采样点数是相同的,若每个周期的采样点是多余两个,即采样频率是被采样信号频率两倍以上,那么从采样的的离散量就可以还原被采样信号。一般把采样器每隔T的时间闭合,进行采样一次,如下图(a),理论上的采样是在瞬间就完成的,但实际采样有一定的采用时间。图(e)为理论上采样点,图(c)为实际采样点。图(b)为被采样信号,图(f)为理论采样结果,而(d)是实际采样结果。

图2.1实际抽样(图左)与理想抽样(图右)
若不能满足奈奎施特采样定理的频率条件,采样的信号频谱域就会发生重叠,无法还原被采样信号。因此,要想采样信号能准确还原被采样信号,采样频率必须大于或者等于两倍的原信号频率。采样频率越高,单位周期内对原信号的采样点越多,越有利于准确还原原信号,但是对系统的硬件条件要求就更高,电路把模拟量转化为数字量的速度要更快。
2.1.2 带通信号采样理论
由于奈奎施特采样定理主要应用于低通信号,而实际上遇到的信号大多数是带通型信号。奈奎施特采样的频率要求是
,对于普通的低通信号还好,频率不会太高,而对于带通型信号,最高频
不低,若还是采用奈奎施特定理采样,可以达到采样要求,但采样频率
太高,且带通信号在0~
的频谱是没有的,就会得到浪费。
带通采样定理表示为:设带通信号
,其频率限制在
与
之间,带宽为
,N是一个不超过
的最大整数,当采样频率
满足
	
          	(2.1)
(其中n为非负整数,且小于N)则可以由采样的数字量还原原信号
。
2.1.3 A/D转换器
将模拟信号转换成数字信号的电路芯片被称为A/D转换器。当前市面上的ADC转换芯片已经很成熟,各种型号位数的都有,只要选择适合自己设计要求,搭建辅助电路即可。
虽然ADC芯片类型很多,有积分型、并行比较型、电容阵列比较型等,但被市场认可和单片机系统广泛应用的主要有三种。这三种类型的ADC芯片各有其优缺点,如逐次比较型的,它的转换精度、速度及造价都比较合适,在单片机中大量使用,但其无法实现对高频信号的A/D转换;双积分型虽然相比于逐次比较型的精度更高,对外部电路环境的抗干扰型更好,且价格更加低廉,但是其转换速度较慢,只适用于一般的模拟信号转换;而
式ADC与之相比,具有前面两个的双重优点,不仅有更高的转换速度、高信噪比,而且对串模干扰的抑制能力也比较强,在未来的单片机应用领域得到快速地发展。
选择ADC芯片,我们要参考要采集的信号频率等。常见的A/D转换器的转换速度可以分为超高速、高速、低速等,根据完成一次转换的时间量级来进行划分。根据奈奎施特采样定理可知,ADC芯片的转换频率必须是信号频率的两倍以上,A/D转换才能正常进行。而芯片转换速度越高,对电路的要求也越高,尤其单片机的硬件电路和驱动频率。这就给我们对高频信号进行A/D转换带来了难题。
2.1.4 A/D主要技术指标
对于A/D转换器技术指标的描述,主要从以下三个方面:
(1)转换时间或转换速率。A/D转换器按照要求完成一次将模拟量转换为数字量所需要的时间即为转换时间,转换时间的倒数为转换速率。转换时间越短,采样越快,单位时间采样点越多,数字信号越能体现模拟信号的变化规律。
以上是毕业论文大纲或资料介绍,该课题完整毕业论文、开题报告、任务书、程序设计、图纸设计等资料请添加微信获取,微信号:bysjorg。
相关图片展示:








        
            
