基于PSoC4的智能家居光照系统的设计与实现毕业论文
2020-06-07 21:25:24
摘 要
智能家居的市场消费理念正逐步形成,智能化是家居的发展趋势。智能家居光照系统是家居环境必不可少的组成部分,本文选取智能家居的光照系统作为课题,设计实现一个适合家居环境,简单易操作,具有自动控制室内光照条件的照明系统,为使系统更加切合实际家居环境,引入温度控制子系统,整个系统实现的是室内温度,光照强度自动调节功能,同时兼有语音输入控制,触摸面板输入控制功能。文章从系统需要实现的功能出发,将整个系统划分为不同功能模块,论述了系统具体实现方案,系统以可编程片上系统(PSoC)CY8C4245作为控制系统的主控芯片,选用LD3320芯片识别语音控制指令,利用PSoC集成的CapSense组件作触摸感应输入。文中详细介绍了PSoC主控芯片的内部资源,基于LD3320的语音识别模块的工作原理及使用方法,LCD12864显示部件的驱动方式,温度光强控制电路等。根据选择的芯片及其工作模式,合理设计了各自的接口电路,规划了独立功能模块与整个控制系统的程序结构、流程,介绍了语音识别、温度光照数据采集、温度光照强度控制、12864显示等部分程序的设计流程与编写。最后搭建演示模型,进行实物连线,对系统作整体功能测试,测试结果表明该系统功能完备,运行良好,符合设计要求,达到预期效果。
关键词:PSoC 4 语音识别 触摸感应 智能控制
Design and Implementation of PSoC4-Based smart home lighting system
Abstract
The consumption concept of smart home is gradually formed. People increasingly prefer home automation. Intelligent lighting system is an indispensable part of the home environment. To achieve an indoor lighting system,easy to operate,with automatic control function, the article selects the illumination system of the smart home as the topic. In order to make the system more pratical, a temperature control subsystem is introduced. The whole system realizes the indoor temperature and the light intensity automatic adjustment function, both the speech input control function and the touch panel input control function. The whole system is divided into different functional modules and the concrete realization scheme of the design is discussed. The system uses the programmable system on chip(PSoC) CY8C4245 as the master chip, selects the LD3320 to identify voice control instructions, and uses the CapSense component which is integrated inside PSoC for touch sensor input. In this paper, the internal resource of PSoC master chip, the working principle and application method of speech recognition module, the drive mode of LCD12864, temperature and light intensity control circuit are introduced in detail. According to the selected chip and its working mode, the interface circuit is designed rationally, and the program structure and process are planned. The article introduces the program process of speech recognition, temperature and light intensity data acquisition, temperature and light intensity control, 12864 display and so on. Finally, the demonstration model is build, the physical connection is made, and the functional test of the system is carried out. The test results show that the system runs well, meets the design requirements and achieves the desired results.
Key Words: PSoC4; Speech recognition; Touch sensor; Intelligent control;
目 录
摘 要 I
ABSTRACT II
第一章 引 言 1
1.1 设计背景 1
1.2 设计内容 2
1.3 论文结构 3
第二章 系统方案设计 4
2.1 系统原理框图设计 4
2.2 系统主要元器件介绍 6
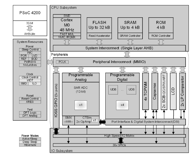
2.2.1 CY8C4245主控芯片 6
2.2.2语音识别模块 8
2.2.3光照强度检测模块 10
2.2.4 温度测量模块 11
2.2.5 触控感应模块 12
2.2.6 人体红外感应模块 12
2.2.7 Emulated EEPROM 13
2.3 系统主要接口电路设计 13
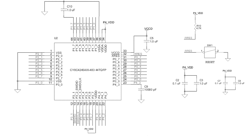
2.3.1 PSoC 4 最小系统设计 13
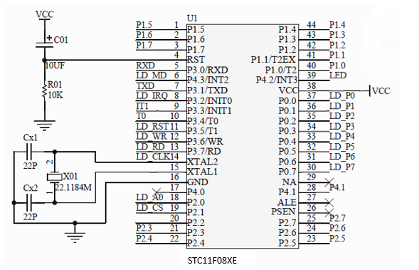
2.3.2 STC11F08XE最小系统设计 14
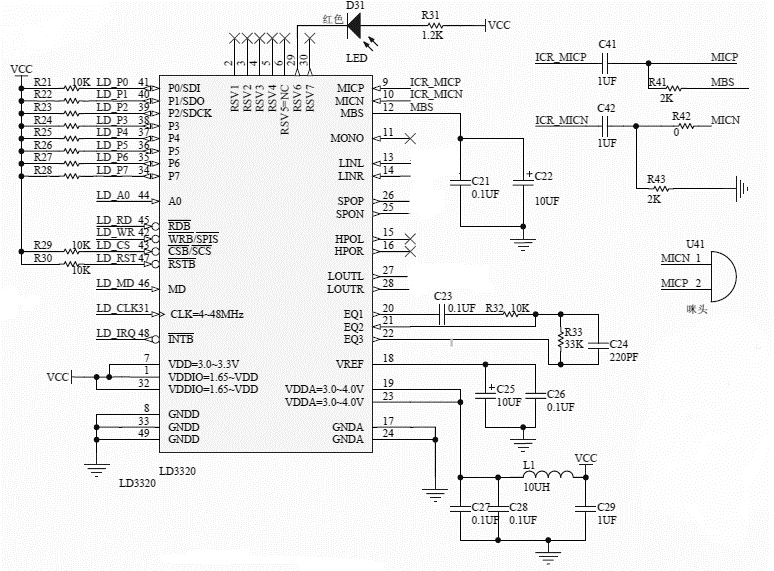
2.3.3 语音识别模块 15
2.3.4 显示模块 16
2.3.2 温度灯光控制模块 18
2.3.3 窗页控制模块 19
2.3.4 Capsense触摸感应模块 20
第三章 软件设计 22
3.1 主程序流程分析 22
3.2 子程序流程分析 24
3.2.1 语音识别子程序设计 24
3.2.2 光照数据采集子程序设计 25
3.2.3 温度采集控制子程序设计 26
3.2.4 LCD12864显示子程序设计 27
第四章 系统实现与调试 29
4.1系统实现 29
4.2 实物连线与测试 33
4.2.1 系统实物 33
4.2.2 系统测试 35
总 结 40
参考文献 41
致 谢 43
第一章 引 言
1.1 设计背景
物联网(Internet of things)是新一代信息技术的重要组成部分,也是信息化时代发展的重要阶段。顾名思义,物联网是物与物相互连接的联通网络。物联网是在互联网基础上延伸和拓展的网络,用户端不再局限于移动终端之间,任何物体都能够作为用户端收发处理数据信息,物体与物体之间具备相互识别的能力,能够进行信息交换,能够协同工作。物联网的鲜明特征首先在于广泛应用各种感知技术的,物联网上部署了海量的传感器,感知温度,湿度,速度,位置信息等环境参数,一个传感器就是一个信息源,不同信息源包含不同的感知信息,信息内容和信息格式不尽相同,但采集的数据具有较强的实时性。其次物联网的基础和核心仍是互联网,传感器采集的数据信息实时准确地通过网络传递出去。最后物联网提供的不仅仅物物互联,传感器的联通,更重要的是具有处理能力,能够实现对物体智能控制[1],以应对环境的变化。
智能家居是物联网的一个重要应用领域。智能家居利用物联网技术将各种家用电气设备连接在一起,提供家电控制,照明控制,环境监测等多种功能。智能家居不再满足于传统家居的居住功能,而是追求家居环境的智慧化,日常家居就能具有全方位的信息交互功能,能够为家居生活提供便利,优化人们的生活方式。我国智能家居作为新生产业,还处于成长期,智能家居的消费还只是面向小众,整体的消费习惯,消费理念尚未形成,随着智能家居市场逐步的推广普及,普通大众的消费理念和习惯逐步培养起来,智能家居的前景光明,如何将智能家居部署进寻常百姓家是行业发展的重要研究课题,国内优秀的智能家居生产企业愈来愈重视对行业市场研究,一些非智能家居的互联网公司也在布局智能家居行业,智能家居是今后家居发展的必然趋势。
相关图片展示:









