银纳米线改性石墨烯气凝胶的制备及性能研究毕业论文
2020-02-19 16:18:24
摘 要
石墨烯气凝胶(GA)是以二维石墨烯为结构单元构建形成的轻质多孔材料,兼具有石墨烯优异的物理化学性质和气凝胶结构的特点。然而石墨烯气凝胶存在强度低和导热率低等方面的问题,有研究表明银纳米线(AgNW)的导电性好,导热率高,机械性能好,因此采用银纳米线与石墨烯气凝胶进行复合,得到的银纳米线/石墨烯气凝胶表现出较好的储热性能和电磁屏蔽性能,在储能和电磁屏蔽领域有广阔的应用前景。
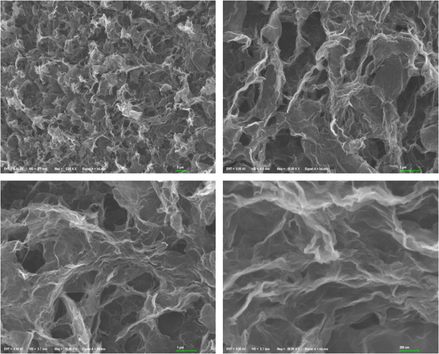
本文采用多元醇还原法制备AgNW,采用Hummers法制备氧化石墨烯(GO),采用机械混合法和一步水热还原法制备银纳米线/石墨烯气凝胶。通过扫描电子显微镜、透射电子显微镜、X射线衍射仪和拉曼光谱仪等表征了以上材料的形貌和结构,研究结果表明,银纳米线/石墨烯气凝胶的孔洞直径在1-2μm且孔洞分布均匀,体系中可以明显观察到银纳米线贯穿石墨烯气凝胶中,对石墨烯气凝胶的结构起到支撑作用。同时对银纳米线/石墨烯气凝胶的储热性能和电磁屏蔽性能展开测试。研究结果表明,该银纳米线/石墨烯气凝胶对相变材料的吸附率达到90.9%,其熔融和结晶温度为44.3和41.9℃,熔融和凝固焓为159.1 J/g和156.2 J/g。在8.2 GHz到12 GHz的测试区间内,银纳米线/石墨烯气凝胶的电磁屏蔽效应达到21dB,且保持在99%。因此,银纳米线/石墨烯气凝胶在储能和电磁屏蔽领域有广泛的应用前景。
关键词:银纳米线;石墨烯气凝胶;储能性能;电磁屏蔽效应
Abstract
Graphene aerogel (GA) is a lightweight porous material formed by two-dimensional graphene as a structural unit, and has the characteristics of excellent physical and chemical properties and aerogel structure of graphene. However, graphene aerogel has problems of low strength and low thermal conductivity. Studies have shown that silver nanowires (AgNW) have good electrical conductivity, high thermal conductivity and good mechanical properties, so silver nanowires and graphene are used for gas condensation. The gel is compounded, and the obtained silver nanowire/graphene aerogel exhibits better heat storage performance and electromagnetic shielding performance, and has broad application prospects in the fields of energy storage and electromagnetic shielding.
In this paper, AgNW was prepared by polyol reduction method, and graphene oxide (GO) was prepared by Hummers method. Silver nanowire/graphene aerogel was prepared by mechanical mixing method and one-step hydrothermal reduction method. The morphology and structure of the above materials were characterized by scanning electron microscopy, transmission electron microscopy, X-ray diffractometry and Raman spectroscopy. The results show that the pore diameter of silver nanowire/graphene aerogel is 1-2μm and the pores are The distribution is uniform, and the silver nanowires can be clearly observed in the system through the graphene aerogel, which supports the structure of the graphene aerogel. At the same time, the thermal storage performance and electromagnetic shielding performance of silver nanowire/graphene aerogel were tested. The results show that the silver nanowire/graphene aerogel has a adsorption rate of 90.9% for phase change materials, melting and crystallization temperatures of 44.3 and 41.9 °C, and melting and solidification enthalpy of 159.1 J/g and 156.2 J/g. In the test range of 8.2 GHz to 12 GHz, the electromagnetic shielding effect of the silver nanowire/graphene aerogel reached 21 dB and remained at 99%. Therefore, silver nanowire/graphene aerogel has broad application prospects in the fields of energy storage and electromagnetic shielding.
Key Words:Silver nanowire;graphene aerogel;energy storage performance;electromagnetic shielding effect
目 录
第1章 绪论 1
1.1 银纳米线 1
1.2 石墨烯和氧化石墨烯 2
1.3 石墨烯气凝胶及国内外研究现状 3
1.4 本文选题思路和技术路线 5
第2章 实验部分 6
2.1 实验试剂 6
2.2 实验仪器设备 7
2.3 实验制备 7
2.3.1 AgNW的制备 7
2.3.2 GO和GA的制备 7
2.3.3 AgNW/GA的制备 8
2.4 测试与表征 8
第3章 结果与讨论 9
3.1 形貌表征 9
3.2 结构表征 11
3.3 性能测试 15
3.3.1 储热性能 15
3.3.2 电磁屏蔽性能 16
第4章 结论 17
参考文献 18
致 谢 20
绪论
石墨烯气凝胶(GA)是由二维石墨烯构建形成的三维空间网络结构的多孔材料。石墨烯气凝胶兼具有石墨烯优异的物理化学性质和气凝胶结构的特点,在能量存储、环保、传感器、电磁屏蔽、催化等领域具有广阔的应用前景。然而石墨烯气凝胶存在强度低和导热率低等方面的问题。银纳米线(AgNW)具有优秀的韧性和高导热率等优势。因此AgNW/GA复合气凝胶材料有望克服以上问题,并应用于能量储存、电磁屏蔽等领域。
1.1 银纳米线
纳米线是一种具有一维线性结构的横向尺寸在1~100 nm之间的纳米级物质。因为纳米线的长径比大多在1000以上,其横向尺寸在纳米级,而纵向尺寸一般在微米级,所以纳米线一般被称为一维材料。由于纳米线这种比较特殊的纳米级尺寸,它在强度、韧性等机械性能上比一般体材料更为突出,更加适合生产和生活的需要。研究发现,纳米线在光、力、电、热、磁等领域中有很大的应用潜力。
银纳米线(AgNW)是应用较为广泛的一种金属纳米线,它是具有纳米级尺寸的一维线性结构的银单质。目前,制备银纳米线的方法一般可以分为化学法和物理法。化学法工艺流程较为简单、同时操作过程方便,因而得到了较为广泛的应用。化学法又可以分为模板法、超声波还原法和多元醇法。模板法是以特定的模板并结合电化学沉积、溶胶-凝胶沉积等方法合成银纳米线。模板法采用的模板分为硬模板和软模板。硬模板通常采用多孔氧化铝薄膜和聚合物薄膜,也有用碳纳米管等其他物质作为硬模板。软模板法通常是采用表面活性剂在超过临界胶束浓度后形成的棒状胶束作为模板。超声波还原法是利用超声波使银离子产生强烈的碰撞和聚集,从而制备出银纳米线。多元醇法是用多元醇还原金属盐来制备银纳米线。相比于模板法和超声波还原法,多元醇法因为反应条件简单、反应时间短、后处理过程简单而被广泛采用。
多元醇还原法制备银纳米线的原理是以多元醇作为还原剂和溶剂进而引发银离子进行还原和各向异性生长。在多元醇的作用下,银离子盐被还原为不稳定的银单质颗粒。为了防止银单质颗粒聚集,体系中需要加入表面活性剂。表面活性剂与银单质颗粒相互作用时,使得作用面的表面活化能降低,则该面不会发生银单质颗粒的生长,最终银单质颗粒只有一个面快速生长从而形成银纳米线。除表面活性剂、多元醇、银离子盐外,体系中还需要加入蚀刻剂,除去银纳米颗粒表面的氧原子,防止银被氧化蚀刻,从而促进银纳米线的生长。常用的蚀刻剂由卤素离子和Fe3 或Cu2 组成。Fe3 或Cu2 可以去除银晶种表面的氧原子,防止银被氧化蚀刻。此外,卤素离子通过静电相互作用使银种子颗粒稳定。同时,卤素离子还可以通过形成难溶的卤化银盐来防止高浓度游离的Ag 和银种子的聚集。但是在多元醇法合成纳米线的过程中,常常会同时生长纳米线和纳米颗粒,因而体系中出现银纳米颗粒作为主要的副产物。银纳米颗粒的出现,不仅会影响气凝胶的重量,还会影响气凝胶的性能,因此需要除去体系中的银纳米颗粒。本实验中采用在去丙酮中选择性沉淀银纳米线来达到该目的。将合成的银纳米线溶液分散到丙酮中静置,由于银纳米线在丙酮中的分散性差,且受重力作用,会优先沉积于烧杯底部。银纳米颗粒和长径比较小的银纳米线悬浮在上清液中。通过移除上清液达到分离银纳米颗粒的作用,得到较为纯净的银纳米线悬浮液。根据需要重复该步骤,即可使得银纳米线富集和纯化。
1.2 石墨烯和氧化石墨烯
石墨烯是一种由单层碳、氢原子组成的片层材料,属于二维结构,是目前自然界中已知的最薄二维材料。石墨烯的基本结构是一种平面六边形的堆砌结构,同时也是其他石墨类材料的基本组成结构单元。由于石墨烯中含有共轭大π键,降低了体系的能量,石墨烯具有稳定的结构。氧化石墨烯(GO)是石墨经氧化得到的高度氧化的二维层状材料,主要由碳、氢、氧三种元素组成,其中碳氧原子比在1.5~3.0之间。氧化石墨烯同样也是二维单原子层状结构,结构中含有的大量氧原子以羟基、羧基、羰基等含氧官能团的形式存在与石墨烯片层上。这些含氧官能团属于极性基团,它们的相互作用力导致氧化石墨烯的层间距变大,使得氧化石墨烯呈现不同于石墨烯的单层结构。同时,结构中含氧官能团的强烈的极性作用破坏了共轭结构,导致氧化石墨烯的导电性和力学性能较石墨烯的差得多。同时,氧化石墨烯也因此具有良好的分散性和反应活性,易于通过共价键与有机小分子、高分子结合,或者通过氢键等非共价键作用与其他化合物结合。石墨烯和氧化石墨烯因为表现出优异的物理性质,广泛地应用于电磁屏蔽、传感器、储能、催化等领域。
目前,人们已经发明了多种合成石墨烯的方法,如机械剥离、液相剥离、化学气相沉积、氧化还原等方法。其中,氧化还原法因为工艺简单、成本低、可大规模批量生产等优势而得到广泛采用。氧化还原法的基本原理是在强氧化剂的作用下将石墨粉氧化为氧化石墨烯,再将氧化石墨烯剥离为单层的纳米片层,最后将氧化石墨烯还原为石墨烯。
制备氧化石墨烯的的氧化剂体系有多种,本课题采用Hummers法氧化剂体系氧化石墨制备氧化石墨烯。该氧化剂体系由KMnO4、NaNO3和浓硫酸组成。
Hummers法制备氧化石墨烯的反应机理可大体上总结为三个阶段:低温(10℃以下)插层、中温(35℃左右)氧化和高温(90℃以上)水解剥离。在低温插层阶段,KMnO4会与浓硫酸反应,生成Mn2O7或MnO3+作为氧化活性成分。体系中的NaNO3提供 NO3-,在低温下与浓硫酸反应生成强氧化剂HNO3,进一步起到促进石墨氧化的作用。硝酸以及KMnO4生成的氧化活性成分将羟基等含氧官能团初步引入石墨层间,使得石墨层间距略有变大,促进浓硫酸与石墨发生插层反应。随后进入第二阶段,该中温氧化阶段又可以根据氧化成分的不同分为2个部分。第1部分的氧化成分为低温阶段KMnO4生成的氧化活性成分Mn2O7或MnO3 ,主要是指低温插层结束到加去离子水之前的阶段。随着反应的不断进行,低温插层阶段引入的羟基与氧化活性成分反应生成羰基或羧基。石墨层上的羟基也会部分反应生成环氧基团。第2部分的氧化剂是KMnO4,主要指的是加入去离子水后到加双氧水之前的阶段。KMnO4的氧化作用会使C=C键断裂并形成羰基或羧基。随着氧化反应的进行,氧化过程中会生成CO2气体,并在石墨层上某些部位形成孔洞缺陷。随着大量去离子水的加入,反应释放大量的热,不需要升高水浴温度即可使反应温度升高到高温水解剥离阶段所需的温度(90℃以上),此时反应进入第三阶段高温水解剥离。随着反应的进行,大量的去离子水与石墨片层上的环氧基团发生反应,使其水解生成羟基,进一步促进石墨层与层之间的剥离。加适量的双氧水将未反应完的KMnO4还原成可溶的Mn2 ,用1:10的稀盐酸和去离子水洗涤产物2~3次,除去溶液中的Mn2 、Cl-、SO42-等杂质离子。在水洗过程中,氧化石墨烯颗粒在水分子溶胀作用下逐渐转变为凝胶态,使得溶液颜色加深变为深棕色。同时由于凝胶态颗粒堵塞滤膜使得水洗抽滤过程缓慢,通常水洗1~2次,再结合透析法和离心法继续分离纯化氧化石墨烯。在透析前,对氧化石墨烯溶液进行超声,可以进一步增大氧化石墨烯的剥离程度。在透析过程除去氧化石墨烯溶液中的杂质离子,而通过离心除去氧化石墨烯溶液中未剥离的氧化石墨烯和未被氧化的石墨粉。由于剥离开的单层氧化石墨烯在水中溶解性极好,离心后不会产生分层。但是在制备过程中,可能存在部分氧化石墨烯未被剥离,仍然是多层结构,或者部分石墨粉未被氧化,在离心时会以沉淀的形式留在离心管底部,除去沉淀即可达到提纯的目的。离心后得到的氧化石墨烯溶液装入培养皿中并放入烘箱干燥,即可得到氧化石墨烯。
1.3 石墨烯气凝胶及国内外研究现状
石墨烯气凝胶(GA)是以二维石墨烯为结构单元构建形成的轻质多孔材料。制备石墨烯气凝胶的方法有很多,如模板法、原位组装法、化学交联法、3D打印法等方法。
原位组装法的前驱体通常是氧化石墨烯,该方法的原料容易合成,且实验过程操作简单,但是反应时间过长。一步水热还原法是在原位组装法的基础上,使还原和组装同时进行,经过一步反应后即可得到组装好的石墨烯水凝胶,再经过冷冻干燥除去其中的水分子即可得到气凝胶。氧化石墨烯在水中的溶解性极好,能均匀分散在水溶液中且长期保持稳定。采用一定的方法还原氧化石墨烯上的含氧官能团,被极性基团破坏的共轭结构恢复,石墨烯层间由于极性基团的静电作用产生的斥力会大幅减小,而且得到的石墨烯具有疏水效应。在共轭结构和疏水效应的共同作用下,石墨烯纳米片层相互逐渐堆叠形成三维空间结构,进而得到石墨烯水凝胶。随后采用冷冻干燥技术,除去水凝胶中的水分子,保留三维空间网络结构,即可得到石墨烯气凝胶。为消除氧化石墨烯上的含氧官能团,常用的还原剂有抗坏血酸、乙二胺等。如果采用水合肼、硼氢化钠、抗坏血酸等强还原剂,会促使石墨烯在自组装的过程中严重堆叠,制备的石墨烯水凝胶严重堆叠,收缩率大,进而影响石墨烯气凝胶的各种性能。因此在制备过程中常采用乙二胺等弱碱性还原剂。在弱碱性还原剂的作用下,大部分含氧官能团被还原,π-π共轭恢复,π-π堆积相互作用和疏水效应,促进还原氧化石墨烯片在三维空间进行连锁和重叠,从而形成三维多孔骨架结构的石墨烯水凝胶。在制备过程中,乙二胺的作用是充当还原剂,与含氧官能团发生亲核开环反应,达到还原含氧官能团的目的,使其能够自组装形成水凝胶。同时,乙二胺将氨基引入石墨烯气凝胶中,使石墨烯气凝胶表面功能化,更具有活性。因此,本课题以乙二胺为还原剂采用一步水热还原法原位组装制备石墨烯气凝胶。
石墨烯气凝胶表现出的优异的物理性能使得石墨烯气凝胶在储能、光催化、污染处理、电磁屏蔽等领域有较大的应用潜力。但是纯石墨烯气凝胶的机械性能差,导热率较低,为使其能更好地应用于实际生产生活中,常将石墨烯气凝胶与其他有机或无机材料复合,以增强或改善石墨烯气凝胶的某些特性。这项工作在国内外都得到了广泛地研究。
在储能领域,石墨烯气凝胶可以作为制备电池电极的材料或是制备超级电容器的材料。一方面,石墨烯气凝胶具有整体性的导电网络、大量的孔洞和弹性结构,可以作为电池充放电过程中的电子运输通道。另一方面,石墨烯气凝胶可以缓冲充放电过程中电极材料引起的体积膨胀。闫等人研究了四氧化三钴/石墨烯气凝胶的电容器性能。研究发现,该体系表现出优良的导电性和电容性,适合用作能量储存装置的电极材料。相比于纯石墨烯气凝胶,四氧化三钴/石墨烯气凝胶的比电容值提高了约9倍,说明石墨烯气凝胶可以作为一种优异的超级电容器电极材料。
在光催化领域,石墨烯气凝胶本身具有光催化活性,同时由于其丰富的孔洞和超大的比表面积,石墨烯气凝胶是一种理想的催化剂载体。杨等人研究了三氧化钨/石墨烯气凝胶的光催化性能。研究发现,加入三氧化钨后的石墨烯气凝胶对一氧化氮的可见光光催化降解率提高为纯三氧化钨粉末的3.3倍,同时严格抑制了有毒副产物二氧化氮的生成,不会产生二次污染,更加容易回收利用。乔等人研究了二氧化钛/石墨烯气凝胶的可见光光催化性能。研究发现,该体系对罗丹明B的光催化降解反应的最高降解率和反应速率分别是纯二氧化钛体系的4.5倍和9.9倍。
以上是毕业论文大纲或资料介绍,该课题完整毕业论文、开题报告、任务书、程序设计、图纸设计等资料请添加微信获取,微信号:bysjorg。
相关图片展示:







您可能感兴趣的文章
- 在200至300℃的温度下纤维素的水热降解外文翻译资料
- 对O-酰基肟光敏交联剂和丙烯酸丁酯组成的压敏胶一系列光聚合与光降解过程的直接流变学测量外文翻译资料
- 热和紫外线诱导的环氧/环氧丙烯酸酯胶粘剂的制备及其性能外文翻译资料
- 基于光敏可逆固液转换的可调光聚合物胶粘剂外文翻译资料
- 氢氧化物-催化键中近红外吸收的时间演化外文翻译资料
- 利用糖辅助机械力化学剥离技术一步法制备功能化氮化硼纳米片外文翻译资料
- 用于热管理的具有优异力学性能和超高热导率的兼容多功能氮化硼纳米片/聚合物薄膜外文翻译资料
- 油水分离材料用凹土棒复合微球的制备与表征油水分离材料用凹土棒复合微球的制备与表征外文翻译资料
- 单轴拉伸聚乙烯/氮化硼纳米复合薄膜金属状热导率外文翻译资料
- 高导热硅弹性体掺杂石墨烯纳米片和低共熔液体金属合金外文翻译资料


