大沟3号桥(330m预应力砼先简支后连续T梁桥)右幅设计毕业论文
2020-02-17 00:57:24
摘 要
近年来,随着我国经济力量的提高,我国桥梁建设能力也开始位于世界前列,一大批具有高水平的桥梁陆续出现如苏通大桥,杭州湾跨海大桥等。本次设计的桥型是连续梁桥,连续梁桥是超静定结构,所以支座沉降、温差作用以及混凝土的收缩徐变对结构的影响都比较大,因而设计难度也有所增加。连续梁桥在支座处会产生负弯矩,会减少跨中的弯矩,对结构是有利的。连续梁桥在实际中的使用也很广泛
本次设计为大沟3号桥,呼和浩特至北海高速公路上的桥。本次设计只设计该桥的右幅,设计荷载为公路I级,跨度为90m。
该桥为预应力砼(后张)先简支后连续T梁桥,对其上部结构进行设计,拟定主梁截面尺寸,在拟定的荷载等级下,通过计算进行预应力钢束的配置;按照构造进行普通钢筋配置;并进行各项验算。了解该类桥型的常用施工方法,并绘制施工图。通过毕业设计,掌握预应力混凝土连续梁桥的受力特点、设计方法、计算方法、施工方法,并熟悉相应设计规范及结构构造要求。
本次设计的主要内容为:设计主梁截面尺寸,计算主梁内力;预应力钢束数量的估算以及钢束的布置;钢束预应力损失估算;验算主梁截面强度与应力,主梁变形验算;行车道板计算;盖梁计算,墩柱计算,桩基计算等内容。
关键词:预应力混凝土连续梁;先简支后连续;T梁;桩柱式墩
ABSTRACT
In recent years, with the improvement of China's economic strength, China's bridge construction capacity has also begun to be in the forefront of the world. A large number of bridges with high levels have emerged such as the Sutong Bridge and the Hangzhou Bay Bridge. The bridge type of this design is a continuous beam bridge. The continuous beam bridge is a statically indeterminate structure. Therefore, the settlement of the support, the temperature difference and the shrinkage and creep of the concrete have a great influence on the structure, so the design difficulty is also increased. Continuous beam bridges produce negative bending moments at the support, which reduces the bending moment in the span and is advantageous for the structure. Continuous beam bridges are also widely used in practice.
This design is the Dagou No. 3 Bridge, the bridge from Hohhot to Beihai Expressway. In this design, only the right frame of the bridge is designed, and the design load is Highway Class I with a span of 90m.
The bridge is a prestressed concrete (post-tensioned) first supported and continuous continuous T-beam bridge. The upper structure is designed and the main beam section size is drawn. Under the proposed load level, the prestressed steel bundle is configured by calculation; The structure is configured for ordinary steel bars; and various check calculations are performed. Understand the common construction methods of this type of bridge and draw the construction drawings. Through graduation design, master the stress characteristics, design methods, calculation methods and construction methods of prestressed concrete continuous girder bridges, and be familiar with the corresponding design specifications and structural construction requirements.
The main contents of this design are: design the main beam section size, calculate the internal force of the main beam; estimate the number of prestressed steel bundles and the arrangement of the steel bundle; estimate the prestress loss of the steel beam; check the strength and stress of the main beam section, and the main beam deformation Check calculation; lane board calculation; cover beam calculation, pier column calculation, pile foundation calculation, etc.
Key words: prestressed concrete continuous beam; first simply supported and continuous; T beam;pile-column pier
目录
第1章 绪论 1
1.1连续梁桥概述 1
1.2毕业设计的目的和意义 1
第2章 设计基本资料 2
2.1工程地质条件 2
2.5.1地形地貌 2
2.5.2地质构造 2
2.5.3水文地质条件 2
2.2材料规格 2
2.3基本计算数据 3
2.4设计依据 4
第3章 桥梁的方案设计 5
3.1 桥型设计方案比选 5
3.1.1 方案一:连续梁桥 5
3.1.2 方案二:连续刚构桥 5
3.1.3 方案三:单塔斜拉桥 6
3.1.4 方案比选 7
3.2设计要点及结构尺寸拟定 8
3.2.1设计要点 8
3.3结构尺寸拟定 9
3.3.1主梁片数与主梁间距 9
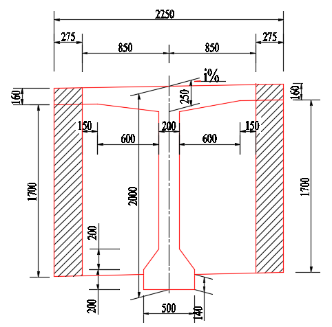
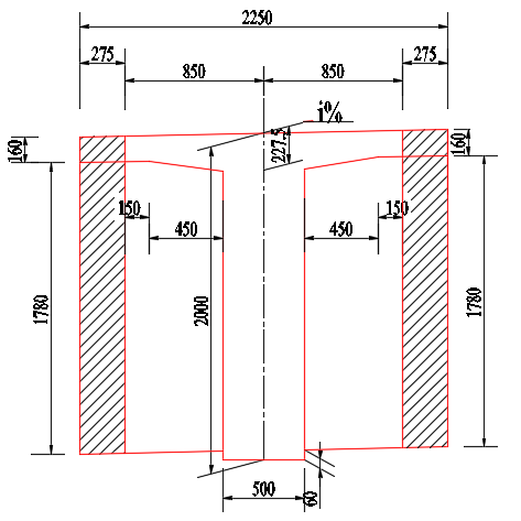
3.3.2主梁结构尺寸拟定 9
3.3横截面沿跨长的变化 10
3.4横隔梁的设置 10
第4章 有限元软件建模及分析过程 11
4.1建模过程 11
4.1.1设定操作环境 11
4. 1.2定义材料 11
4.1.3建立节点 11
4.1.4单元的建立 11
4.1.5定义截面 11
4.1.6定义变截面 12
4.1.7定义变截面组 12
4.1.8定义结构组 12
4.1.9定义时间依存材料 12
4.1.10定义边界条件以及边界组 12
4.1.11定义荷载组 12
4.1.12建立静力荷载工况 13
4.1.13建立移动荷载工况 13
4.1.14定义预应力钢束特性及布置钢束形状 13
4.1.15设定施工阶段 13
4.2Midas分析过程 14
4.2.1生成荷载组合 14
4.2.2部分分析结果图展示 15
4.2.3进行PSC设计 17
第5章 结构内力计算 21
5.1梁截面高度 21
5.2恒载截面内力 21
5.2.1自重作用下的内力 21
5.2.2二期恒载作用下的内力 22
5.3移动荷载下内力 23
5.4支座沉降引起的内力 24
5.5次内力计算 26
5.5.1收缩徐变次内力 26
5.5.2预应力次内力计算 27
5.5.3温度效应分析 28
5.6荷载组合内力 28
5.6.1 按承载能力极限状态设计 28
5.6.2 按正常使用极限状态设计 30
第6章 预应力钢束设计 31
6.1预应力钢束数量 31
6.2纵向预应力钢束的布置 31
6.2.1纵向预应力钢束的布置原则 31
6.2.2纵向预应力钢束布置 31
6.3预应力钢束应力损失 33
第7章 截面验算 41
7.1内力组合 41
7.1.1正常使用极限状态短期效应组合 41
7.1.2正常使用极限状态长期效应组合 41
7.1.3承载能力极限状态基本组合 42
7.2承载能力验算 42
7.2.1基本理论 42
7.2.2计算公式 42
7.3抗裂验算 45
7.3.1抗裂要求 45
7.3.2计算 46
7.4持久状况的应力验算 49
7.4.1正截面混凝土压应力验算 49
7.4.2预应力筋拉应力验算 50
7.5施工阶段混凝土构件法向压应力验算 51
7.6挠度验算 52
第8章行车道板计算 53
8.1悬臂板荷载效应计算 53
8.2连续板荷载效应计算 54
8.3截面设计、配筋与承载力验算 57
第9章 钻孔灌注桩、双柱式桥墩计算 59
9.1设计资料 59
9.2盖梁 60
9.2.1荷载计算 60
9.2.2内力计算 65
9.2.3盖梁配筋计算 67
9.3桥墩墩柱的计算 68
9.3.1配筋计算 69
9.4钻孔灌注桩计算 71
9.4.1荷载计算 71
9.4.2桩长计算 71
9.4.3桩的内力计算 72
9.4.4墩顶纵向水平位移验算与桩身材料截面强度验算 74
9.4.5桩身材料强度验算 75
参考文献 78
致谢 79
第1章 绪论
1.1连续梁桥概述
按照受力体系分类,桥梁有梁、拱、索三大基本体系,其中梁桥以受弯为主,拱桥以 受压为主,悬索桥以受拉为主,梁桥与同样跨径的其他体系相比,其主要特点是内力以弯矩为主,尤其是简支梁桥。但总的来说,梁桥结构简单,受力明确,施工较为简单,并且对地基的要求不是太高,在一般的中小跨径桥梁中有广泛的应用。
连续梁桥以其结构刚度大、变形小、伸缩缝少和行车平稳舒适等突出优点而得到了迅 速的发展。预应力结构通过高强钢筋对混凝土预压,不仅充分发挥了高强材料的特性,而 且提高了混凝土构件的抗裂能力,促使结构轻型化,因而预应力混凝土结构具有比钢筋混 凝土结构大得多的跨越能力。
1.2毕业设计的目的和意义
毕业设计是我们本科阶段需要完成的最后一门课程,也是一次专业的、独立的、系统的设计。在设计的过程中,可以对这四年来学习的知识有所回顾,与实际工程案例相结合,也算是对过去四年学习成果的检验。本次设计需要熟练地运用本科阶段学习的高等数学、桥梁工程、混凝土结构设计原理、基础工程、结构力学、CAD绘图、土木工程数值计算分析、桥梁结构电算等课程。通过此次毕业设计,能够很大程度地提高我们分析以及解决各种问题的能力,问题的解决意味着我们的知识水平又得到了提高。
除此之外,做毕业设计可以培养我们的细心和耐心,积累丰富的知识和宝贵的经验,同时树立我们科学严谨的学习和工作态度,为今后参加工作打下坚实的基础。熟悉相应设计规范和结构构造要求,以及熟练使用Auto CAD和迈达斯,为将来走向工作岗位打下良好的基础。我们在设计中必定会遇到各种各样的困难和疑惑,这就要求我们必须学会查阅相关的文献和各种相关资料,与导师和同学们积极探讨,这对于提高我们的自主学习能力有很大的帮助。总之,通过这次毕业设计,能够巩固自己的知识和专业技能,提高自己的综合能力,为今后成为一名优秀的桥梁工程师积累宝贵的经验。
第2章 设计基本资料
2.1工程地质条件
2.5.1地形地貌
桥址位于构造剥蚀侵蚀地区,为浅切U型谷地貌,桥轴线地面标高350~403m之间。桥梁跨越冲沟,冲沟两侧斜坡一带多为树林,起点端桥台位于斜坡地形,基岩出露较好,坡度20-30度不等,坡面植被发育。桥址区总体基岩出露较好。有村级路与外界相连,交通较便利。
2.5.2地质构造
桥址区位于燕山期长阳构造带,未见大的断裂痕迹,地质构造相对简单。
根据地质调汇和勘察成果,桥址区基岩大多出露,为志留系上纱帽群()页岩,岩层产状200°∠5°。
2.5.3水文地质条件
桥址区无常年性地表水通过,地表水主要为冲沟水,流向沟谷。流量受季节影响明显,降水多集中在夏季,冬季雨量最少。地下水主要为基岩裂隙水,主要赋存与页岩的节理裂隙中,接受上层滞水的下渗补给,水量总体较平乏。
根据区域地质资料,区内水质分析报告及区内无污染源的事实,桥址区地表水及地下水对混凝土结构有微腐蚀性。
2.2材料规格
混凝土:主梁部分、现浇段、湿接缝以、封锚段以及桥面现浇层采用C50混凝土,基桩采用C25混凝土,其余构件采用C30。预应力钢绞线:采用《公路钢筋混凝土及预应力混凝土桥涵设计规范》(JTG3362-2018)中Ф15.2钢绞线,公称面积140,标准强度 ,弹性模量.
普通钢筋:HPB300、HRB335钢筋标准应符合GB/T1499.1-2017和GB/T1499.2-2017的规定。凡钢筋直径≥12mm者,均采用HRB335热轧带肋钢;凡钢筋直径<12mm者,采用HPB300钢,钢板应符合GB 700-88规定的Q235钢板。
锚具:预制T梁采用OVM型锚具及其配套设备;T梁接头顶板束采用BM15型锚 具及其配套设备。
预应力管道:采用预埋圆形和扁形塑料波纹管成型。
支座:桥梁支座根据设置部位不同,分别采用GJZF4型四氟滑板式橡胶支座、GJZ型板式橡胶支座,其技术性能应符合《公路桥梁板式橡胶支座》(JT/T4-93)的要求。
伸缩缝:D80型伸缩缝。
二期铺装:10cm厚沥青混凝土 防水层 8cm厚C50混凝土现浇层。
2.3基本计算数据
根据《公路钢筋混凝土及预应力混凝土桥涵设计规范》规定,混凝土、钢绞线和钢筋的各项基本数据以及各阶段的容许应力值,如表2.1所列。
表2.1 基本数据
以上是毕业论文大纲或资料介绍,该课题完整毕业论文、开题报告、任务书、程序设计、图纸设计等资料请添加微信获取,微信号:bysjorg。
相关图片展示:









