江汉大学1#教学楼设计(六层,5800m2)毕业论文
2020-02-16 23:49:44
摘 要
本工程为教学楼工程,采用框架结构,主体为6层,本地区抗震设防烈度为7度,近震,场地类别为2类场地。主导风向为南风,基本风压为0.35kN/m2,基本雪压为0.20kN/m2,屋盖均采用现浇钢筋混凝土结构。
本设计贯彻“实用、安全、经济、美观”的设计原则。按照建筑设计规范,认真考虑影响设计的各项因素。
本设计主要进行了结构方案中横向框架第3轴抗震设计。在确定框架布局之后,先进行了层间水平地震荷载代表值的计算,接着利用顶点位移发求出自震周期,进而按底部剪力法计算水平地震荷载作用的大小,进而利用反弯点法求出水平地震荷载作用下的结构内力(弯矩、剪力、轴力)。接着利用风压标准值计算公式求出层间风荷载代表值,进而按D值法计算各层水平风荷载作用的大小,进而利用反弯点法求出水平风荷载作用下的结构内力。接着利用分层法计算竖向荷载(恒载及活荷载)作用下的结构内力,并找出最不利的一组或几组内力组合,选取最安全的结果计算配筋并绘图。此外还进行了楼梯的设计,对基础进行了配筋计算。
整个结构在设计过程中,严格遵循相关的专业规范的要求,参考相关资料和有关最新的国家标准规范,对设计的各个环节进行综合全面的科学性考虑。总字,适用、安全、经济、使用方便是本设计的原则。
【关键词】框架结构 荷载计算 内力计算 配筋计算
Abstract
This project is a teaching building project, using frame structure, the main body is six stories, the seismic fortification intensity in this area is 7 degrees, near-shocks, the site category is two types of sites.
The main wind direction is the South wind, the basic wind pressure is 0.35 kN/m2, and the basic snow pressure is 0.200.35 kN/m2. The cast-in-place reinforced concrete structure is used in the roofs.
This design carries out the design principle of "practical, safe, economical and beautiful". In accordance with the architectural design specifications, the factors affecting the design should be carefully considered.
This design mainly carries out the seismic design of the third axis of the transverse frame in the structural scheme. After determining the layout of the frame, the representative values of horizontal seismic loads between storeys are calculated first, and then the seismic period is calculated by the displacement of the vertex. Then the magnitude of horizontal seismic loads is calculated by the bottom shear method, and the internal forces (bending moment, shear force and axial force) of the structure under horizontal seismic loads are calculated by the reverse bending point method. Then, the representative values of interlayer wind loads are calculated by the formula of standard values of wind pressure, and then the magnitude of horizontal wind loads is calculated by D value method, and then the internal forces of structures under horizontal wind loads are calculated by the method of reverse bending point. Then, the internal forces of the structure under vertical loads (dead load and live load) are calculated by the layered method, and the most disadvantageous group or groups of internal forces are found out, and the safest results are selected to calculate the reinforcement and draw drawings. In addition, the staircase design and the reinforcement calculation of the foundation are also carried out. In the design process, the whole structure strictly follows the requirements of relevant professional norms, refers to relevant materials and the latest national standards and norms, and comprehensively and scientifically considers all aspects of the design. In general, the principle of this design is applicable, safe, economical and user-friendly.
Key words: Frame structure; Load calculation; Calculation of internal force ;Reinforcement calculation
第一章绪论
(一)毕业设计的目的
1、在知识上,应综合应用各种学科的理论、知识与技能去分析和解决工程的实际问题,并通过学习、研究和实践,使理论深化,知识拓宽,专业技能延伸。
2、在能力上,培养调研、收集、加工、整理和应用各种资料的能力。
3、在综合素质方面,培养严肃认真的科学态度和严谨的科学作风,以及协调合作的能力。
(二)毕业设计的基本要求
1、认真贯彻“实用、安全、经济、美观”的设计原则。
2、进一步掌握建筑与结构设计的全过程及基本方法和步骤。
3、认真处理好结构设计及建筑的总体与细部关系,选择合理的建筑结构形式、结构体系和结构布置。
4、确定结构计算简图,进行结构分析,结构分析方法必须手算,电算校核。
5、了解和掌握与本设计有关的设计规范和规定,并能正确使用。
6、认真编写设计计算书,绘制相应的设计图纸,并要求正确、规范、美观。
第二章设计总说明
(一)设计简介:
本设计为六层教学楼,按照设计要求与规范,本建筑座北朝南,处于飞马广场东侧。本建筑对建筑材料要求较高,主体采用了混凝土材料,外墙采用乳胶漆,美观大方。
本建筑采用“一”字形框架结构,顶层部分有女儿墙,使整个建筑不枯燥单调,教学楼出入口位于南面,楼梯布置于北面,且两端有出入口,使其有合理的布局,从而有良好的教学环境,体现了必须适合教学的这一特点。
(二) 建筑做法:
根据建筑《苏J01-2005》《房屋建筑学》等资料采用以下建筑做法:
2.1 地面:(除卫生间)水磨石地面(有防水层)
15厚1:2水泥白石子磨光打蜡
素水泥浆结合层一道
15厚1:3水泥沙浆找平层
40厚C20细石混凝土
防水层:刷冷底子油一道,二毡三油防潮层,
绿豆砂一层热沥青粘牢
20厚1:3水泥沙浆找平层
60厚C15混凝土
100厚碎石或碎砖夯实
素土夯实
2.2 楼面:(除卫生间)水磨石楼面(防水层)
15厚1:2水泥白石子磨光打蜡
素水泥浆结合层一道
30厚C20细石混凝土
防水层:聚氨酯二遍涂膜,厚1.2
20厚1:3水泥砂浆找平层,现浇钢筋混凝土楼面
2.3 内墙:乳胶漆外墙面
刷乳胶漆
5厚1:0.3:3石灰膏砂浆水泥粉面
12厚1:1:6水泥石灰砂浆打底
刷界面处理剂一道
2.4 外墙:涂料外墙面
刷外墙涂料
6厚1:2.5水泥砂浆粉面,水刷带出小麻面
2厚1:3水泥砂浆打底
刷界面处理剂一道
2.5屋面:高聚物改性沥青卷材防水屋面
铺贴防滑面砖,干水泥擦缝
20厚1:2.5水泥砂浆
40厚C20混凝土,表面刷素水泥浆一道
隔离层
高分子防水卷材一层
20厚1:3水泥砂浆找平层,现浇钢筋混凝土屋面板
2.6 散水:细石混凝土散水
40厚C20细石混凝土,撒1:2水泥黄砂压实抹光
120厚碎石垫层
素土夯实,向外坡4%
2.7 卫生间:地砖楼面(带防水层)
8-10厚地砖楼面,干水泥擦缝
5厚1:1水泥细砂浆结合层
30厚C20细石混凝土
防水层:聚氨酯二遍涂膜,厚1.2
20厚1:3水泥砂浆找平层
现捣制钢筋混凝土楼板
(三) 设计内容
3.1建筑设计:
本建筑采用的是现浇混凝土框架结构,层数为6层,顶层为阅览室、报告厅,五层为办公室,其余为教室及其辅助用房。一层层高为4.2m,二层层高为3.9m,标准层层高为3.9m,六层层高为3.9m, 室内外高差为0.45m,上人屋顶。
建筑设计阶段,通收集各种优秀的设计方案,同时对相关建筑物的实地考察,形成一定的设计概念,再对相关规范认真学习的基础之上进行初步建筑方案设计,在图纸上绘制总平面图 、各层平面图、主要立面图、主要剖面图的草图。在专业老师指导下,进行反复修改,并最终在计算机上绘制详图,达到正确美观的效果。
3.2结构设计:
在结构设计阶段,可以采用力矩分配法和分层法对竖向荷载作用下的框架结构进行内力计算;在水平荷载作用下的内力计算可采用D值法,用电算进行计算,手算校核。在进行大量数据处理时,可采用Excel表格进行计算,提高工作效率。通过计算使用Auto-CAD绘制结构详图、施工图、编写施工说明。
结构计算主要包括以下几个步骤:
3.2.1 结构布置、柱网布置、计算简图以及梁、柱截面尺寸板厚的确定:
1、梁截面尺寸的确定:主梁高取跨度的, 次梁高取跨度的梁宽取梁高的。
2、柱截面尺寸的确定:由轴压比来确定,根据公式
3、板厚取120mm。
4、计算单元选取:取③轴线一榀框架为计算单元。
3.2.2 水平荷载计算:地震作用和风荷载内力计算
1、地震作用内力计算:
根据荷载规范算出各楼层的自重。计算梁柱线刚度,在框架结构内力与位移计算中,现浇楼面可视作框架梁的有效翼缘,框架边梁惯性矩取矩形梁的1.5倍,框架中梁惯性矩取矩形梁的2倍。在地震荷载作用下,用顶点位移法计算结构的自震周期,按底部剪力法计算横向各层等效地震力,根据计算结果,必须考虑顶部附加水平地震作用力的影响。楼层弹性位移及验算。
2、风荷载作用内力计算:
先确定一系列系数的取值。对于本框架结构基本风压值不需调整。由于本建筑物总高度小于30米,对于横向框架:H/Bgt;1.5,沿房屋高度在一定范围内变化,故考虑风压脉动系数的影风压高度变化系数,按B类地区用插入法根据各层离地面高度查表算出;对于纵向框架:H/Blt;1.5,因此风振系数取1.0。风载体形系数按矩形结构,迎风面取0.8,背风面取-0.5,总体形系数。其余同地震荷载计算。
3.2.3 竖向荷载计算:恒载和活载计算。
恒载由构件自重、装修等材料的重量,按一定的传力途径计算出框架的横梁上的线荷载及柱上的集中力,求出梁的固端弯矩,然后用弯矩分配法计算梁、柱的弯矩,用弯矩分配法时采用分层法计算各层弯矩,再进行叠加,求出最后平衡弯矩,再由平衡条件求出梁柱剪力和轴力。活载计算过程同恒载。
3.2.4 内力调整:
前面进行的设计均为弹性设计,而混凝土为弹塑性材料,因而,应采用概念设计,这样在地震荷载作用下,框架就具有一定的延性,可吸收消耗一部分地震力,抵抗地震作用的能力较高这就需要进行弯矩调幅,降低负弯矩,以减少配筋面积。此结构为现浇框架结构,支座弯矩调幅系数取0.8,跨中弯矩由平衡条件求得。
支座弯矩和剪力设计值,应取支座边缘 的数值,同时,梁两端支座截面常是最大负弯矩及最大剪力作用处。在水平荷载作用下,端截面还有正弯矩,而跨中控制截面常是最大正弯矩作用处。
根据弯矩图可知,柱的最大弯矩值出现在柱两端,剪力和轴力值在同一楼层内变化很小,因此,柱的设计控制截面为上、下两端截面,即梁的上、下边缘。所以,在轴线处的计算内力也要换算成梁的上、下边缘处的柱截面内力。
3.2.5 内力组合:
1、1.2恒载 1.4活载
2、1.35恒载 0.7×1.4活载
3、1.2恒载 1.4风载
4、1.2恒载 0.9×1.4×(活载 风载)
5、1.2(恒载 活载×0.5) 1.3地震荷载
框架横梁的控制截面是支座截面和跨中截面,支座处一般产生-Mmax和Vmax,跨中截面产生Mmax。柱的控制截面在柱的上、下端。恒载、活载、风载和地震荷载都分别按各自规律布置进行内力分析,恒载,活载取支座上部弯矩为负,下部弯矩为正;风载、地震荷载均考虑左右两个方向,然后取出各个构件控制截面处的内力,最后在若干组不利内力中选取几组最不利的内力作为构件截面的设计内力。
3.2.6 梁、柱、板、楼梯及基础的配筋:
1、梁的配筋计算中,分为正截面计算和斜截面计算。正截面计算主要是取梁端最大负弯矩、跨中最大正弯矩来配梁的纵筋。斜截面计算主要是取梁端最大剪力来配梁的箍筋,同时考虑地震剪力的影响。梁端箍筋加密区也要按构造要求来配置。
2、柱的正截面计算中。柱的弯矩和轴力组合共考虑了三种组合,即|M|max及相应的N;Nmax及相应的M; Nmin及相应的M。但大多数情况下这几种组合都有一至二组重合,所以一般情况下,最不利组合只有一至两种,取配筋最大的为最终配筋依据。
3、由柱距计算知本设计楼板只有单向板按弹性理论进行计算;故板按照单向板进行配筋,考虑四边与梁整体连接的中间区格单向板拱作用的有利因素,对中间区格的单向板,其中间跨的跨中截面弯矩及支座截面弯矩可折减20%,但边跨的跨中截面弯矩及第一支座截面弯矩则不折减。
4、楼梯按板式楼梯进行计算配筋。
5、由基础的受力特点分析,采用柱下独立基础,其中走廊的基础因柱距太小采用联合基础。
第三章结构计算
(一) 结构布置及计算简图
1.1 结构布置如图3.1所示
图 3.1结构布置图
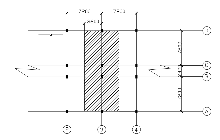
1.2 计算单元选取
由于本设计为一简单矩形三跨框架结构,计算单元取中跨横向框架③轴线一榀框架,如图3.2所示,其计算简图如图2-3。底层柱高取4200mm(注:底层地面做刚性面层并加基础梁与基础隔开,即底层柱高取4200mm.)

图 3.2计算单元

图 3.3计算简图
1.3 梁柱截面尺寸的确定
1.3.1 梁截面尺寸
1、主梁:
AB跨:梁高h=(1∕12~1∕8)L=600~900mm;取700㎜
梁宽b=(1∕3~1∕2)h=234~350mm;取250㎜
BC跨:梁高(1∕12~1∕8)L=200~300mm
根据实际情况综合考虑多种因素,取400㎜
梁宽取 250 mm
故主梁截面尺寸:700㎜×250㎜,400㎜×250㎜ 。
以上是毕业论文大纲或资料介绍,该课题完整毕业论文、开题报告、任务书、程序设计、图纸设计等资料请添加微信获取,微信号:bysjorg。
相关图片展示:









