镇江某学院实验楼设计(方案二)”毕业论文
2020-04-23 20:08:44
2019 届毕业设计(论文)
题 目:镇江某学院实验楼(方案二)
专 业: 土 木 工 程
班 级: 土 木 1501
姓 名: 杨帆
指导老师: 唐明怡 王曙光 顾建平
起讫日期: 2019.0.2--2019.06
2019年 06 月
本工程地点位于江苏省镇江市,抗震设防烈度为7度,
③-1 | 40 | 600 | 45 | 2000 | 180 |
③-2 | 55 | 1200 | 60 | 3500 | 240 |
④ | 100 | 1800 | 8000 | 380 | |
⑤-1 | 100 | 400 | |||
⑤-2a | |||||
⑤-2b |








6 | 1.0 | ||||||
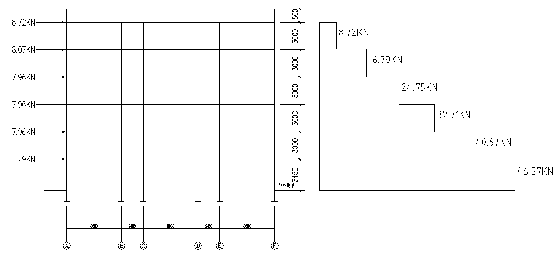
5 | 1.0 | 1.3 | 15.45 | 0.75 | 0.4 | 20.7 | 8.07 |
4 | 1.0 | 1.3 | 12.45 | 0.74 | 0.4 | 20.7 | 7.96 |
3 | 1.0 | 1.3 | 9.45 | 0.74 | 0.4 | 20.7 | 7.96 |
2 | 1.0 | 1.3 | 6.45 | 0.74 | 0.4 | 20.7 | 7.96 |
1 | 1.0 | 1.3 | 3.45 | 0.51 | 0.4 | 22.25 | 5.90 |

600 | 600 | 30.0 | 4.5×109 | 1.08×1010 | 4600 | 7.04×107 | 2.086 | ||
600 | 600 | 30.0 | 4.5×109 | 1.08×1010 | 3000 | 1.08×108 | 3.2 |
135.97 | |||||
131.55 | |||||
122.03 | |||||
107.4 | |||||
87.67 | |||||
1 | 12642.7 | 68011.39 | 1079.6 | 62.83 | 62.83 |
=1.7×0.6
=0.375s
6 | 3.0 | 19.6 | 9847.97 | 193020.21 | 1958.37 | 1958.39 |
5 | 3.0 | 16.6 | 11380.18 | 188910.99 | 1914.36 | 3872.75 |
4 | 3.0 | 13.6 | 11380.18 | 154770.45 | 1568.39 | 5441.14 |
3 | 3.0 | 10.6 | 11380.18 | 120629.91 | 1222.42 | 6663.56 |
2 | 3.0 | 7.6 | 11380.18 | 86489.37 | 876.45 | 7540.01 |
1 | 4.6 | 4.6 | 12642.7 | 58156.42 | 589.51 | 8129.52 |

6 | 3.0 | 1958.39 | 2223.36 | 0.88 | 5.45 |
5 | 3.0 | 3872.75 | 2223.36 | 1.74 | 5.45 |
4 | 3.0 | 5441.14 | 2223.36 | 2.45 | 5.45 |
3 | 3.0 | 6663.56 | 2223.36 | 3.00 | 5.45 |
2 | 3.0 | 7540.01 | 2223.36 | 3.39 | 5.45 |
1 | 4.6 | 8129.52 | 1079.6 | 7.53 | 8.36 |

-74.63 |
69.54 |
-70.73 |
-43.328 |
-84.57 |
79.76 |
-81.52 |
-46.517 |

) | ||||||||||
5 | 33.6 | 4.08 | 6 | 12.24 | 50.40 | -60.97 | 71.09 | 1.69 | 60.95 | -64.33 |
4 | 25.47 | 12.5 | 6 | 37.50 | 38.20 | -80.97 | 80.98 | 0.02 | 75.68 | -75.72 |
3 | 25.47 | 12.5 | 6 | 37.50 | 38.20 | -78.09 | 81.98 | 0.65 | 75.05 | -76.35 |
2 | 25.47 | 12.5 | 6 | 37.50 | 38.20 | -78.95 | 81.14 | 0.36 | 75.34 | -76.06 |
25.47 | 12.5 | 6 | 37.50 | 38.20 | -79.42 | 82.03 | 0.43 | 75.27 | -76.13 | |
1 | 25.47 | 12.5 | 6 | 37.50 | 38.20 | -69.52 | 82.87 | 2.22 | 73.48 | -77.92 |
5 | 10.49 | 4.08 | 2.4 | 4.90 | 6.29 | -24.79 | 22.35 | -1.02 | 12.21 | -10.17 |
4 | 8.86 | 4.08 | 2.4 | 4.90 | 5.32 | -12.16 | 19.88 | 3.22 | 7.00 | -13.44 |
3 | 8.86 | 4.08 | 2.4 | 4.90 | 5.32 | -16.41 | 15.46 | -0.40 | 10.61 | -9.82 |
2 | 8.86 | 4.08 | 2.4 | 4.90 | 5.32 | -15.73 | 16.39 | 0.27 | 9.95 | -10.49 |
8.86 | 4.08 | 2.4 | 4.90 | 5.32 | -14.84 | 15.03 | 0.08 | 10.14 | -10.30 | |
1 | 8.86 | 4.08 | 2.4 | 4.90 | 5.32 | -21.25 | 20.05 | -0.50 | 10.72 | -9.72 |
) | |||||||||||||
6 | 33.6 | 4.08 | 6 | 12.24 | 50.40 | 62.64 | -62.64 | ||||||
5 | 25.47 | 12.5 | 6 | 37.50 | 38.20 | 75.70 | -75.70 | ||||||
4 | 25.47 | 12.5 | 6 | 37.50 | 38.20 | 75.70 | -75.70 | ||||||
3 | 25.47 | 12.5 | 6 | 37.50 | 38.20 | 75.70 | -75.70 | ||||||
2 | 25.47 | 12.5 | 6 | 37.50 | 38.20 | 75.70 | -75.70 | ||||||
1 | 25.47 | 12.5 | 6 | 37.50 | 38.20 | 75.70 | -75.70 | ||||||
6 | 33.6 | 4.08 | 6 | 12.24 | 50.40 | -60.97 | 71.09 | 1.69 | 60.95 | -53.12 |
5 | 25.47 | 12.5 | 6 | 37.50 | 38.20 | -80.97 | 80.98 | 0.02 | 75.68 | -51.62 |
4 | 25.47 | 12.5 | 6 | 37.50 | 38.20 | -78.09 | 81.98 | 0.65 | 75.05 | -52.61 |
3 | 25.47 | 12.5 | 6 | 37.50 | 38.20 | -78.95 | 81.14 | 0.36 | 75.34 | -52.62 |
2 | 25.47 | 12.5 | 6 | 37.50 | 38.20 | -79.42 | 82.03 | 0.43 | 75.27 | -51.94 |
1 | 25.47 | 12.5 | 6 | 37.50 | 38.20 | -69.52 | 82.87 | 2.22 | 73.48 | -56.47 |






相关图片展示:









