南京市某1#厂房毕业论文
2020-04-19 21:18:07
摘 要
建筑结构共5层,总高度22.8米,结构体系为框架结构,基础采用桩基础,楼板采用压型钢板组合梁板。抗震设计烈度为7度框架的抗震等级为二级。整个设计包括建筑设计、结构设计和施工设计两部分:
建筑设计部分,首先根据建筑的使用功能确定建筑的初步布局,包括建筑体系及室内空间布置等,然后结合使用的材料,做法进一步确定具体的尺寸和平面立体风格等。
结构设计部分主要包括PKPM建模与计算,书写计算书和施工图的绘制。
本计算书内容包括如下部分:
- 工程概况
 - 结构布置
 - 刚度计算
 - 梁、柱截面设计
 - 楼与基础设计
 
Abstract
The total height of the building structure is 22.8 meters. The structure system is a frame structure. Pile foundation is used for the foundation and profiled steel plate composite beam and slab are used for the floor. The whole design includes architectural design, structural design and construction design.
In the part of architectural design, the preliminary layout of the building is determined according to the use function of the building, including the building system and the indoor space layout, etc. Then the specific size and the plane three-dimensional style are further determined by combining the materials used.
The structural design part mainly includes PKPM modeling and calculation, writing calculation books and drawing construction drawings.
- Engineering overview
 - Structural layout
 - Stiffness and load calculation
 - Internal force calculation under various projects
 - Beam and column section design
 - Stairs, Floors and Foundation Design
 
目录
摘要 I
Abstract II
第一章 工程概况 1
第二章 结构布置和初选截面,荷载计算 2
2.1确定计算简图 2
2.2梁、柱截面尺寸及板厚 2
2.3材料强度等级 5
2.4荷载计算 5
第三章 框架内力计算 16
3.1恒载作用下的框架内力 16
3.2活载作用下的框架内力 24
3.3风荷载作用下的内力计算 39
3.4地震作用下横向框架的内力计算 42
第四章 框架内力组合 51
4.1荷载作用 51
第五章 压型钢板组合楼板计算 65
5.1压型钢板的选择与截面模量计算 65
5.2施工阶段验算 66
5.3标准层组合楼板使用阶段验算 67
5.4分布钢筋 72
第六章 组合次梁设计 73
6.1次梁截面特性与材料 74
6.2组合次梁使用阶段配筋计算 75
第七章 框架梁柱截面设计 80
7.1梁截面设计 80
第八章 楼梯结构设计 92
第九章 基础设计 96
9.1基础工程桩基础设计资料 96
9.2选择桩端持力层、承台埋深 97
9.3确定单桩竖向承载力标准值 98
9.4.确定桩数和承台底面尺寸 98
9.5桩基计算 100
9.5承台设计 101
第一章 工程概况
该工程位抗震设防烈度为7度,设计速度为0.1g,组,建筑物场地类别为Ⅲ类。建筑物长56.6m,宽23.3m,地上5层,建筑米,建筑面积约5715m2,结构体系为钢筋构,楼板采用预制装配式叠合板,基础采用桩基础。:0.40kN/m2,基本雪压:0.65 kN/m2。拟建场地位于7度区,根据《建筑工程抗震设防分类标准》(GB50223-2008),本工程抗震类别为标准设防类。地基基计等级为丙级。
标准层建筑平面示意图1-1;

标准层建筑平面示意图1-1
第二章 结构布置和初选截面,荷载计算
2.1确定计算简图
于,,初步层,基 0.5图8-5。柱子的高度底层为:h\=3.9 0.8 0.5=5.2m(初步假设基础高度0.5m)为。横梁的计算跨度取柱中心至中心间距离,三跨分别为。计算简图见图2-1所示。
2.2梁、柱截面尺寸及板厚

图2-1 计算简图
横梁尺寸:
h=()l = , 取 600 mm
b= , 取 300 mm
纵梁尺寸:
h=()l = , 取 650 mm
b= , 取 300 mm
次梁尺寸:
h= ,取 500mm
b= , 取 200mm
柱尺寸: 500 mm 650 mm
边柱 AC= 2
中柱 AC=  2
柱截面取500 mm 650 mm
压型钢板混凝土组合楼盖:
压型钢板型号:YX 75-200-600
图2-2 压型钢板尺寸
基材:Q345 板厚:1.0mm
为:60mm,采用强度为C30级混凝土
具体构件截面尺寸如表 2-1
截面尺寸汇总 表2-1
梁截面  | 柱截面  | 混凝土强度等级  | |||||
纵向框架梁 (ZL2)  | 横向框架梁(ZL1)  | 次梁  | 边柱  | 中柱  | 上部  | 地基  | |
AB跨  | BC跨  | ||||||
C30  | C30  | ||||||

图 2-3 次梁布置图
2.3材级
混凝:用C30 级, 级
筋
2.4荷载
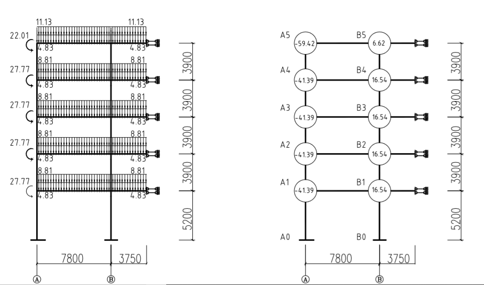
本立体以轴线横线框析对象
- 屋面横梁竖向线荷载标准值
 
(a)
(b)

图2-4 荷载计算简图
(a)永久荷载作用下结构计算简图; (b)活载作用下结构计算简图
- 永久荷载
 
屋面永久荷载标准值
35mm厚架空隔热板 0.03525=0.88
防水层 0.4
20mm厚1:2.5水泥砂浆找平层 0.0220=0.4
120mm混凝土现浇楼板
12厚纸筋石灰粉平顶 0.012kN/
屋面永久荷载标准值 4.45 kN/
梁自重
全跨梁 0.0.3kN/
梁侧粉刷 2
4.83 kN/
次梁自重
全跨梁
梁侧粉刷
作用在顶层框架梁上的线恒荷载标准值为
梁自重 g5AB1 = g5BC1 = g5CD1 = 4.83 kN/
板传来的荷载 g5AB2 = g5BC2 = g5CD2 = 4.45kN/
(2)活荷载(图)
作用在顶层框架梁上的线活荷载标准值
q5AB = q5BC = q5CD = kN/
- 楼
 
(1)永久荷载
25mm厚水泥砂浆面层 0.025
1.0mmYX 75-230-690压型钢板
压型钢板上混凝土自重
12厚板底粉刷 0.012
20mm厚花岗岩楼面
楼面永久荷载标准值 3.83 kN/
横向框架梁自重 4.83kN/
作用在楼面层框架梁上的线恒荷载标准值为
梁自重 gAB1 = gBC1 = gCD1 = 4.83 kN/
板传来荷载 gAB2 = gBC2 = gCD2 = 3.27
(2)活荷载
楼面活荷载 qAB = qBC = qCD = 4.0
- 屋值
 - 永久荷载
 
边跨纵向框架梁自重 0.3
以上是毕业论文大纲或资料介绍,该课题完整毕业论文、开题报告、任务书、程序设计、图纸设计等资料请添加微信获取,微信号:bysjorg。
相关图片展示:








        
            
