长沙市某中学综合教学楼建筑与结构设计毕业论文
2020-02-14 10:13:12
摘 要
本设计为长沙市某中学综合教学楼设计,主要设计内容包括建筑设计与结构设计。
本设计为五层框架结构,建筑面积5839.4m2,建筑体型规则。
建筑设计包括首层、二层、标准层;建筑平面图,屋顶排水平面图,建筑正立面、左立面、背立面、右立面图,楼梯处剖面图以及相关的设计说明和门窗表。
结构设计包括框架设计、梁板柱的配筋计算、基础配筋计算和楼梯设计。本计算书着重取一榀横向框架计算水平、竖向荷载作用下结构内力,并进行内力组合找出最不利组合,计算配筋。其中设计涉及到底部剪力法、D值法、二次弯矩分配法、塑性铰线法等方法,严格依据《建筑结构荷载规范》GB50009-2012、《混凝土结构 设计规范》GB50010-2010、《建筑抗震设计规范》GB50011-2010等规范取值计算。
本计算书最后采用PKPM3.1.6版本软件进行建模计算并将手算与电算结果进行对比分析,利用软件得出硂结构施工图。
关键词:结构设计,内力计算,构件设计,建模分析
Abstract
This is the design for a middle school building design in Changsha,Hunan. The main design content inclues architectural design and structural design.
This design is a the five-story frame structure, with a construction area of 5839.4m2, follwowing the vertical and horizontal building body rules.
The architectural design includes the first floor,the standard floor,the fifth floor building plan, the roof drainage floor plan, the building facade, the left facade, the back facade, the right elevation map, the staircase section the related design description and doors and windows table.
Structural design includes frame design, reinforcement of beam and column columns, foundation reinforcement calculation and stair design. The calculation of this book focuses on a horizontal frame calculation level, vertical load under the structure of internal forces, and the combination of internal forces to find the most unfavorable combination of calculation reinforcement. Which is related to the bottom of the shear force method, D value method, the second bending moment distribution method, plastic hinge method and other methods, strictly based on 'building structure load specification' GB50009-2012, 'concrete structure design specifications' GB50010-2010, ' Code for seismic design of buildings 'GB50011-2010.
This calculation book finally uses PKPM3.1.6 version software to carry on the modeling computation and carries on the contrast analysis to the calculation result with the calculation result, uses the software to draw the construction plan.
Keywords: structural design, the calculation of internal force, component design, structural design,
目录
第1章 绪论 1
1.1设计摘要 1
1.2工程概况 1
1.3设计依据 1
1.4结构选型 1
1.5结构缝设置 2
1.6地基与基础 2
1.7建筑平面规则性 2
第2章 梁、柱、板截面尺寸和计算简图 3
2.1结构平面布置图 3
2.2梁、柱、板截面尺寸 4
2.2.1梁截面尺寸 4
2.2.2柱截面尺寸 4
2.2.3板截面尺寸 5
2.3基础埋深 5
2.4框架计算简图 5
第3章 框架刚度计算 6
3.1梁、柱线刚度 6
3.2框架侧向刚度 8
3.3横向框架侧向刚度比验算 10
第4章 重力荷载和水平荷载计算 11
4.1重力荷载标准值 11
4.1.1屋面和楼面永久荷载标准值 11
4.1.2屋面和楼面可变荷载标准值 11
4.1.3梁、柱重力荷载标准值 11
4.1.4墙体重力荷载标准值 12
4.2重力荷载代表值 12
4.3水平地震作用计算 13
4.3.1结构自振周期 13
4.3.2水平地震影响系数 14
4.3.3水平地震作用标准值 14
4.4风荷载作用计算 16
第5章 水平荷载作用下框架结构分析 18
5.1水平地震作用 18
5.1.1剪重比和侧移验算 18
5.1.2内力计算 19
5.2风荷载作用 22
5.2.1侧移验算 22
5.2.2内力计算 23
第6章 竖向荷载作用下框架结构分析 27
6.1计算单元简图 27
6.2荷载计算 27
6.2.1恒载计算 27
6.2.2活载计算 31
6.3内力计算 34
6.3.1恒载内力 34
6.3.2活载内力 41
第7章 内力组合 47
7.1弯矩调幅 47
7.2内力调整 48
7.3内力组合 54
第8章 梁、柱、板截面设计 77
8.1梁截面设计 77
8.1.1内力组合和步骤 77
8.1.2设计参数 77
8.1.3配筋计算 77
8.2柱截面设计 87
8.2.1内力组合和步骤 87
8.2.2设计参数 87
8.2.3配筋计算 87
8.3双向板配筋 96
8.3.1设计参数 96
8.3.2内力计算 96
8.3.3配筋计算 96
第9章 基础设计 98
9.1设计资料 98
9.2基础梁 98
9.3C、D轴柱独立基础 98
9.3.1荷载计算 98
9.3.2基础底面尺寸 99
9.3.3基础立面尺寸 100
9.3.4基础配筋 101
第10章 楼梯设计 103
10.1设计参数 103
10.2梯段板设计 103
10.3斜梁设计 104
10.4平台板设计 106
10.5平台梁设计 106
结论 109
参考文献 110
致谢 111
第1章 绪论
1.1设计摘要
本设计为长沙市某中学综合教学楼,主要设计内容包括建筑设计和结构设计两部分。
建筑设计包括平面、立面和剖面设计。该教学楼(不包含散水和台阶)长60m,宽19.2m,高19.2m,占地面积为1167.88m2(不包含散水和台阶),建筑面积为5839.4m2。层数5层,层高3.6m,室内外高差0.15m。外墙厚200mm,内墙厚200mm,女儿墙高1.2m,墙厚200mm,屋面为不上人屋面。
结构设计包括框架设计、构件设计和基础设计等,其中,框架采用钢筋混凝土纵横向框架承重布置方案,基础采用钢筋混凝土柱下独立基础。
1.2工程概况
本工程为钢筋混凝土框架结构,填充墙采用加气混凝土砌块。设计使用年限为50年,耐火等级为二级,建筑安全等级为二级,地面粗糙度为B类。
依据《建筑结构荷载规范》GB50009-2012,湖南长沙地区基本雪压S0=0.45kN/m2,基本风压omega;0=0.35kN/m2。
依据《建筑抗震设计规范》GB50011-2010(正式版),本建筑按抗震设防烈度6度第一组,设计基本地震加速度值为0.05g,抗震等级为三级。
Ⅱ类场地,地表下土层分布均匀,地基承载力特征值fnof;ak=210kPa。
1.3设计依据
《民用建筑设计通则》GB50352-2005 中国建筑工业出版社
《房屋建筑制图统一标准》GB/T50001-2010 中国建筑工业出版社
《建筑设计防火规范》GB50016-2014 中国建筑工业出版社
《建筑地基基础设计规范》GB50007-2011 中国建筑工业出版社
《建筑结构荷载规范》GB50009-2012 中国建筑工业出版社
《混凝土结构设计规范》GB50010-2010 中国建筑工业出版社
《建筑抗震设计规范》GB50011-2010(正式版) 中国建筑工业出版社
《建筑结构制图标准》GB/T50105-2010 中国建筑工业出版社
《中小学校设计规范》GB50099-2011 中国建筑工业出版社
《建筑灭火器配置设计规范》GB 50140-2005 中国建筑工业出版社
《高层建筑混凝土结构技术规程》JGJ3-2010 中国建筑工业出版社
1.4结构选型
本教学楼采用钢筋混凝土框架结构,由梁、柱通过节点连接组成的结构体系承受竖向荷载和水平荷载,墙体起围护和隔断作用,具有建筑平面布置灵活、室内空间大等优点。
框架为纵横向承重,横向框架与纵向框架均设置主梁承担竖向荷载,楼板为现浇板,通过次梁将荷载传递给主梁。
1.5结构缝设置
为了应对混凝土收缩、温度变化引起的膨胀变形,基础不均匀沉降引起的建筑物开裂,满足结构防震要求等,依据混凝土规范、地基基础设计规范以及抗震规范要求设置伸缩缝、沉降缝和防震缝。
考虑到结构缝对建筑外形、装修、防渗、保温、隔声以及结构构件传力、施工难度等方面的影响,遵循“一缝多能”原则,将以上三种结构缝合并成一缝布置。
1.6地基与基础
地基基础设计应根据地基复杂程度、建筑物规模和功能特征以及由于地基问题可能造成建筑物破坏或影响正常使用的程度分为甲、乙、丙三个设计等级,依据地基基础设计规范规定,本教学楼地基基础设计等级定为丙级。另根据本教学楼建筑等级,参照规范要求可不做地基变形验算。
考虑到地基承载力特征值和基础宜浅埋等条件,基础形式采用柱下独立基础。
1.7建筑平面规则性
依据抗震规范关于建筑平面规则性指导意见,本设计建筑平面规则
第2章 梁、柱、板截面尺寸和计算简图
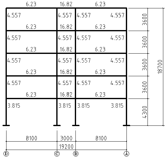
2.1结构平面布置图

图2.1 层梁、柱结构布置图(单位:mm)
2.2梁、柱、板截面尺寸
2.2.1梁截面尺寸
确定原则:梁截面高度一般为其跨度的1/14~1/10;梁截面宽度为其截面高度的1/3~1/2,考虑到5层屋面为不上人屋面,活荷载较小,合班教室框架梁截面尺寸适当减小,保持和其它层横梁截面尺寸相同。再综合扰度控制、荷载等原因,初选梁截面尺寸如下表:
表2.1 层梁截面尺寸(单位:mm)
|
楼层 |
横梁(btimes;h) |
纵梁(btimes;h) |
次梁(btimes;h) |
|
|
AB跨、CD跨 |
BC跨 |
|||
|
1~5 |
350times;650 |
350times;650 |
350times;650 |
300times;550 |
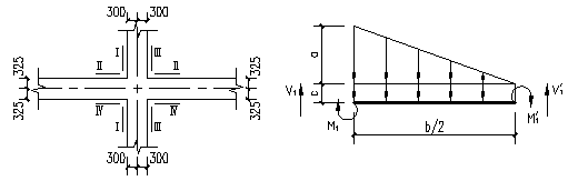
注:框架梁截面宽度、高宽比、跨高比符合《混凝土结构设计规范》GB50010-2010第11.3.5条规定。
2.2.2柱截面尺寸
确定原则:由《建筑抗震设计规范》(以下简称《抗规》)6.3.5条,矩形截面柱边长不宜小于400mm,柱截面高宽比不宜大于3;由《抗规》表6.3.6知:三级框架结构柱轴压比限值为0.85。抗震设计时宜采用方柱,根据轴压比确定柱子截面尺寸。
利用框架柱轴压比限值估算柱截面尺寸:
,
式中:
—截面面积;
—地震作用组合下柱的轴向压力设计值;
—混凝土轴心抗压强度设计值;
—柱轴压比限值;
—考虑地震作用组合后柱的轴向压力增大系数,边柱取1.3,等跨内柱取
1.2,不等跨内柱取1.25;
—按简支状态计算的柱的负载面积;
—折算在单位建筑面积上的重力荷载代表值,可近似取12-15kN/m2;
—演算截面以上楼层层数。
混凝土强度等级按《混凝土结构设计规范》GB50010-2010取用C35,查得fnof;c=16.7N/mm2,fnof;t=1.57N/mm2,gE取15kN/m2。
由公式计算第一层柱截面面积:
边柱:
中柱:
柱截面取为正方形,
,取500mm,柱截面尺寸btimes;h=500mmtimes;500mm,1~5层柱截面尺寸统一。
2.2.3板截面尺寸
板平面尺寸btimes;h(单位:mm):4800times;8100 3000times;4800 3000times;8100
3000times;3000 3000times;4500 4500times;8100
以上是毕业论文大纲或资料介绍,该课题完整毕业论文、开题报告、任务书、程序设计、图纸设计等资料请添加微信获取,微信号:bysjorg。
相关图片展示:











