粘弹性支承桥梁的竖向车致振动响应分析毕业论文
2020-02-13 22:45:08
摘 要
随着我国桥梁建设的飞速发展,车致振动产生的振动对周围环境的影响也越来越严重,橡胶支座作为连接上部结构和下部结构的重要部件被广泛应用于桥梁减隔震领域来阻隔水平地震作用的传播,也逐渐被应用于环境振动领域来阻隔竖向车致振动的传播。传统的车桥耦合振动模型中一般将橡胶支座考虑为刚性连接,忽略其刚度和阻尼的影响来探讨车桥耦合振动,但实际工程中橡胶支座不是刚性支承结构而是柔性支承结构,特别是桥梁减振支座,与一般铁路桥梁中的常用支座如板式橡胶支座或盆式橡胶支座相比,具有竖向低刚度,高阻尼的特点。
因此,为研究粘弹性支承对梁振动的影响,本文通过理论开展了粘弹性支承条件下轨道梁的竖向车致振动响应分析的研究工作,主要包括:
(1)分别建立在移动荷载作用下的简支梁和弹性梁的振动模型,获得其相应的位移
响应,并对比推导在移动荷载作用下粘弹性支承条件的梁的竖向车致振动响应。
(2)根据已获得的粘弹性支承的梁的位移响应结果,探讨在支座处刚度比和阻尼比以及频率比等不同参数以及桥梁自身跨度或者其上行驶车辆速度对粘弹性支承梁车致振动响应的影响规律。
研究结果表明:粘弹性支承所得车致振动响应与刚性支承以及弹性支承不同,粘弹性支座比刚性支承对轨道梁车致振动影响更大。
本文的特色在于将支座简化为粘弹性支座来分析在移动荷载作用下轨道梁的竖向车致振动响应。
关键词:刚性支承梁;弹性支承梁;粘弹性支承梁;车致振动;参数分析
Abstract
With the rapid development of bridge construction in China, the environmental vibration caused by vehicle-induced vibration is also becoming more and more serious. As an important component connecting the upper structure and the lower structure, rubber bearings are widely used in the field of bridge isolation and isolation to block horizontal earthquakes. The spread is also gradually applied to the field of environmental vibration to block the propagation of vibration caused by vertical vehicles. In the traditional axle-coupled vibration model, the rubber bearing is generally considered as a rigid connection, and the influence of stiffness and damping is ignored to discuss the coupling vibration of the axle. However, in actual engineering, the rubber bearing is not a rigid supporting structure but a flexible supporting structure, especially It is a bridge vibration-damping bearing, which has the characteristics of vertical low rigidity and high damping compared with common rail bridge common supports such as plate or basin rubber bearings.
Therefore, in order to study the influence of viscosity support on beam vibration, this paper studies the vertical vehicle-induced vibration response analysis of track beam under viscosity support conditions, including:
- The vibration models of simply supported beams and elastic beams under the action of moving simple harmonic loads are obtained respectively, and the corresponding displacement responses are obtained. The vertical vehicle induced vibration responses of beams under viscosity support conditions are compared.
- According to the displacement response of the beam obtained by viscosity support, and discuss the influence of different parameters such as stiffness ratio and damping ratio and frequency ratio at the support and the span of the bridge or the speed of the vehicle on the vibration response of the viscosity support beam.
The vibratory response of the viscoelastic support is different from the rigid support and the elastic support.The viscoelastic support has a greater influence on the vibration of the rail beam than the rigid support.
The feature of this paper is to simplify the support to a viscosity support to analyze the vertical vehicle-induced vibration response of the beam under moving loads.
Key words: Rigid support beam; elastic support beam; viscoelastic support beam; vehicle induced vibration; parameter analysis
目录
摘要 I
Abstract II
第1章 绪论 1
1.1 研究背景及意义 1
1.2 国内外研究现状 1
1.2.1刚性支承梁的研究现状 1
1.2.2弹性支承梁的研究现状 2
1.2.3粘弹性支承梁的研究现状 2
1.3 本文所做的工作 3
第2章 轨道梁的车致振动响应分析 5
2.1 移动荷载作用下轨道梁的振动响应分析 5
2.1.1刚性支承梁的理论推导 5
2.1.2弹性支承梁的理论推导 8
2.1.3粘弹性支承梁的理论推导 11
2.2 粘弹性支承梁的数值算例分析 14
2.3 本章小结 18
第3章 粘弹性支承梁的车致振动参数分析 19
3.1 支座刚度对桥梁车致振动的影响 19
3.2 支座质量对桥梁车致振动的影响 20
3.3 支座阻尼对桥梁车致振动的影响 21
3.4 车辆速度对桥梁车致振动的影响 23
3.5 桥梁跨度对桥梁车致振动的影响 24
3.6 本章小结 25
第4章 结论与展望 26
4.1 结论 26
4.2 展望 26
参考文献 28
致谢 29
第1章 绪论
1.1研究背景及意义
近年来,随着经济水平的发展以及科学技术的进步,交通运输系统有了很大的变化,无论是技术上还是规模上都有极大的提高,现代的交通系统如公路、铁路、地下铁路、城市立交桥中,车辆的行驶速度在不断加快,车流密度也在日益增加、车辆荷载也在逐渐加大[[1]]。一方面,车辆在以很高的速度运行的过程中会对其所通过的结构产生动力冲击作用[[2]],使结构发生振动,从而影响结构的使用寿命以及工作状态[[3]];另一方面,结构自身的振动也会对其上通过的车辆的安全性和平稳性有一定的影响[[4]],这使得结构的振动状态成为评价结构动力参数设计是否合理的一个重要指标。因此,对于车桥-结构动力相互作用系统进行研究的时候,获得其结构自身动力特性和对在其上运行的车辆的动力评估,来确定其在特定状态下的可靠程度,是合理进行各种交通系统结构设计的实际工程需要,也对于在移动荷载作用下的土建工程的结构设计和建造有着理论依据和参考价值。
桥梁支座在桥梁建设中主要是连接上部结构和下部结构的重要结构构件,从减振原理来看,可以起到隔断振动传播途径的功能。在之前的研究计算中,为了简化计算,常常对桥梁下部结构以及桥梁支座的粘弹性影响进行忽略,将桥梁支承看作刚性支承[[5]][[6]],但在实际工程中橡胶支座不是刚性支承而是柔性支承结构,同时,随着桥梁减振支座的应用,其竖向具有比一般铁路桥梁支座如板式支座或盆式橡胶支座低刚度,高阻尼的特点,在计算时,将桥梁支承考虑为更符合实际工程需要的粘弹性支承结构。
1.2 国内外研究现状
对于高速列车来说,其由于运动速度极快的特点,由于轨道不平顺而引起的轮轨动力响应以及对行驶车辆的稳定性、安全性和乘车舒适性的影响均会随着列车行驶速度的增加而增长,因此,高速铁路线路必须具有高平顺性、高可靠性和高稳定性。桥梁作为轨道下部基础结构,其主要功能是为列车提供稳定、平顺的桥上线路,确保其乘车舒适性和运营安全性[[7]],因此对桥梁支座的研究也十分重要,而在以往的研究中,大部分学者仅将支座考虑为刚性支承或者是弹性支承,用来考虑支座在移动荷载作用下其上行进车辆与桥梁相互作用下的桥梁的竖向振动响应,将支座简化为粘弹性支座也只有少部分学者进行了研究。
1.2.1刚性支承梁的研究现状
当前对于刚性支承梁的研究比较多,主要研究了在移动的恒载、简谐荷载以及移动的簧上质量作用下桥梁的竖向振动位移的精确解,再考虑了各种参数的变化对于桥梁振动的影响。
王昆鹏、夏禾[[8]]等利用振型叠加法和Duhamel积分获得了在单个移动荷载作用下的刚性支承梁的位移响应的精确解,进而分析获得在移动荷载列作用下的位移响应的精确解,针对各种特殊情况进行了讨论,如荷载为恒定荷载时对应的无阻尼情况,低阻尼情况,临界阻尼情况以及超阻尼情况,或荷载为简谐荷载对应的桥梁的位移响应,最后对所得数值进行分析,可知在工程计算中,刚性支承梁的第一阶振型对桥梁的跨中位移贡献最大,计算可选取第一阶振型对应的跨中位移;同时在移动简谐荷载作用下当荷载频率接近第一阶振型频率时,动力响应最大。
占成文、丁勇[[9]]在研究车辆荷载在刚性支承梁上作用时桥梁的动力响应中,考虑了桥梁阻尼以及自由振动的影响,并且利用有限元分析方法判断了理论分析的结果的正确性,再考虑了影响桥梁振动的各种因素,将其简化为一个冲击系数,分析各个影响因素对桥梁冲击系数的影响,进而判断对桥梁振动的影响。
1.2.2弹性支承梁的研究现状
在刚性支承梁的研究基础下,学者进一步考虑将支座处的刚度减小变为弹性支承来研究车桥振动,主要基于车桥耦合振动分析理论,得到了在移动荷载作用下的弹性支承桥梁的竖向振动位移的精确解。
张志俊、李小珍[[10]]等以高速铁路上32m的混凝土简支梁桥为研究对象,采用工程实例分析,建立具有12个自由度的弹簧阻尼单元模拟支座,再将建立的模拟支座嵌入车-线-桥耦合振动分析模型中,运用包含支座单元的耦合振动分析程序进行仿真计算,探讨了桥梁的弹性支座的刚度变化对于桥梁竖向振动以及隔振的效果影响。结果表明:支座的竖向刚度对车辆轮重减载率和竖向振动加速度的影响较小,可得桥梁位移响应随支座竖向刚度的降低而增大,支座竖向刚度也会对支座的隔振效果产生影响。
1.2.3粘弹性支承梁的研究现状
目前将支座简化为既有刚度又有阻尼的粘弹性支承的研究较少,主要集中于研究在低速冲击作用下或者爆炸荷载作用下桥梁振动响应。
陈万祥、郭志坤[[11]]通过忽略剪切变形的弯曲理论研究钢筋混凝土结构梁在低速冲击作用下结构的整体动力响应问题,通过Hertz接触理论下得到的冲击体与梁结构之间的局部接触力-接触变形关系,建立在低速冲击作用下的方程并获得结构的弹塑性动力响应,通过实例分析梁的总位移随着冲击速度、支座刚度和支座阻尼的变化,梁的总位移随着冲击速度的增大而增大,随着支座刚度的增大而减小,随着支座阻尼的增大而减小。
陈万祥、郭志坤[[12]]通过Euler-Bernoulli梁理论,以及Hertz接触理论和梁的横向振动方程,建立了梁的动力响应方程组(在弹性阶段内),分析获得了在粘弹性支承下的梁在低速冲击作用下的弹性动力响应 ,结果表明粘弹性支座会使桥梁位移到达峰值的时间延后,而且位移峰值也会适当减小,从而梁的抗冲击能力也有所提高。
方秦,杜茂林[[13]]用在桥梁端部设置阻尼和刚度的粘弹性支座来提高桥梁的抗爆能力,通过建立梁端部有刚度和阻尼的支座的拉格朗日动力方程,分析其在长时间作用和短时间作用的爆炸荷载作用下,桥梁的抗爆能力。
人们对于桥梁支座的研究从刚性支承到柔性支承中的弹性支承和粘弹性支承,刚性支承研究考虑了阻尼和自由振动的影响,弹性支承研究了各种移动荷载作用,粘弹性支承研究了桥梁受冲击荷载作用时桥梁的动力响应以及弹性响应,考虑各种因素对桥梁振动的影响。
当今城市或区域的主要连接,通常采用高架轨道交通,列车在运行时对轨道冲击从而使桥梁产生振动,并通过桥梁支座传递至基础和周边土层,并向四周环境传播,会对四周环境产生影响,甚至诱发周边地面振动和临近建筑物的二次振动和噪音[[14]],而且大多数车桥系统经过人口稠密的市区和住宅区,列车运行时会对周围的建筑物造成一定的影响,也会对人的生活产生影响,因此如何有效地减少此类振动产生的影响是工程师们近年来研究的重点[[15]],其中,在桥梁中加装橡胶支座是常用方法,例如台湾的高速铁路大桥便采用了橡胶减振支座以及剪力卡榫来作为上部隔振体系减小桥梁的振动。之前研究者们主要研究刚性支承和柔性支承与桥上结构耦合振动的影响,而且主要将桥梁支座简化为刚性支承或者弹性支承,并没有考虑到当今使用的橡胶支座与传统的梁板式橡胶支座的不同,因此本文着重讨论支座在不同的支承情况下的竖向车致振动响应,尤其注意到橡胶支座相对于其他梁板式支座具有的低刚度和高阻尼的特点,从而判断将支座简化为粘弹性支座后对桥梁竖向振动的影响。
1.3 本文所做的工作
本文针对粘弹性支承条件下轨道梁的竖向车致振动影响这一问题,基于车桥耦合振动分析理论,得到了轨道梁在不同的支承条件下的竖向车致振动响应,主要包括:
(1)分别建立在移动荷载作用下的刚性支承梁和弹性支承梁的计算模型,获得其相应的位移响应,并对比推导粘弹性支承条件下的轨道梁的竖向车致振动响应。
(2)根据已获得的粘弹性支承轨道梁的位移响应结果,探讨支座处在刚度比和阻尼比以及质量比等不同参数下以及桥梁自身的跨度以及其上行驶车辆的速度对粘弹性支承梁车致振动响应的影响规律。
本文的特色在于将支座简化为粘弹性支座来分析在移动荷载作用下轨道梁的竖向车致振动响应。
第2章 轨道梁的车致振动响应分析
本章针对刚性支承、弹性支承和粘弹性支承三种支承条件,分析了在移动荷载作用下轨道梁的竖向车致振动响应。
2.1 移动荷载作用下轨道梁的振动响应分析
2.1.1刚性支承梁的理论推导
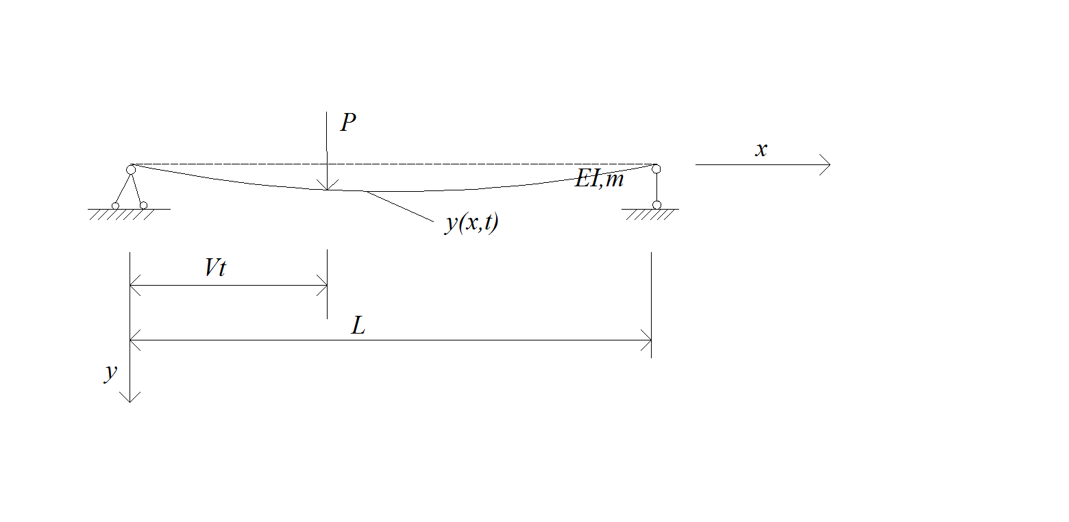
首先讨论最简单的内容,移动荷载作用下刚性支承梁的振动响应。

图2.1 移动荷载作用下刚性支承梁的计算模型
如图2.1所示,假定桥梁具有等截面特性(EI为常数)且梁长为L,桥梁的质量均匀分布(单位长度的刚性支承梁的质量为常数),恒载的质量均匀分布,P表示单个移动力(对于刚性支承梁来说,若移动荷载的质量远小于刚性支承梁的质量,则可以不考虑荷载的质量惯性力,而只考虑荷载引起的重力作用),荷载在轨道梁上以匀速V移动。假设梁的振动满足小变形理论且在弹性范围内,则桥梁运动方程可写为[[16]]:
(2.1)
以上是毕业论文大纲或资料介绍,该课题完整毕业论文、开题报告、任务书、程序设计、图纸设计等资料请添加微信获取,微信号:bysjorg。
相关图片展示:















