扬州长福集团办公楼框架结构设计(方案1)毕业论文
2020-06-06 11:04:49
摘 要
框架结构的优点是建筑平面布置灵活,与其他结构相比,它是一种造价较低的结构体系。建筑物外形由单一的矩形发展到L形,弧形等很多形状。建筑物的体形也由单一体形发展到单元组合体型和复杂体型。因此,多层工业,民用和公共建筑均采用框架结构体系。
本设计主要对结构方案中第4榀框架进行结构设计,按照最初开题报告所探索的计算步骤进行结构设计,步骤大概如下:确定结构布置选型,结构层间荷载计算,竖向荷载计算,D值法进行风荷载和地震荷载运算,结构内力组合,梁和框架柱截面配筋计算,进行独基设计,最后进行PKPM设计并绘制施工图。
关键词:框架结构;分层法;独立基础;结构设计;配筋。
Abstract
Because of the advantages of frame structure of the building layout iflexible,easy to satisfy the requirements set large space, facade processing also easy to meet demand, the art of architecture, frame structure is a low cost structure compared with other structures.The figuration of the building changes from the single rectangular to L-shaped,prototypes etc. The bodily form changes from single
building to the unit combination shape size and complex shape. Therefore, the frame structure is adopted in multi-layer industrial and civil and public buildings.The 4th horizontal frame structure is designed in this design.After determining the frame layouts, the standard values of loads acting on the structure are calculated firstly.Then the internal forces of the structure caused by vertical constant load and live load are calculated by stratified sampling method. Then, the structural internal forces (moment,shear force and axial force).due to horizontal wind load is calculated by using a D value method. Secondly, the internal forces under various circumstances are combined. The security results are selected to calculate the reinforcement of frame beams and frame column.Then, the structure of the shallow foundation is designed. Finally, the shop drawing of the frame structure is drawn by PKPM and CAD software.
Key words:Frame structure;Layering method;Isolated foundation;Structure Design;
Reinforcement.
目录
第一章 结构选型与布置 1
1.1 气象资料 1
1.2水文地质资料 1
1.3抗震设防烈度 2
1.4荷载资料 2
第二章 计算简图和荷载计算 3
2.1框架计算简图 3
2.2梁柱截面初选 4
2.3材料强度等级 5
2.4竖向荷载计算 5
2.5 风荷载 9
2.6 水平地震作用计算 15
第三章 框架内力计算 16
3.1恒荷载作用下的内力计算 15
3.2活荷载作用下的内力计算 21
3.3 风荷载作用下内力计算 40
3.4 地震作用下的内力计算 56
第四章 内力组合 66
第五章 杆件截面验算 82
第六章 楼梯结构计算设计 82
6.1 梯段板计算 83
6.2 梯段梁 TL1 计算 84
6.3 梯段梁 TL2计算 86
第七章 板的设计 86
7.1 荷载计算 86
7.2 计算简图 87
7.3 弯矩设计值 87
7.4 正截面受弯承载力计算 91
第八章 基础设计 91
8.1 荷载计算 91
8.2 确定基础底面积 92
8.3 地基变形验算 97
第九章 软件的分析结果和手算结果分析对比.....................................................98
第一章 结构选型与布置
题目:扬州长福集团办公楼框架结构设计(方案1)
1.1 气象资料
- 基本风压值:Wo=0.4kN/m
 - 基本雪压值:So=0.35kN/m
 
1.2地质资料
1.2.1工程概况
“扬州长福集团办公楼框架结构设计(方案1)”为实际工程,位于江苏省扬州市仪征区。建筑场地长宽约长66m 宽15.3m,建筑面积约4040m2,建筑高度约14m,室内外高差0.45m,本工程建筑层数为四层。建筑结构安全等级为二级,设计使用年限为50年,地基基础设计等级为丙级,框架抗震等级为三级,建筑抗震设防类别为标准设防类,抗震设防烈度为7 度(基本地震加速度为 0.15g) ,地震分组为第一组。
1.2.2工程地质资料
(1)经勘察查明,根据地层的沉积特点和物理力学特性自上而下共可划分为3层,各土层描述如下:
①层:素填土,灰褐色,主要成分为粉质粘土。该层土场地普遍分布,约0.5m厚。
②层:中密卵石。该层土场地普遍分布,约5.2m厚。
③层:密卵石,该层土本次钻探未钻穿。
(2)基础型式及持力层:本工程采用柱下独立基础;基础持力层位于第2层密卵石,地基承载力特征值 Fak=260kPa
(3)本工程地下水埋深为10米左右,地下水对钢筋混凝土结构不具侵蚀性。
(4) 建筑场地类别: I类。
1.2.3施工技术条件
本工程由大型建筑工程公司承建,设备齐全,技术良好。水、电供应由建设单位保证
1.3抗震设防烈度:7度
1.4荷载资料
- 办公楼面活荷载,查《建筑结构荷载规范》,确定办公楼面活荷载标准值为2.0kN/m2,办公楼走廊、楼梯楼面活荷载标准值为2.5kN/m2;
 - 不上人屋面:活载标准值为0.5kN/;
 - 屋面构造:
 
保护层:40mm厚细石混凝土保护层
隔离层:200G、M2聚酯无纺布
防水层:1.2厚合成高分子防水卷材两道
找平层:20mm厚 1:2.5 水泥砂浆
10mm厚板底抹灰
120mm厚钢筋混凝土板
120mm厚水泥石灰膏砂浆打底
- 楼面构造:
 
25mm厚1:2水泥砂浆面层压实抹光, 120mm厚现浇钢筋混凝土楼面板,12厚石灰粉平顶。
- 围护墙:采用240厚轻质砌块。
 

图 1-1 柱网图
第二章 计算简图和荷载计算
2.1框架计算简图
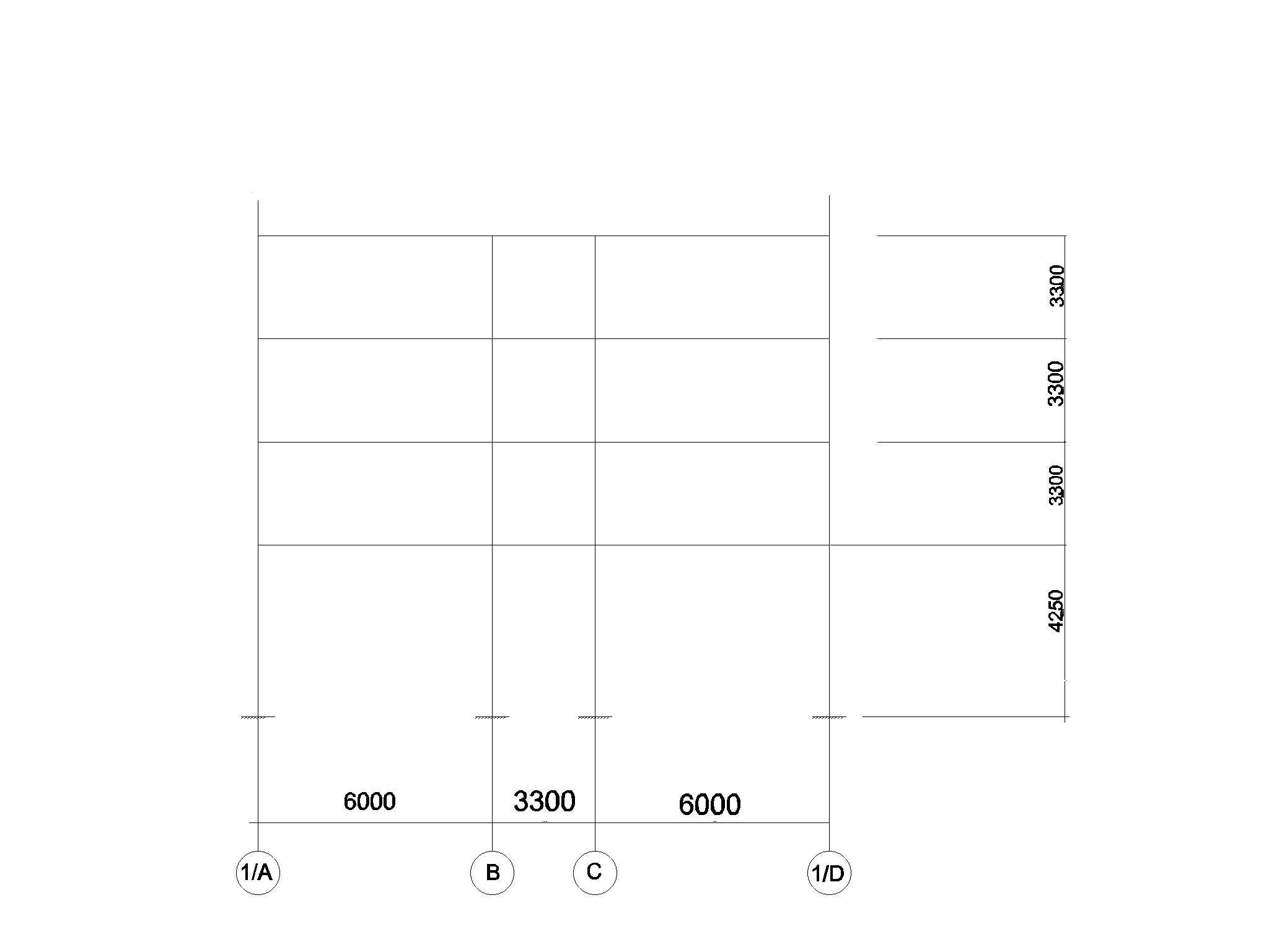
本工程横向框架计算单元取四榀框架部分,框架的计算简图假定底层柱下端固定于基础,基底标高为设计相对标高-2.10,本工程基础采用柱下独立基础,挖去所有杂填土,基础置于第三层卵石上。柱子的高度底层为:h1 = 3.3 0.45 0.5= 4.25m(初步假设基础高度0.5 m),二~五层柱高为h2~h5 = 3.3 m。柱节点刚接,横梁的计算跨度取柱中心至中心间距离,三跨分别为:L = 6000、3300、6000。计算简图见图2-1。

图2-1计算简图
2.2梁柱截面初选
- 框架柱:柱尺寸:500×500mm
 
  轴压比Ac≥
=
=22.1
- 梁:横向框架梁:h=(625~750)mm,b=
h,所以取300mm×650mm 
      纵向框架梁:h=(666~800)mm,b=
h,所以取300mm×700mm
次梁: 250mm×450mm
- 板厚:120mm
 
2.3材料强度等级
混凝土:均采用C30级
受力钢筋采用HRB400钢筋,箍筋采用HPB300钢筋。
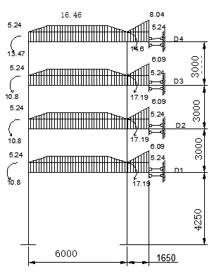
2.4竖向荷载计算
本例题以④轴线横向框架为计算分析对象
2.4.1屋面横梁竖向线荷载标准值
 
 
活载作用下结构计算简图
图2-2 荷载计算简图
(1)恒载
屋面恒载标准值
40mm厚细石混凝土保护层 0.035×2=0.875kN/m2
防水层 0.41kN/m2
20厚1:2.5 水泥砂浆找平层 0.02×20=0.4kN/m2
120厚钢筋混凝土现浇板 0.12×25=3kN/m2
12厚纸筋石灰粉平顶 0.012×16=0.192kN/m2
合计: 4.87kN/m2
梁自重(300×650) 0.3×0.65×25=4.875kN/m
梁侧粉刷 2×(0.65-0.12)×0.02×17=0.374kN/m
作用在顶层框架梁上的线荷载标准值为: 5.25kN/m
梁自重 g4AB1= g4CD1= g4BC1=5.235kN/m
板传来荷载 g4AB2= g4CD2 =g4BC2 =5.25×3.3=17.33kN/m
- 活载
 
作用在顶层框架梁上的线荷载标准值为: q4AB=q4CD=0.5×6=3kN/m
q4BC=0.5×3.3=1.65kN/m
2.4.2楼面横梁竖向荷载标准值
- 恒载
 
25厚水泥砂浆面层 0.025×20=0.5kN/m2
120厚现浇板 0.12×25=3kN/m2
12厚石灰层平顶 0.012×16=0.192KN/m2
相关图片展示:








        
            
