沭阳市某科技园第二厂房设计毕业论文
2020-06-06 11:03:48
摘 要
框架结构的优点是建筑平面布置灵活,与其他结构相比,它是一种造价较低的结构体系。建筑物外形由单一的矩形发展到L形,弧形等很多形状。建筑物的体形也由单一体形发展到单元组合体型和复杂体型。因此,多层工业,民用和公共建筑均采用框架结构体系。
本设计主要对结构方案中第8榀框架进行结构设计,按照最初开题报告所探索的计算步骤进行结构设计,步骤大概如下:确定结构布置选型,结构层间荷载计算,竖向荷载计算,D值法进行风荷载和地震荷载运算,结构内力组合,梁和框架柱截面配筋计算,进行独基设计,最后进行PKPM设计并绘制施工图。
关键词:框架结构;分层法;独立基础;结构设计;配筋。
Abstract
Because of the advantages of frame structure of the building layout iflexible,easy to satisfy the requirements set large space, facade processing also easy to meet demand, the art of architecture, frame structure is a low cost structure compared with other structures.The figuration of the building changes from the single rectangular to L-shaped,prototypes etc. The bodily form changes from single
building to the unit combination shape size and complex shape. Therefore, the frame structure is adopted in multi-layer industrial and civil and public buildings.The 4th horizontal frame structure is designed in this design.After determining the frame layouts, the standard values of loads acting on the structure are calculated firstly.Then the internal forces of the structure caused by vertical constant load and live load are calculated by stratified sampling method. Then, the structural internal forces (moment,shear force and axial force).due to horizontal wind load is calculated by using a D value method. Secondly, the internal forces under various circumstances are combined. The security results are selected to calculate the reinforcement of frame beams and frame column.Then, the structure of the shallow foundation is designed. Finally, the shop drawing of the frame structure is drawn by PKPM and CAD software.
Key words:Frame structure;Layering method;Isolated foundation;
Reinforcement.
Structure Design
目录
第一章 结构选型与布置 1
1.1 气象资料 1
1.2水文地质资料 1
1.3抗震设防烈度 2
1.4荷载资料 2
第二章 计算简图和荷载计算 4
2.1框架计算简图 4
2.2梁柱截面初选 4
2.3材料强度等级 5
2.4竖向荷载计算 5
2.5 风荷载 8
2.6 水平地震作用计算 9
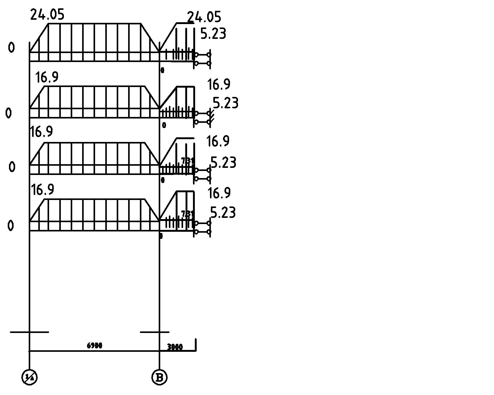
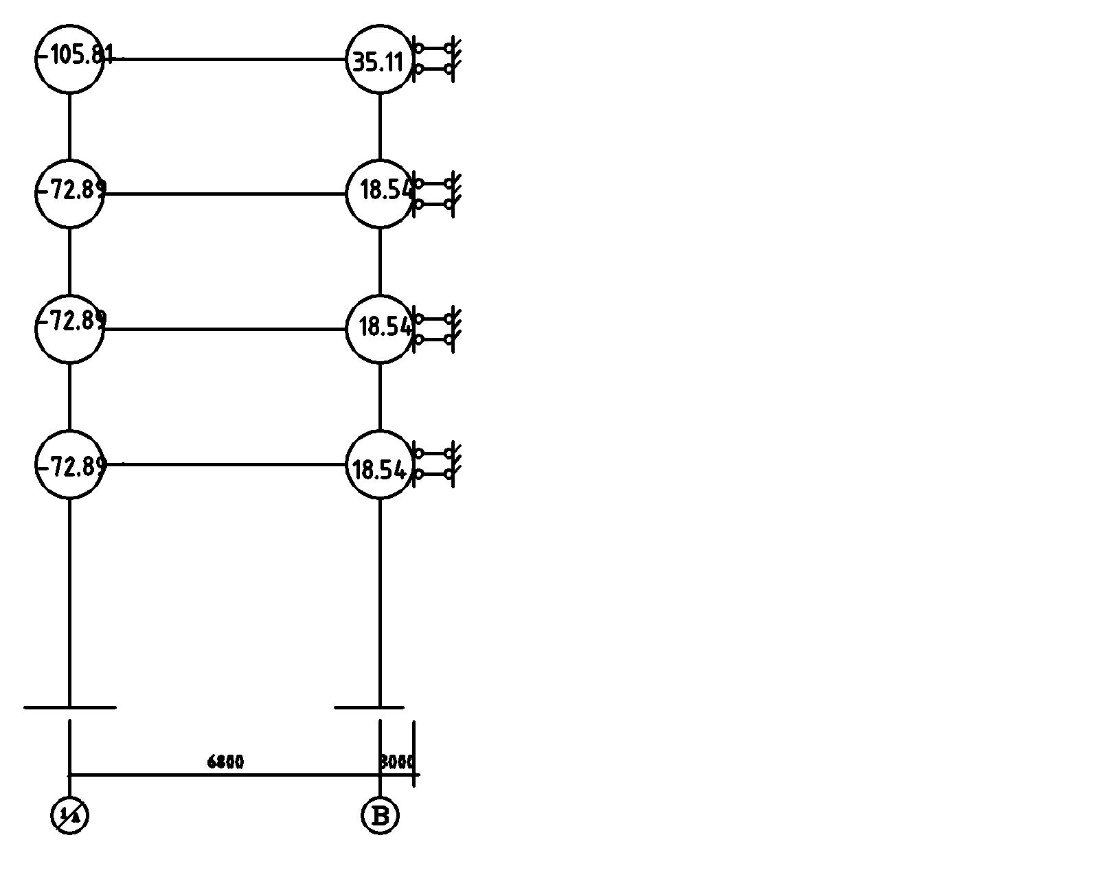
第三章 框架内力计算 13
3.1恒荷载作用下的内力计算 13
3.2活荷载作用下的内力计算 19
3.3 风荷载作用下内力计算 30
3.4 地震作用下的内力计算 33
第四章 内力组合 40
第五章 杆件截面验算 48
第六章 楼梯结构计算设计 56
6.1 梯段板计算 56
6.3 梯段梁 TL1 计算 58
6.4 梯段梁 TL2计算 58
第七章 板的设计 60
7.1 荷载计算 60
7.2 计算简图 60
7.3 弯矩设计值 60
7.4 正截面受弯承载力计算 61
第八章 基础设计 62
8.1 荷载计算 62
8.2 确定基础底面积 63
8.3 地基变形验算 65
8.4 地基变形验算 67
第九章 PKPM 在框架结构中的应用 87
9.1 PKPM电算结果 87
9.2 电算与手算结果比较分析 120
参考文献 121
致谢 122
结语 123
第一章 结构选型与布置
)
1.1 气象资料
- 基本风压值:W0=0.4kN/m
- 基本雪压值:So=0.5kN/m
1.2工程地质资料
抗震设防烈度为7度,设计基本地震加速度值为0.15g,属抗震设计地震分组第一组;场地土类别为Ⅱ类。根据工程地质勘测报告,给出各土层的物理力学性质指标平均值见附表。稳定地下水位位于地表下2.0m,对混凝土无侵蚀性。
1.2.1施工技术条件:本工程由建筑工程公司承建,设备齐全,技术良好。
1.2.2材料供应:三材及一般材料能按计划及时供应。
1.3抗震设防烈度:7度
1.4荷载资料
- 楼面活载,查《建筑结构荷载规范》(GB 50009-2012),确定活载为4 ;
- 不上人屋面:活载标准值为0.7kN/m2;
- 屋面构造:
保护层:20MM 1:2.5水泥砂浆,表面抹平
隔离层:200G、M2聚酯无纺布
相关图片展示:









