镇江市某服装有限公司办公楼(方案2)毕业论文
2020-06-06 09:53:32
摘 要
本工程为镇江市某服装有限公司办公楼设计,采用框架结构,为4层,抗震设防烈度为7度。基本风压0.40kN/m2,基本雪压0.35 kN/m2。楼、屋盖均采用现浇钢筋混凝土结构。
本设计贯彻“实用、安全、经济、美观”的设计原则。按照建筑设计规范,认真考虑影响设计的各项因素,把握了结构与建筑的总体与细部的关系。
该 结构设计包括以下几部分:首先,根据功能和使用要求进行结构布置,确定梁、柱截面尺寸;其次,计算重力荷载代表值和结构侧移刚度以及在水平荷载和竖向荷载作用下的内力,其中水平力考虑了地震水平作用力;第三步,考虑内力组合,选择最不利的组合进行梁柱配筋计算,最后是配筋。
关键词:框架结构、内力计算、内力组合、配筋
目 录
1 工程概况 1
1.1 气象条件 1
1.2 工程地质资料 1
1.3 抗震设防烈度 1
1.4 荷载资料 1
2 荷载计算 2
2.1 平面布置图 3
2.2 计算简图 3
2.3 梁柱截面尺寸 3
2.4 材料强度等级 3
2.5 荷载计算 3
3 框架内力计算 13
3.1 恒载作用下的框架内力 13
3.2 活载作用下的框架内力 18
3.3 风荷载作用下内力计算 31
3.4 地震作用下横向框架梁的内力计算 34
4 框架内力组合 41
5 框架梁、柱截面设计 47
6楼梯结构设计 57
6.1 梯段板计算 57
6.2 休息平台板计算 58
6.3 梯段梁TL1计算 59
7现浇楼面板设计 61
7.1 楼面板划分 61
7.2 楼板弯矩计算 61
8 基础设计 64
8.1.荷载计算 64
8.2 确定基础面积 64
8.3 基础结构设计 69
参考文献 71
致 谢 72
第一章 工程概况
题目:镇江市某服装有限公司办公楼设计(方案2)
根据建筑方案,设计建筑总面积约为2940m2,建筑总高度为15.3m。采用钢筋混凝土框架结构,建筑层数为四层,建筑主体长为49m,宽为15m。
1.1气象资料
(1)基本风压值:0.40kN/m2
(2)基本雪压值:0.35kN/m2
1.2工程地质资料
根据勘察院提供的资料,地表下土层分布自上而下为:
第(1)层—粉土,层厚为2.0~3.6m,fak=180pa;
第(2)层—粉土,层厚为2.0~5.0m,fak=230kpa;
第(3)层—粉土,层厚为2.0~4.0m,fak=240kpa。
拟建场地无液化土层,地下水无侵蚀性。1.3抗震设防烈度
1.3抗震设防烈度
本工程抗震设防烈度为7度,设计基本地震加速度值为0.15g。
场地类别:Ⅱ类场地。
设计地震分组:第二组。
1.4荷载资料
(1)办公楼楼面活载,查《建筑结构荷载规范》GB5009-2012,确定办公楼面活载标准值为2.0kN/m2,办公楼走廊为2.5kN/m2,楼梯楼面活载标准值为3.5kN/;
(2)不上人屋面:活载标准值为0.7 kN/m2;
(3)屋面构造:
保护层:20mm厚1:2.5或M15水泥砂浆,表面应抹平压光,并设分隔缝,分隔面积宜为1。
隔离层:200 g/聚酯无纺布。
防水层:1.2mm厚合成高分子防水卷材两道。
找平层:20mm厚1:2.5水泥砂浆。
保温层:75mm厚挤塑板。
找坡层:膨胀珍珠岩,坡度宜为3%,最薄处不得小于30mm。
(4)楼面构造
水泥楼面:10mm厚1:2水泥砂浆面层压实抹光、15mm厚1:3水泥砂浆找平层、现浇钢筋混凝土楼面板、12mm厚纸筋石灰粉平顶。
(5)围护墙:维护墙采用200厚混凝土空心小砌块(容重2.36 kN/m2),M5混合砂浆砌筑,M5混合砂浆砌筑,双面粉刷(重度3.6 kN/㎡),每开间采用3300mm×2100mm(b×h)通常塑钢窗。
第二章 荷载计算
2.1平面布置图

图2—1 结构平面布置图
2.2计算简图
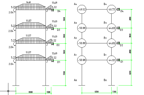
本工程横向框架计算单元图取建筑图中的3轴斜线所示范围,框架的计算简图假定底层柱下端固定于基础,按工程地质资料提供数据,查《建筑抗震设计规范》可判断该场地为Ⅱ类场地土,地质条件较好,初步确定本工程基础采用柱下独立基础,挖去所有杂填土,基础置于第一层粉质粘土层上,基地标高设计相对标高-2.100m。柱子的高度底层为:h1=3.6 2.1-0.5=5.2m(初步假设基础高度0.5m),二~五层柱高h2~h4=3.6m。柱节点刚接,横梁的计算跨度分别:l=6300、2400、6300。计算简图见图2—2。


图2—2 计算简图
2.3梁柱截面尺寸
(1)框架柱: 450mm×450mm
(2)梁:横向框架梁AB跨、BC跨、CD跨:300mm×650mm
纵向框架梁:300mm×650mm
次梁:250mm×400mm
(3)板厚:120mm
2.4材料强度等级
混凝土:均采用C30级。
钢筋直径≥12mm的采用HRB400钢筋,其余采用HPB300钢筋。
2.5荷载计算
本设计以3轴线横向框架为计算分析对象。
1.屋面横梁竖向线荷载标准值
(1)恒载(图2.3a)

- 恒载图 (b)活载图
图2—3荷载计算简图
屋面永久恒载标准值:
35mm厚架空隔热板 0.035×25=0.875kN/㎡
防水层 0.4kN/㎡
20mm厚1:3水泥砂浆找平层 0.02×20=0.4kN/㎡
相关图片展示:









