可再生燃料电池流场优化设计毕业论文
2020-02-18 10:43:58
摘 要
可再生燃料电池作为新型燃料电池,相较于普通的燃料电池多了水电解模式 ,可以将水电解成氢气进行储能。现在可再生燃料电池具有极高的比能量,是目前最轻的高能可充电池比能量的几倍,且具有使用中无自放电,无放电深度以及电池容量限制等优点而越来越受到重视,在航天航空领域得到应用。而流场结构作为影响可再生燃料电池性能的重要因素,具有很重大的研究意义。本论文对可再生燃料电池的流场进行了优化设计,包括一分二型直流道流场以及一分三型直流道流场。
对于一分三型直流道流场,本文运用Fluent软件先对初始模型进行计算分析,根据压力云图与速度流线图以及各个流道流量分配结果来优化流场模型。初始模型水流量分配由于水的惯性作用,部分流道流量会偏大,氢气流量的分配与水流量分配呈现出的特点相反。断点优化能同时兼顾水流量以及氢气流量的平均分配,而部分断点的优化效果最好。
一分二型直流道流场能更好的平均分配水以及氢气流体,氢气流量的分配情况较好,每根流道的流量大致相同,而水流量的分配情况相对较差。弧型流场相较于T型流场性能会更优异,不仅能平均分配流量,更能解决压力集中问题。但是一分二型直流道流场流道相对不紧凑,不能节省空间。
关键词:一分二型直流道流场;一分三型直流道流场;可再生燃料电池;流量分配
Abstract
As a new fuel cell, the renewable fuel cell has more water electrolysis mode than ordinary fuel cells, and can electrolyze water into hydrogen for energy storage. Nowadays, renewable fuel cells have extremely high specific energy, which is several times the specific energy of the lightest high-energy rechargeable batteries, and have more and more attention due to their advantages of no self-discharge, no depth of discharge and battery capacity limitation. , applied in the field of aerospace. The flow field structure, as an important factor affecting the performance of renewable fuel cells, has great research significance. In this paper, the flow field of renewable fuel cells is optimized, including one-two-type straight channel flow field and one-third-type straight channel flow field.
For the one-point three-type straight channel flow field, the Fluent software is used to calculate and analyze the initial model. The flow field model is optimized according to the pressure cloud map and velocity streamline graph and the flow distribution results of each channel.The initial model water flow distribution due to the inertia of water, part of the flow channel flow will be too large, the distribution of hydrogen flow and water flow distribution presents the opposite characteristics.The breakpoint optimization can balance the water flow and the average distribution of hydrogen flow, and the optimization of partial breakpoints is the best.
The one-point two-type straight channel flow field can distribute water and hydrogen fluid evenly,the distribution of hydrogen flow is better, the flow rate of each flow channel is about the same, and the distribution of water flow is relatively poor. The arc flow field is superior to the T-type flow field. Not only can the average distribution of traffic, but also the problem of pressure concentration. However, the one-two-type straight channel flow field flow path is relatively compact and cannot save space.
Keywords:One-point two-type straight channel flow field;One-point three-type straight channel flow field;RFC;Traffic distribution
目录
第1章 绪论 1
1.1课题研究背景 1
1.2可再生燃料电池及流场的研究现状 2
1.2.1可再生燃料电池研究现状 2
1.2.2燃料电池流场研究现状 2
1.3研究内容 3
第2章 可再生燃料电池流场模型 5
2.1影响流场的因素 5
2.2设计方案 6
2.3模型建立 7
2.4建立网格 8
2.5Fluent后处理介绍 9
第3章 一分三型流场设计优化 11
3.1一分三型初始流场计算分析 11
3.2一分三变截面型流场计算分析 14
3.3一分三断点型流场计算分析 19
第4章 一分二型流场优化设计 25
4.1一分二型初始流场计算分析 25
4.2一分二模型倒角优化计算分析 28
4.3一分二弧形流场计算分析 31
第5章 结论与展望 35
5.1总结 35
5.2展望 35
参考文献 37
致谢 39
第1章 绪论
1.1课题研究背景
这些年来,各国越来越重视航天技术的发展。而航空技术的重要性不言而喻,不仅是一个国家军事力量的象征,也成为衡量一个国家技术经济水平的标志。航天技术较为领先的国家不断地去更新本国的航天器,不断增加航天器种类,以及改善航天器性能。而航天技术水平较弱的国家则通过购买或者租借,来利用航天技术。
空间电源技术由于各国越来越重视而得到快速发展,卫星等航天器的稳定运行离不开稳定可靠的空间电源系统,想要提高航天器性能和效益以及增加载荷就要想办法去提高空间电源系统的性能和性价比。
由于太空中具有充足的太阳能,因此目前大多数的飞行器采用太阳能作为飞行器的主电源。但是,飞行器在飞行过程中会有背日工作状态,仅靠太阳能提供动力不能满足飞行器要求,因此必须装备可再生能源系统。即向日时通过太阳能提供动力,同时为可再生能源系统储备能源,而背日时通过可再生能源系统提供动力。并且,该能源系统还能充当辅助能源或者应急能源。空间可再生能源技术是指为卫星、空间站等在外太空运行的飞行器提供能源,同时自身能源可以通过外部电能得到可逆再生的一种能源转化系统和再生技术。作为在航天航空领域应用的技术,要求系统具有很高的安全可靠性,以及较长的使用寿命。
当今在空间可再生能源中占大比例的是可充电池,但是由于可充电池的比能量较低以及充放电循环寿命有限等缺点,可充电池越来越无法满足当今飞行器趋于小型化和大功率的要求。因此,各国科学家对目前已有的多种可适用于空间可再生能源系统的技术方案进行对比研究,认为相比于锂离子蓄电池、金属氢化物镍蓄电池等充放电池,可再生燃料电池(RFC)更符合未来的发展趋势。可再生燃料电池具有极高的比能量,可高达400~1000Wh/kg,是目前最轻的高能可充电池比能量的几倍,且具有使用中无自放电,无放电深度以及电池容量限制等优点,产生的高压氢气与氧气不仅可以用于空间站及卫星的姿态控制,还可以用于宇航员的生命保障[1]。
一体式可再生燃料电池的FC和WE功能是由一个组件来完成的,即执行FC功能时,可再生燃料电池实现氢氧复合并对外输出电能;执行WE功能时,可再生燃料电池在外电流的作用下将水电解成氢气和氧气达到储能目的。一体式可再生燃料电池不仅降低了成本,而且极大程度上节省了空间,提高了比功率和比能量。目前分开式以及综合式得到了实用,但分开式和综合式的可再生燃料电池WE模式以及FC模式分别由两个不同子系统来实现,这在一定程度上增加了可再生燃料电池的成本以及系统复杂程度。并且降低了可再生燃料电池的比能量和比功率。而未来空间飞行器的趋势是飞行时间长,重量轻。为此发展一体式可再生燃料电池,实现更高的比能量和比功率成为未来发展趋势。
为了实现可再生燃料电池寿命长以及重量低的目的,可以从流场板材料和流场结构入手。流场板占有燃料电池系统80%的重量,因此在选用流场板材料时,不仅需要考虑良好的导电性、耐腐蚀性以及低成本还需要考虑选用材料的重量。流场结构会极大的影响可再生燃料电池的性能,流场的功能是构建反应物流动通道,引导气体方向,确保反应物均匀分配到电极各处。再经电极扩散层到达催化层参与电化学反应,最后将反应产生的水排出。而流场的不合理设计将会使反应物分配不均匀,或者使生成的水不能顺利排出电池,从而造成电流密度不能均匀分布在整片电池,产生局部过热、水淹等现象,导致电池性能衰减或失效。为此,对于可再生燃料电池流场结构的研究具有重大意义。
1.2可再生燃料电池及流场的研究现状
1.2.1可再生燃料电池研究现状
大连化学物理研究所进行了 URFC 的应用基础研究。邵志刚等成功地将薄层亲水电极结构引入到URFC 中,电极催化层使用的贵金属催化剂当量仅为0.4mg/cm²,在电池的初步充放电循环中取得了令人满意的双功能性能,在充放电电流密度为400mA/cm²时,URFC 的燃料电池电压和水电解电压分别为0.7V 和1.71V[2]。随后刘浩等使用具有薄层亲水双效催化层和过渡双效催化层的复合电极结构,有效地提高了可再生燃料电池的充放电循环寿命[3]。宋世栋等开发了新型耐腐蚀扩散层,可再生燃料电池在20次充放电循环中性能稳定[4]。电池在FC模式下,电流密度为500mA/cm²时,电池电压为0.7V;在WE模式下,电流密度达到1000mA/cm²时,电解电压仅为1.6V,电流密度为2000mA/cm²时,电解电压仅为1.8V。
S.A.Grigoriev等进行了与基于质子交换膜(PEM)技术的单元化再生燃料电池(URFC)的开发和测试[5]。实验中的URFC堆栈由7个电化学电池(每个256 cn2有效区域)组成。电解模式中的标称电功率消耗为1.5kW,燃料电池模式下的标称电功率产生为0.5kW。在水电解过程中,在0.5Acm-2(基于水分解反应的热中性电压的85%效率)下测量的平均电池电压为1.74V,并且在燃料电池运行期间测量的平均电池电压为0.55V 。初步稳定性测试令人满意。计划进一步测试以评估堆栈的长期潜力。
1.2.2燃料电池流场研究现状
近年来,周方等通过实验研究了流场结构对PEM燃料电池性能影响,从电池性能、氧气摩尔浓度的分布、PEM中水含量的分布以及电流密度的分布这几个方面进行比较[6]。结果显示,电池性能由高到低依次为:蛇形流场和平行流场。
在2012年,吴孟飞等通过对多蛇形流道几何特征的数值研究,采用微流体元件中微流道之缓冲区的设计概念来改善气体进入各流道间流量分布不均匀的情况,并从反应气体进入流场开始到排出流场结束,针对所有相关的几何设计参数进行系统地数值研究[7]。结果表明能最大程度优化燃料电池性能的双极板流道的最佳深度为0.45mm,相对最优的流道宽度和脊背宽度是1mm左右。
在2018年,季运康等通过CFD技术对四种常见的流道进行设计,包括平行流道、网格流道、蛇形流道、螺旋流道,随后进行结果分析,比较不同流道设计的双极板的传质面积、气体分布均匀性及流阻大小[8]。得出结果,在忽略加工复杂的前提下,双极板为单流道时采用网格流道性能较佳,多流道时采用螺旋流道性能较佳。
Andrew Higier等通过对质子交换膜燃料电池进行研究,利用内部开发的独特技术分别测试各种蛇形流场几何形状下的陆地通道和通道下的电流密度[9]。实验结果表明,通常浇薄的通道的流场提供了更好的整体性能。
Kap-Seung Choi等对质子交换膜燃料电池的蛇形流道进行研究,蛇形流场的几何特征是提高PEMFC与压降,冷凝水排放,电池电压最大化以及整个表面区域电流密度均匀性相关的关键问题之一[10]。实验将三种不同的通道高度和宽度与宽度为1 mm和0.34 mm的蛇形通道的基本流场设计进行比较,每个通过对温度,压力,含水量和局部电流分布的详细数值研究密度。得出通道宽度增加对除水的影响大于通道高度增加的影响。这项工作中获得的结果预计将用于开发具有子通道和旁路的有效蛇形流场通道。
目前燃料电池的流场类型有很多种,例如有多孔材料流场板、点状流场板、网状流场板、平行流道流场板以及蛇型流场板等。而蛇型流场板又分为有单通道蛇型流场板以及多通道蛇型流场板[11]。蛇型流场有点在于能迅速排出流道积水,不易出现堵塞流道的情况。但由于压降大,流道后段气体供应会不足。而平行流道优点在于气体流动阻力较小,压降也较小。由于考虑到可再生燃料电池需要兼顾水流量以及氢气流量,因此本文设计的流场模型均为平行流场。
1.3研究内容
目前的可再生燃料电池大多还是在航空航天领域中使用,想要普及,实现商业化量产,必须想办法提高可再生燃料电池系统的安全可靠性以及降低电池系统的成本。若想解决这些问题,就要从两方面入手,一个是解决膜电极组的问题,通过不断实验从而找寻到性价比更高的催化剂以及替代品,以此来降低燃料电池的成本。另一个是要解决流场板的问题,在保证流场板结构强度的前提下,设计出合理的流道以及选用合适的流场板材料来提高电池性能以及降低成本。在整个电堆中,流场板重量占到80%,成本占到60%[12]。因此如何降低流场板的成本实现流场板轻量化成为改善电池的关键。本文主要是对两种流场模型进行研究计算,并根据计算结果做出相应的优化。
研究内容主要如下:
- 设计可再生燃料电池流场,建立一分三型直流场模型,比较各个流道中流量分配情况,并根据分配情况对流场进行优化设计,并对优化结果进行对比,分析流场优化效果。
- 设计可再生燃料电池流场,建立一分二型直流场模型,比较各个流道中流量分配情况以及观察压力云图,根据流量分配情况对流场进行相应的优化设计,对优化模型进行计算,将优化结果与初始模型结果对比,分析改进流场优化效果。
第2章 可再生燃料电池流场模型
2.1影响流场的因素
可再生燃料电池的性能表现会根据反应环境以及条件的不同而变化,因此,在设计可再生燃料电池流场时,需要考虑许多影响因素。
流体的分配、水的流动性以及流阻都受流道的几何结构影响。流场的几何结构将影响反应物与生成物在流道中的流动情况,对燃料电池的整体性能有较大的影响。流道的尺寸参数包括有流道宽度W、流道高度d、流道倾角e以及岸宽l。各个参数从不同方面影响气体流速、气体分配以及接触面积。流道的基本尺寸如图2.1所示。

图2.1 流道的基本尺寸图
不合理的流场设计不仅使电流分配不均,还会使生成的水不能顺利排出,这将导致:(1)催化剂周围的水使得反应物难于接近催化剂,出现所谓的“电极淹水”现象,影响电池性能;(2)增大了反应物通过扩散层到达催化层的传质阻力,降低了电池的输出功率;(3)水的累积有时也会使得膜局部产生溶涨现象。质子交换膜燃料电池流场的除水除了靠气体推动的方式,也可利用进出口的压差来除水。但需要注意的是,压差过大会使电池功率损失过大,而过小的压差又不能起到很好的除水作用。
设计流场时应该在保证气体流速较高时将气体分配均匀,来增强排水能力以及防止局部过热。因此,初步设计一分多的过渡流场,通过岸与壁面的距离来均匀分配流体。这种方案不仅能使与膜电极接触面积增大,还能对膜电极起到吃撑的作用。
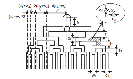
本次设计的目的旨在将流场内的流体分配均匀,由于是可再生燃料电池,两种工作模式,FC模式流场分配气体,WE模式流场分配液态水,要保证低流阻降低能耗,采用直型流场。流场内的流体不仅有气体,还有液体水,因此需要合理设计使流场能将水以及气体均匀分配。根据设计目的先后设计了一分三以及一分二两种流场模型,如图2.2、图2.3所示,均为直流道流场。因为流体有水,所以选择平行流道。

图2.2 一分三直流道型流场

图2.3 一分二直流道型流场
2.2设计方案
为了计算简单快捷,默认选择恒截面流道。倾角为0,流道宽度以及深度都为1mm。之后再进行断点以及变截面等优化,使各个流道的流体分配能更均匀。
以上是毕业论文大纲或资料介绍,该课题完整毕业论文、开题报告、任务书、程序设计、图纸设计等资料请添加微信获取,微信号:bysjorg。
相关图片展示:









